Development of Predictive Equations for Thermal Conductivity of Compost Bedding
Abstract
Featured Application
Abstract
1. Introduction
2. Materials and Methods
2.1. Sample Collection
2.2. Sample Preparation
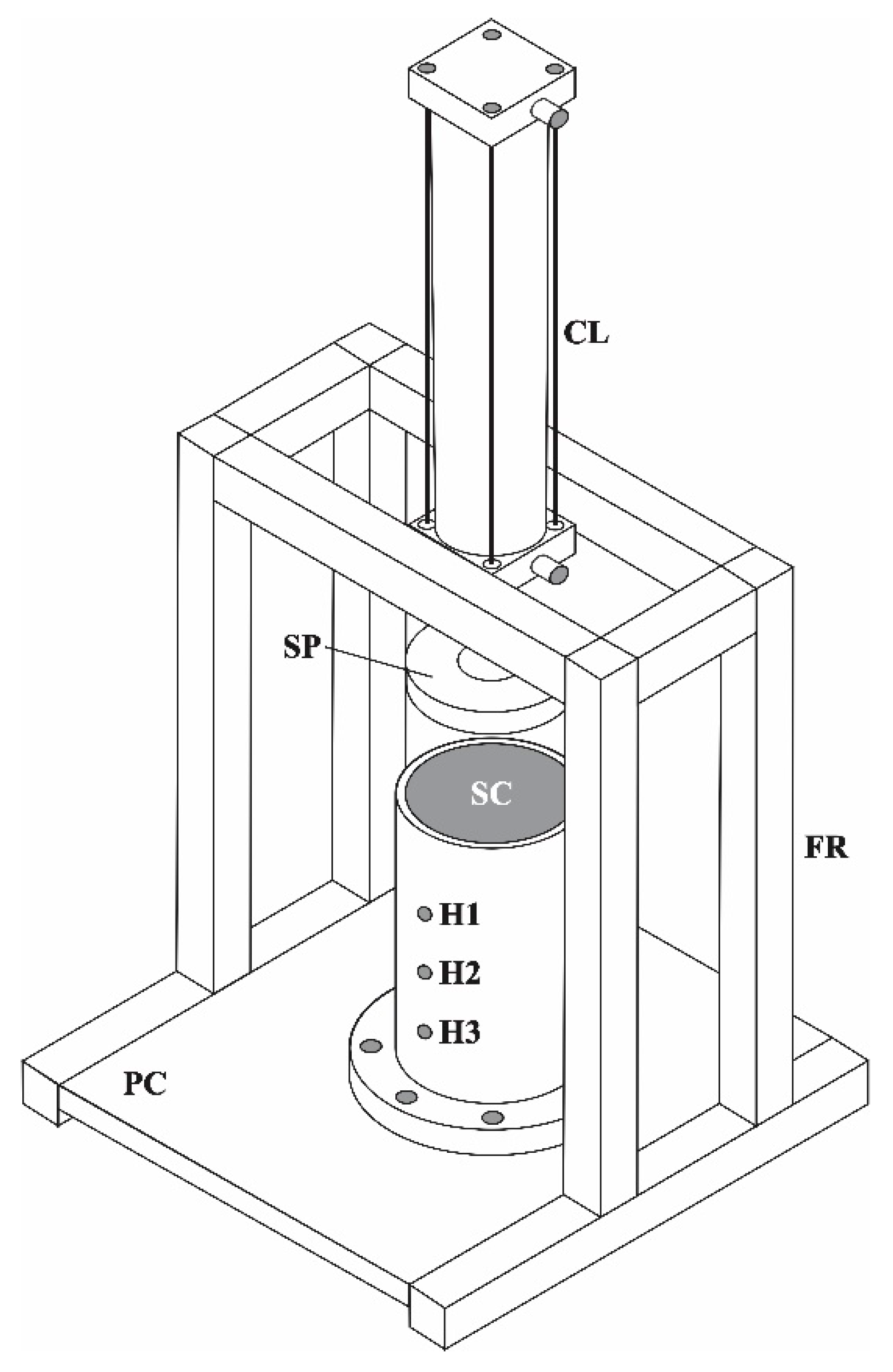
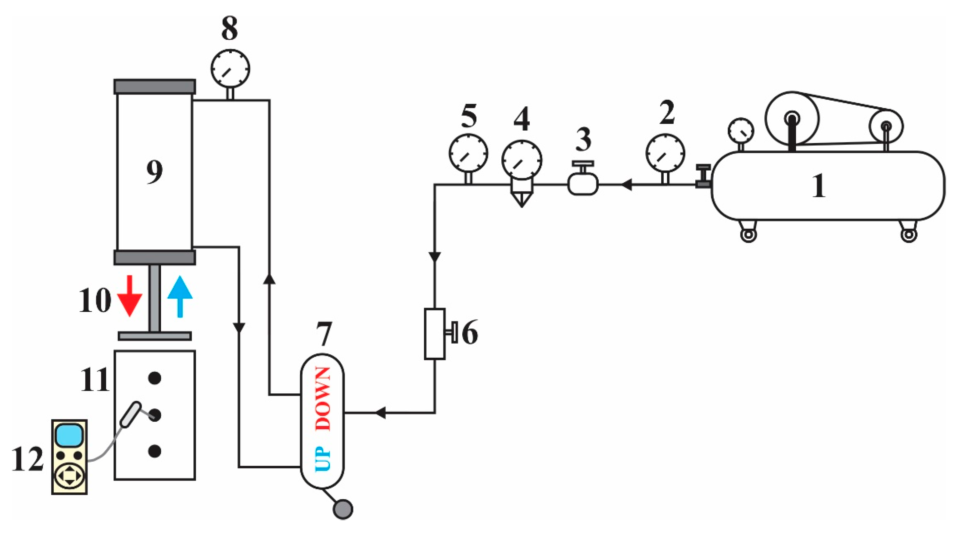
2.3. Simulation of Material Compaction
2.4. Thermal Conductivity Measurement
2.5. Statistical Analysis
3. Results and Discussion
3.1. Thermal Properties of Composts in Different Moisture Contents and Static Compaction Degrees
3.2. Thermal Properties of Composts in Different Moisture Contents and Dynamic Compaction Degrees
3.3. Thermal Properties of Composts in Different Particle Sizes
3.4. Thermal Properties of Composts along the Depths Evaluated
3.5. Prediction of Bed Compost Thermal Conductivity
4. Conclusions
- (a)
- A strong dependence of thermal conductivity on the moisture content and degree of compaction (static and dynamic) was observed. Thus, a growing trend in thermal conductivity (k) was observed with increasing moisture content and degree of compaction for all bed materials tested. The polynomial regression models developed in this study presented an excellent model fit, with R2 greater than 91%.
- (b)
- Overall, thermal conductivity increased with increasing particle size (PS), indicating that it is strongly dependent on PS, and;
- (c)
- In general, the values of thermal conductivity reduced along the evaluated depths.
Author Contributions
Funding
Institutional Review Board Statement
Informed Consent Statement
Data Availability Statement
Acknowledgments
Conflicts of Interest
References
- Bewley, J.M.; Robertson, L.M.; Eckelkamp, E.A. A 100-year review: Lactating dairy cattle housing management. J. Dairy Sci. 2017, 100, 10418–10431. [Google Scholar] [CrossRef] [PubMed]
- Leso, L.; Barbari, M.; Lopes, M.A.; Damasceno, F.A.; Galama, P.; Taraba, J.L.; Kuipers, A. Invited review: Compost-bedded pack barns for dairy cows. J. Dairy Sci. 2020, 103, 1072–1099. [Google Scholar] [CrossRef]
- Blanco-Penedo, I.; Ouweltjes, W.; Ofner-Schröck, E.; Brügemann, K.; Emanuelson, U. Symposium review: Animal welfare in free-walk systems in Europe. J. Dairy Sci. 2020, 103, 5773–5782. [Google Scholar] [CrossRef]
- Janni, K.A.; Endres, M.I.; Reneau, J.K.; Schoper, W.W. Compost dairy barn layout and management recommendations. Appl. Eng. Agric. 2007, 23, 97–102. [Google Scholar] [CrossRef]
- Black, R.A.; Taraba, J.L.; Day, G.B.; Damasceno, F.A.; Bewley, J.M. Compost bedded pack dairy barn management, performance, and producer satisfaction. J. Dairy Sci. 2013, 96, 8060–8074. [Google Scholar] [CrossRef] [PubMed]
- Oliveira, V.C.; Damasceno, F.A.; Oliveira, C.E.A.; Osório, J.A.; Ferraz, G.A.S.; Ponciano, P.F. Compost-bedded pack barns in the state of Minas Gerais: Architectural and technological characterization. Agron. Res. 2019, 17, 2016–2028. [Google Scholar]
- Shane, E.M.; Endres, M.I.; Johnson, D.G.; Reneau, J.K. Bedding options for an alternative housing system for dairy cows: A descriptive study. Appl. Eng. Agric. 2010, 26, 659–666. [Google Scholar] [CrossRef]
- Llonch, L.; Castillejos, L.; Mainau, E.; Manteca, X.; Ferret, A. Effect of forest biomass as bedding material on compost-bedded pack performance, microbial content, and behavior of nonlactating dairy cows. J. Dairy Sci. 2020, 103, 10676–10688. [Google Scholar] [CrossRef]
- Fávero, S.; Portilho, F.V.R.; Oliveira, A.C.R.; Langoni, H.; Pantoja, J.C.F. Factors associated with mastitis epidemiologic indexes, animal hygiene, and bulk milk bacterial concentrations in dairy herds housed on compost bedding. Livest. Sci. 2015, 181, 220–230. [Google Scholar] [CrossRef]
- Monge, J.L.; Damasceno, F.A.; Oliveira, C.E.A.; Saraz, J.A.O.; Chiavassa, C. Instalaciones para confinamiento de vacas lecheras del tipo Compost Barn en la Argentina y Brasil: Revisión. In Anais do II Simpósio Internacional de Ambiência na Produção Animal—(SIAPAS) e VI Simpósio Nacional de Construções Rurais e Ambiência (SIMCRA); Universidade Federal de Lavras: Lavras, Brasil, 2019; pp. 248–256. [Google Scholar]
- Ferraz, P.F.P.; Ferraz, G.A.S.; Leso, L.; Klopčič, M.; Barbari, M.; Rossi, G. Properties of conventional and alternative bedding materials for dairy cattle. J. Dairy Sci. 2020, 103, 8661–8674. [Google Scholar] [CrossRef] [PubMed]
- Czepiel, P.; Douglas, E.; Harriss, R.; Crill, P. Measurement of N2O from composted organic wastes. Environ. Sci. Technol. 1996, 30, 2519–2525. [Google Scholar] [CrossRef]
- Fukumoto, Y.; Suzuki, K.; Osada, T.; Kuroda, K.; Hanajima, D.; Yasuda, T.; Haga, K. Reduction of nitrous oxide emission from pig manure composting by addition of nitrite oxidizing bacteria. Environ. Sci. Technol. 2006, 40, 6787–6791. [Google Scholar] [CrossRef]
- Eckelkamp, E.A.; Taraba, J.L.; Akers, K.A.; Harmon, R.J.; Bewley, J.M. Understanding compost bedded pack barns: Interactions among environmental factors, bedding characteristics, and udder health. Livest. Sci. 2016, 190, 35–42. [Google Scholar] [CrossRef]
- Ahn, H.; Sauer, T.J.; Richard, T.L.; Glanville, T.D. Determination of thermal properties of composting bulking materials. Bioresour. Technol. 2009, 100, 3974–3981. [Google Scholar] [CrossRef] [PubMed]
- Abu-Hamdeh, N.H. Thermal properties of soils as affected by density and water content. Biosyst. Eng. 2003, 86, 97–102. [Google Scholar] [CrossRef]
- Bernal, M.P.; Sommer, S.G.; Chadwick, D.; Qing, C.; Guoxue, L.; Michel, F.C., Jr. Current approaches and future trends in compost quality criteria for agronomic, environmental, and human health benefits. Adv. Agron. 2017, 144, 143–233. [Google Scholar]
- Sun, Q.; Chen, J.; Wei, Y.; Zhao, Y.; Wei, Z.; Zhang, H.; Gao, X.; Wu, J.; Xie, X. Effect of semi-continuous replacements of compost materials after inoculation on the performance of heat preservation of low temperature composting. Bioresour. Technol. 2019, 279, 50–56. [Google Scholar] [CrossRef]
- Cerný, R.; Vjmelková, E. Apparent thermal conductivity approach at high-temperature measurements of porous materials. Measurement 2011, 44, 1220–1228. [Google Scholar] [CrossRef]
- Nayyeri, M.A.; Kianmehr, M.H.; Arabhosseini, A.; Hassan-Beygi, S.R. Thermal properties of dairy cattle manure. Int. Agrophys. 2009, 23, 359–366. [Google Scholar]
- Iwabuchi, K.; Kimura, T.; Otten, L. Effect of volumetric water content on thermal properties of dairy cattle feces mixed with sawdust. Bioresour. Technol. 1999, 70, 293–297. [Google Scholar] [CrossRef]
- Bergman, T.L.; Lavine, S.A.; Incropera, F.P.; Dewitt, D.P. Fundamentals of Heat and Mass Transfer; John Wiley & Sons, Ltd.: Hoboken, NJ, USA, 2011. [Google Scholar]
- Melo, L.D. Moisture Control Methodology for Gas Phase Compost Biofilters. Master’s Thesis, University of Kentucky, Lexington, KY, USA, 2011. [Google Scholar]
- Waszkielis, K.M.; Wronowski, R.; Chlebus, W.; Białobrzewski, I.; Dach, J.; Pilarski, K.; Janczak, D. The effect of temperature, composition and phase of the composting process on the thermal conductivity of the substrate. Ecol. Eng. 2013, 61, 354–357. [Google Scholar] [CrossRef]
- Cosenza, P.; Guérin, R.; Tabbagh, A. Relationship between thermal conductivity and water content of soils using numerical modelling. Eur. J. Soil Sci. 2003, 54, 581–587. [Google Scholar] [CrossRef]
- Klejment, E.; Rosinski, M. Testing of thermal properties of compost from municipal waste with a view to using it as a renewable, low temperature heat source. Bioresour. Technol. 2008, 99, 8850–8855. [Google Scholar] [CrossRef] [PubMed]
- Maia, G.D.N.; Day, G.B.; Gates, R.S.; Taraba, J.L.; Coyne, M.S. Moisture effects on greenhouse gases generation in nitrifying gas-phase compost biofilters. Water Res. 2012, 46, 3023–3031. [Google Scholar] [CrossRef]
- Maia, G.D.N.; Sales, G.T.; Day, G.B.; Gates, R.S.; Taraba, J.L. Characterizing physical properties of gas-phase biofilter media. Trans. ASABE 2012, 55, 1939–1950. [Google Scholar] [CrossRef]
- Giannoukos, K.; Salonitis, K. Study of the mechanism of friction on functionally active tribological Polyvinyl Chloride (PVC)—Aggregate composite surfaces. Tribol. Int. 2020, 141, 105906. [Google Scholar] [CrossRef]
- Van der Tol, P.P.J.; Metz, J.H.M.; Noordhuizen-Stassen, E.N.; Back, W.; Braam, C.R.; Weijs, W.A. The vertical ground reaction force and the pressure distribution on the claws of dairy cows while walking on a flat substrate. J. Dairy Sci. 2003, 86, 2875–2883. [Google Scholar] [CrossRef]
- Van der Tol, P.P.J.; Metz, J.H.M.; Noordhuizen-Stassen, E.N.; Back, W.; Braam, C.R.; Weijs, W.A. The pressure distribution under the bovine claw during square standing on a flat substrate. J. Dairy Sci. 2002, 85, 1476–1481. [Google Scholar] [CrossRef]
- Cronje, A.; Turner, C.; Williams, A.; Barker, A.; Guy, S. Composting under controlled conditions. Environ. Technol. 2003, 24, 1221–1234. [Google Scholar] [CrossRef]
- R Development Core Team. A Language and Environment for Statistical Computing; R Foundation for Statistical Computing: Vienna, Austria, 2019. [Google Scholar]
- Cardoso, C.A.A.; Reis, E.M.; Moreira, E.N. Development of a warning system for wheat blast caused by Pyricularia grisea. Summa Phytopathol. 2008, 34, 216–221. [Google Scholar] [CrossRef]
- Chandrakanthi, M.; Mehrotra, A.K.; Hettiaratchi, J.P.A. Thermal conductivity of leaf compost used in biofilters: An experimental and theoretical investigation. Environ. Pollut. 2005, 136, 167–174. [Google Scholar] [CrossRef]
- Singh, T.N.; Sinha, S.; Singh, V.K. Prediction of thermal conductivity of rock through physico-mechanical properties. Build. Environ. 2007, 42, 146–155. [Google Scholar] [CrossRef]
- Waszkielis, K.M.; Białobrzewski, I.; Nowak, K.W.; Dzadz, L.; Dach, J. Determination of the thermal conductivity of composted material. Measurement 2014, 58, 441–447. [Google Scholar] [CrossRef]
- Beziat, A.; Dardaine, M.; Gabis, V. Effect of compaction pressure and water content on the thermal conductivity of some natural clays. Clays Clay Miner. 1988, 36, 462–466. [Google Scholar] [CrossRef]
- Opoku, A.; Tabil, L.G.; Crerar, B.; Shaw, M.D. Thermal conductivity and thermal diffusivity of timothy hay. Can. Biosyst. Eng. 2006, 48, 31–37. [Google Scholar]
- Yang, W.; Sokhansanj, S.; Tang, J.; Winter, P. Determination of thermal conductivity, specific heat and thermal diffusivity of borage seeds. Biosyst. Eng. 2002, 82, 169–176. [Google Scholar] [CrossRef]
- Iwabuchi, K.; Kamide, J. Simplified determination of thermal properties formoist and porous materials: Measurement of thermal properties of compost. J. Jpn. Soc. Agric. Mach. 1993, 55, 73–79. [Google Scholar]
- Holman, J.P. Heat Transfer; MacGraw-Hill: New York, NY, USA, 2002. [Google Scholar]
- Jiang, S.; Jofriet, J.C.; Mittal, G.S. Thermal properties of haylage. Trans. ASAE 1986, 29, 601–606. [Google Scholar] [CrossRef]
- Labance, S.E.; Heinemann, P.H.; Graves, R.E.; Beyer, D.M. Evaluation of the effects of forced aeration during phase 1 mushroom substrate preparation: Part 1. Model development. Trans. ASABE 2006, 49, 167–174. [Google Scholar] [CrossRef]
- Presley, M.A.; Christensen, P.R. Thermal conductivity measurements of particulate materials: 5. Effect of bulk density and particle shape. J. Geophys. Res. 2010, 115, E07004. [Google Scholar] [CrossRef]
- Zúñiga, R.; Le-Bail, A. Assessment of thermal conductivity as a function of porosity in bread dough during proving. Food Bioprod. Process. 2009, 87, 17–22. [Google Scholar] [CrossRef]
- Miyajima, S.; Uoi, N.; Murata, T.; Takeda, M.; Morishima, W.; Watanabe, M. Effect of structural modification on heat transfer through man-made soils in urban green areas. Soil Sci. Plant Nutr. 2015, 61, 70–87. [Google Scholar] [CrossRef][Green Version]
- Sandoval, V.; Suárez, F. A new method to determine how compaction affects water and heat transport in green roof substrates. Appl. Sci. 2019, 9, 4697. [Google Scholar] [CrossRef]
- Zhao, M.; Tabares-Velasco, P.C.; Srebric, J.; Komarneni, S.; Berghage, R. Effects of plant and substrate selection on thermal performance of green roofs during the summer. Build. Environ. 2014, 78, 199–211. [Google Scholar] [CrossRef]
- Campbell, G.S.; Norman, J.M. An Introduction to Environmental Biophysics; Springer: Berlin, Germany, 2012. [Google Scholar]
- Yun, T.S.; Santamarina, J.C. Fundamental study of thermal conduction in dry soils. Granul. Matter 2008, 10, 197–207. [Google Scholar] [CrossRef]
- Huet, J.; Druilhe, C.; Debenest, G. Study of thermal conductivity in organic solid wastes before composting. In Proceedings of the 8th International Conference (ORBIT 2012), Rennes, France, 12–14 June 2012; p. 8. [Google Scholar]
- Lam, P.S.; Sokhansanj, S.; Bi, X.; Mani, S.; Womac, A.R.; Hoque, M.; Peng, J.; JayaShankar, T.; Naimi, L.J.; Narayan, S. Physical characterization of wet and dry wheat straw and switchgrass—Bulk and specific density. In Proceedings of the 2007 Annual Meeting of American Society of Agricultural and Biological Engineers (ASABE 2018), Minneapolis, MN, USA, 17–20 June 2007; p. 076058. [Google Scholar]
- Emami, S.; Tabil, L.G. Friction and compression characteristics of chickpea flour and components. Powder Technol. 2007, 175, 14–21. [Google Scholar] [CrossRef]
- Savegnago, P.R.; Nunes, B.N.; Caetano, S.L.; Ferraudo, A.S.; Schmidt, G.S.; Ledur, M.C.; Munari, D.P. Comparison of logistic and neural network models to fit to the egg production curve of White Leghorn hens. Poultry Science 2011, 90, 705–711. [Google Scholar] [CrossRef]
- Ahmadi, H.; Golian, A. The integration of broiler chicken threonine responses data into neural network models. Poult. Sci. 2010, 89, 2535–2541. [Google Scholar] [CrossRef]













Publisher’s Note: MDPI stays neutral with regard to jurisdictional claims in published maps and institutional affiliations. |
© 2021 by the authors. Licensee MDPI, Basel, Switzerland. This article is an open access article distributed under the terms and conditions of the Creative Commons Attribution (CC BY) license (https://creativecommons.org/licenses/by/4.0/).
Share and Cite
Damasceno, F.A.; Taraba, J.L.; Day, G.B.; Black, R.A.; Bewley, J.M.; Fernandes, T.J.; Oliveira, C.E.A.; Andrade, R.R.; Barbari, M.; Ferraz, P.F.P.; et al. Development of Predictive Equations for Thermal Conductivity of Compost Bedding. Appl. Sci. 2021, 11, 8503. https://doi.org/10.3390/app11188503
Damasceno FA, Taraba JL, Day GB, Black RA, Bewley JM, Fernandes TJ, Oliveira CEA, Andrade RR, Barbari M, Ferraz PFP, et al. Development of Predictive Equations for Thermal Conductivity of Compost Bedding. Applied Sciences. 2021; 11(18):8503. https://doi.org/10.3390/app11188503
Chicago/Turabian StyleDamasceno, Flávio A., Joseph L. Taraba, George B. Day, Randi A. Black, Jeffrey M. Bewley, Tales J. Fernandes, Carlos E. A. Oliveira, Rafaella R. Andrade, Matteo Barbari, Patrícia F. P. Ferraz, and et al. 2021. "Development of Predictive Equations for Thermal Conductivity of Compost Bedding" Applied Sciences 11, no. 18: 8503. https://doi.org/10.3390/app11188503
APA StyleDamasceno, F. A., Taraba, J. L., Day, G. B., Black, R. A., Bewley, J. M., Fernandes, T. J., Oliveira, C. E. A., Andrade, R. R., Barbari, M., Ferraz, P. F. P., & Leso, L. (2021). Development of Predictive Equations for Thermal Conductivity of Compost Bedding. Applied Sciences, 11(18), 8503. https://doi.org/10.3390/app11188503

