PFC Single-Phase AC/DC Boost Converters: Bridge, Semi-Bridgeless, and Bridgeless Topologies
Abstract
1. Introduction
2. Categorization of Bridge Boost Converter Topologies
2.1. BBC Topologies
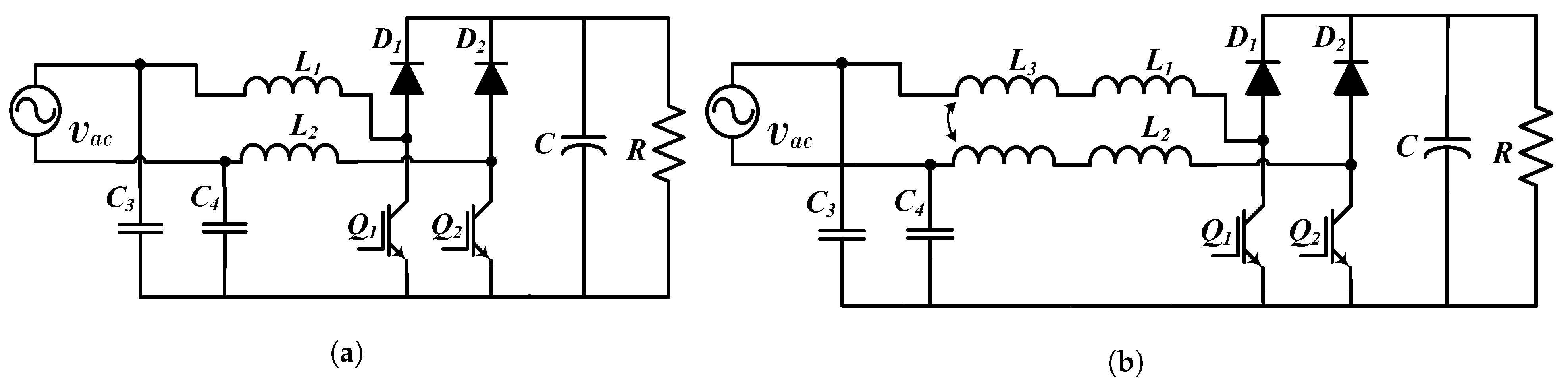
2.2. Conventional Interleaved BBC
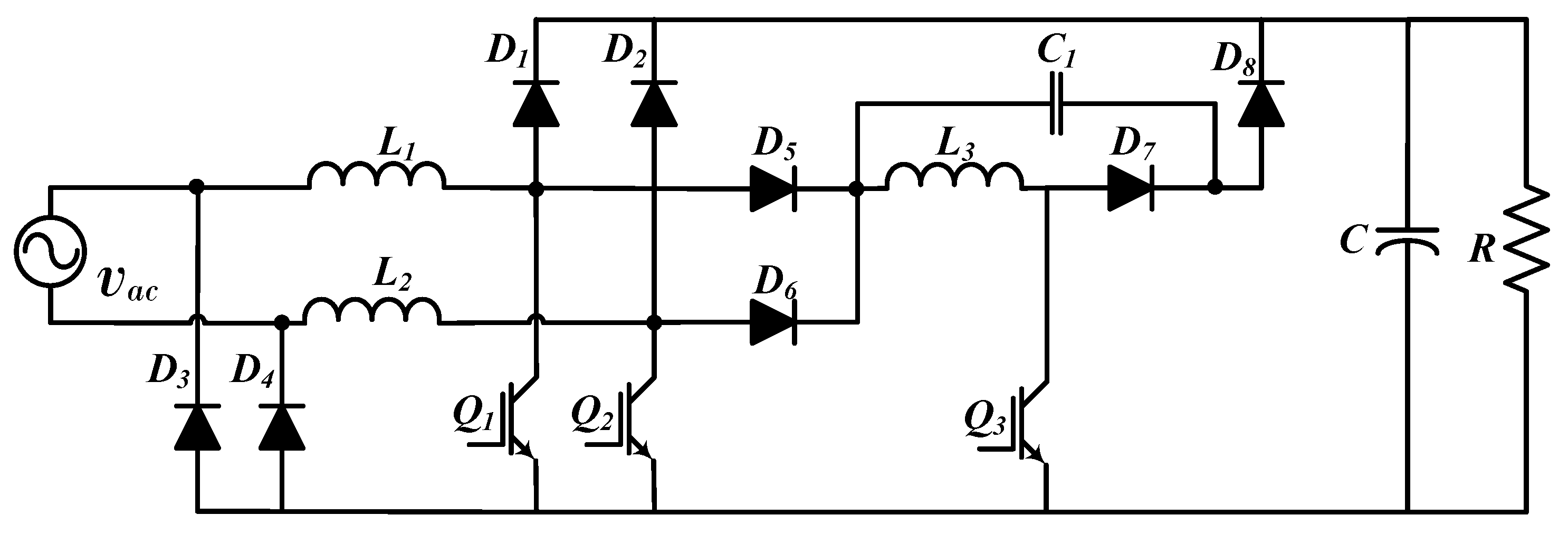
2.3. Conventional Hybrid Interleaved PFC Topology Based on a Boost Converter
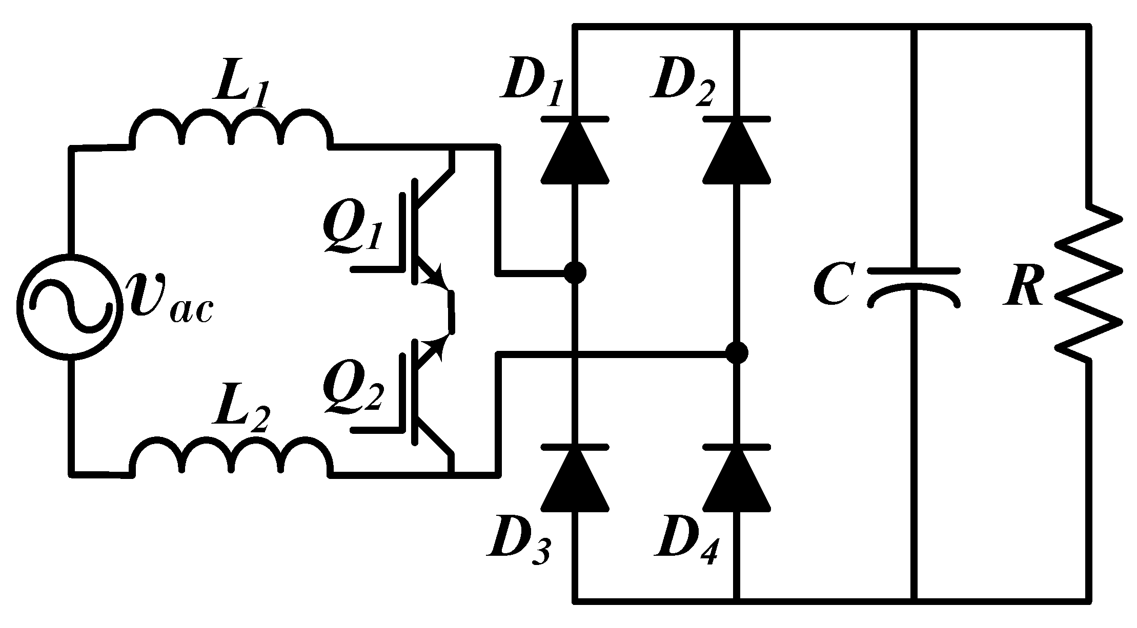
2.4. Conventional PFC Topology with Bidirectional Switch
3. Categorization of Semi-Bridgeless Boost Converter Topologies
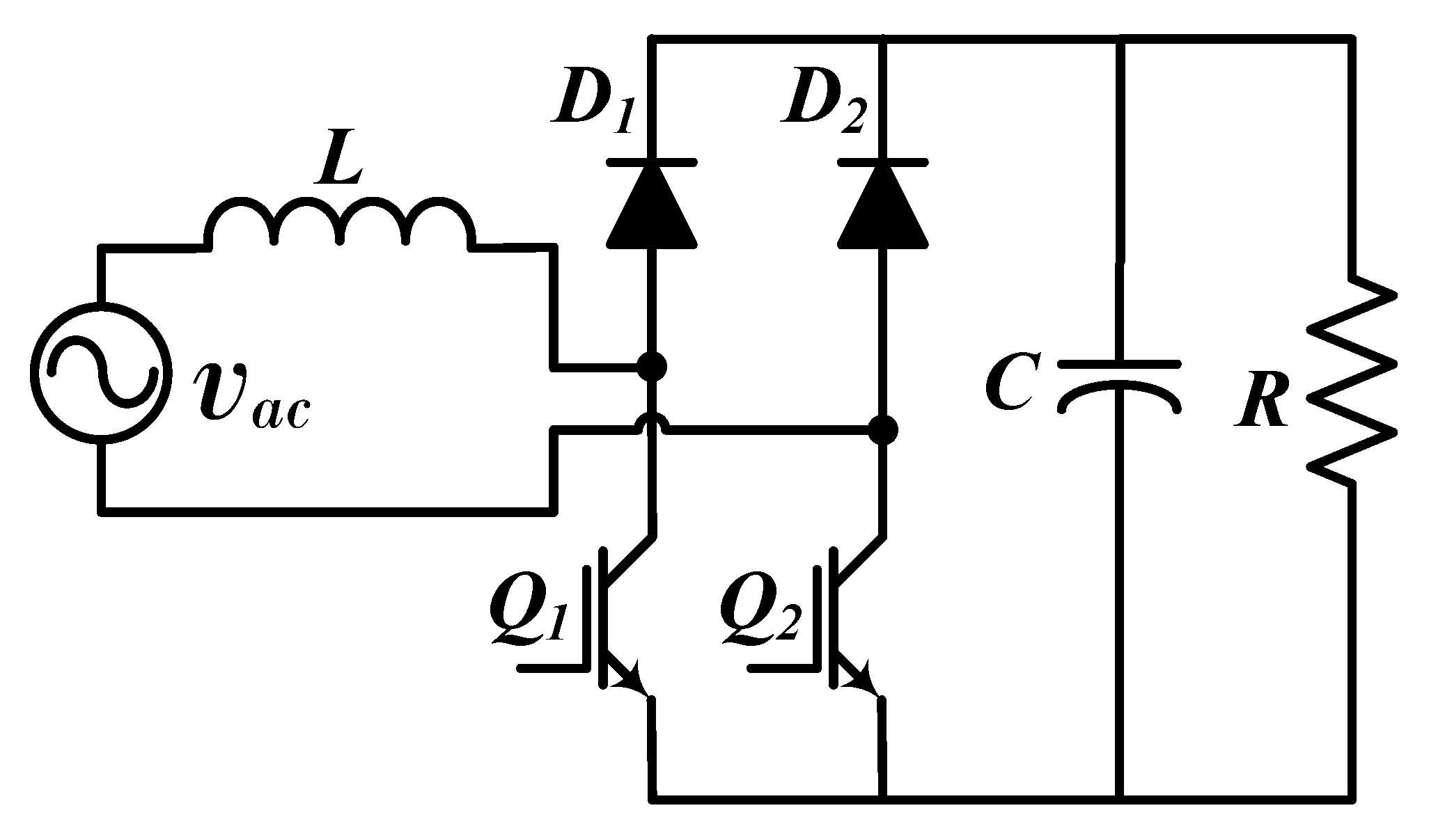
3.1. Conventional Semi-Bridgeless Boost Converter Topology
3.2. Conventional Semi-Bridgeless Boost Converter with Soft Switching
3.3. Semi-Bridgeless Boost Converter with Isolation
3.4. Semi-Bridgeless Boost Converter with Clamped Diodes
3.5. Semi-Bridgeless Boost Converter with Clamped Switches
3.6. Semi-Bridgeless Boost Converter with Clamped Diodes and Switches
3.7. Semi-Bridgeless Boost Converter with Clamped Capacitors
3.8. Semi-Bridgeless Topology with Internal Snubber Circuit
4. Categorization of Bridgeless Boost Converters
4.1. Totem Pole Topology
4.2. Bridgeless Boost Converter, Interleaved Totem-Pole
4.3. Pseudo Totem-Pole
5. Summary of PFC Single-Phase AC-DC Based on Topologies of a Boost Converter
6. Conclusions
Author Contributions
Funding
Institutional Review Board Statement
Informed Consent Statement
Data Availability Statement
Acknowledgments
Conflicts of Interest
References
- Ortatepe, Z.; Karaarslan, A. DSP-based comparison of PFC control techniques applied on bridgeless converter. IET Power Electron. 2020, 13, 317–323. [Google Scholar] [CrossRef]
- Qiao, C.; Smedley, K.M. A topology survey of single-stage power factor corrector with a boost type input-current-shaper. IEEE Trans. Power Electron. 2001, 16, 360–368. [Google Scholar] [CrossRef]
- Kim, J.; Choi, H.; Won, C. New Modulated Carrier Controlled PFC Boost Converter. IEEE Trans. Power Electron. 2018, 33, 4772–4782. [Google Scholar] [CrossRef]
- Jaiswal, D.; Singh, K.P.; Tiwari, A.N. Analysis of Bridgeless PFC Boost Converter. Int. J. Eng. Res. Technol. (IJERT) 2012, 1, 1–6. [Google Scholar]
- Soldano, M.; Lu, B. EMI Noise Reduction Circuit and Method for Bridgeless PFC Circuit. U.S. Patent US7215560B2, 8 May 2007. [Google Scholar]
- Wildash, K.D. Bridgeless Boost PFC Circuits and Systems with Reduced Common Mode EMI. U.S. Patent US8289737B2, 16 October 2012. [Google Scholar]
- Lin, X.; Wang, F.; Iu, H.H.C. A New Bridgeless High Step-up Voltage Gain PFC Converter with Reduced Conduction Losses and Low Voltage Stress. Energies 2018, 11, 2640. [Google Scholar] [CrossRef]
- Park, M.; Baek, J.; Jeong, Y.; Moon, G. An Interleaved Totem-Pole Bridgeless Boost PFC Converter with Soft-Switching Capability Adopting Phase-Shifting Control. IEEE Trans. Power Electron. 2019, 34, 10610–10618. [Google Scholar] [CrossRef]
- Mohanraj, K.; Danya Bersis, C.; Dash, S.S. Comparison and Simulation of Various PFC Boost Converters. In Power Electronics and Renewable Energy Systems; Lecture Notes in Electrical Engineering; Kamalakannan, C., Suresh, L.P., Dash, S.S., Panigrahi, B.K., Eds.; Springer: New Delhi, India, 2015; pp. 1445–1452. [Google Scholar] [CrossRef]
- Lee, J.; Chae, H. 6.6-kW Onboard Charger Design Using DCM PFC Converter With Harmonic Modulation Technique and Two-Stage DC/DC Converter. IEEE Trans. Ind. Electron. 2014, 61, 1243–1252. [Google Scholar] [CrossRef]
- Mejía-Ruiz, G.E.; Muñoz-Galeano, N.; Ortiz-Castrillón, J.R. Banda de Histéresis Adaptativa para un Convertidor AC-DC Elevador sin Puente, con Correccion del Factor de Potencia y Control por Modos Deslizantes. Inf. Tecnológica 2019, 30, 283–292. [Google Scholar] [CrossRef][Green Version]
- Cho, Y. A Low Cost Single-Switch Bridgeless Boost PFC Converter. Int. J. Power Electron. Drive Syst. (IJPEDS) 2014, 4, 256–264. [Google Scholar] [CrossRef]
- Rajappan, S.C.; John, N. An efficient bridgeless power factor correction boost converter. In Proceedings of the 2013 7th International Conference on Intelligent Systems and Control (ISCO), Coimbatore, India, 4–5 January 2013; pp. 55–59. [Google Scholar] [CrossRef]
- Ochoa, L.F.; Dent, C.J.; Harrison, G.P. Distribution Network Capacity Assessment: Variable DG and Active Networks. IEEE Trans. Power Syst. 2010, 25, 87–95. [Google Scholar] [CrossRef]
- Chen, X.; Dall’Anese, E.; Zhao, C.; Li, N. Aggregate Power Flexibility in Unbalanced Distribution Systems. IEEE Trans. Smart Grid 2020, 11, 258–269. [Google Scholar] [CrossRef]
- Jovanovic, M.M.; Jang, Y. State-of-the-art, single-phase, active power-factor-correction techniques for high-power applications—An overview. IEEE Trans. Ind. Electron. 2005, 52, 701–708. [Google Scholar] [CrossRef]
- Chen, Z.; Davari, P.; Wang, H. Single-Phase Bridgeless PFC Topology Derivation and Performance Benchmarking. IEEE Trans. Power Electron. 2020, 35, 9238–9250. [Google Scholar] [CrossRef]
- Singh, B.; Singh, B.N.; Chandra, A.; Al-Haddad, K.; Pandey, A.; Kothari, D.P. A review of single-phase improved power quality AC-DC converters. IEEE Trans. Ind. Electron. 2003, 50, 962–981. [Google Scholar] [CrossRef]
- Huang, Q.; Huang, A.Q. Review of GaN totem-pole bridgeless PFC. CPSS Trans. Power Electron. Appl. 2017, 2, 187–196. [Google Scholar] [CrossRef]
- Kushwaha, R.; Singh, B. Interleaved Landsman Converter Fed EV Battery Charger With Power Factor Correction. IEEE Trans. Ind. Appl. 2020, 56, 4179–4192. [Google Scholar] [CrossRef]
- Truntič, M.; Konjedic, T.; Milanovič, M.; Šlibar, P.; Rodič, M. Control of integrated single-phase PFC charger for EVs. IET Power Electron. 2018, 11, 1804–1812. [Google Scholar] [CrossRef]
- Lu, W.; Han, J.; Li, S.; Iu, H.H. Mitigating Line Frequency Instability of Boost PFC Converter Under Proportional Outer-Voltage Loop with Additional Third Current-Harmonic Feedforward Compensation. IEEE Trans. Circuits Syst. I Regul. Pap. 2019, 66, 4528–4541. [Google Scholar] [CrossRef]
- Su, B.; Lu, Z. An Interleaved Totem-Pole Boost Bridgeless Rectifier with Reduced Reverse-Recovery Problems for Power Factor Correction. IEEE Trans. Power Electron. 2010, 25, 1406–1415. [Google Scholar] [CrossRef]
- Han, J.; Baek, J.; Jeong, Y.; Yeon, C.; Moon, G. A simple THD improving method for CCM boost PFC converter under mixed conduction mode operation. In Proceedings of the 2017 IEEE 3rd International Future Energy Electronics Conference and ECCE Asia (IFEEC 2017—ECCE Asia), Kaohsiung, Taiwan, 27 July 2017; pp. 466–470. [Google Scholar] [CrossRef]
- IEEE. Recommended Practice and Requirements for Harmonic Control in Electric Power Systems; IEEE Std 519-2014 (Revision of IEEE Std 519-1992); IEEE: New York, NY, USA, 11 June 2014; pp. 1–29. [Google Scholar] [CrossRef]
- Zhu, H.; Liu, D.; Zhang, X.; Qu, F. Reliability of Boost PFC Converters with Improved EMI Filters. Electronics 2018, 7, 413. [Google Scholar] [CrossRef]
- Nair, H.S.; Lakshminarasamma, N. Challenges in achieving high performance in boost PFC converter. In Proceedings of the 2017 IEEE International Conference on Signal Processing, Informatics, Communication and Energy Systems (SPICES), Kollam, India, 2 November 2017; pp. 1–6. [Google Scholar] [CrossRef]
- Xu, H.; Chen, D.; Xue, F.; Li, X. Optimal Design Method of Interleaved Boost PFC for Improving Efficiency from Switching Frequency, Boost Inductor, and Output Voltage. IEEE Trans. Power Electron. 2019, 34, 6088–6107. [Google Scholar] [CrossRef]
- Krishna, S.A.; Abraham, L. Boost converter based power factor correction for single phase rectifier using fuzzy logic control. In Proceedings of the 2014 First International Conference on Computational Systems and Communications (ICCSC), Trivandrum, India, 17–18 December 2014; pp. 122–126. [Google Scholar] [CrossRef]
- Sreevidya, E.V.; Jegathesan, V. A modified control approach for power factor correction in AC/DC boost converter. In Proceedings of the 2015 International Conference on Innovations in Information, Embedded and Communication Systems (ICIIECS), Coimbatore, India, 19–20 March 2015; pp. 1–6. [Google Scholar] [CrossRef]
- Hu, J.; Xiao, W.; Zhang, B.; Qiu, D.; Ho, C.N.M. A Single Phase Hybrid Interleaved Parallel Boost PFC Converter. In Proceedings of the 2018 IEEE Energy Conversion Congress and Exposition (ECCE), Portland, OR, USA, 23–27 September 2018; pp. 2855–2859. [Google Scholar] [CrossRef]
- Ancuti, M.; Svoboda, M.; Musuroi, S.; Hedes, A.; Olarescu, N. Boost PFC converter versus bridgeless boost PFC converter EMI analysis. In Proceedings of the 2014 International Conference on Applied and Theoretical Electricity (ICATE), Craiova, Romania, 23–25 October 2014; pp. 1–6. [Google Scholar] [CrossRef]
- Ma, H.; Lai, J.; Zheng, C.; Sun, P. A High-Efficiency Quasi-Single-Stage Bridgeless Electrolytic Capacitor-Free High-Power AC–DC Driver for Supplying Multiple LED Strings in Parallel. IEEE Trans. Power Electron. 2016, 31, 5825–5836. [Google Scholar] [CrossRef]
- Ahamad, I.; Asim, M.; Ranjan Sarkar, P.; Khan, F. Comparison of Conventional PFC Boost Converter and Bridgeless PFC Boost Converter. Int. J. Innov. Res. Electr. Electron. Instrum. Control Eng. 2016, 4, 210–212. [Google Scholar] [CrossRef]
- Lin, W.; Chen, H.; Fang, Y. A Single-stage PFC by Integrating quasi-Bridgeless Boost and LLC Converter. In Proceedings of the 2018 IEEE International Telecommunications Energy Conference (INTELEC), Turino, Italy, 7–11 October 2018; pp. 1–5. [Google Scholar] [CrossRef]
- Huber, L.; Jang, Y.; Jovanovic, M.M. Performance Evaluation of Bridgeless PFC Boost Rectifiers. IEEE Trans. Power Electron. 2008, 23, 1381–1390. [Google Scholar] [CrossRef]
- Chellappan, S. A comparative analysis of topologies for a bridgeless-boost PFC circuit. Analog. Des. J. 2018, 3, 1–3. [Google Scholar]
- Musavi, F.; Eberle, W.; Dunford, W.G. A Phase-Shifted Gating Technique with Simplified Current Sensing for the Semi-Bridgeless AC–DC Converter. IEEE Trans. Veh. Technol. 2013, 62, 1568–1576. [Google Scholar] [CrossRef]
- Jacoboski, M.J.; de Bastiani Lange, A.; Heldwein, M.L. Closed-Form Solution for Core Loss Calculation in Single-Phase Bridgeless PFC Rectifiers Based on the iGSE Method. IEEE Trans. Power Electron. 2018, 33, 4599–4604. [Google Scholar] [CrossRef]
- Nguyen, H.V.; Lee, D. Reducing the dc-Link Capacitance: A Bridgeless PFC Boost Rectifier That Reduces the Second-Order Power Ripple at the dc Output. IEEE Ind. Appl. Mag. 2018, 24, 23–34. [Google Scholar] [CrossRef]
- Salmon, J.C. Circuit topologies for PWM boost rectifiers operated from 1-phase and 3-phase AC supplies and using either single or split DC rail voltage outputs. In Proceedings of the 1995 IEEE Applied Power Electronics Conference and Exposition—APEC’95, Dallas, TX, USA, 5–9 March 1995; Volume 1, pp. 473–479. [Google Scholar] [CrossRef]
- Alam, M.; Eberle, W.; Gautam, D.S.; Botting, C.; Dohmeier, N.; Musavi, F. A Hybrid Resonant Pulse-Width Modulation Bridgeless AC–DC Power Factor Correction Converter. IEEE Trans. Ind. Appl. 2017, 53, 1406–1415. [Google Scholar] [CrossRef]
- Lamo, P.; López, F.; Pigazo, A.; Azcondo, F.J. Stability and Performance Assessment of Single-Phase T/4 PLLs With Secondary Control Path in Current Sensorless Bridgeless PFCs. IEEE J. Emerg. Sel. Top. Power Electron. 2018, 6, 674–685. [Google Scholar] [CrossRef]
- Figueiredo, J.P.M.; Tofoli, F.L.; Silva, B.L.A. A review of single-phase PFC topologies based on the boost converter. In Proceedings of the 2010 9th IEEE/IAS International Conference on Industry Applications—INDUSCON 2010, Sao Paulo, Brazil, 8–10 November 2010; pp. 1–6. [Google Scholar] [CrossRef]
- Mahmud, K.; Tao, L. Power factor correction by PFC boost topology using average current control method. In Proceedings of the 2013 IEEE Global High Tech Congress on Electronics, Shenzhen, China, 17–19 November 2013; pp. 16–20. [Google Scholar] [CrossRef]
- Urrea-Quintero, J.H.; Muñoz-Galeano, N.; Gómez-Echavarría, L.M. Analysis and Control of Power Electronic Converters Based on a System Zero Locations Approach. Appl. Mod. Control. 2018. [Google Scholar] [CrossRef]
- Park, S.; Choi, S. Soft-Switched CCM Boost Converters With High Voltage Gain for High-Power Applications. IEEE Trans. Power Electron. 2010, 25, 1211–1217. [Google Scholar] [CrossRef]
- Gurpinar, E.; Castellazzi, A. Single-Phase T-Type Inverter Performance Benchmark Using Si IGBTs, SiC MOSFETs, and GaN HEMTs. IEEE Trans. Power Electron. 2016, 31, 7148–7160. [Google Scholar] [CrossRef]
- Scognamillo, C.; Catalano, A.P.; Riccio, M.; d’Alessandro, V.; Codecasa, L.; Borghese, A.; Tripathi, R.N.; Castellazzi, A.; Breglio, G.; Irace, A. Compact Modeling of a 3.3 kV SiC MOSFET Power Module for Detailed Circuit-Level Electrothermal Simulations Including Parasitics. Energies 2021, 14, 4683. [Google Scholar] [CrossRef]
- Ren, X.; Wu, Y.; Guo, Z.; Zhang, Z.; Chen, Q. An Online Monitoring Method of Circuit Parameters for Variable On-Time Control in CRM Boost PFC Converters. IEEE Trans. Power Electron. 2019, 34, 1786–1797. [Google Scholar] [CrossRef]
- Vinay, B.K.; Sindhu, B.M. Resonant Circuit with Soft-Switching Performance of a Boost Converter for PFC with ZVS and/or ZCS. Int. J. Sci. Technol. Eng. 2016, 2, 113–118. [Google Scholar]
- Ren, X.; Zhou, Y.; Guo, Z.; Wu, Y.; Zhang, Z.; Chen, Q. Analysis and Improvement of Capacitance Effects in 360–800 Hz Variable On-Time Controlled CRM Boost PFC Converters. IEEE Trans. Power Electron. 2020, 35, 7480–7491. [Google Scholar] [CrossRef]
- Wang, J.; Eto, H.; Kurokawa, F. Optimal Zero-Voltage-Switching Method and Variable ON-Time Control for Predictive Boundary Conduction Mode Boost PFC Converter. IEEE Trans. Ind. Appl. 2020, 56, 527–540. [Google Scholar] [CrossRef]
- Denisov, Y.O.; Stepenko, S.A.; Gorodny, A.N.; Kravchenko, A.O. Input current parameters analysis for PFC based on quasi-resonant and conventional boost converters. In Proceedings of the 2014 IEEE 34th International Scientific Conference on Electronics and Nanotechnology (ELNANO), Kyiv, Ukraine, 15–18 April 2014; pp. 393–397. [Google Scholar] [CrossRef]
- Kim, Y.W.; Kim, J.H.; Choi, K.Y.; Suh, B.S.; Kim, R.Y. A Novel Soft-Switched Auxiliary Resonant Circuit of a PFC ZVT-PWM Boost Converter for an Integrated Multichip Power Module Fabrication. IEEE Trans. Ind. Appl. 2013, 49, 2802–2809. [Google Scholar] [CrossRef]
- Huber, L.; Irving, B.T.; Jovanovic, M.M. Effect of Valley Switching and Switching-Frequency Limitation on Line-Current Distortions of DCM/CCM Boundary Boost PFC Converters. IEEE Trans. Power Electron. 2009, 24, 339–347. [Google Scholar] [CrossRef]
- Guo, Z.; Ren, X.; Gui, H.; Wu, Y.; Zhang, Z.; Chen, Q. A universal variable on-time compensation to improve THD of high-frequency CRM boost PFC converter. In Proceedings of the 2016 IEEE Energy Conversion Congress and Exposition (ECCE), Milwaukee, WI, USA, 18–22 September 2016; pp. 1–6. [Google Scholar] [CrossRef]
- Li, R.T.H.; Chung, H.S.H.; Sung, A.K.T. Passive Lossless Snubber for Boost PFC With Minimum Voltage and Current Stress. IEEE Trans. Power Electron. 2010, 25, 602–613. [Google Scholar] [CrossRef]
- Chen, Y.L.; Chen, Y.M. Line Current Distortion Compensation for DCM/CRM Boost PFC Converters. IEEE Trans. Power Electron. 2016, 31, 2026–2038. [Google Scholar] [CrossRef]
- Lee, S.W.; Do, H.L. Soft-Switching Two-Switch Resonant AC–DC Converter With High Power Factor. IEEE Trans. Ind. Electron. 2016, 63, 2083–2091. [Google Scholar] [CrossRef]
- Liu, X.; Liu, W.; He, M.; Wang, W.; Zhou, Q.; Xu, J. Boost-Type Single-Stage Step-Down Resonant Power Factor Correction Converter. IEEE Trans. Ind. Electron. 2020. [Google Scholar] [CrossRef]
- Das, P.; Pahlevaninezhad, M.; Drobnik, J.; Moschopoulos, G.; Jain, P.K. A Nonlinear Controller Based on a Discrete Energy Function for an AC/DC Boost PFC Converter. IEEE Trans. Power Electron. 2013, 28, 5458–5476. [Google Scholar] [CrossRef]
- Zeng, J.; Zhang, G.; Yu, S.S.; Zhang, B.; Zhang, Y. LLC resonant converter topologies and industrial application—A review. Chin. J. Electr. Eng. 2020, 6, 73–84. [Google Scholar] [CrossRef]
- De Gusseme, K.; Van de Sype, D.M.; Van den Bossche, A.P.M.; Melkebeek, J.A. Input-Current Distortion of CCM Boost PFC Converters Operated in DCM. IEEE Trans. Ind. Electron. 2007, 54, 858–865. [Google Scholar] [CrossRef]
- Kadyan, M.D.; Dabass, J. Closed Loop Controlled Bridgeless PFC Boost Converter Fed DC Drive. Int. J. Adv. Res. Eng. Technol. 2015, 3, 69–72. [Google Scholar]
- Zhang, W.; Feng, G.; Liu, Y.F.; Wu, B. A digital power factor correction (PFC) control strategy optimized for DSP. IEEE Trans. Power Electron. 2004, 19, 1474–1485. [Google Scholar] [CrossRef]
- Baek, J.I.; Kim, J.K.; Lee, J.B.; Youn, H.S.; Moon, G.W. A Boost PFC Stage Utilized as Half-Bridge Converter for High-Efficiency DC–DC Stage in Power Supply Unit. IEEE Trans. Power Electron. 2017, 32, 7449–7457. [Google Scholar] [CrossRef]
- Wei, Y.; Luo, Q.; Wang, J.; Pengju, S. Analysis and design of the DCM operation boost PFC converter with magnetic control. IET Power Electron. 2019, 12, 3697–3706. [Google Scholar] [CrossRef]
- Nair, H.S.; Lakshmi Narasamma, N. An Improved Digital Algorithm for Boost PFC Converter Operating in Mixed Conduction Mode. IEEE J. Emerg. Sel. Top. Power Electron. 2020, 8, 4235–4245. [Google Scholar] [CrossRef]
- Zhang, F.; Xu, J. A Novel PCCM Boost PFC Converter with Fast Dynamic Response. IEEE Trans. Ind. Electron. 2011, 58, 4207–4216. [Google Scholar] [CrossRef]
- Akter, K.; Sarowar, G.; Faisal, F.; Oninda, M.A.M.; Hoque, M.A. Input Switched Single Phase AC-DC PFC Boost Converter for High-Performance. In Proceedings of the 2018 International Conference on Advancement in Electrical and Electronic Engineering (ICAEEE), Gazipur, Bangladesh, 22–24 November 2018; pp. 1–4. [Google Scholar] [CrossRef]
- Sudheer, L.; Kanimozhi, G.; Sreedevi, V.T. Integrator controlled semi-bridgelesss PFC boost converter. In Proceedings of the 2015 International Conference on Circuits, Power and Computing Technologies (ICCPCT-2015), Nagercoil, India, 19–20 March 2015; pp. 1–6. [Google Scholar] [CrossRef]
- Yao, K.; Chen, K.; Mao, C.; Tang, H.; Li, L.; Wu, C.; Zhang, Z.; Ma, C. Optimal Switching Frequency Variation Range Control for Critical Conduction Mode Boost Power Factor Correction Converter. IEEE Trans. Ind. Electron. 2021, 68, 1197–1209. [Google Scholar] [CrossRef]
- Ren, X.; Guo, Z.; Wu, Y.; Zhang, Z.; Chen, Q. Adaptive LUT-Based Variable On-Time Control for CRM Boost PFC Converters. IEEE Trans. Power Electron. 2018, 33, 8123–8136. [Google Scholar] [CrossRef]
- De Gusseme, K.; Ryckaert, W.R.; Van de Sype, D.M.; Ghijselen, J.A.; Melkebeek, J.A.; Vandevelde, L. A Boost PFC Converter With Programmable Harmonic Resistance. IEEE Trans. Ind. Appl. 2007, 43, 742–750. [Google Scholar] [CrossRef]
- Li, G.; Xia, J.; Wang, K.; Deng, Y.; He, X.; Wang, Y. A Single-Stage Interleaved Resonant Bridgeless Boost Rectifier with High-Frequency Isolation. IEEE J. Emerg. Sel. Top. Power Electron. 2020, 8, 1767–1781. [Google Scholar] [CrossRef]
- Rasoulinezhad, R.; Abosnina, A.A.; Khodabakhsh, J.; Moschopoulos, G. An AC-DC Interleaved ZCS-PWM Boost Converter With Reduced Auxiliary Switch RMS Current Stress. IEEE Access 2021, 9, 41320–41333. [Google Scholar] [CrossRef]
- Wang, H.; Dusmez, S.; Khaligh, A. Design considerations for a level-2 on-board PEV charger based on interleaved boost PFC and LLC resonant converters. In Proceedings of the 2013 IEEE Transportation Electrification Conference and Expo (ITEC), Detroit, MI, USA, 16–19 June 2013; pp. 1–8. [Google Scholar] [CrossRef]
- Ancuti, M.; Svoboda, M.; Musuroi, S.; Hedes, A.; Olarescu, N.; Wienmann, M. Boost interleaved PFC versus bridgeless boost interleaved PFC converter performance/efficiency analysis. In Proceedings of the 2014 International Conference on Applied and Theoretical Electricity (ICATE), Craiova, Romania, 23–25 October 2014; pp. 1–6. [Google Scholar] [CrossRef]
- Nussbaumer, T.; Raggl, K.; Kolar, J.W. Design Guidelines for Interleaved Single-Phase Boost PFC Circuits. IEEE Trans. Ind. Electron. 2009, 56, 2559–2573. [Google Scholar] [CrossRef]
- Raggl, K.; Nussbaumer, T.; Doerig, G.; Biela, J.; Kolar, J.W. Comprehensive Design and Optimization of a High-Power-Density Single-Phase Boost PFC. IEEE Trans. Ind. Electron. 2009, 56, 2574–2587. [Google Scholar] [CrossRef]
- Pahlevani, M.; Pan, S.; Eren, S.; Bakhshai, A.; Jain, P. An Adaptive Nonlinear Current Observer for Boost PFC AC/DC Converters. IEEE Trans. Ind. Electron. 2014, 61, 6720–6729. [Google Scholar] [CrossRef]
- Venkatesh, S.; Sarveswararao, D.; Nikhitha, G.; Mehanaz, S. Bridgeless Boost PFC Rectifier with High Efficiency. Int. Res. J. Eng. Technol. (IRJET) 2019, 6, 3741–3747. [Google Scholar]
- Fardoun, A.A.; Ismail, E.H.; Al-Saffar, M.A.; Sabzali, A.J. A Bridgeless Resonant Pseudoboost PFC Rectifier. IEEE Trans. Power Electron. 2014, 29, 5949–5960. [Google Scholar] [CrossRef]
- Aswathy, J.S.; Mala, K. Implementation of bridgeless resonant pseudo boost PFC rectifier with enabling window control. In Proceedings of the 2015 International Conference on Circuits, Power and Computing Technologies (ICCPCT-2015), Nagercoil, India, 19–20 March 2015; pp. 1–5. [Google Scholar] [CrossRef]
- Sreekala, D.K.; Krishnadas, A. A Bridgeless Resonant Pseudo Boost PFC Rectifier Based Electronic Ballast for Compact Fluorscent Lamp. Int. J. Adv. Res. Electr. Electron. Instrum. Eng. 2015, 4, 7662–7672. [Google Scholar]
- Liu, T.; Xin, X.; Zeng, J.; Ying, J.; Zhao, W. Bridgeless PFC Converter with Low Common-Mode Noise and High Power Density. U.S. Patent US20070279955A1, 20 October 2007. [Google Scholar]
- Kim, Y.; Sung, W.; Lee, B. Comparative Performance Analysis of High Density and Efficiency PFC Topologies. IEEE Trans. Power Electron. 2014, 29, 2666–2679. [Google Scholar] [CrossRef]
- Mejía-Ruiz, G.; Muñoz-Galeano, N.; Lopez-Lezama, J. Modeling and development of a bridgeless PFC Boost rectifier. Rev. Fac. Ing. 2017, 9–21. [Google Scholar] [CrossRef]
- Gopinath, M.; Ramareddy, S. A brief analysis on bridgeless boost PFC converter. In Proceedings of the International Conference on Sustainable Energy and Intelligent Systems (SEISCON 2011), Chennai, India, 20–22 July 2011; pp. 242–246. [Google Scholar] [CrossRef]
- Jang, Y.; Jovanovic, M.M. A Bridgeless PFC Boost Rectifier With Optimized Magnetic Utilization. IEEE Trans. Power Electron. 2009, 24, 85–93. [Google Scholar] [CrossRef]
- Muhammad, K.S.B.; Lu, D.D. ZCS Bridgeless Boost PFC Rectifier Using Only Two Active Switches. IEEE Trans. Ind. Electron. 2015, 62, 2795–2806. [Google Scholar] [CrossRef]
- Tahami, F.; Yazdani, F. Zero-voltage-transition with dual resonant tank for bridgeless boost PFC rectifier with low current stress. In Proceedings of the 2016 7th Power Electronics and Drive Systems Technologies Conference (PEDSTC), Tehran, Iran, 16–18 February 2016; pp. 241–247. [Google Scholar] [CrossRef]
- Alam, M.; Eberle, W.; Dohmeier, N. An inrush limited, surge tolerant hybrid resonant bridgeless PWM AC-DC PFC converter. In Proceedings of the 2014 IEEE Energy Conversion Congress and Exposition (ECCE), Pittsburgh, PA, USA, 14–18 September 2014; pp. 5647–5651. [Google Scholar] [CrossRef]
- Xu, M.; CHEN, Q.L. AC-to-DC Conversion Apparatus and Related Control Manner Thereof. U.S. Patent US8780597B2, 15 July 2014. [Google Scholar]
- Chen, Y.; Dai, W.; Zhou, J.; Hu, E. Study and design of a novel three-phase bridgeless boost power factor correction. IET Power Electron. 2014, 7, 2013–2021. [Google Scholar] [CrossRef]
- Marcos-Pastor, A.; Vidal-Idiarte, E.; Cid-Pastor, A.; Martínez-Salamero, L. Loss-Free Resistor-Based Power Factor Correction Using a Semi-Bridgeless Boost Rectifier in Sliding-Mode Control. IEEE Trans. Power Electron. 2015, 30, 5842–5853. [Google Scholar] [CrossRef]
- Aamir, M.; Mekhilef, S. An Online Transformerless Uninterruptible Power Supply (UPS) System with a Smaller Battery Bank for Low-Power Applications. IEEE Trans. Power Electron. 2017, 32, 233–247. [Google Scholar] [CrossRef]
- Singh, S.; Singh, B.; Bhuvaneswari, G.; Bist, V. A Power Quality Improved Bridgeless Converter-Based Computer Power Supply. IEEE Trans. Ind. Appl. 2016, 52, 4385–4394. [Google Scholar] [CrossRef]
- Tseng, S.Y.; Fan, J.H. Bridgeless Boost Converter with an Interleaving Manner for PFC Applications. Electronics 2021, 10, 296. [Google Scholar] [CrossRef]
- Yungtaek, J.; Milan, J. Power Factor Correction Rectifier Having Independent Inductive Components. U.S. Patent US 7265650 B2, 4 September 2007. [Google Scholar]
- Hua, C.; Fang, Y.; Huang, C. Zero-voltage-transition bridgeless power factor correction rectifier with soft-switched auxiliary circuit. IET Power Electron. 2016, 9, 546–552. [Google Scholar] [CrossRef]
- Jeong, Y.; Kim, J.; Moon, G. A Bridgeless Dual Boost Rectifier with Soft-Switching Capability and Minimized Additional Conduction Loss. IEEE Trans. Ind. Electron. 2018, 65, 2226–2233. [Google Scholar] [CrossRef]
- Kim, H.S.; Baek, J.W.; Ryu, M.H.; Kim, J.H.; Jung, J.H. The High-Efficiency Isolated AC–DC Converter Using the Three-Phase Interleaved LLC Resonant Converter Employing the Y-Connected Rectifier. IEEE Trans. Power Electron. 2014, 29, 4017–4028. [Google Scholar] [CrossRef]
- Ho, N.M.; Li, T.H. Bridgeless Power Factor Correction Circuit. U.S. Patent US9093917B2, 28 July 2015. [Google Scholar]
- Ho, C.N.M.; Li, R.T.; Siu, K.K. Active Virtual Ground—Bridgeless PFC Topology. IEEE Trans. Power Electron. 2017, 32, 6206–6218. [Google Scholar] [CrossRef]
- Mao, H.; Fu, D.; Cai, B. High Efficiency Bridgeless PFC Converter and Method. U.S. Patent US8385032B1, 26 February 2013. [Google Scholar]
- Hu, W.; Kang, Y.; Wang, X.; Zhou, X. Novel zero-voltage transition semi bridgeless boost PFC converter with soft switching auxiliary switch. In Proceedings of the 2014 IEEE Energy Conversion Congress and Exposition (ECCE), Pittsburgh, PA, USA, 14–18 September 2014; pp. 2707–2712. [Google Scholar] [CrossRef]
- Tsai, H.; Hsia, T.; Chen, D. A Family of Zero-Voltage-Transition Bridgeless Power-Factor-Correction Circuits with a Zero-Current-Switching Auxiliary Switch. IEEE Trans. Ind. Electron. 2011, 58, 1848–1855. [Google Scholar] [CrossRef]
- Ramezani, M.; Madani, S.M. New zero-voltage-switching bridgeless P, using an improved auxiliary circuit. IET Power Electron. 2011, 4, 732–741. [Google Scholar] [CrossRef]
- Wang, C.M. A novel ZCS-PWM power-factor preregulator with reduced conduction losses. IEEE Trans. Ind. Electron. 2005, 52, 689–700. [Google Scholar] [CrossRef]
- Musavi, F.; Eberle, W.; Dunford, W.G. A phase shifted semi-bridgeless boost power factor corrected converter for plug in hybrid electric vehicle battery chargers. In Proceedings of the 2011 Twenty-Sixth Annual IEEE Applied Power Electronics Conference and Exposition (APEC), Fort Worth, TX, USA, 6–11 March 2011; pp. 821–828. [Google Scholar] [CrossRef]
- Lee, Y.; Kim, C.; Baek, J.; Kim, D.; Moon, G. A Zero-Voltage-Switching Totem-pole Bridgeless Boost Power Factor Correction Rectifier having Minimized Conduction Losses. In Proceedings of the 2018 International Power Electronics Conference (IPEC-Niigata 2018—ECCE Asia), Niigata, Japan, 20–24 May 2018; pp. 3538–3543. [Google Scholar] [CrossRef]
- Zhao, C.; Wu, X. Accurate Operating Analysis of Boundary Mode Totem-Pole Boost PFC Converter Considering the Reverse Recovery of mosfet. IEEE Trans. Power Electron. 2018, 33, 10038–10043. [Google Scholar] [CrossRef]
- Su, B.; Zhang, J.; Lu, Z. Totem-Pole Boost Bridgeless PFC Rectifier with Simple Zero-Current Detection and Full-Range ZVS Operating at the Boundary of DCM/CCM. IEEE Trans. Power Electron. 2011, 26, 427–435. [Google Scholar] [CrossRef]
- Muhammad, K.S.; Lu, D.D.C. Two-switch ZCS totem-pole bridgeless PFC boost rectifier. In Proceedings of the 2012 IEEE International Conference on Power and Energy (PECon), Kota Kinabalu, Malaysia, 2–5 December 2012; pp. 1–6. [Google Scholar] [CrossRef]
- Alam, M.; Eberle, W.; Gautam, D.S.; Botting, C. A Soft-Switching Bridgeless AC–DC Power Factor Correction Converter. IEEE Trans. Power Electron. 2017, 32, 7716–7726. [Google Scholar] [CrossRef]
- Malschitzky, A.; Albuquerque, F.; Agostini, E.; Nascimento, C.B. Single-Stage Integrated Bridgeless-Boost Nonresonant Half-Bridge Converter for LED Driver Applications. IEEE Trans. Ind. Electron. 2018, 65, 3866–3878. [Google Scholar] [CrossRef]
- Wang, Y.; Deng, X.; Wang, Y.; Xu, D. Single-Stage Bridgeless LED Driver Based on a CLCL Resonant Converter. IEEE Trans. Ind. Appl. 2018, 54, 1832–1841. [Google Scholar] [CrossRef]
- Molavi, N.; Maghsoudi, M.; Farzanehfard, H. Quasi-Resonant Bridgeless PFC Converter with Low Input Current THD. IEEE Trans. Power Electron. 2021, 36, 7965–7972. [Google Scholar] [CrossRef]
- He, Q.; Luo, Q.; Ma, K.; Sun, P.; Zhou, L. Analysis and Design of a Single-Stage Bridgeless High-Frequency Resonant AC/AC Converter. IEEE Trans. Power Electron. 2019, 34, 700–711. [Google Scholar] [CrossRef]
- Zhang, G.; Zeng, J.; Yu, S.S.; Xiao, W.; Zhang, B.; Chen, S.Z.; Zhang, Y. Control Design and Performance Analysis of a Double-Switched LLC Resonant Rectifier for Unity Power Factor and Soft-Switching. IEEE Access 2020, 8, 44511–44521. [Google Scholar] [CrossRef]
- Wu, W. 1.5 kW Digital Totem Pole PFC Design for Air-Conditioner and Perforance Comparison Using IGBT, SiC and GaN. In Proceedings of the International Exhibition and Conference for Power Electronics, Intelligent Motion, Renewable Energy and Energy Management (PCIM Europe 2017), Nuremberg, Germany, 16–18 May 2017; pp. 1–5. [Google Scholar]
- Górecki, P.; Górecki, K. Analysis of the Usefulness Range of the Averaged Electrothermal Model of a Diode–Transistor Switch to Compute the Characteristics of the Boost Converter. Energies 2021, 14, 154. [Google Scholar] [CrossRef]
- Zhang, R.; Liu, S.; Li, B.; Zhao, N.; Wang, G.; Xu, D. Totem-Pole Bridgeless Boost PFC Converter Based on GaN HEMT for Air Conditioning Applications. In Proceedings of the 2018 2nd IEEE Conference on Energy Internet and Energy System Integration (EI2), Beijing, China, 20–22 October 2018; pp. 1–9. [Google Scholar] [CrossRef]
- Dusmez, S.; Ye, Z. Designing a 1kW GaN PFC stage with over 99% efficiency and 155W/in3 power density. In Proceedings of the 2017 IEEE 5th Workshop on Wide Bandgap Power Devices and Applications (WiPDA), Albuquerque, NM, USA, 30 October–1 November 2017; pp. 225–232. [Google Scholar] [CrossRef]
- Yeung, R.S.; Fan, J.W.; Chung, H.S. A totem-pole PFC using hybrid pulse-width-modulation scheme. In Proceedings of the 2017 IEEE 3rd International Future Energy Electronics Conference and ECCE Asia (IFEEC 2017—ECCE Asia), Kaohsiung, Taiwan, 3–7 June 2017; pp. 1286–1290. [Google Scholar] [CrossRef]
- Valipour, H.; Mahdavi, M.; Ordonez, M. Resonant Bridgeless AC/DC Rectifier With High Switching Frequency and Inherent PFC Capability. IEEE Trans. Power Electron. 2020, 35, 232–246. [Google Scholar] [CrossRef]
- Saasaa, R. A Single-Stage Interleaved Resonant Power Factor Correction Converter; University of British Columbia: Okanagan, BC, Canada, 7 September 2016. [Google Scholar]
- Liu, J.; Chan, K.W.; Chung, C.Y.; Chan, N.H.L.; Liu, M.; Xu, W. Single-Stage Wireless-Power-Transfer Resonant Converter with Boost Bridgeless Power-Factor-Correction Rectifier. IEEE Trans. Ind. Electron. 2018, 65, 2145–2155. [Google Scholar] [CrossRef]
- Meng, T.; Yu, S.; Ben, H.; Wei, G. A Family of Multilevel Passive Clamp Circuits With Coupled Inductor Suitable for Single-Phase Isolated Full-Bridge Boost PFC Converter. IEEE Trans. Power Electron. 2014, 29, 4348–4356. [Google Scholar] [CrossRef]
- González-Santini, N.S.; Zeng, H.; Yu, Y.; Peng, F.Z. Z-Source Resonant Converter with Power Factor Correction for Wireless Power Transfer Applications. IEEE Trans. Power Electron. 2016, 31, 7691–7700. [Google Scholar] [CrossRef]
- Choi, W.; Kwon, J.; Kwon, B. Bridgeless dual-boost rectifier with reduced diode reverse-recovery problems for power-factor correction. IET Power Electron. 2008, 1, 194–202. [Google Scholar] [CrossRef]
- Baek, J.; Park, M.H.; Kim, T.; Youn, H.S. Modified Power Factor Correction (PFC) Control and Printed Circuit Board (PCB) Design for High-Efficiency and High-Power Density On-Board Charger. Energies 2021, 14, 605. [Google Scholar] [CrossRef]
- Shi, K.; Shoyama, M.; Tomioka, S. A study of common mode noise current of bridgeless PFC circuit considering voltage change in Y-capacitors. In Proceedings of the 2014 International Symposium on Electromagnetic Compatibility, Tokyo, Japan, 12–16 May 2014; pp. 73–76. [Google Scholar]
- Liu, J.; Chen, W.; Zhang, J.; Xu, D.; Lee, F. Evaluation of power losses in different CCM mode single-phase boost PFC converters via a simulation tool. In Proceedings of the Conference Record of the 2001 IEEE Industry Applications Conference, 36th IAS Annual Meeting (Cat. No.01CH37248), Chicago, IL, USA, 30 September–4 October 2001; Volume 4, pp. 2455–2459. [Google Scholar] [CrossRef]
- Zhang, B.; Imaoka, J.; Shoyama, M.; Tomioka, S.; Takegami, E. Study on zero-crossing conducted noise issue of totem-pole bridgeless PFC converter. In Proceedings of the 2017 IEEE 3rd International Future Energy Electronics Conference and ECCE Asia (IFEEC 2017—ECCE Asia), Kaohsiung, Taiwan, 3–7 June 2017; pp. 2233–2237. [Google Scholar] [CrossRef]
- Shi, K.; Shoyama, M.; Tomioka, S. Common mode noise reduction in totem-pole bridgeless PFC converter. In Proceedings of the 2014 International Power Electronics and Application Conference and Exposition, Shanghai, China, 5–8 November 2014; pp. 705–709. [Google Scholar] [CrossRef]

















| Converter | Category | Control | Voltage | Power | Semi- Conductors | Inductors+ Capacitors | |||||
|---|---|---|---|---|---|---|---|---|---|---|---|
| BBC | SBBC | BLBC | Linear | Non-Linear | L | M | L | M | |||
| Conventional | X | X | X | X | X | 6 | 2 | ||||
| Psudo continuous | X | X | X | X | 8 | 2 | |||||
| Interleaved | X | X | X | X | X | 8 | 3 | ||||
| Hybrid interleaved | X | X | X | Not recommended | 10 | 4 | |||||
| Bidirectional | X | X | X | X | 6 | 3 | |||||
| Bidirectionalflexible switches | X | X | Not recommended | 8 | 3 | ||||||
| Bidirectionalinterleaved | X | X | Not recommended | 8 | 3 | ||||||
| Conventional | X | X | X | X | X | 4 | 2 | ||||
| Soft switching | X | X | X | X | X | 6 | 5 | ||||
| Isolation | X | X | X | X | X | 5 | 3 | ||||
| Clamped Diodes | X | X | X | X | X | X | 6 | 3 | |||
| Clamped switches | X | X | X | X | X | 6 | 4 | ||||
| Clamped diodesand switches | X | X | X | X | 8 | 3 | |||||
| Clamped capacitors | X | X | X | X | X | 4 | 5 | ||||
| Clamped capacitorscoupling inductors | X | X | X | X | X | X | 4 | 7 | |||
| Zero voltage transition | X | X | Not recommended | 11 | 5 | ||||||
| Conventional | X | X | X | X | X | 4 | 2 | ||||
| Conventional GaN | X | X | X | X | X | 4 | 2 | ||||
| Interleaved | X | X | X | X | X | 6 | 5 | ||||
| Interleaved GaN | X | X | X | X | 6 | 4 | |||||
| Pseudo totem-pole | X | X | Not recommended | 6 | 3 | ||||||
Publisher’s Note: MDPI stays neutral with regard to jurisdictional claims in published maps and institutional affiliations. |
© 2021 by the authors. Licensee MDPI, Basel, Switzerland. This article is an open access article distributed under the terms and conditions of the Creative Commons Attribution (CC BY) license (https://creativecommons.org/licenses/by/4.0/).
Share and Cite
Ortiz-Castrillón, J.R.; Mejía-Ruíz, G.E.; Muñoz-Galeano, N.; López-Lezama, J.M.; Saldarriaga-Zuluaga, S.D. PFC Single-Phase AC/DC Boost Converters: Bridge, Semi-Bridgeless, and Bridgeless Topologies. Appl. Sci. 2021, 11, 7651. https://doi.org/10.3390/app11167651
Ortiz-Castrillón JR, Mejía-Ruíz GE, Muñoz-Galeano N, López-Lezama JM, Saldarriaga-Zuluaga SD. PFC Single-Phase AC/DC Boost Converters: Bridge, Semi-Bridgeless, and Bridgeless Topologies. Applied Sciences. 2021; 11(16):7651. https://doi.org/10.3390/app11167651
Chicago/Turabian StyleOrtiz-Castrillón, José R., Gabriel Eduardo Mejía-Ruíz, Nicolás Muñoz-Galeano, Jesús M. López-Lezama, and Sergio D. Saldarriaga-Zuluaga. 2021. "PFC Single-Phase AC/DC Boost Converters: Bridge, Semi-Bridgeless, and Bridgeless Topologies" Applied Sciences 11, no. 16: 7651. https://doi.org/10.3390/app11167651
APA StyleOrtiz-Castrillón, J. R., Mejía-Ruíz, G. E., Muñoz-Galeano, N., López-Lezama, J. M., & Saldarriaga-Zuluaga, S. D. (2021). PFC Single-Phase AC/DC Boost Converters: Bridge, Semi-Bridgeless, and Bridgeless Topologies. Applied Sciences, 11(16), 7651. https://doi.org/10.3390/app11167651

