A Method of Defect Depth Recognition in Active Infrared Thermography Based on GRU Networks
Abstract
:1. Introduce
2. Theory of AIRT
3. Proposed Method for Defect Depth Recognition
- (1)
- Principal components extraction: The first step is to obtain several irrelevant principal components from the raw thermal sequence that contains redundant information. The procedure of preprocessing the raw thermal sequence by a principal component analysis (PCA) contributes to eliminating correlation and saving the expense of training for network model.
- (2)
- Defect depth recognition based on GRU: The second step is training and testing the GRU model by making the principal components as input datasets to realize defect depth recognition.
3.1. Principal Components Extraction
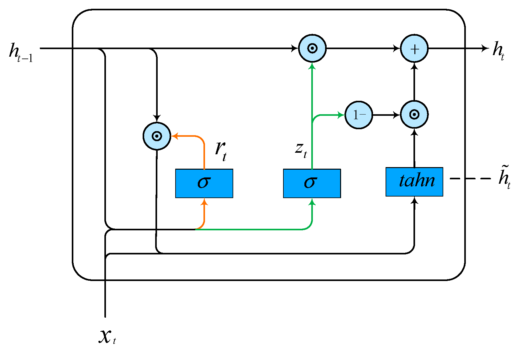
3.2. Defect Depth Recognition Based on GRU
4. Experimental Arrangement
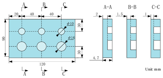
4.1. Experimental Specimen
4.2. Experimental System
5. Results and Analysis
5.1. Experimental Data
5.2. Results Based on GRU Model
5.3. Results Based on Traditional Network
6. Conclusions
Author Contributions
Funding
Institutional Review Board Statement
Informed Consent Statement
Data Availability Statement
Acknowledgments
Conflicts of Interest
References
- Ruwandi Fernando, W.D.; Tantrigoda, D.A.; Rosa, S.R.D.; Jayasundara, D.R. Infrared thermography as a non-destructive testing method for adhesively bonded textile structures. Infrared Phys. Technol. 2019, 98, 89–93. [Google Scholar] [CrossRef]
- Wang, Q.; Liu, Q.; Xia, R.; Li, G.; Gao, J.; Zhou, H.; Zhao, B. Defect Depth Determination in Laser Infrared Thermography Based on LSTM-RNN. IEEE Access 2020, 8, 153385–153393. [Google Scholar] [CrossRef]
- Vavilov, V.P.; Pawar, S.S. A novel approach for one-sided thermal nondestructive testing of composites by using infrared thermography. Polym. Test. 2015, 44, 224–233. [Google Scholar] [CrossRef]
- Ahmad, J.; Akula, A.; Mulaveesala, R.; Sardana, H.K. An independent component analysis based approach for frequency modulated thermal wave imaging for subsurface defect detection in steel sample. Infrared Phys. Technol. 2019, 98, 45–54. [Google Scholar] [CrossRef]
- D’Accardi, E.; Palano, F.; Tamborrino, R.; Palumbo, D.; Tatì, A.; Terzi, R.; Galietti, U. Pulsed Phase Thermography Approach for the Characterization of Delaminations in CFRP and Comparison to Phased Array Ultrasonic Testing. J. Nondestruct. Eval. 2019, 38, 1–12. [Google Scholar] [CrossRef]
- Shepard, S.M. Reconstruction and enhancement of active thermographic image sequences. Opt. Eng. 2003, 42, 1337. [Google Scholar] [CrossRef]
- Marinetti, S.; Grinzato, E.; Bison, P.G.; Bozzi, E.; Chimenti, M.; Pieri, G.; Salvetti, O. Statistical analysis of IR thermographic sequences by PCA. Infrared Phys. Technol. 2004, 46, 85–91. [Google Scholar] [CrossRef]
- Cheng, L.; Gao, B.; Tian, G.Y.; Woo, W.L.; Berthiau, G. Impact damage detection and identification using eddy current pulsed thermography through integration of PCA and ICA. IEEE Sens. J. 2014, 14, 1655–1663. [Google Scholar] [CrossRef]
- Rajic, N. Principal component thermography for flaw contrast enhancement and flaw depth characterisation in composite structures. Compos. Struct. 2002, 58, 521–528. [Google Scholar] [CrossRef]
- Zeng, Z.; Li, C.; Tao, N.; Feng, L.; Zhang, C. Depth prediction of non-air interface defect using pulsed thermography. NDT E Int. 2012, 48, 39–45. [Google Scholar] [CrossRef]
- Zhang, S.; Ye, F.; Wang, B.; Habetler, T.G. Semi-Supervised Bearing Fault Diagnosis and Classification using Variational Autoencoder-Based Deep Generative Models. IEEE Sens. J. 2020, 21, 6476–6486. [Google Scholar] [CrossRef]
- Chen, Z.; Liu, Y.; He, W.; Qiao, H.; Ji, H. Adaptive Neural Network-Based Trajectory Tracking Control for a Nonholonomic Wheeled Mobile Robot with Velocity Constraints. IEEE Trans. Ind. Electron. 2020, 68, 5057–5067. [Google Scholar] [CrossRef]
- Pei, J.; Huang, Y.; Huo, W.; Zhang, Y.; Yang, J.; Yeo, T.S. SAR automatic target recognition based on multiview deep learning framework. IEEE Trans. Geosci. Remote Sens. 2018, 56, 2196–2210. [Google Scholar] [CrossRef]
- Duan, Y.; Liu, S.; Hu, C.; Hu, J.; Zhang, H.; Yan, Y.; Tao, N.; Zhang, C.; Maldague, X.; Fang, Q.; et al. Automated defect classification in infrared thermography based on a neural network. NDT E Int. 2019, 107, 102147. [Google Scholar] [CrossRef]
- Darabi, A.; Maldague, X. Neural network based defect detection and depth estimation in TNDE. NDT E Int. 2002, 35, 165–175. [Google Scholar] [CrossRef]
- Fang, Q.; Maldague, X. A method of defect depth estimation for simulated infrared thermography data with deep learning. Appl. Sci. 2020, 10, 6819. [Google Scholar] [CrossRef]
- Hu, C.; Duan, Y.; Liu, S.; Yan, Y.; Tao, N.; Osman, A.; Ibarra-Castanedo, C.; Sfarra, S.; Chen, D.; Zhang, C. LSTM-RNN-based defect classification in honeycomb structures using infrared thermography. Infrared Phys. Technol. 2019, 102, 103032. [Google Scholar] [CrossRef]
- Zhang, X.Y.; Yin, F.; Zhang, Y.M.; Liu, C.L.; Bengio, Y. Drawing and Recognizing Chinese Characters with Recurrent Neural Network. IEEE Trans. Pattern Anal. Mach. Intell. 2018, 40, 849–862. [Google Scholar] [CrossRef] [Green Version]
- Jin, X.B.; Yang, N.X.; Wang, X.Y.; Bai, Y.T.; Su, T.L.; Kong, J.L. Deep hybrid model based on EMD with classification by frequency characteristics for long-term air quality prediction. Mathematics 2020, 8, 214. [Google Scholar] [CrossRef] [Green Version]
- Usamentiaga, R.; Venegas, P.; Guerediaga, J.; Vega, L.; Molleda, J.; Bulnes, F.G. Infrared thermography for temperature measurement and non-destructive testing. Sensors 2014, 14, 12305–12348. [Google Scholar] [CrossRef] [Green Version]
- Chen, D.; Zeng, Z.; Tao, N.; Zhang, C.; Zhang, Z. Liquid ingress recognition in honeycomb structure by pulsed thermography. EPJ Appl. Phys. 2013, 62, 1–8. [Google Scholar] [CrossRef]
- Meola, C.; Boccardi, S.; Carlomagno, G.M. Chapter 4—Nondestructive Testing with Infrared Thermography; Elsevier Ltd.: Amsterdam, The Netherlands, 2017; ISBN 9781782421719. [Google Scholar]
- Dey, R.; Salemt, F.M. Gate-variants of Gated Recurrent Unit (GRU) neural networks. Midwest Symp. Circuits Syst. 2017, 2017, 1597–1600. [Google Scholar] [CrossRef] [Green Version]
- Kanai, S.; Fujiwara, Y.; Iwamura, S. Preventing gradient explosions in gated recurrent units. Adv. Neural Inf. Process. Syst. 2017, 2017, 436–445. [Google Scholar]
- Qu, Y.; Shang, C.; Shen, Q.; Parthaláin, N.M.; Wu, W. Kernel-based Fuzzy-rough Nearest-neighbour Classification for Mammographic Risk Analysis. Int. J. Fuzzy Syst. 2015, 17, 471–483. [Google Scholar] [CrossRef] [Green Version]
- Guo, Z.H.; Wu, J.; Lu, H.Y.; Wang, J.Z. A case study on a hybrid wind speed forecasting method using BP neural network. Knowl. Based Syst. 2011, 24, 1048–1056. [Google Scholar] [CrossRef]














| Material | Thermal Conductivity
W/(m·K) | Specific Heat Capacity C J/(kg·K) | Density
kg/m3 |
|---|---|---|---|
| PMMA | 0.18 | 1464 | 1190 |
| AIR | 0.0267 | 1005 | 1.293 |
| Heating Power (W) | Heating Time (s) | Cooling Time (s) | Sampling Period (s) |
|---|---|---|---|
| 2000 | 23 | 22 | 0.5 |
| Datasets | Depth of 1 mm | Depth of 1.5 mm | Depth of 2 mm | Sound Area |
|---|---|---|---|---|
| M1 | 0.94 | 0.96 | 0.92 | 0.99 |
| R1 | 0.99 | 0.92 | 0.86 | 0.81 |
| M2 | 0.97 | 0.97 | 0.92 | 0.99 |
| R2 | 1.00 | 0.89 | 0.90 | 0.89 |
| Method | Datasets | Depth of 1 mm | Depth of 1.5 mm | Depth of 2 mm | Sound Area |
|---|---|---|---|---|---|
| GRU | M1 | 0.94 | 0.96 | 0.92 | 0.99 |
| M2 | 0.97 | 0.97 | 0.92 | 0.99 | |
| BP | M1 | 0.99 | 0.94 | 0.81 | 0.94 |
| M2 | 1.00 | 0.95 | 0.86 | 0.88 |
Publisher’s Note: MDPI stays neutral with regard to jurisdictional claims in published maps and institutional affiliations. |
© 2021 by the authors. Licensee MDPI, Basel, Switzerland. This article is an open access article distributed under the terms and conditions of the Creative Commons Attribution (CC BY) license (https://creativecommons.org/licenses/by/4.0/).
Share and Cite
Xu, L.; Hu, J. A Method of Defect Depth Recognition in Active Infrared Thermography Based on GRU Networks. Appl. Sci. 2021, 11, 6387. https://doi.org/10.3390/app11146387
Xu L, Hu J. A Method of Defect Depth Recognition in Active Infrared Thermography Based on GRU Networks. Applied Sciences. 2021; 11(14):6387. https://doi.org/10.3390/app11146387
Chicago/Turabian StyleXu, Li, and Jianzhong Hu. 2021. "A Method of Defect Depth Recognition in Active Infrared Thermography Based on GRU Networks" Applied Sciences 11, no. 14: 6387. https://doi.org/10.3390/app11146387
APA StyleXu, L., & Hu, J. (2021). A Method of Defect Depth Recognition in Active Infrared Thermography Based on GRU Networks. Applied Sciences, 11(14), 6387. https://doi.org/10.3390/app11146387
