Theoretical Modeling of Piezoelectric Cantilever MEMS Loudspeakers
Abstract
:1. Introduction
2. Theoretical Modeling of Piezoelectric Cantilever MEMS Loudspeaker Using ECM
2.1. Transformer for Multiple Pairs of MPCAs
- The bending vibration caused by the deformation in the y-direction is negligible. The fundamental equations of the piezoelectric materials can then be written as [15]where denotes the strain in the x-direction, is the compliance at a constant electric field, is the stress in the x-direction, is the piezoelectric constant, is the electric field in the z-direction, is the electric displacement, and is the dielectric constant at a constant stress.
- The MPCA vibrates with a small deflection. Then, the expression for is [15]
- Layers with no piezoelectric properties can be considered as piezoelectric layers with and .
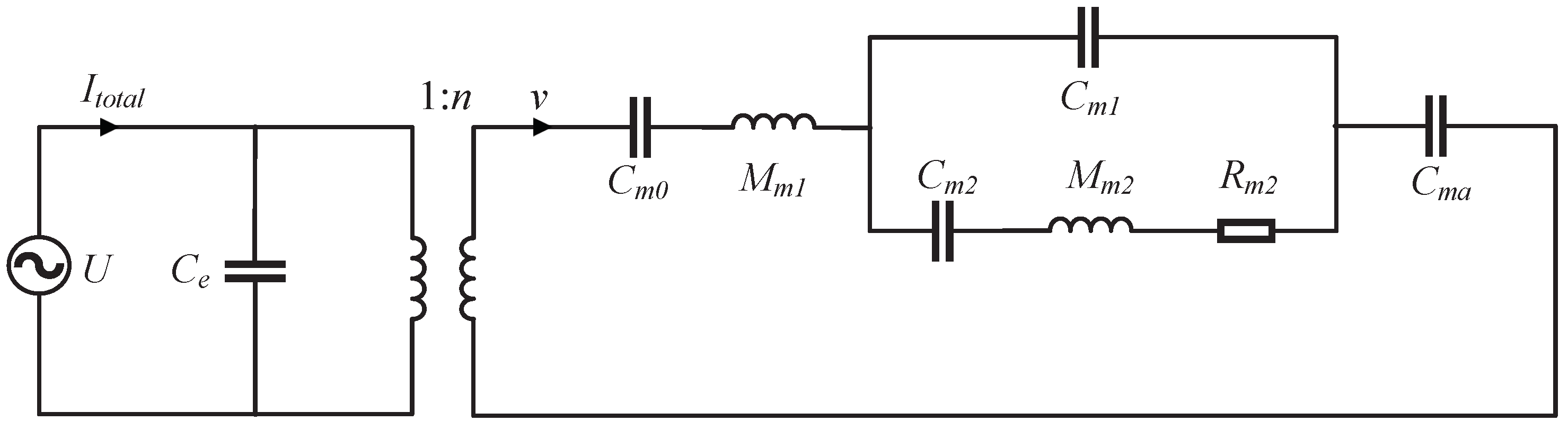
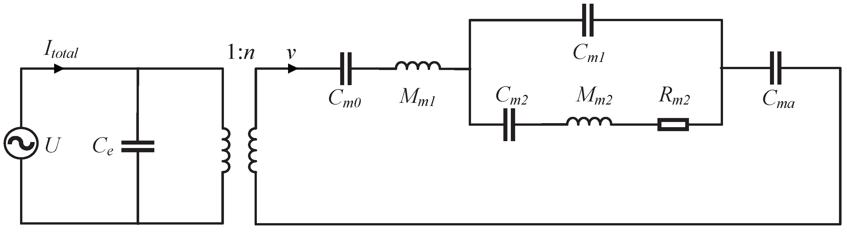
2.2. Equivalent Circuit of Piezoelectric Cantilever MEMS Loudspeaker
3. Validation of ECM Using FEM Models and Discussions
3.1. Case 1: A Single Four-Layer MPCA
3.2. Case 2: A Piezoelectric Cantilever MEMS Loudspeaker with a Two-Sided Structure
3.3. Case 3: A Piezoelectric Cantilever MEMS Loudspeaker with a Four-Sided Structure
4. Conclusions
Author Contributions
Funding
Institutional Review Board Statement
Informed Consent Statement
Data Availability Statement
Acknowledgments
Conflicts of Interest
Abbreviations
| MEMS | microelectromechanical system |
| MPCA | multilayer piezoelectric cantilever actuator |
| ECM | equivalent circuit method |
| FEM | finite element method |
Appendix A
References
- Männchen, A.; Stoppel, F.; Beer, D.; Niekiel, F.; Wagner, B. In-ear headphone system with piezoelectric mems driver. In Proceedings of the 145th AES Convention, New York, NY, USA, 17–20 October 2018. [Google Scholar]
- Je, S.S.; Rivas, F.; Diaz, R.E.; Kwon, J.; Kim, J.; Bakkaloglu, B.; Kiaei, S.; Chae, J. A compact and low-cost MEMS loudspeaker for digital hearing aids. IEEE Trans. Biomed. Circuits. Syst. 2009, 3, 348–358. [Google Scholar] [CrossRef] [PubMed]
- Shahosseini, I.; Lefeuvre, E.; Moulin, J.; Woytasik, M.; Martincic, E.; Pillonnet, G.; Lemarquand, G. Electromagnetic MEMS microspeaker for portable electronic devices. Microsyst. Technol. 2013, 19, 879–886. [Google Scholar] [CrossRef] [Green Version]
- Garud, M.; Godthi, V.; Reddy, J.; Dangi, A.; Pratap, R. Cricket inspired high efficiency MEMS speakers. In Proceedings of the Multidisciplinary Digital Publishing Institute, Paris, France, 3–6 September 2017; Volume 1, p. 345. [Google Scholar]
- Albach, T.S.; Lerch, R. Magnetostrictive microelectromechanical loudspeaker. J. Acoust. Soc. Am. 2013, 134, 4372–4380. [Google Scholar] [CrossRef] [PubMed]
- Cho, I.J.; Jang, S.; Nam, H.J. A piezoelectrically actuated mems speaker with polyimide membrane and thin film pb (zr, ti) o3 (pzt) actuator. Integr. Ferroelectr. 2009, 105, 27–36. [Google Scholar] [CrossRef]
- Dejaeger, R.; Casset, F.; Desloges, B.; Le Rhun, G.; Robert, P.; Fanget, S.; Leclère, Q.; Ege, K.; Guyader, J.L. Development and characterization of a piezoelectrically actuated MEMS digital loudspeaker. Procedia Eng. 2012, 47, 184–187. [Google Scholar] [CrossRef]
- Ko, S.C.; Kim, Y.C.; Lee, S.S.; Choi, S.H.; Kim, S.R. Micromachined piezoelectric membrane acoustic device. Sens. Actuator A Phys. 2003, 103, 130–134. [Google Scholar] [CrossRef]
- Cho, K.; Yi, S.; Son, Y.; Kweon, S. Characteristics of piezoelectric micro-speaker fabricated with ZnO thin film. Integr. Ferroelectr. 2007, 89, 141–149. [Google Scholar] [CrossRef]
- Stoppel, F.; Niekiel, F.; Giese, T.; Gu-Stoppel, S.; Männchen, A.; Nowak, J.; Beer, D.; Wagner, B. Novel type of MEMS loudspeaker featuring membrane-less two-way sound generation. In Proceedings of the 143rd AES Convention, New York, NY, USA, 18–21 October 2017. [Google Scholar]
- Cheng, H.H.; Lo, S.C.; Huang, Z.R.; Wang, Y.J.; Wu, M.; Fang, W. On the design of piezoelectric MEMS microspeaker for the sound pressure level enhancement. Sens. Actuator A Phys. 2020, 306, 111960. [Google Scholar] [CrossRef]
- Liechti, R.; Durand, S.; Hilt, T.; Casset, F.; Dieppedale, C.; Verdot, T.; Colin, M. A Piezoelectric MEMS Loudspeaker Lumped and FEM models. In Proceedings of the 2021 22nd International Conference on Thermal, Mechanical and Multi-Physics Simulation and Experiments in Microelectronics and Microsystems (EuroSimE), Virtual, 19–22 April 2021; pp. 1–8. [Google Scholar]
- Wang, H.; Chen, Z.; Xie, H. A high-SPL piezoelectric MEMS loud speaker based on thin ceramic PZT. Sens. Actuator A Phys. 2020, 309, 112018. [Google Scholar] [CrossRef]
- Beltrami, A.R.C.; Bottoni, F. MEMS Circuit Board Module Having an Integrated Piezoelectric Structure, and Electroacoustic Transducer Arrangement. U.S. Patent 10,433,063, 1 October 2019. [Google Scholar]
- Lin, S. Principle and Design of Ultrasonic Transducer, 1st ed.; Science Press: Beijing, China, 2004. [Google Scholar]
- Song, R.; Shan, X.; Lv, F.; Xie, T. A study of vortex-induced energy harvesting from water using PZT piezoelectric cantilever with cylindrical extension. Ceram. Int. 2015, 41, S768–S773. [Google Scholar] [CrossRef]
- Shen, D.; Park, J.H.; Noh, J.H.; Choe, S.Y.; Kim, S.H.; Wikle, H.C., III; Kim, D.J. Micromachined PZT cantilever based on SOI structure for low frequency vibration energy harvesting. Sens. Actuator A Phys. 2009, 154, 103–108. [Google Scholar] [CrossRef]
- Shen, D.; Park, J.H.; Ajitsaria, J.; Choe, S.Y.; Wikle, H.C.; Kim, D.J. The design, fabrication and evaluation of a MEMS PZT cantilever with an integrated Si proof mass for vibration energy harvesting. J. Micromech. Microeng. 2008, 18, 055017. [Google Scholar] [CrossRef]
- Huang, J.H.; Her, H.C.; Shiah, Y.; Shin, S.J. Electroacoustic simulation and experiment on a miniature loudspeaker for cellular phones. J. Appl. Phys. 2008, 103, 033502. [Google Scholar] [CrossRef]
- Lee, C.M.; Kwon, J.H.; Hwang, S.M. Analysis of total harmonic distortion in microspeakers considering coupling effect. J. Mech. Sci. Technol. 2010, 24, 1763–1769. [Google Scholar] [CrossRef]
- Smits, J.G.; Ballato, A. Dynamic admittance matrix of piezoelectric cantilever bimorphs. J. Microelectromech. Syst. 1994, 3, 105–112. [Google Scholar] [CrossRef]
- Okugawa, M.; Sasaki, M. System identification and controller design of a self-sensing piezoelectric cantilever structure. J. Intell. Mater. Syst. Struct. 2002, 13, 241–252. [Google Scholar] [CrossRef]












| Layer 1 | Layer 2 | Layer 3 | Layer 4 | |
|---|---|---|---|---|
| 5.00 | 5.00 | 5.00 | 5.00 | |
| 0.15 | 0.15 | 0.15 | 0.15 | |
| 0.10 | 0.11 | 0.13 | 0.14 | |
| 0 | 0.10 | 0.11 | 0.13 | |
| 2329 | 7500 | 2329 | 1780 | |
| 0 | 0 | |||
| /- | 0 | 3400 | 0 | 7.74 |
| 0 | 2.12 | 0 | 2.12 |
| MPCA | Layer 1 | Layer 2 |
|---|---|---|
| 3.00 | 3.00 | |
| 0.10 | 0.10 | |
| 0.18 | 0.2 | |
| 0 | 0.18 | |
| 2329 | 7500 | |
| 0 | − | |
| /- | 0 | 3400 |
| 0 | 5.66 |
| Parameter | / | / | / | / |
| Parameter | / | / | / | - |
| 0.122 | - |
| MPCA | Layer 1 | Layer 2 | Layer 3 |
|---|---|---|---|
| 2.80 | 2.80 | 2.80 | |
| 0.08 | 0.08 | 0.08 | |
| 0.15 | 0.155 | 0.16 | |
| 0 | 0.15 | 0.155 | |
| 2329 | 7500 | 7600 | |
| 0 | |||
| /- | 0 | 1300 | 450 |
| 0 | 3.54 | 3.54 |
| Parameter | / | / | / | / |
| Parameter | / | / | / | - |
| 0.066 | - |
Publisher’s Note: MDPI stays neutral with regard to jurisdictional claims in published maps and institutional affiliations. |
© 2021 by the authors. Licensee MDPI, Basel, Switzerland. This article is an open access article distributed under the terms and conditions of the Creative Commons Attribution (CC BY) license (https://creativecommons.org/licenses/by/4.0/).
Share and Cite
Liu, W.; Huang, J.; Shen, Y.; Cheng, J. Theoretical Modeling of Piezoelectric Cantilever MEMS Loudspeakers. Appl. Sci. 2021, 11, 6323. https://doi.org/10.3390/app11146323
Liu W, Huang J, Shen Y, Cheng J. Theoretical Modeling of Piezoelectric Cantilever MEMS Loudspeakers. Applied Sciences. 2021; 11(14):6323. https://doi.org/10.3390/app11146323
Chicago/Turabian StyleLiu, Wei, Jie Huang, Yong Shen, and Jiazheng Cheng. 2021. "Theoretical Modeling of Piezoelectric Cantilever MEMS Loudspeakers" Applied Sciences 11, no. 14: 6323. https://doi.org/10.3390/app11146323
APA StyleLiu, W., Huang, J., Shen, Y., & Cheng, J. (2021). Theoretical Modeling of Piezoelectric Cantilever MEMS Loudspeakers. Applied Sciences, 11(14), 6323. https://doi.org/10.3390/app11146323
