Online Critical Unit Detection and Power System Security Control: An Instance-Level Feature Importance Analysis Approach
Abstract
1. Introduction
- An efficient DL framework integrated with DSA, critical unit detection, and security control is proposed, achieving rapid security assessment and recovery.
- An accurate detection method of critical units in power systems for specific OCs utilizing instance-based Shapley additive explanations (SHAP) is proposed. Compared with traditional FIAs, the proposed method more accurately reveals how each feature influences DSA-DL models in a specific OC.
- A fast generation strategy of SC schemes based on the interpretation results is proposed, successfully maintaining the security of large-scale power systems.
2. Developed Methodology
2.1. SHAP
| Algorithm 1 k-means algorithm. |
| Input: dataset |
| Output: |
|
| Algorithm 2 SHAP algorithm. |
|
2.2. Instance-Level Feature Importance Analysis for DSA-DL Model
2.2.1. DSA Database Establishment
2.2.2. DSA-DL Model Construction
2.2.3. Online DSA
2.2.4. Instance-Level Feature Importance Analysis
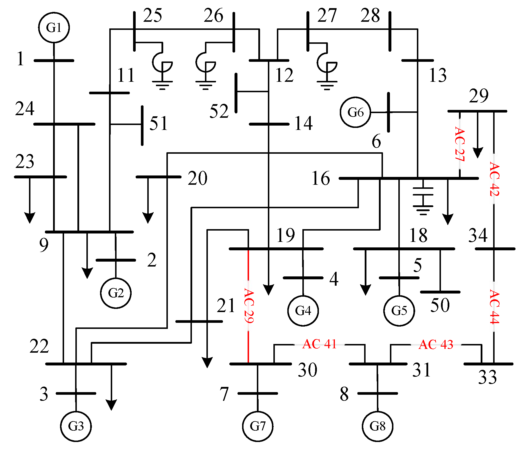
3. Results and Discussion
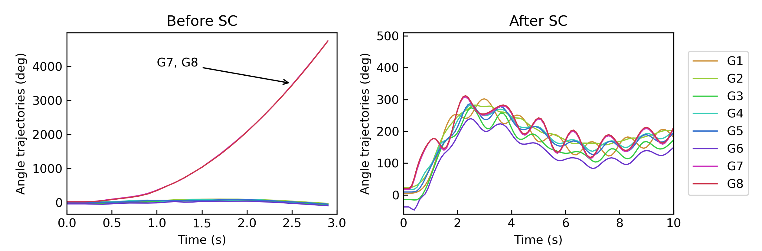
3.1. Transient Stability Assessment
3.2. Instance-Level Feature Importance Analysis
3.2.1. Local Interpretation
3.2.2. Global Interpretation
3.3. Security Control
3.4. Analysis on Time Consumption
3.5. Scalability Analysis in a Larger-Scale System
4. Conclusions
Author Contributions
Funding
Conflicts of Interest
References
- Luo, F.; Dong, Z.; Chen, G.; Xu, Y.; Meng, K.; Chen, Y.; Wong, K. Advanced Pattern Discovery-based Fuzzy Classification Method for Power System Dynamic Security Assessment. IEEE Trans. Ind. Inform. 2015, 11, 416–426. [Google Scholar] [CrossRef]
- Kundur, P. Power System Stability and Control; McGraw-Hill: New York, NY, USA, 1994; Volume 7. [Google Scholar] [CrossRef]
- Wang, L.; Girgis, A.A. A new method for power system transient instability detection. IEEE Trans. Power Deliv. 1997, 12, 1082–1088. [Google Scholar] [CrossRef]
- Romay, O.; Martínez-Parrales, R.; Fuerte-Esquivel, C.R. Transient Stability Assessment Considering Hard Limits on Dynamic States. IEEE Trans. Power Syst. 2021, 36, 533–536. [Google Scholar] [CrossRef]
- Gless, G.E. Direct Method of Liapunov Applied to Transient Power System Stability. IEEE Trans. Power Appar. Syst. 1966, PAS-85, 159–168. [Google Scholar] [CrossRef]
- Scala, M.L.; Bose, A.; Tylavsky, D.J.; Chai, J.S. A highly parallel method for transient stability analysis. IEEE Trans. Power Syst. 1990, 5, 1439–1446. [Google Scholar] [CrossRef]
- Gurrala, G.; Dimitrovski, A.; Pannala, S.; Simunovic, S.; Starke, M. Parareal in time for fast power system dynamic simulations. IEEE Trans. Power Syst. 2016, 31, 1820–1830. [Google Scholar] [CrossRef]
- Maria, G.A.; Tang, C.; Kim, J. Hybrid transient stability analysis. IEEE Trans. Power Syst. 1990, 5, 384–391. [Google Scholar] [CrossRef]
- Ren, C.; Xu, Y. Incremental broad learning for real-time updating of data-driven power system dynamic security assessment models. IET Gener. Transm. Distrib. 2020, 14, 4052–4059. [Google Scholar] [CrossRef]
- Kamwa, I.; Samantaray, S.R.; Joos, G. Catastrophe Predictors from Ensemble Decision-Tree Learning of Wide-Area Severity Indices. IEEE Trans. Smart Grid 2010, 1, 144–158. [Google Scholar] [CrossRef]
- Hu, W.; Lu, Z.; Wu, S.; Zhang, W.; Dong, Y.; Yu, R.; Liu, B. Real-time transient stability assessment in power system based on improved SVM. J. Mod. Power Syst. Clean Energy 2019, 7, 26–37. [Google Scholar] [CrossRef]
- Jensen, C.A.; El-Sharkawi, M.A.; Marks, R.J. Power system security assessment using neural networks: Feature selection using Fisher discrimination. IEEE Trans. Power Syst. 2001, 16, 757–763. [Google Scholar] [CrossRef]
- Yan, R.; Geng, G.; Jiang, Q.; Li, Y. Fast Transient Stability Batch Assessment Using Cascaded Convolutional Neural Networks. IEEE Trans. Power Syst. 2019, 34, 2802–2813. [Google Scholar] [CrossRef]
- Shi, Z.; Yao, W.; Zeng, L.; Wen, J.; Fang, J.; Ai, X.; Wen, J. Convolutional neural network-based power system transient stability assessment and instability mode prediction. Appl. Energy 2020, 263, 114586. [Google Scholar] [CrossRef]
- Yan, R.; Wang, Z.; Yuan, Y.; Geng, G.; Jiang, Q. Information entropy based prioritization strategy for data-driven transient stability batch assessment. CSEE J. Power Energy Syst. 2021, 7, 443–455. [Google Scholar] [CrossRef]
- Huang, T.; Guo, Q.; Sun, H.; Tan, C.; Hu, T. A deep spatial-temporal data-driven approach considering microclimates for power system security assessment. Appl. Energy 2019, 237, 36–48. [Google Scholar] [CrossRef]
- Ren, C.; Xu, Y. A Fully Data-Driven Method Based on Generative Adversarial Networks for Power System Dynamic Security Assessment With Missing Data. IEEE Trans. Power Syst. 2019, 34, 5044–5052. [Google Scholar] [CrossRef]
- Wu, S.; Le, Z.; Wei, H.; Yu, R.; Liu, B. Improved Deep Belief Network and Model Interpretation Method for Power System Transient Stability Assessment. J. Mod. Power Syst. Clean Energy 2020, 8, 29–39. [Google Scholar] [CrossRef]
- Hyun, K.; Hyunsoo, Y.; Ki-Woong, P. Acoustic-decoy: Detection of adversarial examples through audio modification on speech recognition system. Neurocomputing 2020, 417, 357–370. [Google Scholar] [CrossRef]
- Kamwa, I.; Samantaray, S.R.; Joos, G. On the Accuracy Versus Transparency Trade-Off of Data-Mining Models for Fast-Response PMU-Based Catastrophe Predictors. IEEE Trans. Smart Grid 2012, 3, 152–161. [Google Scholar] [CrossRef]
- Castelvecchi, D. Can we open the black box of AI? Nature 2016, 538, 20–23. [Google Scholar] [CrossRef] [PubMed]
- Voosen, P. How AI detectives are cracking open the black box of deep learning. Science 2017, 357, 22–28. [Google Scholar] [CrossRef] [PubMed]
- Shi, Z.; Yao, W.; Li, Z.; Zeng, L.; Zhao, Y.; Zhang, R.; Tang, Y.; Wen, J. Artificial intelligence techniques for stability analysis and control in smart grids: Methodologies, applications, challenges and future directions. Appl. Energy 2020, 278, 115733. [Google Scholar] [CrossRef]
- Han, T.; Chen, J.; Fu, Y.; Cai, Y.; Zhang, S. Stability Assessment Machine Learning Models Interpretation Based on Surrogate Models and Clustering. In Proceedings of the 2019 IEEE Sustainable Power and Energy Conference (iSPEC), Beijing, China, 21–23 November 2019; pp. 986–991. [Google Scholar] [CrossRef]
- Breiman, L. Random Forests. Mach. Learn. 2001, 45, 5–32. [Google Scholar] [CrossRef]
- Pan, G.; Fu, L.; Chen, Q.; Yu, M.; Muresan, M. Road safety performance function analysis with visual feature importance of deep neural nets. IEEE/CAA J. Autom. Sin. 2020, 7, 735–744. [Google Scholar] [CrossRef]
- Gan, D.; Thomas, R.; Zimmerman, R. Stability-constrained optimal power flow. IEEE Trans. Power Syst. 2000, 15, 535–540. [Google Scholar] [CrossRef]
- Zarate-Minano, R.; Van Cutsem, T.; Milano, F.; Conejo, A.J. Securing Transient Stability Using Time-Domain Simulations within an Optimal Power Flow. IEEE Trans. Power Syst. 2010, 25, 243–253. [Google Scholar] [CrossRef]
- Pizano-Martianez, A.; Fuerte-Esquivel, C.R.; Ruiz-Vega, D. Global Transient Stability-Constrained Optimal Power Flow Using an OMIB Reference Trajectory. IEEE Trans. Power Syst. 2010, 25, 392–403. [Google Scholar] [CrossRef]
- Mo, N.; Zou, Z.Y.; Chan, K.W.; Pong, T. Transient stability constrained optimal power flow using particle swarm optimisation. IET Gener. Transm. Distrib. 2007, 1, 476–483. [Google Scholar] [CrossRef]
- Cai, H.R.; Chung, C.Y.; Wong, K.P. Application of Differential Evolution Algorithm for Transient Stability Constrained Optimal Power Flow. IEEE Trans. Power Syst. 2008, 23, 719–728. [Google Scholar] [CrossRef]
- Xia, S.; Chan, K.W.; Bai, X.; Guo, Z. Enhanced particle swarm optimisation applied for transient angle and voltage constrained discrete optimal power flow with flexible AC transmission system. IET Gener. Transm. Distrib. 2015, 9, 61–74. [Google Scholar] [CrossRef]
- Maihemuti, S.; Wang, W.; Wang, H.; Wu, J.; Zhang, X. Dynamic Security and Stability Region under Different Renewable Energy Permeability in IENGS System. IEEE Access 2021, 9, 19800–19817. [Google Scholar] [CrossRef]
- Strumbelj, E.; Kononenko, I. An Efficient Explanation of Individual Classifications using Game Theory. J. Mach. Learn. Res. 2010, 11, 1–18. [Google Scholar] [CrossRef]
- Strumbelj, E.; Kononenko, I. A General Method for Visualizing and Explaining Black-Box Regression Models. In Proceedings of the 10th International Conference on Artificial Neural Networks and Genetic Algorithms, Ljubljana, Slovenia, 14–16 April 2011; pp. 21–30. [Google Scholar] [CrossRef]









| Operation Condition (OC) | ||||||||
|---|---|---|---|---|---|---|---|---|
| Insecure | 5.78 | 5.30 | 3.23 | 1.84 | 4.59 | 0.00 | 2.67 | 3.16 |
| Secure | 5.50 | 4.82 | 3.54 | 1.77 | 4.41 | −0.01 | 2.05 | 2.57 |
| Iteration | Active Power Generation (p.u.) | Control Generators | Elapsed Time (s) | |||||||
|---|---|---|---|---|---|---|---|---|---|---|
| G1* | G2 | G3 | G4 | G5 | G6 | G7 | G8 | |||
| 1 | 5.78 | 5.30 | 3.23 | 1.84 | 4.59 | 0.00 | 2.67 | 3.16 | G4(+), G7(−) | 1.053 |
| 2 | 5.84 | 5.30 | 3.23 | 2.02 | 4.59 | 0.00 | 2.46 | 3.16 | G4(+), G7(−) | 1.050 |
| 3 | 5.85 | 5.30 | 3.23 | 2.22 | 4.59 | 0.00 | 2.23 | 3.16 | G4(+), G8(−) | 1.044 |
| 4 | 5.86 | 5.30 | 3.23 | 2.44 | 4.59 | 0.00 | 2.23 | 2.91 | 0.001 | |
| Iteration | Active Power Generation (p.u.) | Control Generators | Elapsed Time (s) | |||
|---|---|---|---|---|---|---|
| G21 | G30* | G40 | G54 | |||
| 1 | 4.42 | 15.27 | 19.92 | 0.00 | G54(+), G40(−) | 4.378 |
| 2 | 4.42 | 13.42 | 17.93 | 1.79 | G21(+), G40(−) | 4.201 |
| 3 | 6.04 | 12.90 | 16.14 | 1.79 | 0.004 | |
Publisher’s Note: MDPI stays neutral with regard to jurisdictional claims in published maps and institutional affiliations. |
© 2021 by the authors. Licensee MDPI, Basel, Switzerland. This article is an open access article distributed under the terms and conditions of the Creative Commons Attribution (CC BY) license (https://creativecommons.org/licenses/by/4.0/).
Share and Cite
Ren, J.; Wang, L.; Zhang, S.; Cai, Y.; Chen, J. Online Critical Unit Detection and Power System Security Control: An Instance-Level Feature Importance Analysis Approach. Appl. Sci. 2021, 11, 5460. https://doi.org/10.3390/app11125460
Ren J, Wang L, Zhang S, Cai Y, Chen J. Online Critical Unit Detection and Power System Security Control: An Instance-Level Feature Importance Analysis Approach. Applied Sciences. 2021; 11(12):5460. https://doi.org/10.3390/app11125460
Chicago/Turabian StyleRen, Junyu, Li Wang, Shaofan Zhang, Yanchun Cai, and Jinfu Chen. 2021. "Online Critical Unit Detection and Power System Security Control: An Instance-Level Feature Importance Analysis Approach" Applied Sciences 11, no. 12: 5460. https://doi.org/10.3390/app11125460
APA StyleRen, J., Wang, L., Zhang, S., Cai, Y., & Chen, J. (2021). Online Critical Unit Detection and Power System Security Control: An Instance-Level Feature Importance Analysis Approach. Applied Sciences, 11(12), 5460. https://doi.org/10.3390/app11125460

