Next Article in Journal
Aerodynamic Characteristics of New Volleyball for the 2020 Tokyo Olympics
Next Article in Special Issue
Raman Laser Spectrometer: Application to 12C/13C Isotope Identification in CH4 and CO2 Greenhouse Gases
Previous Article in Journal
Study on Passenger Comfort Based on Human–Bus–Road Coupled Vibration
Previous Article in Special Issue
Band-Limited Reference-Free Speckle Spectroscopy: Probing the Fluorescent Media in the Vicinity of the Noise-Defined Threshold
 
 
Font Type:
Arial Georgia Verdana
Font Size:
Aa Aa Aa
Line Spacing:
Column Width:
Background:
Review

Far Off-Resonance Laser Frequency Stabilization Technology

1
School of Instrumentation and Optoelectronics Engineering, Beihang University, 37 Xueyuan Road, Haidian District, Beijing 100191, China
2
Research Institute for Frontier Science, Beihang University, 37 Xueyuan Road, Haidian District, Beijing 100083, China
3
ZHEJIANG LAB, Building 10, China Artificial Intelligence Town, 1818 Wenyi West Road, Hangzhou 310000, China
*
Authors to whom correspondence should be addressed.
Appl. Sci. 2020, 10(9), 3255; https://doi.org/10.3390/app10093255
Submission received: 15 April 2020 / Revised: 2 May 2020 / Accepted: 4 May 2020 / Published: 7 May 2020
(This article belongs to the Special Issue Laser Spectroscopy)

Abstract

In atomic physics experiments, a frequency-stabilized or ‘locked’ laser source is commonly required. Many established techniques are available for locking close to an atomic resonance. However, in many instances, such as atomic magnetometer and magic wavelength optical lattices in ultra-cold atoms, it is desirable to lock the frequency of the laser far away from the resonance. This review presents several far off-resonance laser frequency stabilization methods, by which the frequency of the probe beam can be locked on the detuning as far as several tens of gigahertz (GHz) away from atomic resonance line, and discusses existing challenges and possible future directions in this field.

1. Introduction

In 1958, Townes and Schawlow took the first step on the road to the laser by establishing general physical conditions for light amplification by the stimulated emission of radiation (LASER) [1]. In the 1960s, Theodore H. Maiman ushered in a new age by crossing the threshold of laser oscillation and demonstrated the construction of the world’s first laser [2]. Since then, different types of lasers and laser control technologies have been developed rapidly. Frequency stabilization is an important indicator of lasers, as it is required for high precision. Frequency-stable laser sources are central to several applications, such as gravitational wave detection [3], low-phase-noise microwave generation [4], precision spectroscopy [5], and quantum computation [6].
The essence of frequency stabilization is to maintain the stability of the optical path length of the resonant cavity. Based on the dependence of frequency stabilization on an external reference frequency source, frequency stabilization is divided into passive frequency stabilization and active frequency stabilization. Passive frequency stabilization refers to the maintenance of the cavity length to stabilize the laser frequency by controlling temperature, using complementary cavity materials, and vibration isolation. With poor reproducibility, lasers operating in the passive frequency stabilization mode are generally used in situations where the frequency stabilization and accuracy are not too high. In contrast, active frequency stabilization refers to the selection of a stable frequency reference point. The frequency discriminator provides an error signal when the frequency of the laser deviates from the reference frequency. Then the error signal is fed back into the laser system using the servo system in order to achieve stability. Generally, there are two purposes for locking laser frequency to reference according to the applications. Improving the short-term stability of the laser suppressing the phase noise and reducing the linewidth is one of the two aims. The other is to obtain long-term stability calibrating the frequency of the laser.
Notably, many established active frequency stabilization techniques are available for locking close to an atomic resonance, including frequency-modulation spectroscopy [7], saturated absorption spectroscopy [8], polarization spectroscopy [9], dichroic atomic vapor laser locking (DAVLL) [10], and Sagnac interferometry [11]. Light-atomic interactions offer grand promise for broad range of applications, such as atomic magnetometer [12], cold atoms [13], atomic gyroscopes [14], and other precision measurement and metrology; however, sometimes the frequency of the probe beam should be locked on the detuning as far as several tens of gigahertz away from atomic resonance line. Unfortunately, frequency stabilization at such a large detuning cannot be achieved via the above-mentioned methods.
For several applications, highly stable Fabry–Pérot (F–P) cavity is selected as the reference. F–P cavities and similar resonant optical cavities exhibit excellent frequency discrimination performance, and thus are widely used for the frequency stabilization and tuning of lasers. Common resonant optical cavity-based frequency stabilization techniques include Pound–Drever–Hall (PDH) technique [15,16,17] and tilt-locking [18,19,20]. Moreover, a laser locking technique based on the transfer of the frequency stability from an F–P cavity is useful for applications that require stabilization of lasers at a large-detuned atomic-reference frequency [21]. Like a one-step reduction gear, the optical frequency combs can connect optically to different frequencies. Based on this, frequency transfer using optical frequency combs is also an excellent method for far off-resonance laser stabilization. Recently, the Faraday effect was used for the stabilization of a laser frequency at large detuning from the atomic reference line [22]. It seems feasible to monitor the wavelength in real time using a wavelength meter for far off-resonance laser frequency stabilization. However, the low frequency stability and the high cost of the wavelength meter seriously limit the practical application of this method.
This review presents comprehensively the far off-resonance laser frequency stabilization technologies. The remaining part of the review is structured as follows: Section 2 reveals principles and applications of PDH technique. Section 3 discusses large detuning laser frequency stabilization by using the Faraday effect. In Section 4, far off-resonance frequency locking systems based on transfer cavity are presented. Conclusions and outlook are presented in Section 5.

2. Far Off-Resonance Laser Frequency Stabilization by Pound–Drever–Hall Technique

In 1946, R. V. Pound first reported that microwave oscillators successfully derived stabilization of their frequency from a resonant cavity [23]. In 1983, after Pound’s studies on radio frequency microwave stabilizer, Drever et al. first locked a dye laser and gas laser onto a stable F–P reference interferometer, and jet stream dye lasers could achieve sub-100 Hz linewidth [24]. Subsequently this technique was called Pound–Drever–Hall (PDH) technique.
The PDH technique is based on signals reflected from a stable F–P cavity. A schematic illustration of the PDH technique is presented in Figure 1. A laser beam, the electric field of which is given by   E = E 0 e i ω t , is phase-modulated using an electro–optic modulator (EOM) with a phase modulation frequency of Ω at local oscillator (LO) range and a depth of β . After the beam passes through this EOM, its electric field is given by E = E 0 e i [ ω t + β sin ( Ω t ) ] . When β < 1 , the electric field can be simplified as E = E 0 [ J 0 ( β ) e i ω t + J 1 ( β ) e i ( ω + Ω ) t J 1 ( β ) e i ( ω Ω ) t ] with Bessel functions [15,25]. This indicates the existence of actually three different beams being incident on the cavity: a carrier, with frequency ω ; and two sidebands with frequencies ω ± Ω . Further, the modulated light is incident into an F–P cavity, and the reflected beam from the F–P cavity is sent into a photodetector using a polarizing beam splitter (PBS) and a quarter wave plate ( λ / 4 ). Output of photodetector is compared with the signal of LO via a mixer. The mixer’s output contains signals at both direct current (or very low frequency) and twice the modulation frequency. After passing through a low-pass filter, the frequency discrimination signal (the PDH signal) is obtained as   ε = 2 P c P s I m [ F ( ω ) F * ( ω + Ω ) F * ( ω ) F ( ω Ω ) ] [15,25], which then passes through a servo and into the tuning port on the laser, thus locking the laser to the cavity.
In 1984, Hough et al. mounted the cavity in a cradle on a 5-wire pendulum suspension to minimize vibrational disturbances and locked a ring dye laser to this independent cavity [26]. By heterodyning the light from two such independent systems and studying the fluctuations in the resulting beat frequency spectrum, single laser linewidths of the order of 750 Hz were successfully achieved and this corresponds to a standard Allan variance of about 2.2 × 10 13 with integration time of 1 s. Furthermore, they also investigated a number of other sources of noise such as residual optical feedback from laser light scattered or reflected back into the cavities using external optical components.
In 1992, Day et al. locked two-diode laser-pumped Nd:YAG lasers to an F–P interferometer with a finesse of 27,500, yielding a robust and easily repeatable beat note linewidth of 700 mHz [27].
In 1999, Young et al. at the National Institute of Standards and Technology (NIST) narrowed the linewidth of a 563 nm laser beam to 0.6 Hz by the PDH technique. The fractional frequency instability for the light locked to the cavity was found to be 3 × 10 16 at 1 s [28]. The performance of the previous study on narrow-linewidth lasers was limited by length instability of optical reference cavities due to imperfect vibration isolation. Young et al. isolated the high-finesse ( > 150 , 000 ) F–P cavity, where the spacer between the cavity mirrors was composed of a low-thermal-expansion material. The cavity was protected from vibrational noise by mounting it on an aluminum v-block inside an evacuated chamber. The vacuum chamber was mounted on a passively isolated optical table which was suspended by vertical strands of surgical tubing stretched to ~3 m. The method for vibration reduction was complex and thus hard to realize. In 2004, Webster et al. at National Physical Laboratory (NPL) placed an optical reference cavity on an active vibration isolation platform to reduce external vibration noise [29]. The laser locked by the PDH technique achieved sub-hertz linewidth and relative frequency stability of 10 15 level at 5 s. Since then, commercially passive or active vibration isolation platforms have been adopted for vibration reduction [30,31,32].
Notcutt et al. introduced the first vibration-insensitive optical cavity at the Joint Institute for Laboratory Astrophysics (JILA) in 2005 [33]. Figure 2 shows that it is a vertically-oriented low-expansion glass cavity, and the cavity support points are arranged to be in the symmetry plane between the two mirrors on the cavity ends. Noteworthy, this design takes the advantage of potential constant length distance between the two mirrors by setting the optical axis along the direction of gravity. The acceleration along the direction of gravity causes the compression of the upper part accompanied by stretch of the lower part, which results in an unchanged length of the optical cavity. The associated reduction of the vibration sensitivity of the effective cavity length resulted in a simple and compact reference cavity system for laser stabilization at the level of 1 Hz linewidth. Ludlow et al. at JILA locked a diode laser to the thermal-noise-limited passive optical cavity in vertical mounting configuration by PDH technique [31]. When the resolution band width (RBW) was reduced to 150 mHz, linewidths of 220 mHz could be observed with non-negligible power in low-frequency noise sidebands. Based on the design concept of the vibration-insensitive optical cavity, horizontally-oriented vibration-insensitive optical cavities were also designed similarly through numerically simulations by finite-element analysis [34,35,36].
High frequency-stabilized, narrow-linewidth lasers have been constructed by PDH technique to lock the laser frequencies to the resonance of reference cavities. The frequency stability of a laser which is locked to a reference cavity is dominated by the effective length stability of the reference cavity. To maintain the stability of the cavity length, glass or single crystal silicon with ultra-low thermal expansion coefficient (ULE), vacuum chambers with high temperature stability, special geometry, and mounting configurations for reference cavities were developed for less sensitivity to vibration and temperature fluctuation [32,37,38,39,40].
Thermal noise arises from the Brownian motion, which can be naturally reduced by cooling optical cavities to cryogenic temperature. An optical cavity supported in a vibration-insensitive configuration was designed by Physikalisch-Technische Bundesanstalt (PTB) and JILA. The cavity spacer and mirror substrates made of single-crystal silicon were cooled to 124 K [41]. The thermal-noise-limited frequency instability was estimated to be around 7 × 10 17 . With vibration-insensitive configuration for the optical cavity, a laser at 1.5   μ m was locked to the optical cavity, resulting in a linewidth of less than 40 mHz and a fractional frequency instability of 1 × 10 16 at short timescales in 2012. In 2017, the individual laser linewidth obtained from the phase noise spectrum or the direct beat note between the two lasers was as small as 5 mHz at 194 THz [42].
In PDH technology, a laser is usually locked to the F–P cavity. With a very narrow cavity mode, the high-finesse cavity can reduce the linewidth, suppress the phase noise, and improve the short-term stability of the laser. Narrow-linewidth lasers achieved by the PDH locking technique are central to precision spectroscopy, optical atomic clocks, gravitational wave detection, and tests involving fundamental physics. Longsheng Ma’s group at the East China Normal University is committed to the research on narrow-linewidth lasers and has made some progress [43,44,45]. PDH technology is not only widely used in the field of narrow-linewidth lasers, but also in various types of quantum optical experimental systems [46,47].
The PDH technology offers the advantages such as flexible frequency stabilization range, high frequency stabilization accuracy, narrow linewidth, and high stability. However, vibration isolation, special structural design, and mounting configurations of reference cavities for less sensitivity to environmental vibration, the increase in the length of the reference cavity, glass or single crystal silicon with ULE, cryogenic cooling, and vacuum chambers with high temperature stability to reduce the thermal noise limit increase the cost and difficulty of the experiment.

3. Far Off-Resonance Laser Frequency Stabilization by Using the Faraday Effect

In 1845, Faraday added a piece of glass consisting of a pair of magnetic poles, and interestingly found that the polarization plane of the incident light in the direction of the applied magnetic field was transmitted through the glass. This phenomenon was later called the Faraday effect [48]. The Faraday effect is a magneto-optical phenomenon, in which an electromagnetic wave propagates through a medium and gets affected by the presence of quasi-static magnetic field. This effect can be exploited in alkali metal media. As Figure 3 shows, when a heated alkali metal vapor cell is placed in an axial magnetic field, the magnetic field causes the atoms to undergo Zeeman splitting. The atoms respond differently to left and right circularly polarized components of the linearly polarized light, which results in a rotation of linearly polarized light entering the cell. The rotation angle of the linear polarization plane changes with the laser frequency.
We can use the phenomenon described above to stabilize the laser frequency on the large detuning away from the resonance. Here is a brief description. When the Faraday effect occurs in the alkali metal vapor cell. There is rotation of linearly polarized light in the central frequency band of the atomic resonance region, but the incident light cannot finally pass through the gas cell due to strong resonance absorption. However, in the frequency band far away from resonance, there is both light rotation and incomplete absorption. We can obtain these transmitted lights with different frequencies through the design of the optical path. The peak points of these transmitted light signals are always based on the frequency of the atomic transition line, which can be used as a stable reference. We can lock the laser frequency to these transmission peak frequencies away from the resonance region. Moreover, when the strength of the axial magnetic field or the temperature of the gas chamber increase, the transmission peak will be farther away from the atomic transition line, which means the detuning will increase. Based on the above principles, far off-resonance laser frequency stabilization can be achieved by using the Faraday effect in the alkali metal vapor cell.
In 2009, Siddons et al. studied and analyzed the off-resonance absorption and dispersion of Doppler-broadened atomic media and made approximate calculations to the electric susceptibility of atomic media [49]. On the large detuning away from the resonance, the relative absorption of dispersion dominates the atom–light interaction [50]. In 2011, Kemp et al. proposed an analytical model of off-resonant Faraday rotation in hot alkali metal vapors [51]. The far off-resonant Faraday rotation angle can be determined by using the temperature of the cell and the optical path length. And they proposed a simple model to predict the detuning of the locking points.
Furthermore, in 2011, Marchant et al. proposed a simple technique for stabilization of a laser frequency off resonance by using the Faraday effect in a heated rubidium (Rb) vapor cell with an applied magnetic field [52]. They used the setup shown in Figure 4 to produce the Faraday signal.
In order to lock to a zero crossing in the Faraday signal, they used a home-built locking servo. Finally, they demonstrated stabilization of a 780 nm laser detuned up to 14 GHz from the 85Rb D 2   5 2 S 1 / 2 F = 2 to 5 2 P 3 / 2 F = 3 transition. The locking of the ~6–14 GHz red and blue detuned from resonance can be achieved by adjusting the temperature of the vapor cell and the magnetic field. They obtained a root mean square (rms) fluctuation of 7 MHz over 1 h without stabilization of the cell temperature or magnetic field.
In 2016, Quan et al. proposed a far off-resonance laser frequency stabilization method by using multipass cells in Rb Faraday rotation spectroscopy [22]. Figure 5 exhibits the setup used by them, demonstrating the far off-resonance frequency stabilization method. A Rb cell with a length of 50 mm and a diameter of 25 mm was placed inside a magnet with the same length. The plate beam splitter split the light into two bunches. The optical path length of the transmitted light was L = 50 mm and that of the reflected light was about 2L = 100 mm. They used a servo controller (model of LB1005) to lock to the zero crossings in the Faraday signal.
Experimental results demonstrate that the number of lock points of the reflected light was two more than that of the transmitted light. The red detuning of the first-order zero crossing point of the reflected light is larger than that of the transmitted light. This shows that the detuning of the locking point can be extended to a farther area by increasing the optical path length.
In 2018, Fang et al. presented a far off-resonance laser frequency stabilization method that could adjust the frequency lock points in the range of tens to hundreds of megahertz based on the Faraday rotation spectroscopy [53]. They used the setup shown in Figure 6 to demonstrate the far off-resonance frequency stabilization method. First, the transmitted beam is sent through a half-wave plate and PBS cube, leaving a small proportion of the total output light for the Faraday beam. Then it is combined with the acousto–optic modulator (AOM) to control and move the laser frequency. Furthermore, in order to effectively compensate the deviation from the propagation direction of the first-order diffracted light, a double-pass AOM system is used.
In the experiment, they got the Faraday rotation spectra under large detuning by using a cesium (Cs) cell heated to 130 °C. The AOM-derived radio frequency was 65 MHz. Notably, the Faraday optical rotation spectrum corresponding to the first-order light produced a red shift relative to the original spectrum. Based on this method, the frequency lock point with detuning of −6.2 GHz was precisely shifted by 130 MHz, and they obtained a frequency drift of 3.3 MHz∙h−1 and an rms fluctuation of 0.6 MHz∙h−1.
As a scheme of using the atomic transition frequency as a reference, the main purpose of the Faraday scheme is to improve the long-term stability of the frequency far away from the resonance. The PDH scheme discussed in Section 2 is to find an optical cavity as a reference. Normally, the linewidth of the reference cavity is very narrow, but its center frequency drift is serious, which means the short-term stability of the PDH scheme can be very high [15]. While the center frequency stability of the atomic transition line as a frequency reference is very high, in theory, the Faraday scheme will have an excellent long-term stability [51]. However, we compared the experimental data in the reference, such as frequency drift and fractional frequency instability, and found that the Faraday scheme is worse than the PDH scheme in terms of its short-term stability and long-term stability. We speculate that the main reason for this phenomenon is that the Faraday scheme has extremely high requirements on temperature and magnetic field stability [52], and its frequency stabilization effect is easily affected by temperature and magnetic field.
In addition to being susceptible to temperature and magnetic fields, it is found that the laser frequency stabilization technique in Faraday effect also has other shortcomings. This frequency stabilization scheme requires complex calculations to obtain the temperature corresponding to the desired frequency stabilization point. It takes tens of minutes for the temperature to gradually reach stability, and there are some problems of large hysteresis and poor repeatability. It is difficult to achieve fast and accurate adjustment of the frequency stability. Deepening of the research on far off-resonance laser frequency stabilization by using the Faraday effect has resulted in its continuous improvement. Moreover, the off-resonance Faraday effect also finds applications in high-bandwidth slow-light atomic probes [54], optical isolators [55], and so on.

4. Far Off-Resonance Laser Frequency Stabilization Using Transfer Cavities

The principle of far off-resonance frequency stabilization with a transfer cavity involves locking the length of the F–P cavity with a reference laser that has been stabilized. Then the F–P cavity transmission peak is used to perform laser detuning and frequency stabilization. Noteworthy, by selecting different transmission peaks, the laser can be locked at different detuned frequencies. This method mainly uses the transmissivity of the F–P cavity.
Before the frequency stabilization with the transfer cavity, the method of frequency offset locking is reviewed [56,57].
Barger et al. used an F–P cavity and method of dither locking to stabilize the frequency of a dye laser with a frequency instability at the order of 10 10 [58]. In the dither-lock method, the frequency at the F–P cavity transmission peak was selected as the reference frequency, the different slopes on both sides as the criterion, and the laser frequency was locked with the reference frequency. However, the shortcoming of this method is obvious, i.e., it cannot distinguish between the power jitter and the frequency jitter of the laser, and the former can result in the change of transmitted light intensity. At the same time, the feedback circuit considers it to be a frequency jitter and makes a wrong feedback regulation.
In order to reduce the influence of the power jitter on the frequency stabilization, a frequency offset locking method was proposed. The maximum slope point should theoretically be the lock point; however, the frequency corresponding to half the maximum of the transmitted light intensity is usually selected as the frequency standard because of convenience and similarity [59]. The hypotenuse of the detected transmission curve of the laser passing through the F–P cavity can convert frequency to amplitude. Two photodetectors were used to prevent the laser power jitter from affecting the frequency stabilization. One was used to detect the transmitted light of the selected frequency behind the cavity and the other detected the partial beam of the laser. The input of the servo amplifier corresponded to differential signal between the outputs of two detectors. When the frequency was at the target frequency, the two photocurrents were close to each other. When the frequency was far from the target frequency, the detector outputs were not equal. Thereby, the laser frequency could be controlled to be constant.
In 2009, Li et al. at the State Key Laboratory of Precision Spectroscopy proposed a peak-seeking servo-controlled technology which can be used in laser cavity-enhanced spectroscopy experiments. When the laser frequency is scanned, it can be uninterruptedly locked with resonant frequency of the cavity [60].
In 2012, Zhao et al. at Tsinghua University used a high-finesse F–P cavity to suppress laser phase noise, and its technical block diagram is illustrated in Figure 7. In particular, at the Fourier frequency of 17 kHz (approximately the linewidth of the F–P reference cavity), the laser phase noise was significantly suppressed by more than 92 dB. The full width at half maximum linewidth of the laser was reduced from 7 MHz to 4.4 Hz. In Lorentz fitting, its instantaneous linewidth was 220 MHz [61].
With the development of quantum sensing, stabilization of the laser frequency on the fixed frequency point has been inadequate to meet the requirements. For example, in the spin-exchange relaxation-free atomic magnetometer, the inert gas is filled in the atomic cell. Affected by this pressure, the frequency of pumping light should deviate from the resonance frequency by several GHz. Besides, in order to prevent the ultra-high optical thickness from affecting the detection of the signal-to-noise ratio, far off-resonance of more than 100 GHz is often required [12,22]. Such a large range of detuning cannot be achieved using an AOM or an EOM. Thus, the approach to stabilize far off-resonance frequency via a transfer cavity was explored.
In 2006, Du et al. at the State Key Laboratory of Quantum Optics and Quantum Optics Devices of Shanxi University locked the 852 nm laser to the Fg = 4-Fe = 4, 5 transition of Cs atom, and then locked the reference cavity as a bridge to the stabilized frequency. Then the lasers at 830 and 908 nm were locked to the other longitudinal modes of the reference cavity. The two lasers resonated with the reference cavity at the same time, which realized the stabilization of multiple lasers at different wavelengths through the optical cavity [62].
During the same year, Bohlouli-Zanjani et al. stabilized a transfer cavity using a Radio Frequency (RF) current-modulated diode laser which is injection locked to a 780 nm reference diode laser. A Ti:sapphire ring laser at 960 nm was locked on the optical transfer cavity. The RF modulation frequency could be changed for precise scanning, thereby changing the detuning frequency [63].
In 2011, Qu et al. at the Chinese Academy of Sciences used an ultra-stable laser at 729 nm locked via PDH technology as a reference laser and a scanned F–P cavity as the transmission medium to achieve long-term locking of a 397 nm semiconductor laser. After frequency stabilization, the drift of the 397 nm laser within 1 h was less than 1 MHz, and the Allan variance of 100 s was less than 1 × 10 10 [64].
In 2014, G. Zheng at the State Key Laboratory of Precision Spectroscopy at East China Normal University realized laser frequency stabilization of an optical transfer cavity based on PDH technology. Figure 8 presents the block diagram of the experimental device. The part in the dotted frame is the F–P cavity locked on the laser at 780 nm. The main aim of the part outside the dotted frame is to achieve the frequency locking of the dye laser (718.6 nm) on the F–P cavity [65].
In 2019, Subhankar et al. at NIST stabilized lasers at 556 and 798 nm through optical cavities [66]. For a fixed cavity length, the distance between the transmission peaks corresponds to the free spectral range (FSR). The optical cavity is scanned in the range slightly larger than the FSR to obtain three peaks, with the master–slave–master (M-S-M′) sequence. The frequency of the laser was correlated with the arrival time of the peak and a signal capable of stabilizing the average cavity length, and the slave laser frequency was obtained.
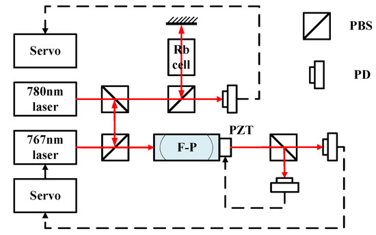
In the same year, Li et al. at the School of Instrumentation and Optoelectronic Engineering proposed a transfer cavity method to transfer laser frequency stability, realizing the far off-resonance of 150 GHz, and the laser frequency drift after stabilization was 1 MHz∙h−1 [67]. The technical block diagram is illustrated in Figure 9. Two lasers were used, one of which was locked on the saturation absorption peak of the 87Rb atom D2 line. The magnitude and direction of the deviation was identified by the control system with the modulation and demodulation algorithm and a DC voltage was output. The PZT was adjusted to control the cavity length. After the stabilization of the cavity length, the target laser was locked by the dither-lock method.
Based on this, during the same year, Li et al. studied the effect of the length of the 50 and 30 mm F–P cavity on the frequency stability. When the cavity length was shorter, the cavity and the control system were less sensitive to external vibration. Moreover, when the cavity length decreased by 40%, the frequency stability of the system increased by approximately one order of magnitude. Furthermore, the cavity length and FSR were observed to be inversely and linearly proportional to the range of laser frequency detuning [21].
With the development of optical processing technology, the finesse of the F–P cavity is significantly increasing, and it can meet the needs of special experiments. However, the transfer cavity frequency stabilization method needs two or more lasers, which increases the volume and the complexity of the optical path. Although the requirements of the F-P cavity are much simpler than those in the PDH, it still requires more design and calculation than some methods. Besides, a laser is stabilized as the reference in an additional approach which should be able to reach a high stability. Those factors limit the scope of the applications.
Another method that uses frequency transmission to stabilize the frequency is an optical frequency comb. Femtosecond laser and optical comb technology have been used in absolute frequency measurement and research on optical clocks [68,69,70,71,72,73]. At present, laser frequency stabilization technology based on optical frequency combs has been able to achieve very good results. In 2001, Ye et al. locked the laser on the transition line of the iodine atom, and the stability was transferred to each comb component in the entire optical octave bandwidth with an accuracy of 3.5 × 10 15 . Moreover, the stability of the optical clock was measured as 4.6 × 10 13 over a year [74]. In 2014, Fordell et al. at the Centre for Metrology and Accreditation used the saturation absorption spectrum of Rb atoms as the frequency standard to lock the laser on the optical comb, and finally, the laser linewidth was in the order of MHz [75]. Moreover, the optical frequency comb is also important for detuning and frequency stabilization. In 2017, C. Li used an optical comb to achieve 1.5 μm laser frequency stabilization with a stability of the order of 10 12 and showed that the method can achieve detuning above 10 GHz [76].

5. Conclusions and Future Perspectives

This review introduces several different techniques for far off-resonance frequency stabilization, each with different characteristics and applications. The PDH frequency stabilization has a flexible frequency stabilization range but strict requirements on optical reference cavities in special geometry shapes, including precise temperature control, vacuum condition, and vibration isolation. The Faraday optical rotation frequency stabilization can realize frequency stabilization far from the resonance line. However, it requires the long-period adjustment of the temperature and encounters the problems of large hysteresis and poor repeatability. The frequency stabilization with a transfer cavity requires at least two lasers, one of which is stabilized as the frequency standard. It could realize off-resonance frequency stabilization at any frequency, but the optical path is complicated. The method of optical frequency comb is insensitive towards external temperature or magnetic field changes because the comb is strictly locked to the frequency standard. Besides, it can achieve large frequency detuning above 10 GHz. However, the large volume and the high cost limit its miniaturization and portability.
These techniques can be optimized from the optical and circuit aspects. In terms of the optical aspects, devices can be miniaturized and integrated. In terms of circuits, by introducing modern intelligent control systems, optimizing PID controllers, and employing digital signal processing technology and LabVIEW processing platforms to optimize the feedback system, a better long-term stability and accuracy can be successfully realized. Moreover, the frequency stabilization systems in this paper are placed in a laboratory environment. If the application is gradually expanded from the laboratory environment to outdoor, even underwater and outer space, environments, it is necessary to develop a portable frequency stabilization system. Through miniaturization, integration, and automation, far off-resonance frequency stabilization technology may have broader application prospects.

Author Contributions

C.L. initiated the manuscript. C.L., Z.Y., Z.X., M.D., and Y.Z. participated in the revision of the manuscript. Y.Z. provided overall supervision. All authors have read and agreed to the published version of the manuscript.

Funding

This work was supported in part by the National Natural Science Foundation of China under Grant 61703025 and Zhejiang Lab under Grant 2019MB0AE03.

Conflicts of Interest

The authors declare no conflict of interest.

References

  1. Schawlow, A.L.; Townes, C.H. Infrared and optical masers. Phys. Rev. 1958, 112, 1940–1949. [Google Scholar] [CrossRef]
  2. Maiman, T.H. Stimulated optical radiation in ruby. Nature 1960, 187, 493–494. [Google Scholar] [CrossRef]
  3. Waldman, S.J. Status of LIGO at the start of the fifth science run. Class. Quantum Gravity 2006, 23, S653–S660. [Google Scholar] [CrossRef]
  4. Fortier, T.M.; Kirchner, M.S.; Quinlan, F.; Taylor, J.; Bergquist, J.C.; Rosenband, T.; Lemke, N.; Ludlow, A.; Jiang, Y.; Oates, C.W.; et al. Generation of ultrastable microwaves via optical frequency division. Nat. Photonics 2011, 5, 425–429. [Google Scholar] [CrossRef]
  5. Rieker, G.B.; Giorgetta, F.R.; Swann, W.C.; Kofler, J.; Zolot, A.M.; Sinclair, L.C.; Baumann, E.; Cromer, C.; Petron, G.; Sweeney, C.; et al. Frequency-comb-based remote sensing of greenhouse gases over kilometer air paths. Optica 2014, 1, 290–298. [Google Scholar] [CrossRef]
  6. Leibfried, D.; Blatt, R.; Monroe, C.; Wineland, D. Quantum dynamics of single trapped ions. Rev. Mod. Phys. 2003, 75, 281–324. [Google Scholar] [CrossRef]
  7. Bjorklund, G.C. Frequency-modulation spectroscopy: A new method for measuring weak absorptions and dispersions. Opt. Lett. 1980, 5, 15–17. [Google Scholar] [CrossRef]
  8. Demtröder, W. Laser Spectroscopy: Basic Concepts and Instrumentation; Springer: Heidelberg, Germany, 1996. [Google Scholar]
  9. Wieman, C.; Hänsch, T.W. Doppler-Free Laser Polarization Spectroscopy. Phys. Rev. Lett. 1976, 36, 1170–1173. [Google Scholar] [CrossRef]
  10. Corwin, K.L.; Lu, Z.T.; Hand, C.F.; Epstein, R.J.; Wieman, C.E. Frequency-stabilized diode laser with the zeeman shift in an atomic vapor. Appl. Opt. 1998, 37, 3295–3298. [Google Scholar] [CrossRef]
  11. Robins, N.P.; Slagmolen, B.J.J.; Shaddock, D.A.; Close, J.D.; Gray, M.B. Interferometric, modulation-free laser stabilization. Opt. Lett. 2002, 27, 1905–1907. [Google Scholar] [CrossRef]
  12. Dang, H.B.; Maloof, A.C.; Romalis, M.V. Ultrahigh sensitivity magnetic field and magnetization measurements with an atomic magnetometer. Appl. Phys. Lett. 2010, 97, 151110.1–151110.3. [Google Scholar] [CrossRef]
  13. Lee, H.J.; Adams, C.S.; Kasevich, M.; Chu, S. Raman cooling of atoms in an optical dipole trap. Phys. Rev. Lett. 1996, 76, 2658–2661. [Google Scholar] [CrossRef] [PubMed]
  14. Fang, J.; Qin, J. Advances in atomic gyroscopes: A view from inertial navigation applications. Sensors 2012, 12, 6331–6346. [Google Scholar] [CrossRef] [PubMed]
  15. Black, E.D. An introduction to Pound–Drever–Hall laser frequency stabilization. Am. J. Phys. 2001, 69, 79–87. [Google Scholar] [CrossRef]
  16. Nakagawa, K.; Shelkovnikov, A.S.; Katsuda, T.; Ohtsu, M. Absolute frequency stability of a diode-laser-pumped Nd:YAG laser stabilized to a high-finesse optical cavity. Appl. Opt. 1994, 33, 6383–6386. [Google Scholar] [CrossRef] [PubMed]
  17. Boyd, R.A.; Bliss, J.L.; Libbrecht, K.G. Teaching physics with 670-nm diode lasers—Experiments with Fabry–Pérot cavities. Am. J. Phys. 1996, 64, 1109. [Google Scholar] [CrossRef]
  18. Slagmolen, B.J.J.; Shaddock, D.A.; Gray, M.B.; McClelland, D.E. Frequency stability of spatial mode interference (tilt) locking. IEEE J. Quantum Electron. 2002, 38, 1521–1528. [Google Scholar] [CrossRef]
  19. Harvey, M.D.; White, A.G. Frequency locking by analysis of orthogonal modes. Opt. Commun. 2003, 221, 163–171. [Google Scholar] [CrossRef][Green Version]
  20. Shaddock, D.A.; Gray, M.B.; Mcclelland, D.E. Frequency locking a laser to an optical cavity by use of spatial mode interference. Opt. Lett. 1999, 24, 1499–1501. [Google Scholar] [CrossRef]
  21. Li, X.; Xu, Z.; Zhai, Y.; Yin, Y.; Ning, X.; Quan, W. Impact analysis of cavity length on transfer cavity frequency locking system for atomic inertial measurement device. AIP Adv. 2020, 10, 015340. [Google Scholar] [CrossRef]
  22. Quan, W.; Li, Y.; Li, R.; Shang, H.; Fang, Z.; Qin, J.; Wan, S. Far off-resonance laser frequency stabilization using multipass cells in Faraday rotation spectroscopy. Appl. Opt. 2016, 55, 2503–2507. [Google Scholar] [CrossRef]
  23. Pound, R.V. Electronic frequency stabilization of microwave oscillators. AIP Rev. Sci. Instrum. 1946, 17, 490–505. [Google Scholar] [CrossRef] [PubMed]
  24. Drever, R.W.P.; Hall, J.L.; Kowalski, F.V.; Hough, J.; Ford, G.M.; Munley, A.J.; Ward, H. Laser phase and frequency stabilization using an optical resonator. Appl. Phys. B Photophys. Laser Chem. 1983, 31, 97–105. [Google Scholar] [CrossRef]
  25. Black, E. Notes on Pound–Drever–Hall Technique. LIGO Tech. Notes 2008, 16, 1945–1950. [Google Scholar]
  26. Hough, J.; Hils, D.; Rayman, M.D.; Ma, L.S.; Hollberg, L.; Hall, J.L. Dye-laser frequency stabilization using optical resonators. Appl. Phys. B Photophys. Laser Chem. 1984, 33, 179–185. [Google Scholar] [CrossRef]
  27. Day, T.; Gustafson, E.K.; Byer, R.L. Sub-hertz relative frequency stabilization of two-diode laser-pumped nd:yag lasers locked to a Fabry-Pérot interferometer. IEEE J. Quantum Electron. 1992, 28, 1106–1117. [Google Scholar] [CrossRef]
  28. Young, B.C.; Cruz, F.C.; Itano, W.M.; Bergquist, J.C. Visible lasers with subhertz linewidths. Phys. Rev. Lett. 1999, 82, 3799–3802. [Google Scholar] [CrossRef]
  29. Webster, S.A.; Oxborrow, M.; Gill, P. Subhertz-linewidth Nd:YAG laser. Opt. Lett. 2004, 29, 1497–1499. [Google Scholar] [CrossRef]
  30. Jiang, Y.; Fang, S.; Bi, Z.; Xu, X.; Ma, L. Nd:YAG lasers at 1064 nm with 1-Hz linewidth. Appl. Phys. B 2010, 98, 61–67. [Google Scholar] [CrossRef]
  31. Ludlow, A.D.; Huang, X.; Notcutt, M.; Zanon-Willette, T.; Foreman, S.M.; Boyd, M.M.; Blatt, S.; Ye, J. Compact, thermal-noise-limited optical cavity for diode laser stabilization at 1×10-15. Opt. Lett. 2007, 32, 641–643. [Google Scholar] [CrossRef]
  32. Alnis, J.; Matveev, A.; Kolachevsky, N.; Udem, T.; Hänsch, T.W. Subhertz linewidth diode lasers by stabilization to vibrationally and thermally compensated ultralow-expansion glass Fabry-Pérot cavities. Phys. Rev. A 2008, 77, 053809. [Google Scholar] [CrossRef]
  33. Notcutt, M.; Ma, L.S.; Ye, J.; Hall, J.L. Simple and compact 1-Hz laser system via an improved mounting configuration of a reference cavity. Opt. Lett. 2005, 30, 1815–1817. [Google Scholar] [CrossRef] [PubMed]
  34. Webster, S.A.; Oxborrow, M.; Gill, P. Vibration insensitive optical cavity. Phys. Rev. A 2007, 75, 10064–10070. [Google Scholar] [CrossRef]
  35. Millo, J.; Magalhaes, D.V.; Mandache, C.; Coq, Y.L.; English, E.M.L.; Westergaard, P.G.; Lodewyck, J.; Bize, S.; Lemonde, P.; Santarelli, G. Ultrastable lasers based on vibration insensitive cavities. Phys. Rev. A 2009, 79, 053829. [Google Scholar] [CrossRef]
  36. Zhao, Y.N.; Zhang, J.; Stejskal, A.; Liu, T.; Elman, V.; Lu, Z.H.; Wang, L.J. A vibration-insensitive optical cavity and absolute determination of its ultrahigh stability. Opt. Express 2009, 17, 8970–8982. [Google Scholar] [CrossRef]
  37. Numata, K.; Kemery, A.; Camp, J. Thermal-noise limit in the frequency stabilization of lasers with rigid cavities. Phys. Rev. Lett. 2004, 93, 250602.1–250602.4. [Google Scholar] [CrossRef]
  38. Chen, L.; Hall, J.L.; Ye, J.; Yang, T.; Zang, E.; Li, T. Vibration-induced elastic deformation of Fabry-Pérot cavities. Phys. Rev. A 2006, 74, 053801. [Google Scholar] [CrossRef]
  39. Dai, X.; Jiang, Y.; Hang, C.; Bi, Z.; Ma, L. Thermal analysis of optical reference cavities for low sensitivity to environmental temperature fluctuations. Opt. Express 2015, 23, 5134–5146. [Google Scholar] [CrossRef]
  40. Yu, J.; Qin, Y.; Yan, Z.; Lu, H.; Jia, X. Improvement of the intensity noise and frequency stabilization of Nd:YAP laser with an ultra-low expansion Fabry-Pérot cavity. Opt. Express 2019, 27, 3247–3254. [Google Scholar] [CrossRef]
  41. Kessler, T.; Hagemann, C.; Grebing, C.; Legero, T.; Sterr, U.; Riehle, F.; Martin, M.J.; Chen, L.; Ye, J. A sub-40-mHz-linewidth laser based on a silicon single-crystal optical cavity. Nat. Photonics 2012, 6, 687–692. [Google Scholar] [CrossRef]
  42. Matei, D.G.; Legero, T.; Hafner, S.; Grebing, C.; Weyrich, R.; Zhang, W.; Sonderhouse, L.; Robinson, J.M.; Ye, J.; Riehle, F.; et al. 1.5 μm Lasers with Sub-10 mHz Linewidth. Phys. Rev. Lett. 2017, 118, 263202. [Google Scholar] [CrossRef] [PubMed]
  43. Chen, H.; Jiang, Y.; Fang, S.; Bi, Z.; Ma, L. Frequency stabilization of Nd:YAG lasers with a most probable linewidth of 0.6 Hz. J. Opt. Soc. Am. B 2013, 30, 1546–1550. [Google Scholar] [CrossRef]
  44. Bian, W.; Huang, Y.; Guan, H.; Liu, P.; Ma, L.; Gao, K. 1 Hz linewidth Ti:sapphire laser as local oscillator for 40Ca+ optical clocks. Rev. Sci. Instrum. 2016, 87, 063121. [Google Scholar] [CrossRef]
  45. Wu, L.; Jiang, Y.; Ma, C.; Qi, W.; Yu, H.; Bi, Z.; Ma, L. 0.26-Hz-linewidth ultrastable lasers at 1557 nm. Sci. Rep. 2016, 6, 24969. [Google Scholar] [CrossRef] [PubMed]
  46. Feng, J.; Wan, Z.; Li, Y.; Zhang, K. Generation of 8.3 dB continuous variable quantum entanglement at a telecommunication wavelength of 1550 nm. Laser Phys. Lett. 2018, 15, 015209. [Google Scholar]
  47. Deng, X.; Xiang, Y.; Tian, C.; Adesso, G.; He, Q.; Gong, Q.; Su, X.; Xie, C.; Peng, K. Demonstration of monogamy relations for Einstein-Podolsky-Rosen steering in Gaussian cluster states. Phys. Rev. Lett. 2017, 118, 230501. [Google Scholar] [CrossRef]
  48. Budker, D.; Gawlik, W.; Kimball, D.F.; Rochester, S.M.; Yashchuk, V.V.; Weis, A. Resonant nonlinear magneto-optical effects in atoms. Rev. Mod. Phys. 2002, 74, 1153–1201. [Google Scholar] [CrossRef]
  49. Siddons, P.; Adams, C.S.; Hughes, I.G. Off-resonance absorption and dispersion in vapours of hot alkali-metal atoms. J. Phys. B At. Mol. Opt. Phys. 2009, 42, 175004. [Google Scholar] [CrossRef]
  50. Siddons, P.; Adams, C.S.; Ge, C.; Hughes, I.G. Absolute absorption on rubidium D lines: Comparison between theory and experiment. J. Phys. B At. Mol. Opt. Phys. 2008, 41, 155004. [Google Scholar] [CrossRef]
  51. Kemp, S.L.; Hughes, I.G.; Cornish, S.L. An analytical model of off-resonant Faraday rotation in hot alkali metal vapours. J. Phys. B At. Mol. Opt. Phys. 2011, 44, 235004. [Google Scholar] [CrossRef][Green Version]
  52. Marchant, A.L.; Händel, S.; Wiles, T.P.; Hopkins, S.A.; Adams, C.S.; Cornish, S.L. Off resonance laser frequency stabilization using the Faraday effect. Opt. Lett. 2011, 36, 64–66. [Google Scholar] [CrossRef] [PubMed]
  53. Fang, Z.; Quan, W.; Zhai, Y. Off-resonance laser frequency stabilization method for fast and accurate adjustment of frequency lock points. J. Beijing Univ. Aeronaut. Astronaut. 2018, 44, 1727–1732. [Google Scholar]
  54. Siddons, P.; Bell, N.C.; Cai, Y.; Adams, C.S.; Hughes, I.G. A gigahertz-bandwidth atomic probe based on the slow-light Faraday effect. Nat. Photonics 2009, 3, 225–229. [Google Scholar] [CrossRef]
  55. Weller, L.; Kleinbach, K.S.; Zentile, M.A.; Knappe, S.; Hughes, I.G.; Adams, C.S. An optical isolator using an atomic vapor in the hyperfine Paschen–Back regime. Opt. Lett. 2012, 37, 3405. [Google Scholar] [CrossRef]
  56. Helmcke, J.; Lee, S.A.; Hall, J.L. Dye laser spectrometer for ultrahigh spectral resolution: Design and performance. Appl. Opt. 1982, 21, 1686–1694. [Google Scholar] [CrossRef]
  57. Fritschel, P.; Jeffries, A.; Kane, T.J. Frequency fluctuations of a diode-pumped Nd:YAG ring laser. Opt. Lett. 1989, 14, 993–995. [Google Scholar] [CrossRef]
  58. Barger, R.L.; Sorem, M.S.; Hall, J.L. Frequency stabilization of a cw dye laser. Appl. Phys. Lett. 1973, 22, 573–575. [Google Scholar] [CrossRef]
  59. Sun, X.; Chen, W. Theoretical study on laser frequency stabilization in reference to Fabry-Pérot cavity. Acta Photonica Sin. 2007, 36, 2219–2222. [Google Scholar]
  60. Li, C.; Deng, L.; Yang, X.; Chen, Y. External optical cavity locked by laser frequency. Acta Opt. Sin. 2009, 29, 2822–2825. [Google Scholar]
  61. Zhao, Y.; Wang, Q.; Meng, F.; Lin, Y.; Wang, S.; Li, Y.; Lin, B.; Cao, S.; Cao, J.; Fang, Z.; et al. High-finesse cavity external optical feedback DFB laser with hertz relative linewidth. Opt. Lett. 2012, 37, 4729–4731. [Google Scholar] [CrossRef]
  62. Du, Z.; Zhang, Y.; Wang, X.; Yan, S.; Zhang, T.; Wang, J. Locking multiple wavelength lasers to the transition of Cesium atoms by using a Fabry-Pérot transfer cavity. Acta Opt. Sin. 2006, 26, 452–457. [Google Scholar]
  63. Bohlouli-Zanjani, P.; Afrousheh, K.; Martin, J.D.D. Optical transfer cavity stabilization using current-modulated injection-locked diode lasers. Rev. Sci. Instrum. 2006, 77, 093105. [Google Scholar] [CrossRef]
  64. Qu, W.; Huang, Y.; Guan, H.; Huang, X.; Gao, K. 397nm semiconductor laser stabilized with scanning transfer cavity. Chin. J. Lasers 2011, 38, 0802008. [Google Scholar]
  65. Zheng, G. Laser Frequency Stabilization Used by Optical Transfer Cavity Based on PDH Technique; East China Normal University: Shanghai, China, 2014. [Google Scholar]
  66. Subhankar, S.; Restelli, A.; Wang, Y.; Rolston, S.L.; Porto, J.V. Microcontroller based scanning transfer cavity lock for long-term laser frequency stabilization. Rev. Sci. Instrum. 2019, 90, 043115. [Google Scholar] [CrossRef]
  67. Li, X.; Li, X.; Quan, W. Laser frequency stabilization transmission method based on an F-P cavity. J. Beijing Univ. Aeronaut. Astronaut. 2019, 45, 841–846. [Google Scholar]
  68. Udem, T.; Reichert, J.; Holzwarth, R.; Hänsch, T.W. Absolute optical frequency measurement of the cesium D1 line with a mode-locked laser. Phys. Rev. Lett. 1999, 82, 3568–3571. [Google Scholar] [CrossRef]
  69. Diddams, S.A.; Jones, D.J.; Ye, J.; Cundiff, S.T.; Hall, J.L.; Ranka, J.K.; Windeler, R.S.; Holzwarth, R.; Udem, T.; Hänsch, T.W. Direct link between microwave and optical frequencies with a 300 thz femtosecond laser comb. Phys. Rev. Lett. 2000, 84, 5102–5105. [Google Scholar] [CrossRef]
  70. Diddams, S.A.; Udem, T.; Bergquist, J.C.; Curtis, E.A.; Drullinger, R.E.; Hollberg, L.; Itano, W.M.; Lee, W.D.; Oates, C.W.; Vogel, K.R.; et al. An optical clock based on a single trapped 199Hg+ ion. Science 2001, 293, 825–828. [Google Scholar] [CrossRef]
  71. Ma, L.; Zucco, M.; Picard, S.; Robertsson, L.; Windeler, R.S. A new method to determine the absolute mode number of a mode-locked femtosecond-laser comb used for absolute optical frequency measurements. IEEE J. Sel. Top. Quantum Electron. 2003, 9, 1066–1071. [Google Scholar]
  72. Diddams, S.A.; Jones, D.J.; Ye, J.; Cundiff, S.T.; Hall, J.L.; Ranka, J.K.; Windeler, R.S. Direct rf to optical frequency measurements with a femtosecond laser comb. IEEE Trans. Instrum. Meas. 2001, 50, 552–555. [Google Scholar] [CrossRef]
  73. Cundiff, S.T.; Ye, J. Colloquium: Femtosecond optical frequency comb. Rev. Mod. Phys. 2003, 75, 325–342. [Google Scholar] [CrossRef]
  74. Ye, J.; Ma, L.; Hall, J.L. Molecular iodine clock. Phys. Rev. Lett. 2001, 87, 270801.1–270801.4. [Google Scholar] [CrossRef] [PubMed]
  75. Fordell, T.; Wallin, A.E.; Lindvall, T.; Vainio, M.; Merimaa, M. Frequency-comb-referenced tunable diode laser spectroscopy and laser stabilization applied to laser cooling. Appl. Opt. 2014, 53, 7476–7482. [Google Scholar] [CrossRef] [PubMed]
  76. Li, C. Study of Laser Frequency Stabilization Based on Erbium-Doped Fiber Femtosecond Optical Frequency Comb; China Jiliang University: Hangzhou, China, 2017. [Google Scholar]
Figure 1. Schematic illustration of the PDH technique. PDH: Pound–Drever–Hall; EOM: electro–optic modulator; PBS: polarizing beam splitter; λ / 4 : quarter wave plate; and F–P: Fabry–Pérot.
Figure 1. Schematic illustration of the PDH technique. PDH: Pound–Drever–Hall; EOM: electro–optic modulator; PBS: polarizing beam splitter; λ / 4 : quarter wave plate; and F–P: Fabry–Pérot.
Applsci 10 03255 g001
Figure 2. Schematic of a vertical vibration-insensitive optical cavity. (Figure reproduced from [33]).
Figure 2. Schematic of a vertical vibration-insensitive optical cavity. (Figure reproduced from [33]).
Applsci 10 03255 g002
Figure 3. Rotation of polarization plane of light, as it travels through a heated alkali metal vapor cell placed in a magnetic field.
Figure 3. Rotation of polarization plane of light, as it travels through a heated alkali metal vapor cell placed in a magnetic field.
Applsci 10 03255 g003
Figure 4. Experimental setup. PBS: polarizing beam splitter; λ / 2 : half wave plate; PD: photo detector. (Figure reproduced from [52]).
Figure 4. Experimental setup. PBS: polarizing beam splitter; λ / 2 : half wave plate; PD: photo detector. (Figure reproduced from [52]).
Applsci 10 03255 g004
Figure 5. Experimental setup. PBS: polarizing beam splitter; λ / 2 : half wave plate; PD: photo detector; BS: plate beam splitter. (Figure reproduced from [22]).
Figure 5. Experimental setup. PBS: polarizing beam splitter; λ / 2 : half wave plate; PD: photo detector; BS: plate beam splitter. (Figure reproduced from [22]).
Applsci 10 03255 g005
Figure 6. Experimental setup. PBS: polarizing beam splitter; λ / 2 : half wave plate; PD: photo detector; Double-pass AOM system: a system consists of acousto–optic modulator, quarter wave plate, plano-convex mirror and reflector; ECDL: an external cavity diode laser at 852 nm. (Figure reproduced from [53]).
Figure 6. Experimental setup. PBS: polarizing beam splitter; λ / 2 : half wave plate; PD: photo detector; Double-pass AOM system: a system consists of acousto–optic modulator, quarter wave plate, plano-convex mirror and reflector; ECDL: an external cavity diode laser at 852 nm. (Figure reproduced from [53]).
Applsci 10 03255 g006
Figure 7. Scheme of the narrow linewidth laser setup. EOM: electro–optic modulator; PBS: polarizing beam splitter; PD: photo detector; PZT: piezoelectric transducer. (Figure reproduced from [61]).
Figure 7. Scheme of the narrow linewidth laser setup. EOM: electro–optic modulator; PBS: polarizing beam splitter; PD: photo detector; PZT: piezoelectric transducer. (Figure reproduced from [61]).
Applsci 10 03255 g007
Figure 8. Schematic illustration of the frequency stabilization system with a transfer cavity. EOM: electro–optic modulator; AOM: acousto–optic modulator; PBS: polarizing beam splitter; PD: photo detector; PZT: piezoelectric transducer. (Figure reproduced from [65]).
Figure 8. Schematic illustration of the frequency stabilization system with a transfer cavity. EOM: electro–optic modulator; AOM: acousto–optic modulator; PBS: polarizing beam splitter; PD: photo detector; PZT: piezoelectric transducer. (Figure reproduced from [65]).
Applsci 10 03255 g008
Figure 9. Block diagram of frequency stabilization experimental system. PBS: polarizing beam splitter; PD: photo detector; PZT: piezoelectric transducer. (Figure reproduced from [67]).
Figure 9. Block diagram of frequency stabilization experimental system. PBS: polarizing beam splitter; PD: photo detector; PZT: piezoelectric transducer. (Figure reproduced from [67]).
Applsci 10 03255 g009

Share and Cite

MDPI and ACS Style

Liu, C.; Yue, Z.; Xu, Z.; Ding, M.; Zhai, Y. Far Off-Resonance Laser Frequency Stabilization Technology. Appl. Sci. 2020, 10, 3255. https://doi.org/10.3390/app10093255

AMA Style

Liu C, Yue Z, Xu Z, Ding M, Zhai Y. Far Off-Resonance Laser Frequency Stabilization Technology. Applied Sciences. 2020; 10(9):3255. https://doi.org/10.3390/app10093255

Chicago/Turabian Style

Liu, Chang, Ziqian Yue, Zitong Xu, Ming Ding, and Yueyang Zhai. 2020. "Far Off-Resonance Laser Frequency Stabilization Technology" Applied Sciences 10, no. 9: 3255. https://doi.org/10.3390/app10093255

APA Style

Liu, C., Yue, Z., Xu, Z., Ding, M., & Zhai, Y. (2020). Far Off-Resonance Laser Frequency Stabilization Technology. Applied Sciences, 10(9), 3255. https://doi.org/10.3390/app10093255

Note that from the first issue of 2016, this journal uses article numbers instead of page numbers. See further details here.

Article Metrics

Back to TopTop