Active Vibration Isolation of a Diesel Generator in a Small Marine Vessel: An Experimental Study
Abstract
1. Introduction
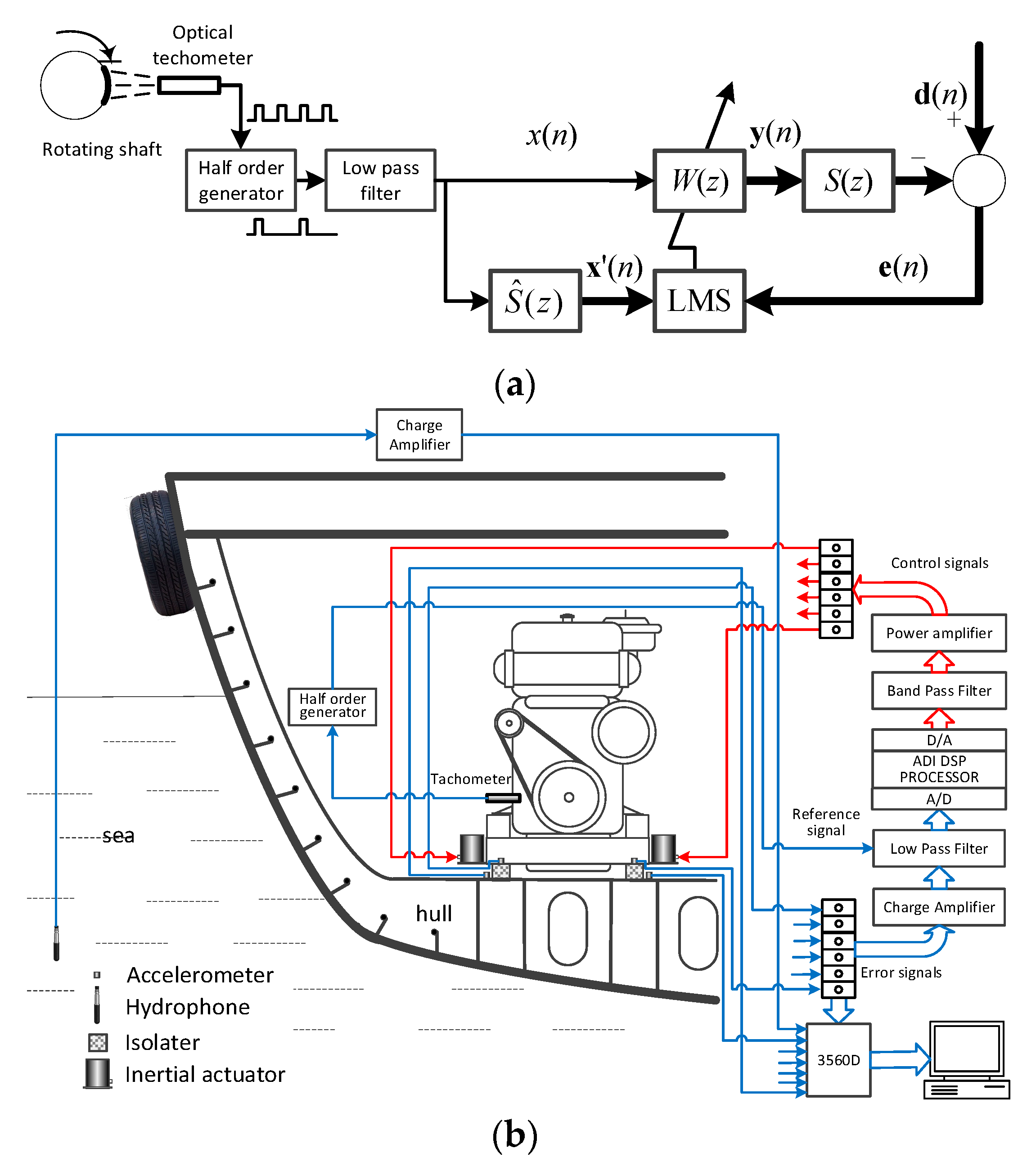
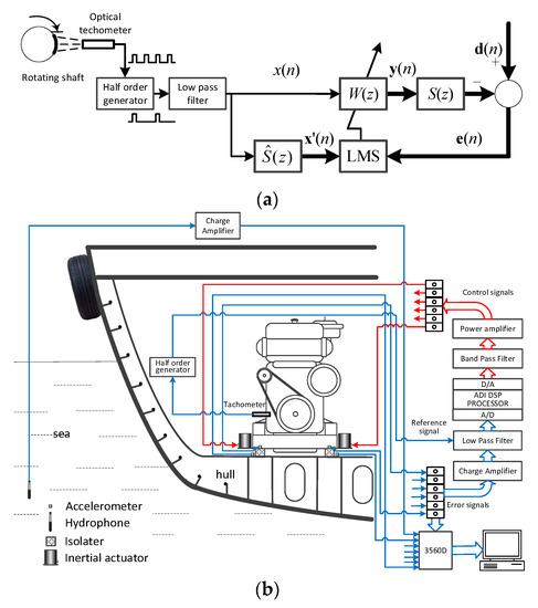
2. The Active Vibration Isolation System
2.1. System Layout
2.2. Control System
3. Results and Discussion
4. Conclusions
Author Contributions
Funding
Conflicts of Interest
References
- Crocker, M.J. Handbook of Noise and Vibration Control; John Wiley & Sons, Inc.: Hoboken, NJ, USA, 2007; pp. 1216–1232. [Google Scholar]
- Winberg, M.; Hansen, C.; Claesson, I.; Li, X. Active Control of Engine Vibration in a Collins Class Submarine; Blekinge Institute of Technology Research Report No 2003:11; Blekinge Institute of Technology: Karlskrona, Sweden, 2003. [Google Scholar]
- Mitsuhashi, K.; Biwa, T.; Mizuhara, S.; Sugiura, K. Application of active vibration isolating system to diesel engine mounting. In Proceedings of the 18th International Congress on Combustion Engines, Diesel Engines, Tianjin, China, 5–8 June 1989; Volume 281–300. [Google Scholar]
- Day, M.J.; Randall, R.J.; Ratcliffe, C.P.; Rider, E. Reducing the vibrations caused by a marine diesel generator set. Proc. Inst. Mech. Eng. Part C J. Mech. Eng. 1993, 207, 375–381. [Google Scholar] [CrossRef]
- Yang, T. Active Vibration Isolation Technique for Diesel Plant. Ph.D. Thesis, Harbin Engineering University, Harbin, China, 2001. [Google Scholar]
- Yang, T.; Zhang, X.; Xiao, Y.; Huang, J.; Liu, Z. Adaptive vibration isolation system for marine engine. J. Mar. Sci. Appl. 2004, 3, 30–35. [Google Scholar] [CrossRef]
- Moriyuki, S.; Eiichi, Y.; Kubota, T.; Wada, H.; Sakurai, H. Active vibration isolation of a diesel engine generator with linear voice coil motors. In Proceedings of the 24th CIMAC Congress on Combustion Engines, Kyoto, Japan, 7–11 June 2004. [Google Scholar]
- Winberg, M.; Johansson, M.; Håkansson, L.; Claesson, I.; Lagö, T. Active vibration isolation in ships: A pre-analysis of sound and vibration problem. Int. J. Acoust. Vib. 2005, 10, 175–196. [Google Scholar] [CrossRef]
- Li, Y.; He, L.; Shuai, C.; Ni, Y. Vibration isolation technology for ship machinery using electromagnetic actuator and air spring. Acta Acust. 2015, 40, 751–760. [Google Scholar]
- Daley, S.; Johnson, F.A.; Pearson, J.B.; Dixon, R. Active control for marine applications. Control Eng. Pract. 2000, 12, 465–474. [Google Scholar] [CrossRef]
- Orivuori, J.; Zazas, I.; Daley, S. Active control of frequency varying disturbances in a diesel engine. Control Eng. Pract. 2012, 20, 1206–1219. [Google Scholar] [CrossRef]
- Sumali, H.; Cudney, H.H. An active engine mount with a piezoelectric stacked actuator. In Proceedings of the 35th Structures, Structural Dynamics, and Materials Conference, Hilton Head, SC, USA, 18–20 April 1994. [Google Scholar]
- Matthias, M.; Friedmann, A.; Koch, T.; Drögemüller, T. Active mounts for marine application: The BMBF research project: Active aggregate mounts to reduce structure vibrations and structure-borne sound transmission. In Proceedings of the Active and Passive Smart Structures and Integrated Systems, San Diego, CA, USA, 19–22 March 2007. [Google Scholar]
- Matthias, M.; Mayer, D.; Herold, S. Active mounts for marine application: The BMWi research project, Active aggregate mounts to reduce structure vibrations and structure borne sound transmission. In Proceedings of the 11th International Conference on New Actuators (Actuator 2008), Bremen, Germany, 9–11 June 2008. [Google Scholar]
- Garcia-Bonito, J.; Brennan, M.J.; Elliott, S.J.; David, A.; Pinnington, R.J. A novel high displacement piezoelectric actuator for active vibration control. Smart Mater. Struct. 2008, 7, 31–42. [Google Scholar] [CrossRef]
- Mayer, D.; Herold, S.; Stücklschwaiger, W.; Thomann, S.; Zhang, C. Realisation and test of an active engine mount system for automotive applications. In Proceedings of the 5th International Styrian Noise, Vibration & Harshness Congress, Graz, Austria, 4–6 June 2008. [Google Scholar]
- Herold, S.; Kraus, R.; Millitzer, J.; Rue, G. Vibration control of a medium-sized vehicle by a novel active engine mount. In Proceedings of the 4th PT PIESA Symposium, Nuremberg, Germany, 26–27 March 2013. [Google Scholar]
- Liu, Z.; Yang, T.; Du, J.; Liu, X.; Jin, G.; Suai, Z.; Li, W. Active vibration isolation system for diesel engine. In Proceedings of the 37th International Congress and Exhibition on Noise Control Engineering (INTER-NOISE 2008), Shanghai, China, 26–29 October 2008. [Google Scholar]
- Xiao, B. Study on Active Isolation Technology for Diesel Two-Stage Vibration Isolation Mounting. Ph.D. Thesis, Harbin Engineering University, Harbin, China, 2008. [Google Scholar]
- Yang, T.; Suai, Z.; Sun, Y.; Zhu, M.; Xiao, Y.; Liu, X.; Du, J.; Jin, G.; Liu, Z. An active vibration isolation system for a diesel engine. Noise Control Eng. J. 2012, 60, 267–282. [Google Scholar] [CrossRef]
- Active Control Systems of Noise and Vibrations. Available online: https://www.paulstra-industry.com/upload/product/documentation/supports-actifs-uk.pdf (accessed on 22 January 2020).
- Yang, T.; Shi, H.; Li, X.; Zhu, M.; Wu, G.; Liu, Z. One active isolation system for marine machine based on smart isolators. J. Vib. Eng. 2017, 30, 167–176. [Google Scholar]
- Yang, T.; Sun, Y.; Zhou, L.; Brennan, M.J.; Liu, Z. Practical demonstration of a large-scale active vibration isolation system. Case Stud. Mech. Syst. Signal Process. 2015, 1, 32–37. [Google Scholar] [CrossRef][Green Version]
- Yang, T.; Li, X.; Zhu, M.; Du, J.; Liu, X.; Liu, Z. Experimental investigation of active vibration control for diesel engine generators in marine applications. J. Vib. Eng. 2013, 26, 160–168. [Google Scholar]
- Yang, T.; Du, J.; Zhu, M.; Liu, X.; Liu, Z. Active vibration isolation for a diesel engine generator in marine application. In Proceedings of the 27th CIMAC Congress, Shanghai, China, 13–16 May 2013. [Google Scholar]
- Burgess, J. Active adaptive sound control in a duct: A computer simulation. J. Acoust. Soc. Am. 1981, 70, 715–726. [Google Scholar] [CrossRef]









© 2020 by the authors. Licensee MDPI, Basel, Switzerland. This article is an open access article distributed under the terms and conditions of the Creative Commons Attribution (CC BY) license (http://creativecommons.org/licenses/by/4.0/).
Share and Cite
Yang, T.; Wu, L.; Li, X.; Zhu, M.; Brennan, M.J.; Liu, Z. Active Vibration Isolation of a Diesel Generator in a Small Marine Vessel: An Experimental Study. Appl. Sci. 2020, 10, 3025. https://doi.org/10.3390/app10093025
Yang T, Wu L, Li X, Zhu M, Brennan MJ, Liu Z. Active Vibration Isolation of a Diesel Generator in a Small Marine Vessel: An Experimental Study. Applied Sciences. 2020; 10(9):3025. https://doi.org/10.3390/app10093025
Chicago/Turabian StyleYang, Tiejun, Lei Wu, Xinhui Li, Minggang Zhu, Michael J. Brennan, and Zhigang Liu. 2020. "Active Vibration Isolation of a Diesel Generator in a Small Marine Vessel: An Experimental Study" Applied Sciences 10, no. 9: 3025. https://doi.org/10.3390/app10093025
APA StyleYang, T., Wu, L., Li, X., Zhu, M., Brennan, M. J., & Liu, Z. (2020). Active Vibration Isolation of a Diesel Generator in a Small Marine Vessel: An Experimental Study. Applied Sciences, 10(9), 3025. https://doi.org/10.3390/app10093025
