A High-Power-Factor Dimmable LED Driver with Integrated Boost Converter and Half-Bridge-Topology Converter
Abstract
1. Introduction
2. Proposed Circuit Configuration and Operation Analysis
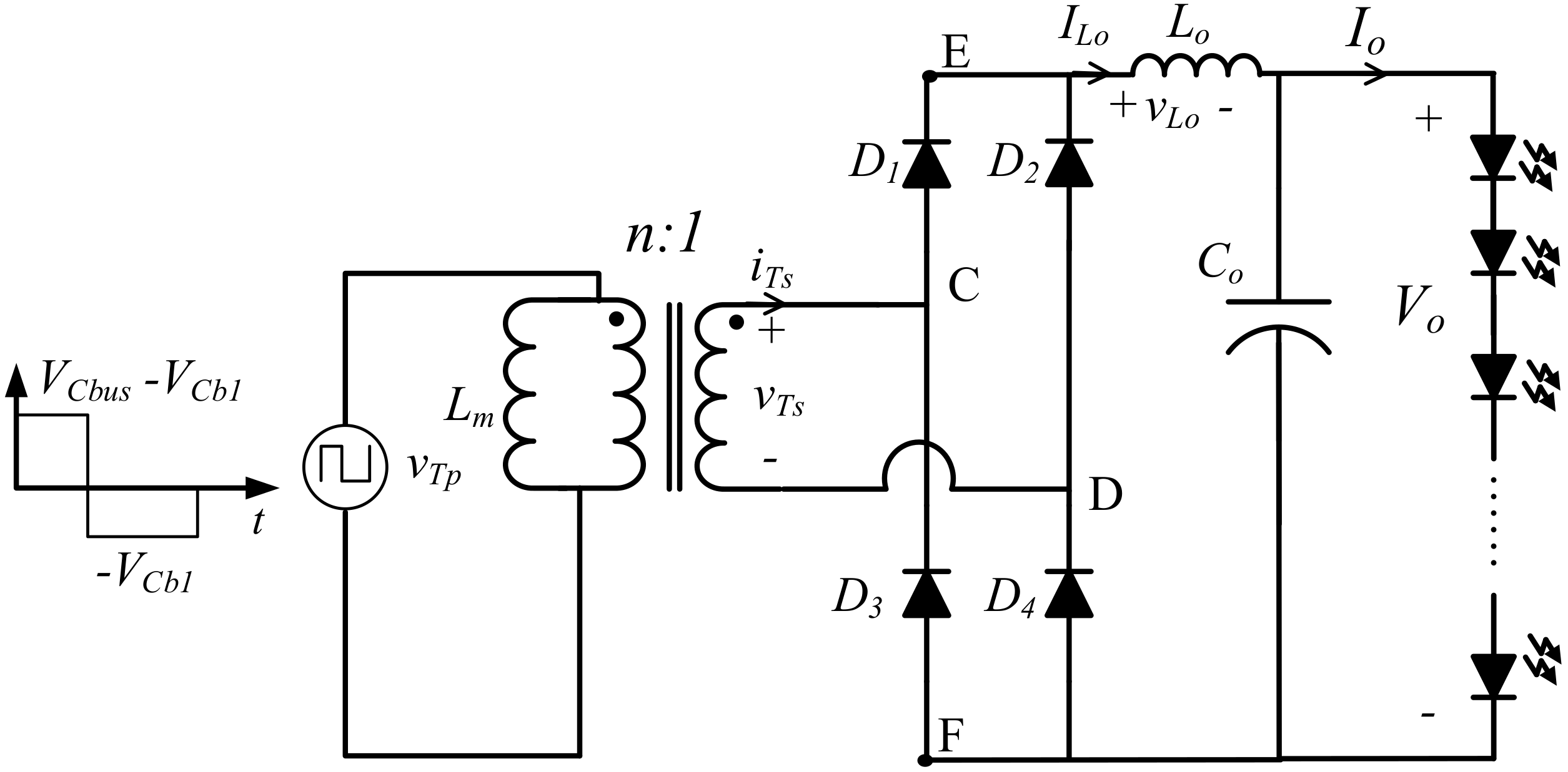
2.1. Circuit Topology
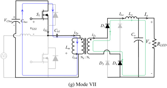
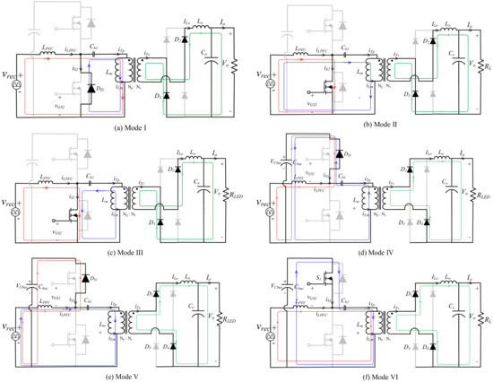
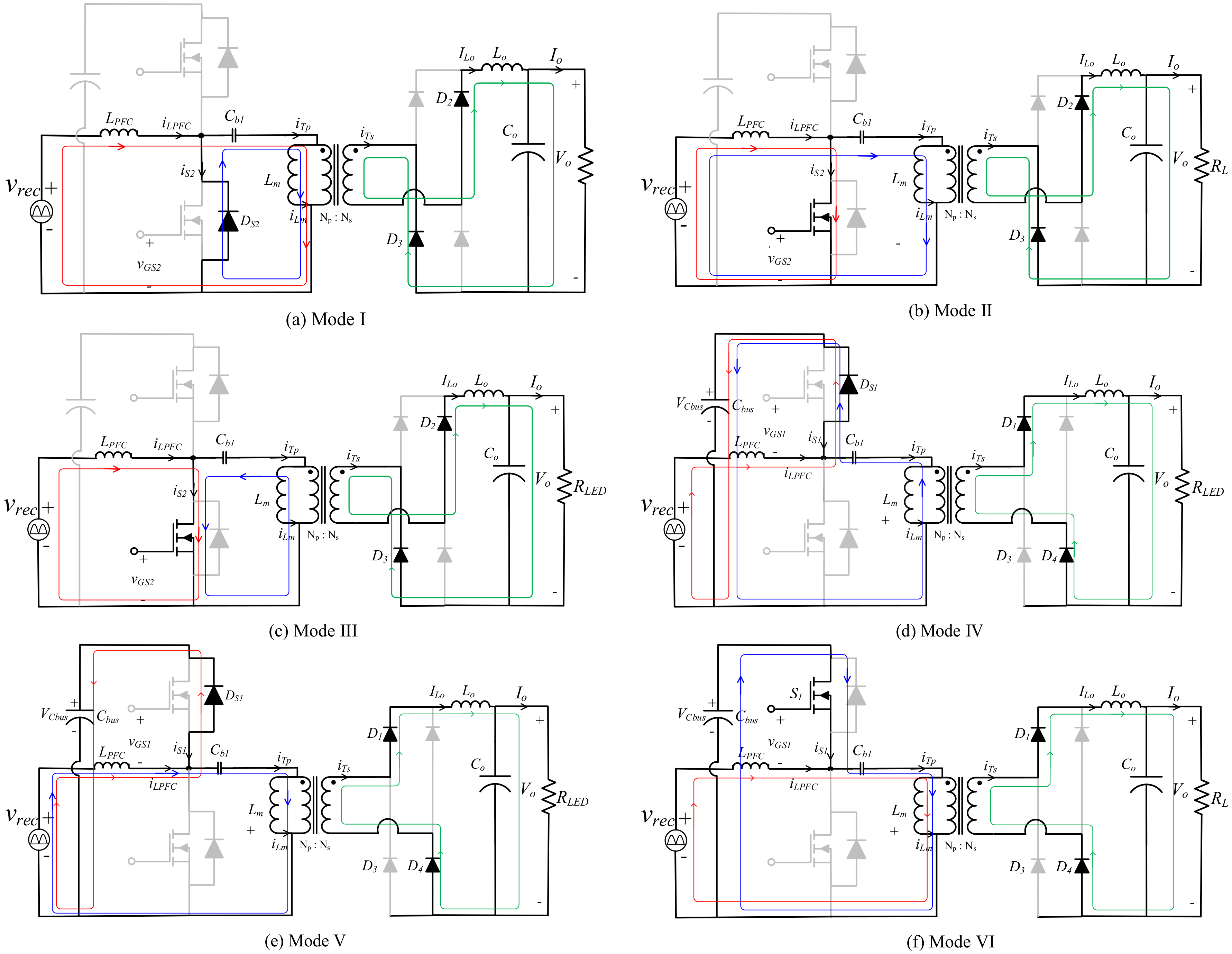
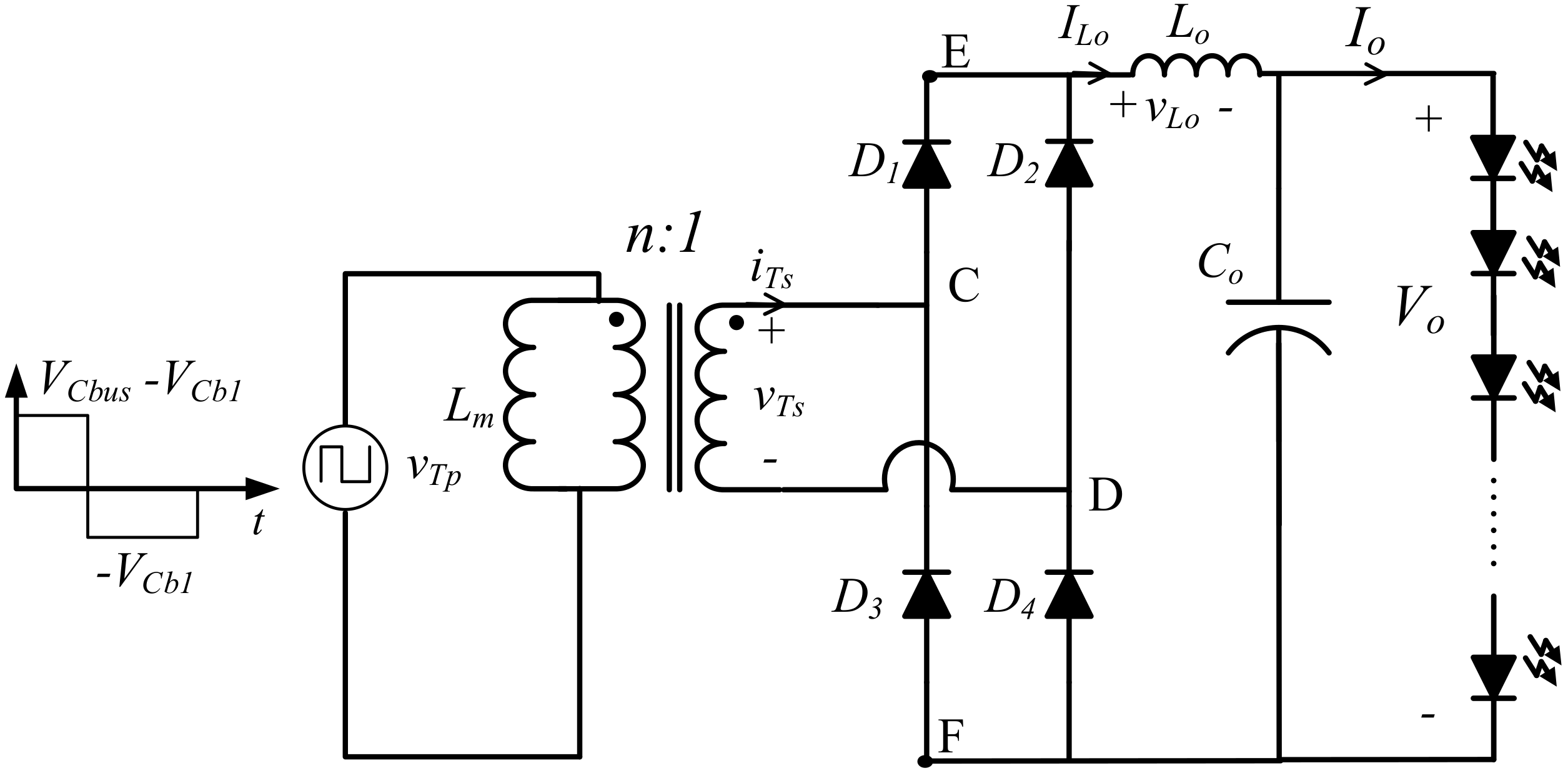
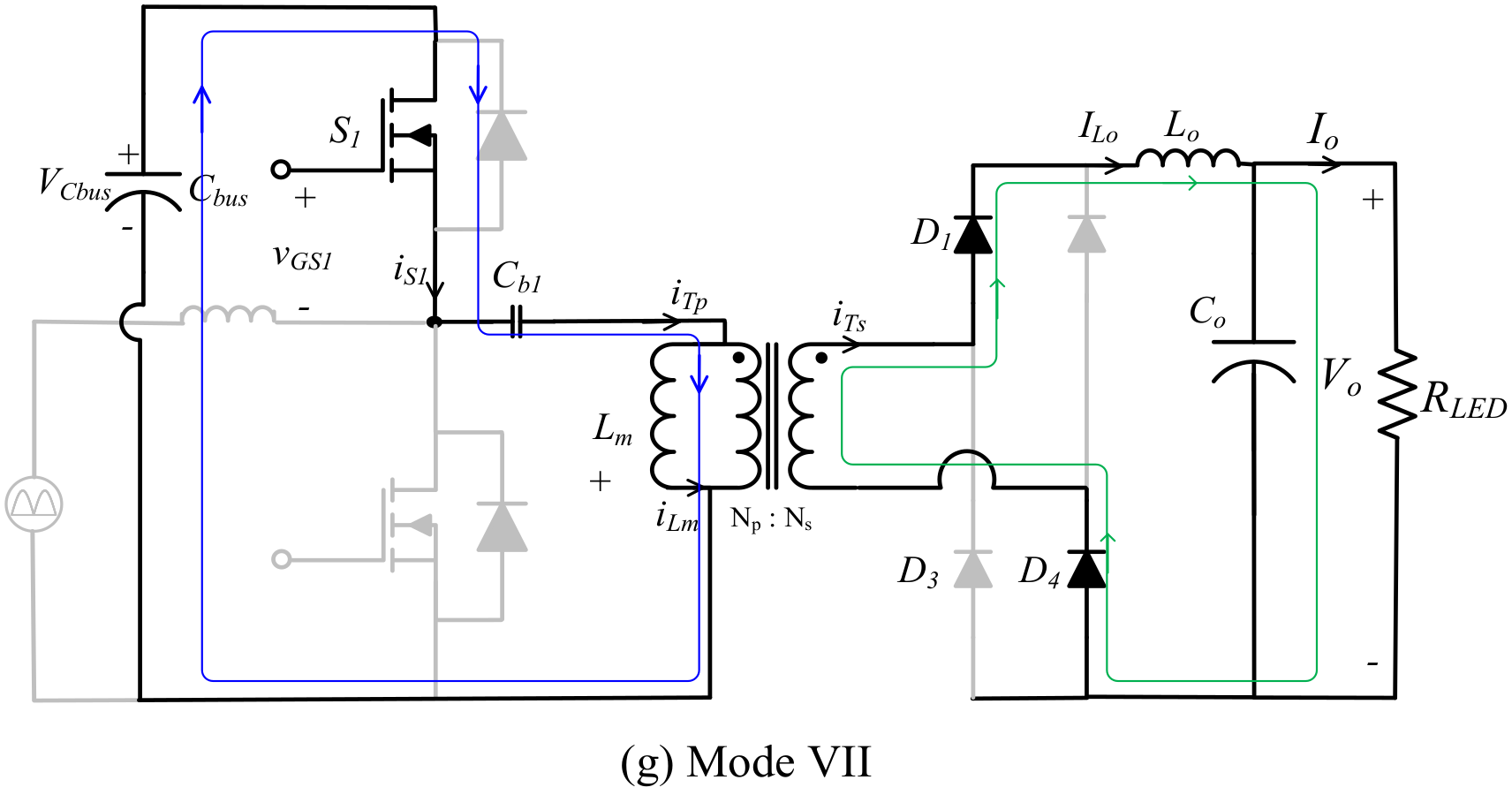
2.2. Operation Analysis
- Ignoring the conduction voltage drop for all switching devices, such as diodes and active switches.
- The switching frequency is much greater than the input-line frequency.
- Ignoring voltage ripples on all capacitors because the Cbus and Cb1 are large enough.
- The output inductor Lo is large enough, and its current is assumed to be a constant ILo.
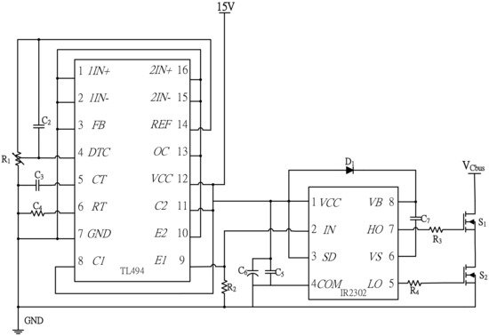
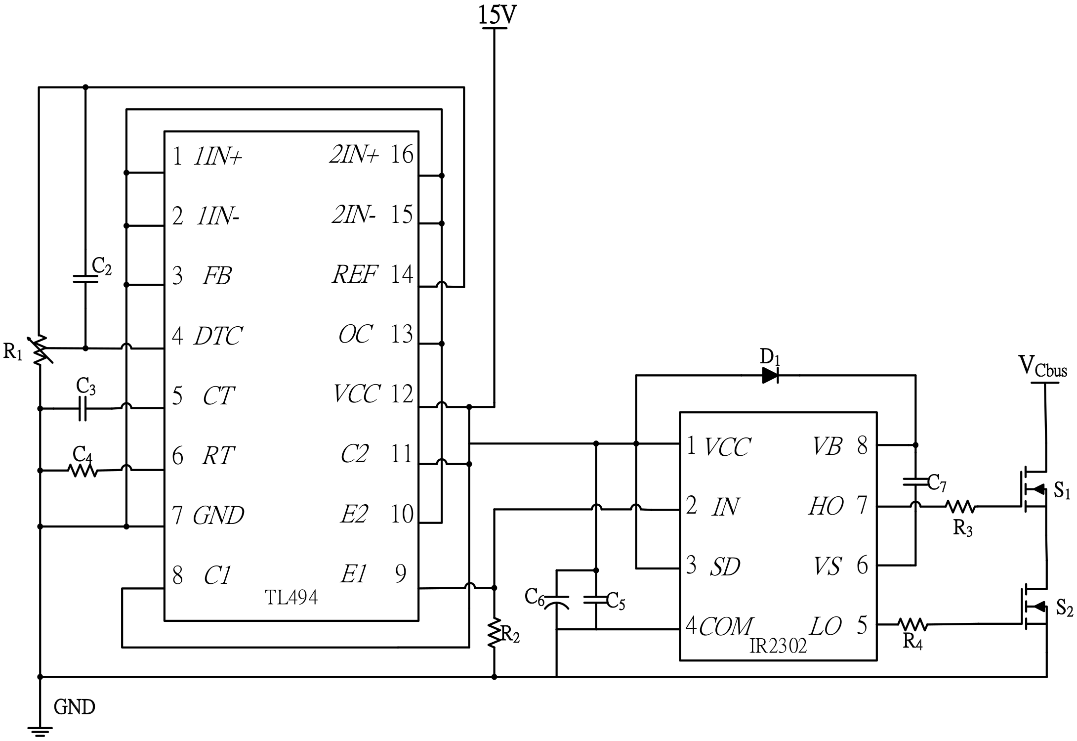
3. Circuit Parameter Design
4. Illustrative Example and Experimental Results
5. Conclusions
Author Contributions
Funding
Conflicts of Interest
References
- Alonso, J.M.; Perdigão, M.S.; Abdelmessih, G.Z.; Dalla Costa, M.A.; Wang, Y. SPICE modeling of variable inductors and its application to single inductor LED driver design. IEEE Trans. Ind. Electron. 2017, 64, 5894–5903. [Google Scholar] [CrossRef]
- Rodgaard, M.S.; Weirich, M.; Andersen, M.A.E. Forward conduction mode controlled piezoelectric transformer based PFC LED driver. IEEE Trans. Power Electron. 2013, 28, 4841–4849. [Google Scholar] [CrossRef]
- Li, Y.C.; Chen, C.L. A novel primary-side regulation scheme for single-stage high-power-factor AC-DC LED driving circuit. IEEE Trans. Ind. Electron. 2013, 60, 4978–4986. [Google Scholar] [CrossRef]
- Lee, S.W.; Choe, H.J.; Yun, J.J. Performance improvement of a boost LED driver with high voltage gain for edge-lit LED backlights. IEEE Trans. Circuits Syst. II 2018, 65, 481–485. [Google Scholar] [CrossRef]
- Luo, Q.; Huang, J.; He, Q.; Ma, K.; Zhou, L. Analysis and design of a single-stage isolated AC-DC LED driver with a voltage doubler rectifier. IEEE Trans. Ind. Electron. 2017, 64, 5807–5817. [Google Scholar] [CrossRef]
- Wang, C.M.; Lin, C.H.; Yang, T.C. High-power-factor soft-switched dc power supply system. IEEE Trans. Power Electron. 2011, 26, 647–654. [Google Scholar] [CrossRef]
- Mousavi, A.; Das, P.; Moschopoulos, G. A comparative study of a new ZCS DC-DC full-bridge boost converter with a ZVS active-Clamp converter. IEEE Trans. Power Electron. 2012, 27, 1347–1358. [Google Scholar] [CrossRef]
- Liu, Y.C.; Huang, B.S.; Lin, C.H.; Kim, K.A.; Chiu, H.J. Design and implementation of a high power density active-clamped flyback converter. In Proceedings of the 2018 International Power Electronics Conference, Niigata, Japan, 20–24 May 2018; pp. 2092–2096. [Google Scholar]
- Bhatt, K.; Gupta, R.A.; Gupta, N. Average model of isolated bidirectional dc-dc converter with auxiliary isolated clamp. In Proceedings of the 8th IEEE India International Conference on Power Electronics, Jaipur, India, 13–15 December 2018; pp. 1–5. [Google Scholar]
- Alonso, J.M.; Viña, J.; Vaquero, D.G.; Martínez, G.; Osório, R. Analysis and design of the integrated double buck-boost converter as a high-power-factor driver for power-LED lamps. IEEE Trans. Ind. Electron. 2012, 59, 1689–1697. [Google Scholar] [CrossRef]
- Wang, Y.; Guan, Y.; Ren, K.; Wang, W.; Xu, D. A single-stage LED driver based on BCM boost circuit and LLC converter for street lighting system. IEEE Trans. Ind. Electron. 2015, 62, 5446–5457. [Google Scholar] [CrossRef]
- Chen, S.Y.; Li, Z.R.; Chen, C.L. Analysis and design of single-stage ac/dc LLC resonant converter. IEEE Trans. Ind. Electron. 2012, 59, 1538–1544. [Google Scholar] [CrossRef]
- Cheng, C.A.; Chang, C.H.; Chun, T.Y.; Yang, F.L. Design and implementation of a single-stage driver for supplying an LED street-lighting module with power factor corrections. IEEE Trans. Power Electron. 2015, 30, 956–966. [Google Scholar] [CrossRef]
- Wang, Y.; Alonso, J.M.; Ruan, X. A review of LED drivers and related technologies. IEEE Trans. Ind. Electron. 2017, 64, 5754–5765. [Google Scholar] [CrossRef]
- Ma, J.; Wei, X.; Hu, L.; Zhang, J. LED driver based on boost circuit and LLC converter. IEEE Access. 2018, 6, 49588–49600. [Google Scholar] [CrossRef]
- Singh, S.; Singh, B. A voltage controlled adjustable speed PMBLDCM drive using a single-stage PFC half-bridge converter. In Proceedings of the IEEE APEC 2010, Palm Springs, CA, USA, 21–25 February 2010; pp. 1976–1983. [Google Scholar]
- Ou, S.; Hsiao, H. Analysis and design of a novel single-stage switching power supply with half-bridge topology. IEEE Trans. Power Electron. 2011, 26, 3230–3241. [Google Scholar] [CrossRef]
- Taheri, M.; Milimonfared, J.; Bayat, H.; Fathi, S.H. Analysis, design and implementation of a new zero-voltage-switching interleaved asymmetrical half-bridge converter using an integrated transformer. IET Power Electron. 2012, 1912–1922. [Google Scholar] [CrossRef]
- Choi, W.-Y.; Yoo, J.-S. A bridgeless single-stage half-bridge AC/DC converter. IEEE Trans. Power Electron. 2011, 26, 3884–3895. [Google Scholar] [CrossRef]
- Muhlethaler, J.; Biela, J.; Kolar, J.W.; Ecklebe, A. Core losses under the DC bias condition based on Steinmetz parameters. IEEE Trans. Power Electron. 2012, 27, 953–963. [Google Scholar] [CrossRef]
- Liang, T.J.; Kang, S.C.; Cheng, C.A.; Lin, R.L.; Chen, J.F. Analysis and design of single-stage electronic ballast with bridgeless PFC configuration. In Proceedings of the 29th Annual Conference on IEEE Industrial Electronics Society (IECON 2003), Roanoke, VA, USA, 2–6 November 2003; pp. 502–508. [Google Scholar]
- Moo, C.S.; Yen, H.C.; Hsieh, Y.C.; Chuang, Y.C. Integrated design of EMI filter and PFC low-pass filter for power electronic converters. Proc. Inst. Elect. Eng. Elect. Power Appl. 2003, 150, 39–44. [Google Scholar] [CrossRef]
- Chang, Y.N. Self-excited single-stage power factor correction driving circuit for LED lighting. Hindawi Publ. Corp. J. Nanomater. 2014, 2014. [Google Scholar] [CrossRef]














| Input voltage Vin | 110 +/− 10% Vrms, 60 Hz | 
| Rated output current Io | 1.2 A | 
| Rated output voltage Vo | 96 V | 
| Rated output power Po | 115 W | 
| Switching frequency fs | 50 kHz | 
| Full-load duty cycle D | 0.45 | 
| DC-link Voltage VCbus at full load | 310 V | 
| Transformer turn-ratio n | Np:Ns = 1.4:1 | 
| Block capacitor Cb1 | 0.1 μF | 
| PFC inductor LPFC | 0.340 mH | 
| Input filter inductor Lf | 2.2 mH | 
| Input filter capacitor Cf | 0.47 μF | 
| Output filter inductor Lo | 2.2 mH | 
| Output filter capacitor Co | 470 μF | 
| DC-link capacitor Cbus | 100 μF | 
| MOSFET S1, S2 | TOSHIBA 2SK2611 | 
© 2020 by the authors. Licensee MDPI, Basel, Switzerland. This article is an open access article distributed under the terms and conditions of the Creative Commons Attribution (CC BY) license (http://creativecommons.org/licenses/by/4.0/).
Share and Cite
Cheng, H.-L.; Chang, Y.-N.; Hwang, L.-C.; Yen, H.-C.; Chan, S.-Y.; Yang, W.-F. A High-Power-Factor Dimmable LED Driver with Integrated Boost Converter and Half-Bridge-Topology Converter. Appl. Sci. 2020, 10, 2775. https://doi.org/10.3390/app10082775
Cheng H-L, Chang Y-N, Hwang L-C, Yen H-C, Chan S-Y, Yang W-F. A High-Power-Factor Dimmable LED Driver with Integrated Boost Converter and Half-Bridge-Topology Converter. Applied Sciences. 2020; 10(8):2775. https://doi.org/10.3390/app10082775
Chicago/Turabian StyleCheng, Hung-Liang, Yong-Nong Chang, Lain-Chyr Hwang, Hau-Chen Yen, Shun-Yu Chan, and Wen-Fu Yang. 2020. "A High-Power-Factor Dimmable LED Driver with Integrated Boost Converter and Half-Bridge-Topology Converter" Applied Sciences 10, no. 8: 2775. https://doi.org/10.3390/app10082775
APA StyleCheng, H.-L., Chang, Y.-N., Hwang, L.-C., Yen, H.-C., Chan, S.-Y., & Yang, W.-F. (2020). A High-Power-Factor Dimmable LED Driver with Integrated Boost Converter and Half-Bridge-Topology Converter. Applied Sciences, 10(8), 2775. https://doi.org/10.3390/app10082775
 
        

 
                         
       