Characterization and Control for the Laminar Flow of Liquid Polyurethane System in a Wide Angle Diffuser with Transversely Arrayed Obstacles
Abstract
Featured Application
Abstract
1. Introduction
2. Methods of Research
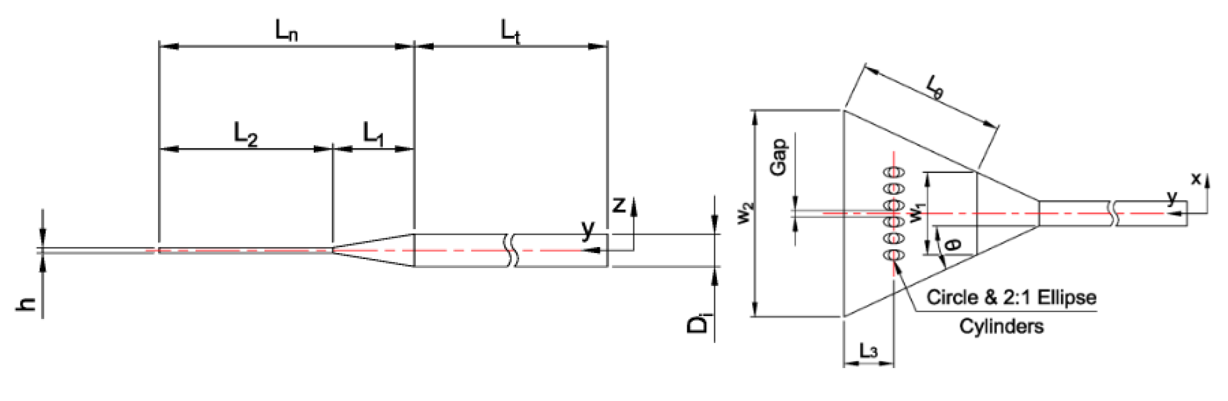
2.1. Model for Analysis
2.2. Governing Equations
2.3. Boundary Conditions
2.4. Mesh Generation
3. Verification and Validation
3.1. Verification at the Tube Section
3.2. Validation at the Diffuser wall Section
3.3. Validation for the Body of Circular and Elliptic Shape
4. Results and Discussion
4.1. Flow Uniformity
4.2. Growth of Vorticity and Pressure Drop
4.3. Effect of Crossflow in the Three Dimension
5. Conclusions
6. Patents
Author Contributions
Funding
Acknowledgments
Conflicts of Interest
References
- Kim, H.S.; Youn, J.W. A study on foaming characteristics of polyurethane depending on environmental temperature and blowing agent content. Trans. Mater. Process. 2009, 18, 256–261. [Google Scholar]
- Chhabra, R.P. Bubbles, Drops and Particles in Non-Newtonian Fluids, 2nd ed.; CRC Press: Boca Raton, FL, USA, 2006. [Google Scholar]
- Chhabra, R.P.; Soares, A.A.; Ferreira, J.M. Steady non-Newtonian flow past a circular cylinder: A numerical study. Acta Mech. 2004, 172, 1–16. [Google Scholar] [CrossRef]
- D’Alessio, S.J.D.; Pascal, J.P. Steady flow of a power-law fluid past a cylinder. Acta Mech. 1996, 117, 87–100. [Google Scholar] [CrossRef]
- D’Alessio, S.J.D.; Finlay, L.A. Power-law flow past a cylinder at large distances. Ind. Eng. Chem. Res. 1996, 43, 8407–8410. [Google Scholar] [CrossRef]
- Ferreira, M.; Chhabra, R.P. Analytical study of drag and mass transfer in creeping power-law flow across a tube bank. Ind. Eng. Chem. Res. 2004, 43, 3439–3450. [Google Scholar] [CrossRef]
- Soares, A.A.; Ferreira, J.M.; Chhabra, R.P. Flow and forced convection heat transfer in cross flow of non-Newtonian fluids over a circular cylinder. Ind. Eng. Chem. Res. 2005, 44, 5815–5827. [Google Scholar] [CrossRef]
- Bharti, R.P.; Chhabra, R.P.; Eswaran, V. Steady flow of power-law fluids across a circular cylinder. Can. J. Chem. Eng. 2006, 84, 406–421. [Google Scholar] [CrossRef]
- Bharti, R.P.; Chhabra, R.P.; Eswaran, V. Steady forced convection heat transfer from a heated circular cylinder to power-law fluids. Int. J. Heat Mass Transf. 2007, 50, 977–990. [Google Scholar] [CrossRef]
- Bharti, R.P.; Chhabra, R.P.; Eswaran, V. Two-dimensional steady Poiseuille flow of power-law fluids across a circular cylinder in a plane confined channel: Wall effects and drag coefficients. Ind. Eng. Chem. Res. 2007, 46, 3820–3840. [Google Scholar] [CrossRef]
- Bharti, R.P.; Chhabra, R.P.; Eswaran, V. Effect of blockage on heat transfer from a cylinder to power-law liquids. Chem. Eng. Sci. 2007, 62, 4729–4741. [Google Scholar] [CrossRef]
- Bharti, R.P.; Chhabra, R.P.; Eswaran, V. A numerical study of the steady forced convection heat transfer from an unconfined circular cylinder. Heat Mass Transf. 2007, 43, 639–648. [Google Scholar] [CrossRef]
- Bharti, R.P.; Sivakumar, P.; Chhabra, R.P. Forced convection heat transfer from an elliptical cylinder to power-law fluids. Int. J. Heat Mass Transf. 2008, 51, 1838–1853. [Google Scholar] [CrossRef]
- Patil, R.C.; Bharti, R.P.; Chhabra, R.P. Steady flow of power-law fluids over a pair of cylinders in tandem arrangement. Ind. Eng. Chem. Res. 2008, 47, 1660–1683. [Google Scholar] [CrossRef]
- Patil, R.C.; Bharti, R.P.; Chhabra, R.P. Forced convection heat transfer in power-law liquids from a pair of cylinders in tandem arrangement. Ind. Eng. Chem. Res. 2008, 47, 9141–9164. [Google Scholar] [CrossRef]
- Sivakumar, P.; Bharti, R.P.; Chhabra, R.P. Effect of power-law index on critical parameters for power-law flow across an unconfined circular cylinder. Chem. Eng. Sci. 2006, 61, 6035–6046. [Google Scholar] [CrossRef]
- Patnana, V.K.; Bharti, R.P.; Chhabra, R.P. Two-dimensional unsteady flow of power-law fluids over a cylinder. Chem. Eng. Sci. 2009, 64, 2978–2999. [Google Scholar] [CrossRef]
- Wang, L.; Tian, F.-B. Heat Transfer in Non-Newtonian Flows by a Hybrid Immersed Boundary–Lattice Boltzmann and Finite Difference Method. Appl. Sci. 2018, 8, 559. [Google Scholar] [CrossRef]
- Ling, Z.; He, Z.; Xu, T.; Fang, X.; Gao, X.; Zhang, Z. Experimental and Numerical Investigation on Non-Newtonian Nanofluids Flowing in Shell Side of Helical Baffled Heat Exchanger Combined with Elliptic Tubes. Appl. Sci. 2017, 7, 48. [Google Scholar] [CrossRef]
- Son, Y.W.; Lee, J.H.; Chang, S.M. CFD Analysis on the nozzle of high viscid row material for urethane foam. Korean Soc. Comput. Fluids Eng. 2017, 22, 79–85. [Google Scholar] [CrossRef]
- Kim, H.T.; Chang, S.M.; Shin, J.H.; Kim, Y.G. The feasibility of multidimensional CFD applied to calandria system in the moderator of CANDU-6 PHWR using commercial and open-source codes. Sci. Technol. Nuclear Install. 2016, 2016, 3194839. [Google Scholar]
- Jadhav, B.P. Laminar boundary layer flow of non-Newtonian power law fluid past a porous flat plate. J. Glob. Res. Math. Arch. 2013, 1, 46–55. [Google Scholar]
- Chhabra, R.P.; Richardson, J.F. Non-Newtonian Flow and Applied Rheology: Engineering Applications, 2nd ed.; Butterworth-Heinemann: London, UK, 2008. [Google Scholar]
- Głowinska, E.; Datta, J. A mathematical model of rheological behavior of novel bio-based isocyanate-terminated polyurethane prepolymers. Ind. Crops Prod. 2014, 60, 123–129. [Google Scholar] [CrossRef]
- White, F.M. Fluid Mechanics, 8th ed.; McGraw-Hill: New York, NY, USA, 2015. [Google Scholar]
- Denham, M.K.; Patrick, M.A. Laminar flow over a downstream-facing step in a two-dimensional flow channel. Trans. Inst. Chem. Eng. 1974, 52, 361–367. [Google Scholar]
- Sivakumar, P.; Bharti, R.P.; Chhabra, R.P. Steady flow of power-law fluids across an unconfined elliptical cylinder. Chem. Eng. Sci. 2007, 62, 1682–1702. [Google Scholar] [CrossRef]


















| Symbols in Figure 1 | Value | Symbols in Figure 1 | Value |
|---|---|---|---|
| 12 | 70.7 | ||
| 400 | 94 | ||
| 100 | 30 | ||
| 40 | 64 | ||
| 25° | 24 |
| Properties | Value | Unit | |
|---|---|---|---|
| Mass flow rate at the inlet | 779.5 | g/s | |
| Gauge pressure at the outlet | 0 | Pa | |
| Density | 1154 | ||
| Non-Newtonian viscosity Properties [24] | m | 8.8562 | |
| n | 0.7669 | - | |
| Wall velocity | 0 (no slip) | - | |
| Coefficients | |||||||||
|---|---|---|---|---|---|---|---|---|---|
| n = 1 | n = 0.6 | n = 0.2 | |||||||
| Present | 1.274 | 0.8362 | 2.111 | 1.355 | 0.6272 | 1.982 | 1.439 | 0.3372 | 1.776 |
| Sivakumar, P., et al. [16] | 1.201 | 0.8047 | 2.005 | 1.304 | 0.6137 | 1.918 | 1.484 | 0.3394 | 1.824 |
| Error (%) | 5.8 | 3.8 | 5.0 | 3.7 | 2.2 | 3.2 | 3.1 | 0.7 | 2.7 |
| Coefficients | |||||||||
|---|---|---|---|---|---|---|---|---|---|
| n = 1 | n = 0.6 | n = 0.2 | |||||||
| Present | 0.9457 | 1.222 | 2.168 | 1.030 | 1.030 | 2.060 | 1.161 | 0.6817 | 1.843 |
| Sivakumar, P., et al. [16] | 0.8893 | 1.173 | 2.063 | 0.9900 | 1.013 | 2.003 | 1.184 | 0.7020 | 1.886 |
| Error (%) | 6.0 | 4.0 | 4.9 | 3.9 | 1.6 | 2.8 | 2.0 | 3.0 | 2.3 |
| Case | Gap [mm] | Cross-Sectional Shape |
|---|---|---|
| 1~6 | 2~7 (interval: 1) | Circle |
| 7~12 | 2~7 (interval: 1) | 2:1 Ellipse (longitudinal) |
© 2020 by the authors. Licensee MDPI, Basel, Switzerland. This article is an open access article distributed under the terms and conditions of the Creative Commons Attribution (CC BY) license (http://creativecommons.org/licenses/by/4.0/).
Share and Cite
Son, Y.W.; Lee, J.H.; Chang, S.-M. Characterization and Control for the Laminar Flow of Liquid Polyurethane System in a Wide Angle Diffuser with Transversely Arrayed Obstacles. Appl. Sci. 2020, 10, 1228. https://doi.org/10.3390/app10041228
Son YW, Lee JH, Chang S-M. Characterization and Control for the Laminar Flow of Liquid Polyurethane System in a Wide Angle Diffuser with Transversely Arrayed Obstacles. Applied Sciences. 2020; 10(4):1228. https://doi.org/10.3390/app10041228
Chicago/Turabian StyleSon, Young Woo, Jong Hwi Lee, and Se-Myong Chang. 2020. "Characterization and Control for the Laminar Flow of Liquid Polyurethane System in a Wide Angle Diffuser with Transversely Arrayed Obstacles" Applied Sciences 10, no. 4: 1228. https://doi.org/10.3390/app10041228
APA StyleSon, Y. W., Lee, J. H., & Chang, S.-M. (2020). Characterization and Control for the Laminar Flow of Liquid Polyurethane System in a Wide Angle Diffuser with Transversely Arrayed Obstacles. Applied Sciences, 10(4), 1228. https://doi.org/10.3390/app10041228
