Next Article in Journal
Optimal Design of the Vertical Earthing with Electrodes Arranged in Line
Next Article in Special Issue
Mesoporous Carbon as Galvanic-Corrosion Activator Accelerates Fe Degradation
Previous Article in Journal
Hybrid Flow Shop Scheduling Problems Using Improved Fireworks Algorithm for Permutation
Previous Article in Special Issue
Selected Aspects Regarding the Restoration/Conservation of Traditional Wood and Masonry Building Materials: A Short Overview of the Last Decade Findings
 
 
Font Type:
Arial Georgia Verdana
Font Size:
Aa Aa Aa
Line Spacing:
Column Width:
Background:
Article

New Ecological Solutions Involved in the Cleaning of a 19th Century Icon

1
Faculty of Geography and Geology, Alexandru Ioan Cuza University of Iasi, 20A Carol I Blvd, 700506 Iasi, Romania
2
Interdisciplinary Research Department-Field Science, Alexandru Ioan Cuza University of Iasi, 22 Carol I Blvd., 700506 Iasi, Romania
3
Romanian Inventors Forum, Str. Sf. P. Movila 3, L11, III/3, 700089 Iasi, Romania
4
Petru Poni Institute of Macromolecular Chemistry, 41A Gr. Ghica Voda Alley, 700487 Iasi, Romania
5
Faculty of Chemistry, “Alexandru Ioan Cuza” University of Iasi, 11 Carol I Blvd., 700506 Iasi, Romania
6
Faculty of Materials Science and Engineering, Gheorghe Asachi Technical University of Iasi, D. Mangeron 41, 700050 Iasi, Romania
*
Authors to whom correspondence should be addressed.
Appl. Sci. 2020, 10(3), 1175; https://doi.org/10.3390/app10031175
Submission received: 20 January 2020 / Revised: 31 January 2020 / Accepted: 4 February 2020 / Published: 10 February 2020
(This article belongs to the Special Issue Obtaining, Characterization and Applications of Advanced Materials)

Abstract

Featured Application

Cleaning of cultural heritage assets.

Abstract

Cleaning of old icons requires special attention to selecting the processes and systems compatible with the chemical nature and adhesions of the deposits, to not affect the polychrome layer or their conservation status. The study was carried out on a 19th century icon made in fat tempera, on a thin layer of preparation that presents fouling. The cleaning was done using extracts obtained from sage, St. John’s Wort, and, respectively, licorice root teas obtained through different extraction processes: microwave, ultrasound, boiling, and room temperature, respectively. The washing capacity of the new system used was analyzed by analytical methods of assessing the cleaning degree: UV-Vis reflection, reflective colorimetry type CIE L*a*b*, co-assisted with optical microscopy and scanning electrone microscopy (SEM-EDX).

1. Introduction

The cleaning of old paintings is an important step in the restoration process, because in order to remove dirty and adherent deposits it is necessary to know the conservation status and the impact of the solutions used in cleaning.
To date, the dispersed systems involved in washing have varied greatly, from aqueous solutions to those based on organic solvents [1,2,3,4,5,6,7], with or without surface additives-surfactants [8,9], hydrogels [10,11,12], ionic liquids [13,14,15,16,17,18,19,20], or enzymes [21,22,23,24,25], some of which are highly toxic to the operator.
An often-used modern procedure consists of the volatilization of the dirt by laser pyrolysis, but which becomes highly invasive for varnishes and color layers if used inadequately [26,27,28,29,30,31,32,33].
In recent years, attempts have been made to obtain environmentally friendly washing solutions based on aqueous dispersions obtained from colorless, freshly prepared juices, from vegetables or green plants, and from dried herbal teas, containing surfactant and emollient chemical components, such as: saponins, colorless tannins, poorly colored carotenoids (lutein and zeaxanthin), enzymes, glucosides, alkaloids, etc.
In addition to the emollient effect of polyphenols and the degreasing effect of organic acids, they also have a good enzymatic dirt washing capacity. From among the main extracts historically used in washing processes, especially in traditional ethnographic practices, we mention the washing of carpets, rugs, and other polychrome artistic fabrics with cabbages, potatoes, onions, and other vegetables. Conversely, the literature is very scant with respect to the cleaning of paintings, with some information available on the use of uncolored vegetables juices [34,35,36,37,38,39,40,41].
This paper concerns the washing capacity of organic aqueous systems based on colorless teas of sage, St. John’s Wort and licorice roots, obtained through various processes: microwave, ultrasound, boiling, and room temperature, respectively. The washing capacity of the resulting systems was analyzed by analytical methods to evaluate the cleaning capacity: UV-Vis reflection, reflective colorimetry type CIE L*a*b*, directed with OM and SEM-EDX.

2. Materials and Methods

2.1. Description of the Icon and the Conservation Status

The experiment used a 19th century icon of Martyr Saint George (description on the icon as follows: Sf. Mucenic Georgiel) in Figure 1a, which is part of the collection of the Saint George Church of Spineni village, Iasi County, Romania. The icon is made in fat tempera, on a lime-wood stand, by an unknown painter, and has the following dimensions: length 96 cm, width 67 cm, and thickness 3 cm. The wooden support is made from a single wooden panel, radially fashioned, supported on the back by two crosspieces from the same wood species, interlocking the panel at the ends (Figure 1b) for better stability and durability. A bent nail is found at the top of the panel (on the edge), which served as a wall hook (Figure 1c).
The painting was done in a naive neo-byzantine style. The theme of the icon and its dimensions support its liturgical role as a royal icon of feasting type, initially located on the iconostasis, on the right side, after the deacon’s door, and currently being stored as heritage good.
The icon had fouling from the handling that interacted with the varnish, which through oxidation developed into degradation products with a dark appearance. The studies performed on the deposits showed that the icon has a good conservation status, though with a layer of dirt, enhanced by deterioration/degradation accumulated over time as a result of multiple physical-chemical, microbiological, biological, and climatic (temperature, humidity, light) factors, of age, and due to inadequate storage conditions, improper handling, prolonged exposure under improper conditions. This led to the aging of the varnish materials and of the pictorial layer.
In the creation of the icon, a series of pigments were used that were chosen to give the painting a warm note or to make the transition from warm to cold hues (Figure 1). The back of the icon was treated with flame retardant solutions for the purpose of thermal stabilization by laminating the wooden support (Figure 1b).

2.2. Aqueous Systems Used in Washing Operations

2.2.1. Materials

Commercially available plants, namely St. John’s Wort Tea (S1), Sage (S2) and licorice roots (S3), were divided into mechanical grinders with stainless steel knives and sieved to a particle size of 1.00 mm. Using high-purity bi-distilled water (milliQ, R = 18.2 Ω), aqueous suspensions were prepared, in gravimetric ratio powder from the plant:water of 1:2.

2.2.2. Devices and Instruments

The weightings were performed on a WPS 210/C/2 Partner analytical balance, with a precision to the third decimal point (Error 0.001 g), while the samples were duplicated. The resulting solutions (aqueous extract) were centrifuged using a Mikro 22 R (Hettich, Germany) centrifuge. Ultrasound extraction was performed on an ultrasonic bath Selecta Ultrasons for 10 min. The absorption spectra were made using a UV-visible spectrophotometer Libra S35 PC UV/VIS (Cambridge, UK) with 1 cm matched cells of quartz, in the wavelength range λ = 200–700 nm.

2.2.3. Extraction Conditions

Because we initially focused on the influence of some activators on the extraction capacity of the active cleaning components, from the water-dispersed powders, to be used in the process of cleaning the deposits from the icon, this first stage consisted of four extraction conditions. Thus, in 12 Erlenmeyer flask there were dispersed 10 g of powders of the three plants (Sage, St. John’s Wort and licorice roots), in 20 mL of distilled water, obtaining three sets of four samples, in aqueous dispersion form: St. John’s Wort (S1), Sage (S2) and Licorice (S3). Each set of four samples [(Si), where i = 1, 2 and 3] were subjected to microwaving (SiM), ultrasound (SiU), boiling (SiB), and room temperature (SiE), respectively, the latter serving as the comparison sample or standard.
The microwave extraction process was done by introducing the three vials with the S1, S2 and S3 dispersions, in a microwave oven at 300 W power, for 3 min. These samples were labelled S1M, S2M, and S3M. Ultrasound extraction was performed in a similar manner by placing the following set of three vials with the same dispersions on a water bath for 10 min. In this case, the three samples were labelled S1U, S2U, and S3U. In the last case, of the boiling extraction, other three vials were placed in a water bath at 100 °C for 10 min, when the samples were indexed S1B, S2B, and S3B. The extraction at room temperature was performed at 23 °C for 24 h, and the samples were labelled S1E, S2E and S3E, and used in evaluations as a reference system. All of the 12 samples were filtered using a Buchner funnel with G3 fry plate, and after filtration they were left idle for 5 min, then diluted by adding 20 mL of distilled water and centrifuged to 50 mL test tubes, for 5 min at a speed of 6000 rpm. From each resulting centrifugation supernatant, 100 μL of sample were collected, which were inserted into an Eppendorf tube over which 900 μL of distilled water was added for dilution. The exception was the licorice roots extract, which was diluted with 1900 μL of distilled water. The diluted samples were again centrifuged for 5 min, at a speed of 18,000 rpm, and spectrophotometrically analyzed for the range λ = 200–700 nm.

2.2.4. Supernatants’ pH

For each supernatant sample, the pH of the dispersion was determined using a pH-meter type Hanna Precision pH 211 microprocessor model (Merck, Sigma-Aldrich, Taufkirchen, Germany).

2.3. Methods and Analysis Techniques Used in the Identification of Pictorial Material

Initially the icon was subjected to non-destructive analysis (without sampling), which was performed by: direct observation, with the naked eye or using optical magnifying instruments: magnifying glass, binocular wind, and stereomicroscope, respectively.
The determination of the conservation status of the pictorial layer and the slope was achieved by analyzing the homogeneity of deposits by UV-VIS and IR and by optical microscopy using a Carl Zeiss Axio Imager A1m instrument (Hamburg, Germany), at a zoom of 50–200×, with an attached AXIOCAM camera and using a specialized software.
The analysis of painting materials (composition and micro-structural morphology) was carried out using a scanning electron microscope (SEM), model VEGA II LSH, produced by TESCAN Czech Republic (Brno, Czech Republic), coupled with an EDX QUANTAX QX2 detector, manufactured by BRUKER/ROENTEC Germany (Berlin). Sample analysis was performed at ×200 to ×2500 zoom with an accelerating voltage of 30 kV, and the working pressure was less than 1 × 10−2 Pa. The resulting image was formed by secondary electrons (SE) and backscatter electrons (BSE).
Both optical and electron microscopy was used in the collection and processing of samples from areas affected by partial reversible deterioration.

2.4. Sampling Areas and Indexation of Pictorial Material Samples

To carry out the analyzes, six representative samples were taken from the pictorial layer (Figure 2), from the area with detachments, which were indexed as follows: F1—blue background, F2—aureole, F3—carnation, F4—green background, F5—red garment, and F6—blue garment.

2.5. Selection of Areas and Elaboration of the Experimental Washing Protocol

Since the deposits of fatty dirt were evenly distributed on the surface of the icon, the blue background, with ultramarine and considered a stable color and slightly affected by the environmental factors, located towards the upper left side of the icon, was selected as the area for performing the washing tests.
In Figure 2, on the surface of the blue background, a three-series system of 13 squares, grid type, with 15 × 15 mm dimensions, was cut out of millimeter paper and glued to the chosen surface. Of these, the series with 13 shades very close to colorimetric (CIE L*a*b*) and with a uniform dirt layer were selected. The first square was used as a standard, and the next 12 for the supernatants.
To carry out the washing tests, the 12 supernatants were labelled as in the production protocol, as follows: S1—St John’s Wort extract, S2—Sage extract and S3—Licorice extract, followed by the initial extraction conditions (B—Boiling, M—Microwave, U—Ultrasound and E—Room temperature). The washing capacity has been analyzed, similar to with other previous studies [34,35,36,37,38,39], by direct eye observation, visible, and UV reflectrography and by reflection colorimetry, CIE L*a*b*, using the FLICKINER RT Series colorimeter (Reflectance Tintometer). This allowed the chromatic deviation to be recorded directly on the sample, before and after washing.
The use of the washing test is mandatory because the cleaning can affect the integrity of the noble patina, the lacquers, and other degraded polychromes, which are easily soluble during washing. Since often in washing there is the risk of exudates, of degreasing with varnish and polychrome layers’ dulling, activation and accentuation of crackles, exfoliation of the pictorial layer and loss of material, diffusion of dirt and components of the pictorial layer, it must be ensured that each step is preceded by the operation of emolliating (watering) with a weak alkaline aqueous solution based on ammonium hydroxide 0.5–1.5% (NH4OH 25%)
The washing was carried out in several alternative steps, by wiping with cotton wool sticks. Each cleaning step consisted of erasing the area with the soaked stick in the test supernatant, by passing it once in a certain direction, then immediately after washing the surface of the carriage was wiped with a semi-moistened stick, alternately in perpendicular directions. The operation was repeated 5 times, at intervals of 5 min, each time measuring chromatic deviation.

3. Results and Discussions

3.1. Study of Dispersed Systems Used in Cleaning

To determine the cleaning efficiency of the dirt layer on the objects painted on wooden substrate, the capacity of extraction of the active components by processes such as: boiling, ultrasound, microwave, and at room temperature is evaluated.
Cleaning the dirt layer with the supernatant of St. John’s Wort, sage, and licorice is a non-invasive procedure which does not affect the aging of the paint layer.

3.1.1. Supernatants pH

The 12 supernatant samples have close pH domains - weakly acidic (Table 1), with the extraction conditions imposing insignificant variations. The St. John’s Wort had the lowest pH between 4.46 and 4.54, while the sage and licorice roots had slightly higher pHs, without respecting the same levels of evolution. In the case of the licorice roots, ultrasounding conferred the highest pH.
As the acidic pH affects the paint layer, it has been corrected to neutral or weak alkaline.

3.1.2. Evaluation of the Extraction Capacity

To evaluate the extraction capacity by activating the dispersion involving ultrasound, microwave, boiling, and room temperature conditions, the absorbance graphs of the evolution were compared according to the wavelength for each sample.
St John’s Wort samples. For the supernatant obtained from the St. John’s Wort dispersion, the absorption spectrum in Figure 3 shows a maximum at λmax = 330 nm. The differences between the λmax absorbance for the St. John’s Wort samples extracted at room temperature and the microwave-activated ones is relatively small of about 0.080 (0.503 vs. 0.583), whereas, by ultrasound and boiling, higher values were obtained (0.874 vs. 0.655), the difference between them is 0.219, and compared to the first one ranging from 0.291 to 0.371. The evolution of the absorption curves according to the wavelength does not correlate with the pH of supernatant, the range of variation being between 4.46 and 4.57.
In relation to these samples it can be stated that ultrasound and boiling allow efficient extractions to be obtained in active components.
Sage samples. In the case of the sage supernatant, from the UV-Vis spectrum (Figure 4) it can be observed that it absorbs at the absorbance values at λmax = 270 nm and is similar to the first case, in the evolution of the four extraction conditions: ultrasound (0.876), boiling (0.649), at room temperature (0.515), and microwave (0.434). Although the level of absorbance values derive for the four extraction conditions, conformant to the same laws as in the case of the St. John’s Wort, in this case, too, the supernatant obtained by ultrasound proved to be the most efficient (almost double, compared to the one obtained with microwaves). In this case, the evolution of the absorption curves according to the wavelength also does not correlate with the pH of the supernatant, but the range of variation is smaller, between 5.99 and 6.25.
Licorice roots samples. From Figure 5 it is observed that the most efficient extraction process for licorice roots is the ultrasound process. If we report at the absorption maximum at 270 nm, from the UV-Vis absorption spectrum it can be seen that the ultrasound supernatant is more efficient compared to the one obtained with microwaves (0.973 vs. 0.459). Although the four supernatants have the same action for the activation processes, however, it can be seen that the microwave supernatant inhibits the extraction of active ingredients from licorice roots, the absorbance being much lower than the supernatant obtained at room temperature (0.459 vs. 0.603). For this case, the evolution of the absorption curves according to the wavelength correlates with the pH of the supernatant, the range of variation is wider, between 5.29 and 6.50.
The supernatant with the active principles in the highest concentration was obtained for the licorice roots under the ultrasound conditions, and the lowest for the sage through microwaving. For all supernatants, ultrasounding, followed by boiling and room temperature, is more efficient than those with microwave extracts.

3.2. Nature of Painting Materials and Their Conservation Status

Analyzing the six samples under the optic microscope, the morphology and the conservation status of the varnish, binders, and the pigments were assessed. Initially, the samples taken were studied at several magnification levels (50× and 200×), but the one with good resolution, shown in Figure 6, were made with a magnification of ×100.
Previously, through visual analysis, the crackles of the varnish and of the polychrome layer were revealed, alongside the fragility of the preparation layer, and the presence of gaps in handling and use. Likewise, in the areas with adherent deposits, oxidized or thermally corroded deposits were highlighted. These microdeteriorations and degradations were also identified on the six samples analyzed by optical microscopy.
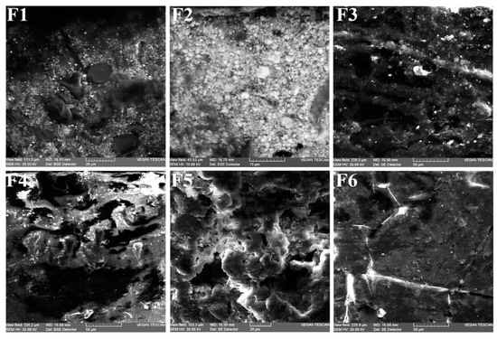
The conservation state of the polychrome materials was further confirmed by the SEM analysis (Figure 7) based on the chemical composition changes evaluated from the EDX spectra, using the same samples analyzed by OM.
The elemental composition data from Table 2 confirm fine changes in the chemical nature of the main pigments used in the icon making, the boiling oil as a binder and the rosin-based varnish, some under the influence of organic dirt deposits, which have undergone anchoring or cornering processes, together with the presence of exudates from touch of fingers and lips. Significant changes were undergone by carbon and oxygen, then iron and lead by carbonation processes.
Since most of the pigments are part of the colored earths group in the oxides form, crystallo-hydrates, water, and hydro-complexes, which have good stability and climatic resistance, it was possible to highlight the main colors used in the work.
Thus, the blue background (F1) and that of the garment (F6) has in its composition ultramarine blue (Na8-10Al6Si6O24S2-4), combined with white lead (2PbCO3•Pb(OH)2) and zinc white ZnO. In the aureole sample (F2), there were identified yellow based on litharge (PbO), lead white, and zinc white. The carnation sample (F3) contains the mixture from F2 combined with red earth (Na7Al6Si6S2O24). The green background (F4) contains green soil— K[(Al,FeIII),(FeII,Mg](AlSi3,Si4)O10(OH)2, lead white, and zinc white. The red garment in sample F5 contains red earth mixed with zinc white.

3.3. Efficiency Assessment by Supernatant Cleaning Tests

Of the pictorial materials, the most resistant to the processes of washing by wiping with cotton sticks soaked with the solutions under scrutiny proved to be earth-based ultramarine blue from the upper left background behind the Saint. Figure 8 presents in the grid system the 12 squares in which the cleaning was carried out with the 12 supernatants and which were compared with the first square, according to the presented protocol.
Comparing the cleaning capacity of the 12 extracts according to the ΔE* values for the tests performed after five consecutive removal operations (Figure 9), a decrease is observed as follows: S2U ˃ S3E ˃ S3U ˃ S3B ˃ S3M ˃ S1U ˃ S2E ˃ S1E ˃ S1B ˃ S1M ˃ S2B ˃ S2M. It can be said that besides the supernatant of sage by ultrasound, the one of licorice roots obtained through the four conditions is more efficient in the washing operations. The St. John’s Wort, located at the third position, despite having a high content of flavonic glycosides, its astringent character places it after sage, which contains volatile oils represented by terpenic substances, thione, thiol, salven, sabinol, tannins, bitter principles, glycosides, polyphenols, and resins, respectively after the licorice roots containing triterpenic saponins, phytosterols and flavonoids (licirizine), components recognized as emollients and capable of washing through the micellar systems and the microfoaming they produce.

4. Conclusions

The evaluation of the washing efficiency of the aqueous extracts from St. John’s Wort, sage and licorice roots powders obtained in the four conditions (boiling, microwave, ultrasound and at room temperature) on the icon made in fat tempera, was done by CIE L*a*b* colorimetry.
The measurements of the surfaces cleaned with the natural extracts revealed that the sage supernatant obtained by ultrasound proved to be the most effective (almost double, compared to the one obtained with microwaves).
The supernatant with the highest content of active principles was obtained under the conditions of ultrasound from the licorice roots, and the lowest for the sage by microwave.
From the research results we concluded that the supernatant extracted by ultrasound and boiling from the St. John’s wort, with highest content of active components, allows a good emollition as well as washing.
For all supernatant extraction by ultrasound, followed by boiling and room temperature, is more efficient than those with microwave extracts.

Author Contributions

Conceptualization and project administration, T.C.I., investigation and data curation, V.V., methodology and supervision, I.S., methodology and investigation, M.Z., formal analysis and investigation, O.P., writing—review and editing and validation, A.V.S. All authors have read and agreed to the published version of the manuscript.

Funding

This research is funded by the Ministry of Research and Innovation within Program 1—Development of the national RD system, Subprogram 1.2—Institutional Performance—RDI excellence funding projects, Contract no. 34PFE/19.10.2018.

Conflicts of Interest

The authors declare no conflict of interest.

References

  1. Bonini, M.; Lenz, S.; Giorgi, R.; Baglioni, P. Nanomagnetic sponges for the cleaning of works of art. Langmuir 2007, 23, 681–8685. [Google Scholar] [CrossRef]
  2. Michalski, S. A physical model of the cleaning of oil paint, Cleaning, retouching and coatings: Technology and practice for easel paintings and polychrome sculpture, London: International Institute for Conservation of Historic and Artistic Works. Stud. Conserv. 1990, 35, 85–92. [Google Scholar] [CrossRef]
  3. Phenix, A.; Sutherland, K. The Cleaning of Paintings: Effects of Organic Solvents on Oil Paint Films. Rev. Conserv. 2001, 2, 47–60. [Google Scholar] [CrossRef]
  4. Ruhemann, H.; Plesters, J. The Cleaning of Paintings: Problems and Potentialities; Frederick, A., Ed.; Praeger Publishers: New York, NY, USA, 1968. [Google Scholar]
  5. Garcia, J.M.B. Re-evaluating the roles of the cleaning process in the conservation of paintings. Ge-Conservacion 2015, 7, 14–23. [Google Scholar]
  6. Casoli, A.; Di Diego, Z.; Isca, C. Cleaning painted surfaces: Evaluation of leaching phenomenon induced by solvents applied for the removal of gel residues. Environ. Sci. Pollut. Res. 2014, 21, 13252–13263. [Google Scholar] [CrossRef] [PubMed]
  7. Renda, V.; Saladino, M.L.; Caramanna, S.; Chirco, G.; Castello, A.F.; Conti, C.; Marco, A.; Sali, D.; Caponetti, E. Investigation on a low environmental impact solvent mixture applied to a wooden painted slab. Int. J. Conserv. Sci. 2016, 7, 789–796. [Google Scholar]
  8. Burnstock, A.; White, R. The Effects of Selected Solvents and Soaps on a Simulated Canvas Painting. Cleaning, Retouching and Coatings: Preprints of the IIC Brussels Congress, International Institute for Conservation, London. Stud. Conserv. 1990, 35, 111–118. [Google Scholar] [CrossRef]
  9. Phenix, A.; Burnstock, A. The Removal of Surface Dirt on Paintings with Chelating Agents. Conserv. 1992, 16, 28–38. [Google Scholar] [CrossRef]
  10. Carretti, D.L.; Macherelli, A. Rheoreversible polymeric organogels: The art of science for art conservation. Langmuir 2004, 20, 8414–8418. [Google Scholar] [CrossRef]
  11. Domingues, J.; Bonelli, N.; Giorgi, R.; Fratini, E.; Baglioni, P. Innovative method for the cleaning of water-sensitive artifacts: Synthesis and application of highly retentive chemical hydrogels. Int. J. Conser. Sci. 2013, 4, 715–722. [Google Scholar]
  12. Khandekar, N. A survey on the conservation literature relating to the development of acqueous gel cleaning on painted and varnished surfaces. Rev. Conserv. 2000, 1, 10–20. [Google Scholar]
  13. Branco, L.C.; Carrera, G.V.S.M.; Aires-de-Sousa, J. Physico-chemical properties of taskspecific ionic liquids. In Ionic Liquids: Theory, Properties, New Approaches; Kokorin, A., Ed.; InTech: Rijeka, Croatia, 2011; pp. 61–94. [Google Scholar]
  14. Park, S.; Kazlauskas, R. Biocatalysis in ionic liquids—Advantages beyond green technology. Curr. Opin. Biotechnol. 2003, 14, 432–437. [Google Scholar] [CrossRef]
  15. Pereira, C.; Busani, T.; Branco, L.C.; Joosten, I.; Sandu, I.C.A. Nondestructive Characterization and Enzyme Cleaning of Painted Surfaces: Assessment from the Macro to Nano Level. Microsc. Microanal. 2013, 19, 1632–1644. [Google Scholar] [CrossRef] [PubMed]
  16. Bratu, I.; Paduraru, M.; Marutoiu, C.; Pop, S.S.F.; Kacso, I.; Tanaselia, C.; Marutoiu, O.F.; Sandu, I.C.A. Multianalytical Study on Two Wooden Icons from the Beginning of the Eighteenth Century Evaluation of conservation state. Rev. Chim. Bucharest 2016, 67, 2383–2388. [Google Scholar]
  17. Prati, S.; Sciutto, G.; Volpi, F.; Rehorn, C.; Vurro, R.; Blumich, B.; Mazzocchetti, L.; Giorgini, L.; Samori, C.; Galletti, P.; et al. Cleaning oil paintings: NMR relaxometry and SPME to evaluate the effects of green solvents and innovative green gels. New J. Chem. 2019, 43, 8229–8238. [Google Scholar] [CrossRef]
  18. Guizzo, S.; Tortolini, C.; Pepi, F.; Leonelli, F.; Mazzei, F.; Di Turo, F.; Favero, G. Application of microemulsions for the removal of synthetic resins from paintings on canvas. Nat. Prod. Res. 2019, 33, 1015–1025. [Google Scholar] [CrossRef]
  19. Prati, S.; Volpi, F.; Fontana, R.; Galletti, P.; Giorgini, L.; Mazzeo, L.; Mazzocchetti, L.; Samori, C.; Sciutto, G.; Tagliavini, E. Sustainability in art conservation: A novel bio-based organogel for the cleaning of water sensitive works of art. Pure Appl. Chem. 2018, 90, 239–251. [Google Scholar] [CrossRef]
  20. Poli, T.; Piccirillo, A.; Nervo, M.; Chiantore, O. Interactions of natural resins and pigments in works of art. J. Colloid Interface Sci. 2017, 503, 1–9. [Google Scholar] [CrossRef]
  21. Wolbers, R. Cleaning Painted Surfaces, Aqueous Methods; Archetype Publications: London, UK, 2003. [Google Scholar]
  22. Wolbers, R.; Stavroudis, C. Aqueous Methods for the Cleaning of Paintings. In Conservation of Easel Paintings; Stoner, J.H., Rushfield, R., Eds.; Book Series: Routledge Series in Conservation and Museology; Routledge: New York, NY, USA, 2012; pp. 500–523. [Google Scholar]
  23. Wolbers, R. A Methodological Approach to Selecting a Cleaning System. In Solvent Gels for the Cleaning of Works of Art: The Residue Question, 1st ed.; Dorge, V., Ed.; The Getty Conservation Institute: Los Angeles, CA, USA, 2004; pp. 54–65. [Google Scholar]
  24. Garcia, J.M.B.; de la Torre, A.R.; Marin, E.P. The combined use of cross-section analysis and other stratigraphic recording systems in the cleaning of two panel paintings from the fifteenth- and sixteenth-century. Stud. Conserv. 2015, 60, 245–252. [Google Scholar] [CrossRef]
  25. Calvo, A. Conservación y Restauración de Pintura Sobre Lienzo; Serbal: Barcelona, Spain, 2002. [Google Scholar]
  26. Oujja, M.; Psilodimitrakopoulos, S.; Carrasco, E.; Sanz, M.; Philippidis, A.; Selimis, A.; Pouli, P.; Filippidis, G.; Castillejo, M. Nonlinear imaging microscopy for assessing structural and photochemical modifications upon laser removal of dammar varnish on photosensitive substrates. Phys. Chem. Chem. Phys. 2017, 19, 22836–22843. [Google Scholar] [CrossRef]
  27. Ouija, M.; Sanz, M.; Rebollar, E.; Marco, J.F.; Domingo, C.; Polui, P.; Kongo, S.; Fotakis, C.; Castillejo, M. Wavelength and pulse duration effects on laser induced changes on raw pigments used in paintings. Spectrochim. Acta Part A Mol. Biomol. Spectrosc. 2013, 102, 7–14. [Google Scholar] [CrossRef] [PubMed]
  28. Ragesh, P.; Ganesh, V.A.; Naira, S.V.; Nair, A.S. A review on ‘self-cleaning and multifunctional materials’. J. Mater. Chem. A 2014, 2, 14773–14797. [Google Scholar] [CrossRef]
  29. Pouli, P.; Emmony, D.C. The Effect of Nd: YAG Laser Radiation on Medieval Pigments. J. Cult. Herit. 2000, 1, S181–S188. [Google Scholar] [CrossRef]
  30. Pouli, P.; Emmony, D.C.; Madden, C.E.; Sutherland, I. Studies Towards a Thorough Understanding of the Laserinduced Discoloration Mechanisms of Medieval Pigments. J. Cult. Herit. 2003, 4, 271–275. [Google Scholar] [CrossRef]
  31. Pouli, P.; Oujja, M.; Castillejo, M. Practical Issues in Laser Cleaning of Stone and Painted Artefacts: Optimisation Procedures and Side Effects. Appl. Phys. A Mater. Sci. Process 2012, 106, 447–464. [Google Scholar] [CrossRef]
  32. Siano, S.; Agresti, J.; Cacciari, I.; Ciofini, D.; Mascalchi, M.; Osticioli, I.; Mencaglia, A.A. Laser cleaning in conservation of stone, metal and painted artifacts: State of the art and new insights on the use of the Nd:YAG lasers. Appl. Phys. A Mater. Sci. Process. 2012, 106, 419–446. [Google Scholar] [CrossRef]
  33. Vounisiou, P.; Selimis, A.; Tserevelakis, G.J.; Melessanaki, K.; Pouli, P.; Filippidis, G.; Beltsios, C.; Georgiou, S.; Fotakis, C. The use of model probes for assessing in depth modifications induced during laser cleaning of modern paintings. Appl. Phys. A Mater. Sci. Process. 2010, 100, 647–652. [Google Scholar] [CrossRef]
  34. Pruteanu, S.; Sandu, I.; Vasilache, V.; Gherman, L.G.; Sandu, I.C.A.; Cristache, R.A. Integrated Analytical Study for the Evaluation of Cleaning Effectiveness on Old Wood Romanian Icons. Pro Ligno 2013, 9, 242–250. [Google Scholar]
  35. Pruteanu, S.; Gherman, L.G.; Sandu, I.; Hayashi, M.; Cozma, D.G.; Vasilache, V.; Sandu, I.C.A. Ecological Materials Used in Preservation and Restoration on New Wood. Pro Ligno 2013, 9, 265–275. [Google Scholar]
  36. Vasilache, V.; Sandu, I.C.A.; Pruteanu, S.; Caldeira, A.T.; Simionescu, A.E.; Sandu, I. Testing the cleaning effectiveness of new ecological aqueous dispersions applied on old icons. Appl. Surf. Sci. 2016, 367, 70–79. [Google Scholar] [CrossRef]
  37. Pruteanu, S.; Sandu, I.; Vasilache, V. Modern procedures used in cleaning old, illegibly and blackened icons, Present Environ. Sustain. Dev. 2015, 9, 219–236. [Google Scholar] [CrossRef][Green Version]
  38. Pruteanu, S.; Vasilache, V.; Sandu, I.C.A.; Budu, A.M.; Sandu, I. Assessment of Cleaning Effectiveness for New Ecological Systems on Ancient Tempera Icon by Complementary Microscopy Techniques. Microsc. Res. Tech. 2014, 77, 1060–1070. [Google Scholar] [CrossRef]
  39. Pruteanu, S.; Sandu, I.; Timar, M.C.; Munteanu, M.; Vasilache, V.; Sandu, I.C.A. Ecological Systems Applied for Cleaning Gilding in Old Icons. Rev. Chim. Bucharest 2014, 65, 1467–1472. [Google Scholar]
  40. Sandu, I.C.A.; Luca, C.; Sandu, I. Study on the compatibility between the old artistic techniques and the new materials and methods for the conservation—Restauration processes inventations. I. Theoretical aspects. Rev. Chim. Bucharest 2000, 51, 532–542. [Google Scholar]
  41. Sandu, I.C.A.; Bracci, S.; Loberfaro, M.; Sandu, I. Integrated Methodology for the Evaluation of Cleaning Effectiveness in Two Russian Icons (16th–17th Centuries). Microscop. Res. Tech. 2010, 73, 752–760. [Google Scholar]
Figure 1. The icon “Saint George” (a)—front, (b)—back; (c)—icon top edge.
Figure 1. The icon “Saint George” (a)—front, (b)—back; (c)—icon top edge.
Applsci 10 01175 g001
Figure 2. The sampling areas and those used for the washing test in the pictorial layer of the “Saint George” icon: F1—blue background; F2—aureole; F3—carnage; F4—green background; F5—red garment; F6—blue garment.
Figure 2. The sampling areas and those used for the washing test in the pictorial layer of the “Saint George” icon: F1—blue background; F2—aureole; F3—carnage; F4—green background; F5—red garment; F6—blue garment.
Applsci 10 01175 g002
Figure 3. Evolution of absorption curves according to the wavelength and comparison of the absorption levels from λmax for the St. John’s Wort supernatants activated by the four conditions.
Figure 3. Evolution of absorption curves according to the wavelength and comparison of the absorption levels from λmax for the St. John’s Wort supernatants activated by the four conditions.
Applsci 10 01175 g003
Figure 4. Evolution of absorption curves according to the wavelength and comparison of the absorption levels from λmax for the sage supernatants activated by the four conditions.
Figure 4. Evolution of absorption curves according to the wavelength and comparison of the absorption levels from λmax for the sage supernatants activated by the four conditions.
Applsci 10 01175 g004
Figure 5. Evolution of absorption curves according to the wavelength and comparison of the absorption levels from λmax for the licorice sample supernatants activated by the four conditions.
Figure 5. Evolution of absorption curves according to the wavelength and comparison of the absorption levels from λmax for the licorice sample supernatants activated by the four conditions.
Applsci 10 01175 g005
Figure 6. The 6 samples area taken from the pictorial layer of the Saint George icon (×100): F1—blue background; F2—aureole; F3—carnage; F4—green background; F5—red garment; F6—blue garment.
Figure 6. The 6 samples area taken from the pictorial layer of the Saint George icon (×100): F1—blue background; F2—aureole; F3—carnage; F4—green background; F5—red garment; F6—blue garment.
Applsci 10 01175 g006
Figure 7. SEM microphotographs of the 6 samples: F1—blue background; F2—aureole; F3—carnage; F4—green background; F5—red garment; F6—blue garment.
Figure 7. SEM microphotographs of the 6 samples: F1—blue background; F2—aureole; F3—carnage; F4—green background; F5—red garment; F6—blue garment.
Applsci 10 01175 g007
Figure 8. Cleaning tests.
Figure 8. Cleaning tests.
Applsci 10 01175 g008
Figure 9. CIEL*a*b* colorimetry with the extracts obtained by boiling (S1B-S3B), microwave (S1M-S3M), ultrasound (S1U-S3U) and at room temperature (S1E-S3E).
Figure 9. CIEL*a*b* colorimetry with the extracts obtained by boiling (S1B-S3B), microwave (S1M-S3M), ultrasound (S1U-S3U) and at room temperature (S1E-S3E).
Applsci 10 01175 g009
Table 1. pH values of supernatants.
Table 1. pH values of supernatants.
SupernatantpHSupernatantpH
S1E4.54S1B4.54
S2E6.25S2B5.99
S3E5.29S3B5.72
S1U4.47S1M4.46
S2U6.07S2M6.01
S3U6.50S3M5.77
Table 2. The elemental composition of the 6 samples analyzed.
Table 2. The elemental composition of the 6 samples analyzed.
SampleThe Elemental Composition in Gravimetric Percentages (%)
SiAlFePbCaMgZnClNaTiKPSCO
F11.7040.7800.3525.5894.963-21.6420.2370.164-0.373-3.29113.94445.433
F21.2451.4330.5414.7092.0681.1441.299-2.373-0.389-0.67419.59663.952
F32.4331.3650.6235.6541.7300.9381.1040.6022.330-0.5500.385-13.82268.456
F414.5359.0400.723-3.7934.4351.3252.9996.3091.1652.281-5.05112.93935.396
F513.7985.5212.618-4.5051.3697.786-1.7040.5781.945-1.1846.69944.623
F62.0661.2220.7155.3622.4690.5991.365-1.626-0.5210.3752.19414.16667.312

Share and Cite

MDPI and ACS Style

Iurcovschi, T.C.; Vasilache, V.; Sandu, I.; Zaharia, M.; Pintilie, O.; Sandu, A.V. New Ecological Solutions Involved in the Cleaning of a 19th Century Icon. Appl. Sci. 2020, 10, 1175. https://doi.org/10.3390/app10031175

AMA Style

Iurcovschi TC, Vasilache V, Sandu I, Zaharia M, Pintilie O, Sandu AV. New Ecological Solutions Involved in the Cleaning of a 19th Century Icon. Applied Sciences. 2020; 10(3):1175. https://doi.org/10.3390/app10031175

Chicago/Turabian Style

Iurcovschi, Tudor Cosmin, Viorica Vasilache, Ion Sandu, Marius Zaharia, Olga Pintilie, and Andrei Victor Sandu. 2020. "New Ecological Solutions Involved in the Cleaning of a 19th Century Icon" Applied Sciences 10, no. 3: 1175. https://doi.org/10.3390/app10031175

APA Style

Iurcovschi, T. C., Vasilache, V., Sandu, I., Zaharia, M., Pintilie, O., & Sandu, A. V. (2020). New Ecological Solutions Involved in the Cleaning of a 19th Century Icon. Applied Sciences, 10(3), 1175. https://doi.org/10.3390/app10031175

Note that from the first issue of 2016, this journal uses article numbers instead of page numbers. See further details here.

Article Metrics

Back to TopTop