Power Flow Calculation Methods for Power Systems with Novel Structure UPFC
Abstract
1. Introduction
2. The General Structure UPFC and Its Equivalent Model
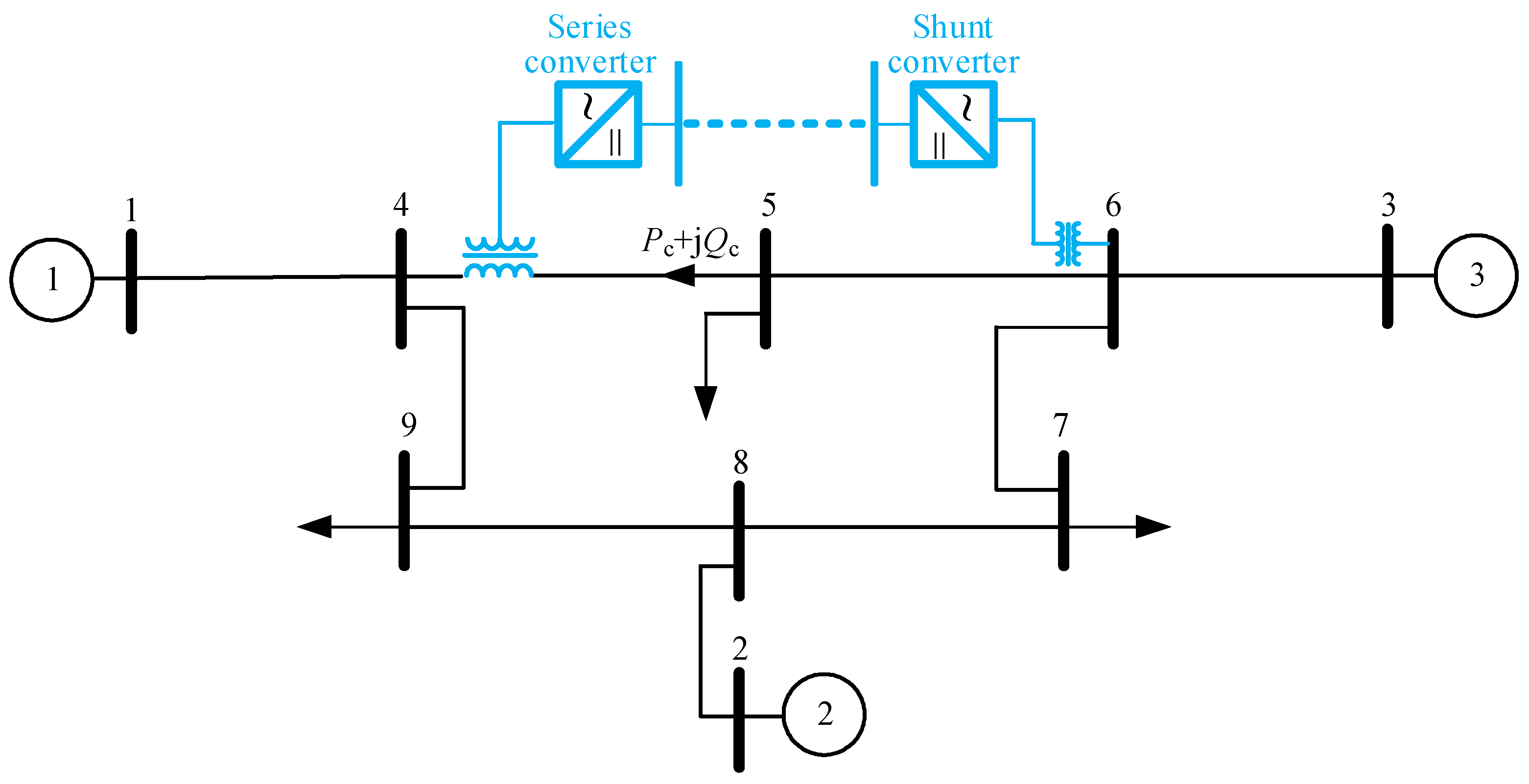
2.1. The General Structure of UPFC
2.2. Power Flow of the UPFC Series Side
2.3. Power Flow of the UPFC Shunt Side
2.4. Equivalent Model of Conventional Structure UPFC
3. Three Power Flow Calculation Methods
3.1. Power Mismatch Equations and Jacobian Matrix
3.2. Handling Conventional Structure UPFC
3.3. Three Power Flow Calculation Methods
4. Case Studies
4.1. WSCC 9-Bus Test System
- (1)
- The number of iterations required by the original method is always the least. Under different control targets of the UPFC, the iteration numbers of the original method are always kept at about 5, and the change is very small.
- (2)
- When the power flow control target is close to the natural power flow (which is about −30 MW), the number of iterations required by the simplified method is about 10, which is slightly more than the number required by the original method. However, when the regulation effect of the UPFC on power flow increases (for example, when Pc < −100 MW), the number of iterations required by the simplified method increases significantly.
- (3)
- The improved method requires more iterations than the original method to achieve convergence; but compared with the simplified method, when the UPFC power flow regulation effect increases, the improved method has significantly fewer iterations than the simplified method. The number of iterations can be effectively reduced by simply using the improved method with λ = 0.1. When the UPFC power flow regulation effect is small, the iteration number of the improved method is not much different from the simplified method; both methods can reach convergence in about 10 iterations.
4.2. IEEE 39-Bus Test System
5. Conclusions
- (1)
- Using the UPFC model proposed in this paper, the UPFC with different structures can be easily integrated in a power flow calculation.
- (2)
- The power flow calculation method (“original method”), which strictly corrects the power mismatch equations and the Jacobian matrix, can maintain good convergence characteristics under different control targets; however, because this method requires modifications of the Jacobian matrix, it is more complicated in terms of program implementation.
- (3)
- The simplified method, which only modifies the power mismatch equations based on the UPFC equivalent power injections and does not modify the Jacobian matrix, can realize the power flow calculation in existing calculation programs. However, when the UPFC has a great effect on power flow regulation, the iteration number of this method will increase significantly.
- (4)
- The improved method, which considers the impact of the Jacobian matrix modifications in the UPFC equivalent power injections, can also realize power flow calculation in existing power flow calculation programs, and this method is superior to the simplified method in terms of convergence characteristics.
- (5)
- For the conventional structure UPFC, if the series converter controls the active power and reactive power of the line, and the shunt converter controls the AC bus voltage, only one item is needed to be modified in the Jacobian matrix. The addition of the UPFC has little effect on the Jacobian matrix, thus the convergence characteristics of the three methods are very close.
Author Contributions
Funding
Conflicts of Interest
References
- Hingorani, N.G. High power electronics and flexible AC transmission system. IEEE Power Eng. Rev. 1988, 8, 3–4. [Google Scholar] [CrossRef]
- Georgilakis, P.S.; Hatziargyriou, N.D. Unified power flow controllers in smart power systems: Models, methods, and future research. IET Smart Grid 2019, 2, 2–10. [Google Scholar] [CrossRef]
- Albatsh, F.M.; Mekhilef, S.; Ahmad, S.; Mokhlis, H.; Hassan, M.A. Enhancing power transfer capability through flexible AC transmission system devices: A review. Front. Inf. Technol. Electron. Eng. 2015, 16, 658–678. [Google Scholar] [CrossRef]
- Gyugyi, L.; Schauder, C.D.; Williams, S.L.; Rietman, T.R.; Tprgerson, D.R. The unified power flow controller: A new approach to power transmission control. IEEE Trans. Power Deliv. 1995, 10, 1085–1097. [Google Scholar] [CrossRef]
- Tang, J.; Ma, H.; Yang, X.; Liu, X.; Wang, X.; Wu, J.; Li, D.; Liu, L. Research on AC transmission line fault ride-through control strategy of MMC-based unified power flow controller. J. Eng. 2017, 2017, 1580–1583. [Google Scholar] [CrossRef]
- Cai, H.; Yang, L.; Wang, H.; Song, P.; Xu, Z. Application of Unified Power Flow Controller (UPFC) in Jiangsu power system. In Proceedings of the 2017 IEEE Power & Energy Society General Meeting, Chicago, IL, USA, 16–20 July 2017; pp. 1–5. [Google Scholar]
- Li, P.; Wang, Y.; Feng, C.; Lin, J. Application of MMC-UPFC in the 500 kV power grid of Suzhou. J. Eng. 2017, 2017, 2514–2518. [Google Scholar] [CrossRef]
- Wei, X.; Cui, Y.; Feng, Y.; Song, J.; Yu, Y.; Bao, W.; Guo, Q. Analysis of application effcet of 220 kV UPFC demonstration project in Shanghai Grid. Power Syst. Prot. Control 2018, 46, 136–142. [Google Scholar]
- Yang, J.; Song, P.; Xu, Z.; Xiao, H.; Cai, H.; Xie, Z. Small-signal model of vector current-controlled MMC-UPFC. IET Gener. Transm. Distrib. 2019, 13, 4180–4189. [Google Scholar] [CrossRef]
- Kamel, S.; Jurado, F.; Lopes, J.A.P. Comparison of various UPFC models for power flow control. Electr. Power Syst. Res. 2015, 121, 243–251. [Google Scholar] [CrossRef]
- Nabavi-Niaki, A.; Iravani, M.R. Steady-state and dynamic models of unified power flow controller (UPFC) for power system studies. IEEE Trans. Power Syst. 1996, 11, 1937–1943. [Google Scholar] [CrossRef]
- Xu, Y.; Li, N.; Wang, H.; Chen, H. Model of power flow control based on unified power flow controller. Proc. EPSA 1996, 8, 1–6. [Google Scholar]
- Fang, W.L.; Ngan, H.W. Control setting of unified power flow controllers through a robust load flow calculation. IEE Proc. Gener. Transm. Distrib. 1999, 146, 365–369. [Google Scholar] [CrossRef]
- Wang, X.; Wan, F.; Du, Z. Modern Power System Analysis; China Science Publishing & Media Ltd.: Beijing, China, 2003. [Google Scholar]
- Haque, M.H.; Yam, C.M. A simple method of solving the controlled load flow problem of a power system in the presence of UPFC. Electr. Power Syst. Res. 2003, 65, 55–62. [Google Scholar] [CrossRef]
- Alomoush, M.I. Exact Pi-model of UPFC-inserted transmission lines in power flow studies. IEEE Power Eng. Rev. 2002, 22, 54–56. [Google Scholar] [CrossRef]
- Fuerte-Esquivel, C.R.; Acha, E. Unified power flow controller: A critical comparison of Newton–Raphson UPFC algorithms in power flow studies. IEE Proc. Gener. Transm. Distrib. 1997, 144, 437–444. [Google Scholar] [CrossRef]
- Zhang, X. Modeling of FACTS in power flow and optimal power flow analysis. Autom. Electr. Power Syst. 2005, 29, 22–29. [Google Scholar]
- Zhang, X.; Godfrey, K.R. Advanced unified power flow controller model for power system steady state control. In Proceedings of the 2004 IEEE International Conference on Electric Utility Deregulation, Restructuring & Power Technologies, Hong Kong, China, 5–8 April 2004; pp. 228–233. [Google Scholar]
- Jiang, X.; Fang, X.; Chow, J.H.; Edris, A.; Uzunovic, E.; Parisi, M.; Hopkins, L. A novel approach for modeling voltage-sourced converter-based FACTS controllers. IEEE Trans. Power Deliv. 2008, 23, 2591–2598. [Google Scholar] [CrossRef]
- Kamel, S.; Abdel-Akher, M.; Jurado, F.; Ruiz-Rodríguez, F.J. Modeling and analysis of voltage and power control devices in current injections load flow method. Electr. Power Compon. Syst. 2013, 41, 324–344. [Google Scholar] [CrossRef]
- Ebeed, M.; Kamel, S.; Yu, J.; Jurado, F. Development of UPFC operating constraints enforcement approach for power flow control. IET Gener. Transm. Distrib. 2019, 13, 4579–4591. [Google Scholar] [CrossRef]
- Ebeed, M.; Kamel, S.; Jurado, F. Constraints violation handling of GUPFC in Newton-Raphson power flow. Electr. Power Compon. Syst. 2017, 45, 925–936. [Google Scholar] [CrossRef]
- Vural, A.M.; Tumay, M. Mathematical modeling and analysis of a unified power flow controller: A comparison of two approaches in power flow studies and effects of UPFC location. Electr. Power Energy Syst. 2007, 29, 617–629. [Google Scholar] [CrossRef]
- Foerte-Esquive, C.R.; Acha, E.; Ambriz-Perez, H. A comprehensive Newton-Raphson UPFC model for the quadratic power flow solution of practical power networks. IEEE Trans. Power Syst. 2000, 15, 102–109. [Google Scholar] [CrossRef]
- Yi, S.; Guo, Z. Power flow solution by improved mode additional injection model with power flow controllers. Relay 2004, 32, 5–10. [Google Scholar]
- Anderson, P.M. Power system control and stability. IEEE Power Eng. Rev. 1995, 15, 40. [Google Scholar] [CrossRef]
- Milano, F. Implicit continuous Newton method for power flow analysis. IEEE Trans. Power Syst. 2019, 34, 3309–3311. [Google Scholar] [CrossRef]
- Tostado-Véliz, M.; Kamel, S.; Jurado, F. Power flow approach based on the S-iteration process. IEEE Trans. Power Syst. 2020. [Google Scholar] [CrossRef]









| Bus No. | Voltage/pu | Phase Angle/° |
|---|---|---|
| 1 | 1.000 | 0.000 |
| 2 | 1.000 | 9.285 |
| 3 | 1.000 | 4.147 |
| 4 | 0.979 | −2.428 |
| 5 | 1.001 | −4.959 |
| 6 | 1.000 | 1.292 |
| 7 | 0.983 | 0.114 |
| 8 | 0.994 | 3.403 |
| 9 | 0.952 | −4.534 |
| From Bus No. | To Bus No. | P/MW | Q/MVAr |
|---|---|---|---|
| 1 | 4 | 72.08 | 37.62 |
| 2 | 8 | 163.00 | 17.80 |
| 3 | 6 | 85.00 | 2.12 |
| 4 | 5 | 28.53 | 14.94 |
| 4 | 9 | 43.55 | 18.87 |
| 5 | 6 | −60.00 | 0.00 |
| 6 | 7 | 21.71 | 4.15 |
| 7 | 8 | −78.37 | −11.00 |
| 8 | 9 | 84.09 | −0.03 |
| Pc/MW | Original Method | Simplified Method | Improved Method | ||
|---|---|---|---|---|---|
| 120 | 6 | 47 | 17 | 0.15 | 25 |
| 90 | 6 | 19 | 12 | 0.1 | 12 |
| 60 | 5 | 11 | 9 | 0.05 | 10 |
| 30 | 5 | 8 | 9 | 0.05, 0.1 | 9 |
| 0 | 5 | 8 | 9 | 0.05 | 10 |
| −30 | 5 | 8 | 9 | 0.05 | 10 |
| −60 | 5 | 8 | 8 | 0.05, 0.1 | 8 |
| −90 | 5 | 11 | 9 | 0.05 | 10 |
| −120 | 5 | 15 | 11 | 0.1 | 11 |
| −150 | 5 | 22 | 13 | 0.1 | 13 |
| −180 | 6 | 32 | 16 | 0.15 | 19 |
| −210 | 6 | >50 (not converge) | 17 | 0.15 | 28 |
| Pc/MW | Original Method | Simplified Method | Improved Method | |
|---|---|---|---|---|
| 1250 | 6 | 39 | 17 | 23 |
| 1000 | 6 | 24 | 15 | 15 |
| 750 | 5 | 17 | 13 | 13 |
| 500 | 5 | 12 | 11 | 11 |
| 250 | 5 | 8 | 9 | 9 |
| 0 | 5 | 5 | 5 | 6 |
| −250 | 5 | 8 | 8 | 9 |
| −500 | 5 | 10 | 10 | 11 |
| −750 | 5 | 16 | 13 | 13 |
| −1000 | 5 | 23 | 15 | 15 |
| −1250 | 6 | 36 | 17 | 21 |
| −1500 | 6 | >50 (not converge) | 19 | 33 |
| Method | Programming | Performance | ||
|---|---|---|---|---|
| Jacobian Matrix | UPFC Equivalence | Convergence Characteristic | Computing Time | |
| Original method | ★ | ★★★ | ★★★ | ★★★ |
| Simplified method | ★★★ | ★★★ | ★ | ★★ |
| Improved method | ★★★ | ★★ | ★★ | ★★★ |
© 2020 by the authors. Licensee MDPI, Basel, Switzerland. This article is an open access article distributed under the terms and conditions of the Creative Commons Attribution (CC BY) license (http://creativecommons.org/licenses/by/4.0/).
Share and Cite
Yang, J.; Xu, Z. Power Flow Calculation Methods for Power Systems with Novel Structure UPFC. Appl. Sci. 2020, 10, 5121. https://doi.org/10.3390/app10155121
Yang J, Xu Z. Power Flow Calculation Methods for Power Systems with Novel Structure UPFC. Applied Sciences. 2020; 10(15):5121. https://doi.org/10.3390/app10155121
Chicago/Turabian StyleYang, Jian, and Zheng Xu. 2020. "Power Flow Calculation Methods for Power Systems with Novel Structure UPFC" Applied Sciences 10, no. 15: 5121. https://doi.org/10.3390/app10155121
APA StyleYang, J., & Xu, Z. (2020). Power Flow Calculation Methods for Power Systems with Novel Structure UPFC. Applied Sciences, 10(15), 5121. https://doi.org/10.3390/app10155121

