Smart Power Electronics–Based Solutions to Interface Solar-Photovoltaics (PV), Smart Grid, and Electrified Transportation: State-of-the-Art and Future Prospects
Abstract
1. Introduction
- Excessive current harmonic distortion on the grid—when interfacing an EV battery to the grid, the battery is seen as a high-power DC load that continuously draw power from the grid, producing a high harmonic distortion;
- Sophisticated tracking algorithms has to be used to optimize the extraction of the maximum power point (MPP) of the PV array at any extreme environment conditions;
- It is important to follow the behavior of the PV module at higher frequencies, trying to avoid high voltage ripples at the output side of the DC–DC converter used at the PV stage. If there are high ripples, it will produce an instability in the MPP;
- Depending on the requirements of the system, the type of galvanic isolation at the input or output of the system must be decided, considering decisive factors such as weight, cost, additional losses produced in the system, and the power factor;
- Adequate DC output so it meets the power quality requirements of the AC grid;
- When using non-isolated inverters, there are associated problems such as DC current injection to the grid and common mode leakage current.
2. Overview of EV and PV Systems
2.1. Electric Vehicles
2.2. PV Systems
3. PV-Grid Tied Charging Stations for EVs and PHEVs
3.1. Structure of the System
3.2. Operating Modes
3.2.1. Mode 1 (PV to Battery)
3.2.2. Mode 2 (Grid to Battery)
3.2.3. Mode 3 (PV and Grid to Battery)
3.2.4. Mode 4 (PV to Grid)
3.2.5. Mode 5 (Vehicle-to-Grid)
4. Power Converter Topologies
4.1. PV Stage (Unidirectional DC–DC Converters)
4.2. AC Grid Stage (AC–DC Converters)
- One-phase half-bridge (HB) bidirectional boost inverter (Figure 7a);
- One-phase voltage source inverter (VSI) full-bridge (FB) bidirectional boost inverter (Figure 7b);
- One-phase one-stage isolated bidirectional inverter with output low pass filter (LPF) (Figure 7c);
- Full-bridge (FB) bidirectional inverter with leakage current reduction (Figure 7d);
- Three-phase full-bridge (FB) bidirectional inverter (Figure 7e);
- Three-level three-phase diode neutral point clamped (NPC) inverter (Figure 7f);
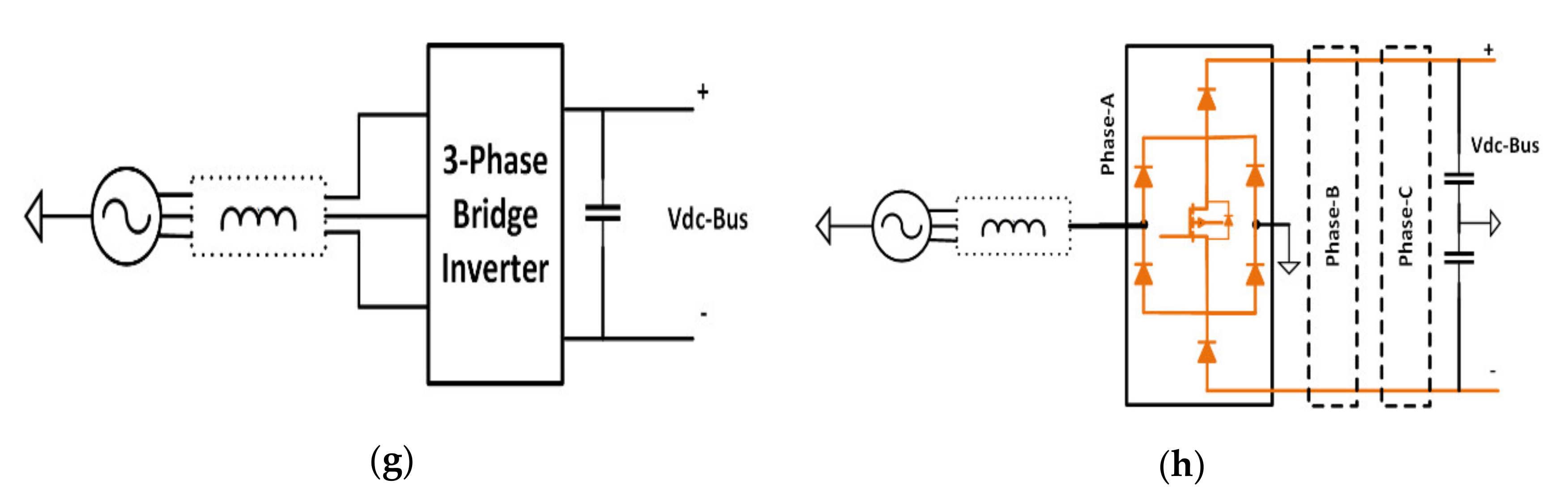
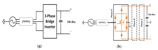
- Three-phase bridgeless boost inverter (Figure 7g);
- Three-phase Vienna rectifier (Figure 7h).
4.3. Charger Stage (Bidirectional DC–DC Converters)
4.3.1. Non-Isolated Charger Topologies
- Bidirectional converter with coupled inductors and output filter (Figure 8a);
- Zero-voltage-switching (ZVS) interleaved HB converter (Figure 8b);
- HB converter with resonant circuit (Figure 8c);
- Zero-voltage-transition (ZVT) interleaved converter with resonant circuit (Figure 8d);
- ZVS HB converter with coupled inductors (Figure 8e);
- Three-phase interleaved buck converter (Figure 8f).
4.3.2. Isolated Charger Topologies
4.3.3. Single-Stage Conversion (Z-Source Inverter)
- Single point of fault is avoided;
- ZSI has a packed structure due to the decreased number of stages;
- Galvanic isolation is feasible between the charger side and the PV and grid;
- Presents an opening to step up the charging power levels by adding such converters;
- Any battery voltage levels can be charged by changing the charger side of the converter between voltage sharing or current sharing;
- Due to the dependency on the size of passive components, higher frequency this inverter can be designed using wide-band-gap devices.
5. Conclusions and Future Prospects
Author Contributions
Funding
Acknowledgments
Conflicts of Interest
References
- Zidan, A.; Gabbar, H.A. Design and Control of V2G. In Smart Energy Grid Engineering; Elsevier: Amsterdam, The Netherlands, 2017; pp. 187–205. [Google Scholar]
- IEA. CO2 Emissions from Fuel Combustion 2019—Highlights; Highlights 2019 edition; International Energy Agency (IEA): Paris, France, 2019; p. 165. [Google Scholar]
- Singh, K.V.; Bansal, H.O.; Singh, D. A Comprehensive Review on Hybrid Electric Vehicles: Architectures and Components. J. Mod. Transp. 2019, 27, 77–107. [Google Scholar] [CrossRef]
- Zhang, R.; Fujimori, S. The Role of Transport Electrification in Global Climate Change Mitigation Scenarios. Environ. Res. Lett. 2020, 15, 034019. [Google Scholar] [CrossRef]
- Shaukat, N.; Khan, B.; Ali, S.M.; Mehmood, C.A.; Khan, J.; Farid, U.; Majid, M.; Anwar, S.M.; Jawad, M.; Ullah, Z. A Survey on Electric Vehicle Transportation within Smart Grid System. Renew. Sustain. Energy Rev. 2018, 81, 1329–1349. [Google Scholar] [CrossRef]
- Badin, F.; Scordia, J.; Trigui, R.; Vinot, E.; Jeanneret, B. Hybrid Electric Vehicles Energy Consumption Decrease According to Drive Train Architecture, Energy Management and Vehicle Use. In IET Hybrid Vehicle; IET Digital Library: Coventry, UK, 2006; Volume 11, pp. 213–223. [Google Scholar] [CrossRef]
- Narayan, A. The Electrification of Transport Could Transform our Future—If We are Prepared for It. Available online: https://www.weforum.org/agenda/2018/08/we-must-get-it-right-with-electric-vehicles-for-the-sake-of-our-planet/ (accessed on 6 May 2020).
- Gabbar, H.A. Smart Energy Grid Engineering; Elsevier: Amsterdam, The Netherlands, 2017. [Google Scholar] [CrossRef]
- Su, W.; Eichi, H.; Zeng, W.; Chow, M.-Y. A Survey on the Electrification of Transportation in a Smart Grid Environment. IEEE Trans. Ind. Inform. 2012, 8, 1–10. [Google Scholar] [CrossRef]
- Cheng, X.; Hu, X.; Yang, L.; Husain, I.; Inoue, K.; Krein, P.; Lefevre, R.; Li, Y.; Nishi, H.; Taiber, J.G.; et al. Electrified Vehicles and the Smart Grid: The ITS Perspective. IEEE Trans. Intell. Transp. Syst. 2014, 15, 1388–1404. [Google Scholar] [CrossRef]
- Mwasilu, F.; Justo, J.J.; Kim, E.-K.; Do, T.D.; Jung, J.-W. Electric Vehicles and Smart Grid Interaction: A Review on Vehicle to Grid and Renewable Energy Sources Integration. Renew. Sustain. Energy Rev. 2014, 34, 501–516. [Google Scholar] [CrossRef]
- IRENA. Renewable Capacity Statistics 2020; International Renewable Energy Agency (IRENA): Abu Dhabi, UAE, 2020. [Google Scholar]
- Bhatti, A.R.; Salam, Z.; Aziz, M.J.B.A.; Yee, K.P.; Ashique, R.H. Electric Vehicles Charging Using Photovoltaic: Status and Technological Review. Renew. Sustain. Energy Rev. 2016, 54, 34–47. [Google Scholar] [CrossRef]
- MarketsAndMarkets. Electric Vehicle Market by Vehicle (Passenger Cars & Commercial Vehicles), Vehicle Class (Mid-Priced & Luxury), Propulsion (BEV, PHEV & FCEV), EV Sales (OEMs/Models) Charging Station (Normal & Super) & Region—Global Forecast to 2030. 2019. Available online: https://www.marketsandmarkets.com/Market-Reports/electric-vehicle-market-209371461.html (accessed on 19 July 2020).
- Berthold, F. Integration of Plug-In Hybrid Electric Vehicle with the Grid Using Vehicle-to-Home and Home-to-Vehicle Capabilities. Ph.D. Thesis, Concordia University, Montréal, QC, Canada, 2014. [Google Scholar]
- Fathabadi, H. Novel Solar Powered Electric Vehicle Charging Station with the Capability of Vehicle-to-Grid. Sol. Energy 2017, 142, 136–143. [Google Scholar] [CrossRef]
- Dusmez, S.; Cook, A.; Khaligh, A. Comprehensive Analysis of High Quality Power Converters for Level 3 Off-Board Chargers. In Proceedings of the 2011 IEEE Vehicle Power and Propulsion Conference, Chicago, IL, USA, 5–8 September 2011; pp. 1–10. [Google Scholar] [CrossRef]
- Kumar, A.; Sensarma, P. A Four-Switch Single-Stage Single-Phase Buck–Boost Inverter. IEEE Trans. Power Electron. 2017, 32, 5282–5292. [Google Scholar] [CrossRef]
- Schimpf, F.; Norum, L.E. Grid Connected Converters for Photovoltaic, State of the Art, Ideas for Improvement of Transformerless Inverters. In Proceedings of the Nordic Workshop on Power and Industrial Electronics (NORPIE/2008), Espoo, Finland, 9–11 June 2008. [Google Scholar]
- Popović-Gerber, J.; Oliver, J.A.; Cordero, N.; Harder, T.; Cobos, J.A.; Hayes, M.; O’Mathuna, S.C.; Prem, E. Power Electronics Enabling Efficient Energy Usage: Energy Savings Potential and Technological Challenges. IEEE Trans. Power Electron. 2012, 27, 2338–2353. [Google Scholar] [CrossRef]
- Preetham, G.; Shireen, W. PV Integrated Smart Charging of PHEVs Based on DC Link Voltage Sensing. IEEE Trans. Smart Grid 2014, 5, 1421–1428. [Google Scholar] [CrossRef]
- Williamson, S.S.; Rathore, A.K.; Musavi, F. Industrial Electronics for Electric Transportation: Current State-of-the-Art and Future Challenges. IEEE Trans. Ind. Electron. 2015, 62, 3021–3032. [Google Scholar] [CrossRef]
- Chau, K.T. Pure Electric Vehicles. In Alternative Fuels and Advanced Vehicle Technologies for Improved Environmental Performance; Woodhead: Cambridge, UK, 2014; pp. 655–684. [Google Scholar]
- Sharma, A.; Sharma, S. Review of Power Electronics in Vehicle-to-Grid Systems. J. Energy Storage 2019, 21, 337–361. [Google Scholar] [CrossRef]
- Rubino, L.; Capasso, C.; Veneri, O. Review on Plug-in Electric Vehicle Charging Architectures Integrated with Distributed Energy Sources for Sustainable Mobility. Appl. Energy 2017, 207, 438–464. [Google Scholar] [CrossRef]
- SAE International. Surface Vehicle Recommended Practice J1772, SAE Electric Vehicle and Plug in Hybrid Electric Vehicle Conductive Charge Coupler; SAE International: Warrendale, PA, USA, 2010. [Google Scholar]
- Lunz, B.; Sauer, D.U. Electric Road Vehicle Battery Charging Systems and Infrastructure. In Advances in Battery Technologies for Electric Vehicles; Elsevier: Amsterdam, The Netherlands, 2015; pp. 445–467. [Google Scholar] [CrossRef]
- Badawy, M.O. Grid Tied PV/Battery System Architecture and Power Management for Fast Electric Vehicle Charging. Ph.D. Thesis, University of Akron, Akron, OH, USA, 2016. [Google Scholar]
- Taghvaee, M.H.; Radzi, M.A.M.; Moosavain, S.M.; Hizam, H.; Hamiruce Marhaban, M. A Current and Future Study on Non-Isolated DC–DC Converters for Photovoltaic Applications. Renew. Sustain. Energy Rev. 2013, 17, 216–227. [Google Scholar] [CrossRef]
- Esram, T.; Chapman, P.L. Comparison of Photovoltaic Array Maximum Power Point Tracking Techniques. IEEE Trans. Energy Convers. 2007, 22, 439–449. [Google Scholar] [CrossRef]
- Pathipati, V.K.; Shafiei, A.; Carli, G.; Williamson, S.S. Integration of Renewable Energy Sources into the Transportation and Electricity Sectors. In Technologies and Applications for Smart Charging of Electric and Plug-in Hybrid Vehicles; Veneri, O., Ed.; Springer International Publishing: Cham, Switzerland, 2017; pp. 65–110. [Google Scholar] [CrossRef]
- Jiang, Y. Power Electronics Architectures and Controls for Photovoltaic Solar Energy Systems. Ph.D. Thesis, University of Alabama, Tuscaloosa, AL, USA, 2013. [Google Scholar]
- Dutta, S.; Chatterjee, K. A Buck and Boost Based Grid Connected PV Inverter Maximizing Power Yield from Two PV Arrays in Mismatched Environmental Conditions. IEEE Trans. Ind. Electron. 2018, 65, 5561–5571. [Google Scholar] [CrossRef]
- Chakraborty, S.; Vu, H.-N.; Hasan, M.M.; Tran, D.-D.; Baghdadi, M.E.; Hegazy, O. DC-DC Converter Topologies for Electric Vehicles, Plug-in Hybrid Electric Vehicles and Fast Charging Stations: State of the Art and Future Trends. Energies 2019, 12, 1569. [Google Scholar] [CrossRef]
- Ma, C.-T. System Planning of Grid-Connected Electric Vehicle Charging Stations and Key Technologies: A Review. Energies 2019, 12, 4201. [Google Scholar] [CrossRef]
- Meintz, A.; Markel, T.; Jun, M.; Zhang, J. Integrating PEVs with Renewables and the Grid; National Renewable Energy Lab. (NREL): Golden, CO, USA, 2016.
- Kisacikoglu, M. EV-Grid Integration (EVGI) Control and System Implementation; National Renewable Energy Lab. (NREL): Golden, CO, USA, 2016.
- Sujitha, N.; Krithiga, S. RES Based EV Battery Charging System: A Review. Renew. Sustain. Energy Rev. 2017, 75, 978–988. [Google Scholar] [CrossRef]
- Shafiei, A. Modeling, Analysis, and Design of a PV-Based Grid-Tied Plug-in Hybrid Electric Vehicle Battery Pack Charger. Master’s Thesis, Concordia University, Montréal, QC, Canada, 2013. [Google Scholar]
- Kamal, T.; Mumtaz, S.; Hassan, S.Z.; Khan, L. PV Based PHEVs Smart Charging Station Facility. In Proceedings of the 2015 Power Generation System and Renewable Energy Technologies (PGSRET), Islamabad, Pakistan, 10–11 June 2015; pp. 1–6. [Google Scholar] [CrossRef]
- Preetham, G.; Shireen, W. Photovoltaic Charging Station for Plug-In Hybrid Electric Vehicles in a Smart Grid Environment. In Proceedings of the 2012 IEEE PES Innovative Smart Grid Technologies (ISGT), Washington, DC, USA, 16–20 January 2012; pp. 1–8. [Google Scholar] [CrossRef]
- Dahale, S.; Das, A.; Pindoriya, N.M.; Rajendran, S. An Overview of DC-DC Converter Topologies and Controls in DC Microgrid. In Proceedings of the 2017 7th International Conference on Power Systems (ICPS), Pune, India, 21–23 December 2017; IEEE: Pune, India, 2017; pp. 410–415. [Google Scholar] [CrossRef]
- Tran, V.T.; Sutanto, D.; Muttaqi, K.M. The State of the Art of Battery Charging Infrastructure for Electrical Vehicles: Topologies, Power Control Strategies, and Future Trend. In Proceedings of the 2017 Australasian Universities Power Engineering Conference (AUPEC), Melbourne, Australia, 19–22 November 2017; IEEE: Melbourne, Australia, 2017; pp. 1–6. [Google Scholar] [CrossRef]
- Lee, J.-Y.; Moon, G.-W.; Youn, M.-J. Design of High Quality AC/DC Converter with High Efficiency Based on Half Bridge Topology. In Proceedings of the PESC 98 Record, 29th Annual IEEE Power Electronics Specialists Conference (Cat. No.98CH36196), Fukuoka, Japan, 22–22 May 1998; Volume 2, pp. 1054–1060. [Google Scholar] [CrossRef]
- Wong, N.; Kazerani, M. A Review of Bidirectional On-Board Charger Topologies for Plugin Vehicles. In Proceedings of the 2012 25th IEEE Canadian Conference on Electrical and Computer Engineering (CCECE), Montreal, QC, Canada, 29 April–2 May 2012; pp. 1–6. [Google Scholar] [CrossRef]
- Erb, D.C.; Onar, O.C.; Khaligh, A. Bi-Directional Charging Topologies for Plug-in Hybrid Electric Vehicles. In Proceedings of the 2010 Twenty-Fifth Annual IEEE Applied Power Electronics Conference and Exposition (APEC), Palm Springs, CA, USA, 21–25 February 2010; pp. 2066–2072. [Google Scholar] [CrossRef]
- Rivera, S.; Wu, B.; Kouro, S.; Yaramasu, V.; Wang, J. Electric Vehicle Charging Station Using a Neutral Point Clamped Converter with Bipolar DC Bus. IEEE Trans. Ind. Electron. 2015, 62, 1999–2009. [Google Scholar] [CrossRef]
- Sanchis, E.; Ferreres, A.; Maset, E.; Ejea, J.B.; Esteve, V.; Jordan, J.; Calvente, J.; Garrigos, A. Bidirectional High-Power High-Efficiency Non-Isolated Step-up DC-DC Converter. In Proceedings of the 2006 37th IEEE Power Electronics Specialists Conference, Jeju, Korea, 18–22 June 2006. [Google Scholar] [CrossRef]
- Zhang, J.; Lai, J.-S.; Kim, R.-Y.; Yu, W. High-Power Density Design of a Soft-Switching High-Power Bidirectional Dc–Dc Converter. IEEE Trans. Power Electron. 2007, 22, 1145–1153. [Google Scholar] [CrossRef]
- Chandra Mouli, G.R.; Schijffelen, J.; Van den Heuvel, M.; Kardolus, M.; Bauer, P. A 10 KW Solar-Powered Bidirectional EV Charger Compatible with Chademo and COMBO. IEEE Trans. Power Electron. 2019, 34, 1082–1098. [Google Scholar] [CrossRef]
- Mouawad, B.; Espina, J.; Li, J.; Empringham, L.; Johnson, C.M. Novel Silicon Carbide Integrated Power Module for EV Application; IEEE: Xi’an, China, 2018; pp. 176–180. [Google Scholar] [CrossRef]
- Singh, S.A.; Carli, G.; Azeez, N.A.; Williamson, S.S. Modeling, Design, Control, and Implementation of a Modified Z-Source Integrated PV/Grid/EV DC Charger/Inverter. IEEE Trans. Ind. Electron. 2018, 65, 5213–5220. [Google Scholar] [CrossRef]
- Carli, G. Photovoltaic Based Electric and Plug-in Hybrid Electric Vehicle Battery Charging Infrastructure Using a Modified Z-Converter Topology. Master’s Thesis, Concordia University, Montréal, QC, Canada, 2009. [Google Scholar]
- Bassa de los Mozos, A.; Chandra Mouli, G.R.; Bauer, P. Evaluation of Topologies for a Solar Powered Bidirectional Electric Vehicle Charger. IET Power Electron. 2019, 12, 3675–3687. [Google Scholar] [CrossRef]
- Singh, S.A. Design and Implementation of a Single Phase Modified Z-Source Inverter Topology for Photovoltaic-Grid Interconnected DC Charging Applications. Ph.D. Thesis, University of Ontario Institute of Technology, Oshawa, ON, Canada, 2018. [Google Scholar]
- Singh, B.; Singh, B.N.; Chandra, A.; Al-Haddad, K.; Pandey, A.; Kothari, D.P. A Review of Single-Phase Improved Power Quality Ac~dc Converters. IEEE Trans. Ind. Electron. 2003, 50, 962–981. [Google Scholar] [CrossRef]
- Singh, B.; Singh, B.N.; Chandra, A.; Al-Haddad, K.; Pandey, A.; Kothari, D.P. A Review of Three-Phase Improved Power Quality AC–DC Converters. IEEE Trans. Ind. Electron. 2004, 51, 641–660. [Google Scholar] [CrossRef]
- Verma, A.; Singh, B. Control and Implementation of Renewable Energy Based Smart Charging Station Beneficial for EVs, Home and Grid. In Proceedings of the 2019 IEEE Energy Conversion Congress and Exposition (ECCE), Baltimore, MD, USA, 29 September–3 October 2019; IEEE: Baltimore, MD, USA, 2019; pp. 5443–5449. [Google Scholar] [CrossRef]
- Salam, Z.; Ahmed, J.; Merugu, B.S. The Application of Soft Computing Methods for MPPT of PV System: A Technological and Status Review. Appl. Energy 2013, 107, 135–148. [Google Scholar] [CrossRef]
- Erickson, R.W.; Maksimovic, D. Fundamentals of Power Electronics, 2nd ed.; Springer International Publishing: Denver, CO, USA, 2004. [Google Scholar]
- Lin, B.R.; Chen, D.J.; Tsay, H.R. Bi-Directional AC/DC Converter Based on Neutral Point Clamped. In Proceedings of the ISIE 2001, 2001 IEEE International Symposium on Industrial Electronics Proceedings (Cat. No.01TH8570), Pusan, Korea, 12–16 June 2001; IEEE: Pusan, Korea, 2001; Volume 1, pp. 619–624. [Google Scholar] [CrossRef]
- Dong, D.; Luo, F.; Boroyevich, D.; Mattavelli, P. Leakage Current Reduction in a Single-Phase Bidirectional AC–DC Full-Bridge Inverter. IEEE Trans. Power Electron. 2012, 27, 4281–4291. [Google Scholar] [CrossRef]
- Jauch, F.; Biela, J. Single-Phase Single-Stage Bidirectional Isolated ZVS AC-DC Converter with PFC. In Proceedings of the 2012 15th International Power Electronics and Motion Control Conference (EPE/PEMC), Novi Sad, Serbia, 4–6 September 2012; IEEE: Novi Sad, Serbia, 2012; pp. LS5d.1-1–LS5d.1-8. [Google Scholar] [CrossRef]
- Aissa, O.; Moulahoum, S.; Colak, I.; Babes, B.; Kabache, N. Design and Real Time Implementation of Three-Phase Three Switches Three Levels Vienna Rectifier Based on Intelligent Controllers. Appl. Soft Comput. 2017, 56, 158–172. [Google Scholar] [CrossRef]
- Choi, W.-Y.; Kwon, J.-M.; Kim, E.-H.; Lee, J.-J.; Kwon, B.-H. Bridgeless Boost Rectifier with Low Conduction Losses and Reduced Diode Reverse-Recovery Problems. IEEE Trans. Ind. Electron. 2007, 54, 769–780. [Google Scholar] [CrossRef]
- Zhang, R.; Lee, F.C.; Boroyevich, D. Four-Legged Three-Phase PFC Rectifier with Fault Tolerant Capability. In Proceedings of the 2000 IEEE 31st Annual Power Electronics Specialists Conference, Conference Proceedings (Cat. No.00CH37018), Galway, Ireland, 23 June 2000; IEEE: Galway, Ireland, 2000; Volume 1, pp. 359–364. [Google Scholar] [CrossRef]
- Verdelho, P.; Marques, G.D. Four-Wire Current-Regulated PWM Voltage Converter. IEEE Trans. Ind. Electron. 1998, 45, 761–770. [Google Scholar] [CrossRef]
- Qiao, C.; Smedley, K.M. Three-Phase Unity-Power-Factor Star-Connected Switch (VIENNA) Rectifier with Unified Constant-Frequency Integration Control. IEEE Trans. Power Electron. 2003, 18, 952–957. [Google Scholar] [CrossRef]
- Channegowda, J.; Pathipati, V.K.; Williamson, S.S. Comprehensive Review and Comparison of DC Fast Charging Converter Topologies: Improving Electric Vehicle Plug-to-Wheels Efficiency. In Proceedings of the 2015 IEEE 24th International Symposium on Industrial Electronics (ISIE), Buzios, Brazil, 3–5 June 2015; IEEE: Buzios, Brazil, 2015; pp. 263–268. [Google Scholar] [CrossRef]
- Rueda, P.; Ghani, S.; Perol, P. A New Energy Transfer Principle to Achieve a Minimum Phase & Continuous Current Boost Converter. In Proceedings of the 2004 IEEE 35th Annual Power Electronics Specialists Conference (IEEE Cat. No.04CH37551), Aachen, Germany, 20–25 June 2004; IEEE: Aachen, Germany, 2004; pp. 2232–2236. [Google Scholar] [CrossRef]
- Calvente, J.; Martinez-Salamero, L.; Valderrama, H.; Vidal-Idiarte, E. Using Magnetic Coupling to Eliminate Right Half-Plane Zeros in Boost Converters. IEEE Power Electron. Lett. 2004, 2, 58–62. [Google Scholar] [CrossRef]
- Kwon, M.; Oh, S.; Choi, S. High Gain Soft-Switching Bidirectional DC–DC Converter for Eco-Friendly Vehicles. IEEE Trans. Power Electron. 2014, 29, 1659–1666. [Google Scholar] [CrossRef]
- Han, J.; Lim, C.S.; Cho, J.H.; Kim, R.Y.; Hyun, D.S. A High Efficiency Non-Isolated Bidirectional DC-DC Converter with Zero-Voltage-Transition. In Proceedings of the IECON 2013—39th Annual Conference of the IEEE Industrial Electronics Society, Vienna, Austria, 10–13 November 2013; IEEE: Vienna, Austria, 2013; pp. 198–203. [Google Scholar] [CrossRef]
- Jiang, L.; Mi, C.C.; Li, S.; Zhang, M.; Zhang, X.; Yin, C. A Novel Soft-Switching Bidirectional DC–DC Converter with Coupled Inductors. IEEE Trans. Ind. Appl. 2013, 49, 2730–2740. [Google Scholar] [CrossRef]
- Esteki, M.; Poorali, B.; Adib, E.; Farzanehfard, H. Interleaved Buck Converter with Continuous Input Current, Extremely Low Output Current Ripple, Low Switching Losses, and Improved Step-Down Conversion Ratio. IEEE Trans. Ind. Electron. 2015, 62, 4769–4776. [Google Scholar] [CrossRef]
- Lee, I.-O.; Cho, S.-Y.; Moon, G.-W. Interleaved Buck Converter Having Low Switching Losses and Improved Step-Down Conversion Ratio. IEEE Trans. Power Electron. 2012, 27, 3664–3675. [Google Scholar] [CrossRef]
- Inoue, S.; Akagi, H. A Bidirectional DC–DC Converter for an Energy Storage System with Galvanic Isolation. IEEE Trans. Power Electron. 2007, 22, 2299–2306. [Google Scholar] [CrossRef]
- Sun, W.; Xing, Y.; Wu, H.; Ding, J. Modified High-Efficiency LLC Converters with Two Split Resonant Branches for Wide Input-Voltage Range Applications. IEEE Trans. Power Electron. 2018, 33, 7867–7879. [Google Scholar] [CrossRef]
- Gautam, D.; Musavi, F.; Edington, M.; Eberle, W.; Dunford, W.G. A Zero Voltage Switching Full-Bridge DC-DC Converter with Capacitive Output Filter for a Plug-in-Hybrid Electric Vehicle Battery Charger. In Proceedings of the 2012 Twenty-Seventh Annual IEEE Applied Power Electronics Conference and Exposition (APEC), Orlando, FL, USA, 5–9 February 2012; IEEE: Orlando, FL, USA, 2012; pp. 1381–1386. [Google Scholar] [CrossRef]
- Vu, H.-N.; Tran, D.-D.; Choi, W. A Novel Hybrid Soft Switching Full-Bridge PWM and Full-Bridge LLC Converter for on-Board Battery Charger Applications. In Proceedings of the 2016 IEEE 8th International Power Electronics and Motion Control Conference (IPEMC-ECCE Asia), Hefei, China, 22–26 May 2016; IEEE: Hefei, China, 2016; pp. 2470–2473. [Google Scholar] [CrossRef]
- Tran, D.; Vu, N.; Choi, W. A Quasi-Resonant ZVZCS Phase-Shifted Full-Bridge Converter with an Active Clamp in the Secondary Side. Energies 2018, 11, 2868. [Google Scholar] [CrossRef]
- Vu, H.-N.; Choi, W. A Novel Dual Full-Bridge LLC Resonant Converter for CC and CV Charges of Batteries for Electric Vehicles. IEEE Trans. Ind. Electron. 2018, 65, 2212–2225. [Google Scholar] [CrossRef]
- Musavi, F.; Craciun, M.; Gautam, D.S.; Eberle, W.; Dunford, W.G. An LLC Resonant DC–DC Converter for Wide Output Voltage Range Battery Charging Applications. IEEE Trans. Power Electron. 2013, 28, 5437–5445. [Google Scholar] [CrossRef]
- Zhang, J.; Liu, J.; Yang, J.; Zhao, N.; Wang, Y.; Zheng, T.Q. A Modified DC Power Electronic Transformer Based on Series Connection of Full-Bridge Converters. IEEE Trans. Power Electron. 2019, 34, 2119–2133. [Google Scholar] [CrossRef]













| Type | Level | Supplied Voltage Range (V) | Maximum Current (A) | Output Power Level (kW) | Estimated Charge Time (hours) |
|---|---|---|---|---|---|
| AC charging (on-board chargers) | Level 1 | 120 Vac (1-phase) | up to 16 A | up to 1.92 kW | 7–17 h |
| Level 2 | 208–240 Vac (1-phase) | up to 80 A | up to 19.2 kW | 0.4–7 h | |
| Level 3 | 208–240 Vac (1 and 3-phase) | up to 400 A | up to 96 kW | Less than 0.5 h | |
| DC charging (off-board chargers) | Level 1 | 200–450 VDC | up to 80 A | up to 36 kW | 0.4–1.2 h |
| Level 2 | 200–450 VDC | up to 200 A | up to 90 kW | 0.2–0.4 h | |
| Level 3 | 200–600 VDC | up to 400 A | up to 240 kW | 0.1–0.2 h |
| Ref. | DC-DC Topology | Advantages | Disadvantages | Applications |
|---|---|---|---|---|
| [29,42,58] | Boost Converter |
|
|
|
| [29,42] | Buck-Boost Converter |
|
|
|
| [29,42] | Cuk Converter |
|
|
|
| [29,42] | SEPIC Converter |
|
|
|
| Ref. | Inverter Topologies | Advantages | Disadvantages | Applications |
|---|---|---|---|---|
| [13,18,28,38,44,45,46,61,65] | One-Phase HB Bidirectional Boost Inverter |
|
|
|
| [13,17,18,38,44,45,46,61] | One-Phase VSI FB Bidirectional Boost Inverter |
|
|
|
| [13,63] | One-Stage Isolated Bidirectional Inverter with Output LPF |
|
|
|
| [13,38,62] | FB Bidirectional Inverter with Leakage Current Reduction |
|
|
|
| [13,38,57,66,67] | Three-Phase FB Bidirectional Inverter |
|
|
|
| [34,43,47] | Three-Level Three-Phase Diode NPC Inverter |
|
|
|
| [17,34,57] | Three-Phase Bridgeless Boost Inverter |
|
|
|
| [17,25,34,64,68,69] | Three-Phase Vienna Rectifier |
|
|
|
| Ref. | Charger Topologies | Advantages | Disadvantages | Applications |
|---|---|---|---|---|
| [13,38,48,70,71] | Bidirectional Converter with Coupled Inductors and Output Filter |
|
|
|
| [17,38,49] | ZVS Interleaved HB Converter |
|
|
|
| [13,38,72] | HB Converter with Resonant Circuit |
|
|
|
| [13,38,73] | ZVT Interleaved Converter with Resonant Circuit |
|
|
|
| [13,38,74] | ZVS HB Converter with Coupled Inductors |
|
|
|
| [34,75,76] | Three-Phase Interleaved Buck Converter |
|
|
|
| Ref. | Charger Topologies | Advantages | Disadvantages | Applications |
|---|---|---|---|---|
| [13,38,77] | ZVS DAB Converter |
|
|
|
| [17,34,80,81] | Phase-Shift FB Converter |
|
|
|
| [22,34,78,82,83,84] | FB LLC Resonant Converter |
|
|
|
| [22,79] | ZVS FB Converter with Capacitive Output Filter |
|
|
|
| [50] | Four Interleaved Flyback Converter |
|
|
|
© 2020 by the authors. Licensee MDPI, Basel, Switzerland. This article is an open access article distributed under the terms and conditions of the Creative Commons Attribution (CC BY) license (http://creativecommons.org/licenses/by/4.0/).
Share and Cite
Aragon-Aviles, S.; Trivedi, A.; Williamson, S.S. Smart Power Electronics–Based Solutions to Interface Solar-Photovoltaics (PV), Smart Grid, and Electrified Transportation: State-of-the-Art and Future Prospects. Appl. Sci. 2020, 10, 4988. https://doi.org/10.3390/app10144988
Aragon-Aviles S, Trivedi A, Williamson SS. Smart Power Electronics–Based Solutions to Interface Solar-Photovoltaics (PV), Smart Grid, and Electrified Transportation: State-of-the-Art and Future Prospects. Applied Sciences. 2020; 10(14):4988. https://doi.org/10.3390/app10144988
Chicago/Turabian StyleAragon-Aviles, Sandra, Ashutosh Trivedi, and Sheldon S. Williamson. 2020. "Smart Power Electronics–Based Solutions to Interface Solar-Photovoltaics (PV), Smart Grid, and Electrified Transportation: State-of-the-Art and Future Prospects" Applied Sciences 10, no. 14: 4988. https://doi.org/10.3390/app10144988
APA StyleAragon-Aviles, S., Trivedi, A., & Williamson, S. S. (2020). Smart Power Electronics–Based Solutions to Interface Solar-Photovoltaics (PV), Smart Grid, and Electrified Transportation: State-of-the-Art and Future Prospects. Applied Sciences, 10(14), 4988. https://doi.org/10.3390/app10144988

