Online Estimation of Short-Circuit Fault Level in Active Distribution Network
Abstract
1. Introduction
2. Short-Circuit Fault Level Estimation for Active Distribution Networks
2.1. Proposed Estimation Scheme
2.2. Direction Identification of Disturbance
2.3. The Fuzzy Logic Identifier to Distinguish Useful Disturbance
2.3.1. Set the Rules for Disturbance Identification
2.3.2. Linguistic and Universal Terms of Input–Output Variables
2.3.3. Fuzzy Logic Rules and Membership Functions
3. Implementation and Simulation Results
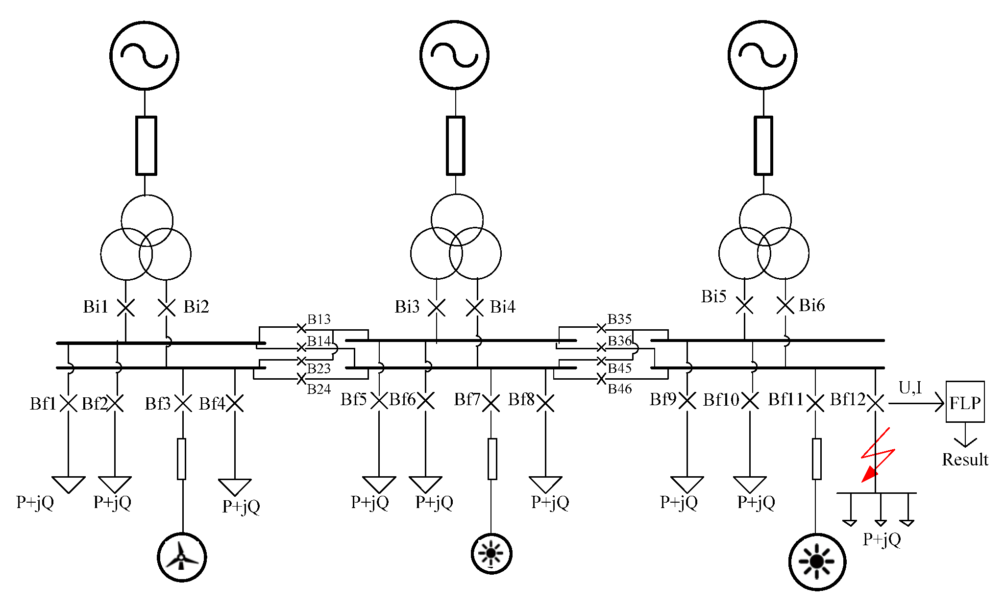
3.1. Practical Implementation
3.2. Test Case and Results
4. Conclusions
- Different from the conventional offline analysis, the proposed method ensures online estimation of the potential short-circuit fault level. It is adaptive to the present situation in the distribution power networks with more and more DGs, which make the fault current change frequently. Meanwhile, the proposed method is relatively easy to be implemented by either PMUs or the measurements from the protection relaying.
- The feasibility of the proposed method depends on the accurate recording of the desirable information. An identification method to detect the disturbance direction helps to distinguish the wanted disturbance. The fuzzy logics are applied to classify the voltage and current changes incurred by the disturbance. Only the qualified disturbances will launch the estimation. The fuzzy logics overcome the difficulty in choosing the deterministic thresholds.
Author Contributions
Funding
Conflicts of Interest
References
- Wang, Q.; Zhou, N.; Ye, L. Fault analysis for distribution networks with current-controlled three-phase inverter-interfaced distributed generators. IEEE Trans. Power Deliv. 2015, 30, 1532–1542. [Google Scholar] [CrossRef]
- Williamson, G.E.; Jenkins, N.; Cornfield, G.C. Use of naturally occurring system disturbances to estimate the fault current contribution of induction motors. IEE Proc. Gener. Transm. Distrib. 1996, 143, 243–248. [Google Scholar] [CrossRef]
- Ratnadeep, K.S.; Bhosale, Y.N.; Kulkarni, S. Fault level analysis of power distribution system. In Proceedings of the International Conference on Energy Efficient Technologies for Sustainability, Nagercoil, India, 10–12 April 2013. [Google Scholar] [CrossRef]
- Hussain, B.; Sharkh, S.M.; Hussain, S.; Abusara, M.A. An adaptive relaying scheme for fuse saving in distribution networks with distributed generation. IEEE Trans. Power Deliv. 2013, 28, 669–677. [Google Scholar] [CrossRef]
- Rajaei, N.; Salama, M.M.A. Management of fault current contribution of synchronous DGs using inverter-based DGs. IEEE Trans. Smart Grid 2015, 6, 3073–3081. [Google Scholar] [CrossRef]
- Pan, W.; Liu, M.; Zhao, K.; Zhang, Y.; Liu, T. A Practical Short-Circuit Current Calculation Method for DFIG-Based Wind Farm Considering Voltage Distribution. IEEE Access 2019, 7, 31774–31781. [Google Scholar] [CrossRef]
- Subramanian, S.; Keerthana, J.; Murali, V. Analysis on Fault Current Contribution by Different Types of DGs and Relay Coordination in Non-Autonomous Micro-Grids. In Proceedings of the 2019 National Power Electronics Conference (NPEC), Tiruchirappalli, India, 13–15 December 2019; pp. 1–6. [Google Scholar] [CrossRef]
- Mozina, C.J. Impact of smart grids and green power generation on distribution systems. IEEE Trans. Ind. Appl. 2013, 49, 1079–1090. [Google Scholar] [CrossRef]
- Courtney, J.; McDonnell, A. Impact on Distribution System Protection with the Integration of EG on the Distribution Network. In Proceedings of the 2019 54th International Universities Power Engineering Conference (UPEC), Bucharest, Romania, 3–6 September 2019; pp. 1–5. [Google Scholar] [CrossRef]
- Boonyapakdee, N.; Konghirun, M.; Sangswang, A. Separated Phase–Current Controls Using Inverter-Based DGs to Mitigate Effects of Fault Current Contribution from Synchronous DGs on Recloser–Fuse. Appl. Sci. 2019, 9, 4311. [Google Scholar] [CrossRef]
- Chell, C.J. Fault level assessment: Experience in distribution systems. In Proceedings of the IEE Colloquium on Fault Level Assessment—Guessing with Greater Precision, London, UK, 30 January 1996. [Google Scholar]
- Ibrahim, E.S.; Idres, M. On-line fault level measurement. Electr. Mach. Power Syst. 1998, 26, 207–217. [Google Scholar] [CrossRef]
- Cornfield, G.C. Estimating system fault level from naturally occurring disturbances. In Proceedings of the IEE Colloquium on Fault Level Assessment—Guessing with Greater Precision, London, UK, 30 January 1996. [Google Scholar]
- Ha, H.; Subramanian, S. Predicting the prospective fault level on distribution grids and its impact on protective relaying. In Proceedings of the 2017 70th Annual Conference for Protective Relay Engineers (CPRE), College Station, TX, USA, 3–6 April 2017; pp. 1–4. [Google Scholar] [CrossRef]
- O. R. Ltd. Fault Level Overview. Available online: https://www.outramresearch.co.uk/fault-level-monitoring/ (accessed on 25 May 2020).
- Conner, S.; Cruden, A. An automatic transient detection system which can be incorporated into an algorithm to accurately determine the fault level in networks with DG. In Proceedings of the 47th International Universities Power Engineering Conference, Uxbridge, UK, 4–7 September 2012. [Google Scholar] [CrossRef]
- Berry, J.; Jupe, S.; Meisinger, M.; Outram, J. Implementation of an active fault level monitoring system for distributed generation integration. In Proceedings of the 22nd International Conference and Exhibition on Electricity Distribution, Stockholm, Sweden, 10–13 June 2013. [Google Scholar] [CrossRef]
- Ibrahim, E.S. Experimental measurements of fault level for Sceco West, Kingdom of Saudi Arabia. Eng. Sci. 2004, 15, 83–102. [Google Scholar] [CrossRef]
- Rylander, M.R.; Grady, W.M.; Mansoor, A.; Gorgette, F. Passive Agent System Impedance Monitoring Station and Method. U.S. Patent No. 8,456,176, 4 June 2013. [Google Scholar]
- Sharma, N.K.; Samantaray, S.R. PMU Assisted Integrated Impedance Angle-Based Microgrid Protection Scheme. IEEE Trans. Power Deliv. 2020, 35, 183–193. [Google Scholar] [CrossRef]
- Zhang, F.; Mu, L.; Guo, W. An Integrated Wide-Area Protection Scheme for Active Distribution Networks Based on Fault Components Principle. IEEE Trans. Smart Grid 2019, 10, 392–402. [Google Scholar] [CrossRef]
- Wang, X.; Zhang, H.; Shi, F.; Wu, Q.; Terzija, V.; Xie, W.; Fang, C. Location of Single Phase to Ground Faults in Distribution Networks Based on Synchronous Transients Energy Analysis. IEEE Trans. Smart Grid 2020, 11, 774–785. [Google Scholar] [CrossRef]
- Farajollahi, M.; Shahsavari, A.; Stewart, E.M.; Mohsenian-Rad, H. Locating the Source of Events in Power Distribution Systems Using Micro-PMU Data. IEEE Trans. Power Syst. 2018, 33, 6343–6354. [Google Scholar] [CrossRef]
- Gholami, M.; Abbaspour, A.; Moeini-Aghtaie, M.; Fotuhi-Firuzabad, M.; Lehtonen, M. Detecting the Location of Short-Circuit Faults in Active Distribution Network Using PMU-Based State Estimation. IEEE Trans. Smart Grid 2020, 11, 1396–1406. [Google Scholar] [CrossRef]
- Yang, S.; Tong, X.Q.; Liu, J.; Zhang, X.Q. Short-circuit current calculation of distribution network with distributed generation. Power Syst. Technol. 2015, 39, 1977–1982. [Google Scholar] [CrossRef]
- Akmal, M.; Al-Naemi, F.; Iqbal, N.; Al-Tarabsheh, A.; Meegahapola, L. Impact of Distributed PV Generation on Relay Coordination and Power Quality. In Proceedings of the 2019 IEEE Milan PowerTech, Milan, Italy, 23–27 June 2019; pp. 1–6. [Google Scholar] [CrossRef]
- Von Meier, A.; Stewart, E.; McEachern, A.; Andersen, M.; Mehrmanesh, L. Precision Micro-Synchrophasors for Distribution Systems: A Summary of Applications. IEEE Trans. Smart Grid 2017, 8, 2926–2936. [Google Scholar] [CrossRef]
- Pradhan, A.K.; Routray, A.; Gudipalli, S.M. Fault direction estimation in radial distribution system using phase change in sequence current. IEEE Trans. Power Deliv. 2007, 22, 2065–2071. [Google Scholar] [CrossRef]
- Mohanty, P.K.; Sahu, B.K.; Pati, T.K.; Panda, S.; Kar, S.K. Design and analysis of fuzzy PID controller with derivative filter for AGC in multi-area interconnected power system. IET Gener. Transm. Distrib. 2016, 10, 3764–3776. [Google Scholar] [CrossRef]
- Shokouhandeh, H.; Jazaeri, M. Robust design of fuzzy-based power system stabiliser considering uncertainties of loading conditions and transmission line parameters. IET Gener. Transm. Distrib. 2019, 13, 4287–4300. [Google Scholar] [CrossRef]
- Zhang, H.; Shi, F.; Liu, Y. Enhancing optimal excitation control by adaptive fuzzy logic rules. Int. J. Electr. Power Energy Syst. 2014, 63, 226–235. [Google Scholar] [CrossRef]
- Sun, S.; Fu, J.; Wei, L.; Li, A. Multi-Objective Optimal Dispatching for a Grid-Connected Micro-Grid Considering Wind Power Forecasting Probability. IEEE Access 2020, 8, 46981–46997. [Google Scholar] [CrossRef]








| O | PS | PM | PL | ||
|---|---|---|---|---|---|
| O | O | PVS | PS | PLM | |
| PS | PVS | PS | PLM | PM | |
| PM | PS | PLM | PM | PML | |
| PL | PLM | PM | PML | PL | |
| Load Type | Magnitudes of ∆U and ∆I in Percentage | Errors between Actual and Fault Current Estimation | Confidence |
|---|---|---|---|
| Motor load | 2% | 4.46% | 30.8% |
| 3% | 4.00% | 33.3% | |
| 5% | 3.07% | 38.5% | |
| 10% | 2.82% | 53.9% | |
| Electric arc furnace | 2% | 5.00% | 23.1% |
| 3% | 4.60% | 38.5% | |
| 5% | 3.66% | 46.2% | |
| 10% | 2.58% | 61.5% |
© 2020 by the authors. Licensee MDPI, Basel, Switzerland. This article is an open access article distributed under the terms and conditions of the Creative Commons Attribution (CC BY) license (http://creativecommons.org/licenses/by/4.0/).
Share and Cite
Wang, X.; Wang, P.; Wang, Y.; Shi, F. Online Estimation of Short-Circuit Fault Level in Active Distribution Network. Appl. Sci. 2020, 10, 3812. https://doi.org/10.3390/app10113812
Wang X, Wang P, Wang Y, Shi F. Online Estimation of Short-Circuit Fault Level in Active Distribution Network. Applied Sciences. 2020; 10(11):3812. https://doi.org/10.3390/app10113812
Chicago/Turabian StyleWang, Xiaohui, Peng Wang, Yunbo Wang, and Fang Shi. 2020. "Online Estimation of Short-Circuit Fault Level in Active Distribution Network" Applied Sciences 10, no. 11: 3812. https://doi.org/10.3390/app10113812
APA StyleWang, X., Wang, P., Wang, Y., & Shi, F. (2020). Online Estimation of Short-Circuit Fault Level in Active Distribution Network. Applied Sciences, 10(11), 3812. https://doi.org/10.3390/app10113812

