Optical Measurement of Planar Deformations in the Destructive Mechanical Testing of Masonry Specimens
Abstract
:Featured Application
Abstract
1. Introduction
2. Planar Deformation Measurement Methods in Masonry Specimens
2.1. Classical Instrumentation
- Unidimensional deformeters;
- Electrical strain gauges;
- LVDT sensors.
2.2. Proposed Optical Approach
2.2.1. Measurement Model and Method
2.2.2. Measurement System
- Digital camera (brand Allied Vision Technologies, model Prosilica GX1050, Stadtroda, Germany), which includes the image sensor (CCD—charge-coupled device type, 1024 × 1024 pixels, 3.6 mm x 4.8 mm dimension, 5.5 μm squared pixel, acquisition frequency of 100 images per second, 14 bits radiometric resolution for gray-level images, exposure time between 10 μs and 26.8 s, GigE data communication and “mono8” image format), and an optical lens (with variable focal distance between 8 mm and 48 mm and C-type connection);
- Telemetry device (brand Videotec, model DTMRX224, Schio, Italy) for remote adjustment of the camera’s focal distance, aperture, and lens focus, supported by a LabVIEW™ (National Instruments, Austin, Texas, USA) computational routine;
- Signal generator (LNECs Scientific Instrumentation Centre, Lisbon, Portugal) for the synchronization of additional cameras and remaining instrumentation of the tested specimens (50% duty-cycle, frequency between 0.1 Hz and 114 Hz and variable frequency increments of 0.1 Hz and 1 Hz);
- AVT Vimba computational application (version 1.3.0) for use with Allied Vision Technologies cameras, for image acquisition configuration, visualization, and image record purposes;
- Measurement referential (LNEC’s Scientific Instrumentation Centre, Lisbon, Portugal), with eight reference targets (circular geometrical shape and 4 mm diameter, with known world coordinates), with a white color in order to have a high contrast relative to the remaining black surface of the referential;
- Monitoring targets (LNEC’s Scientific Instrumentation Centre, Lisbon, Portugal), with unknown world coordinates, applied to the tested specimen, with the dimension and shape similar to the reference targets in the measurement referential.
2.2.3. Digital Image Processing
- Initialization (execution display configuration, memory, and command window cleaning, opened images closure and variable numerical format definition);
- Assignment of numerical values to the input quantities:
- Number of images;
- Threshold (in gray level);
- Window dimension (in pixels) around the targets, based on the lateral dimension of the target support and expected displacement;
- Approximate image coordinates of the targets centroids (in pixels);
- File opening for the record of target image coordinates;
- Matrix initialization for the record of target image coordinates;
- For each acquired image, execution of the following tasks:
- Variable definition related to the original image designation;
- Original image opening;
- Matrix initialization with the targets individual sub-images;
- Counter initialization related to the coordinates;
- For each target visible on the image, execution of the following operations:
- Definition of the interest area in the original image;
- Matrix initialization related to the target binary sub-image;
- Generation of the binary image by thresholding;
- Target identification;
- Determination of the target centroid in the binary sub-image;
- Conversion of the target centroid image coordinates for the original image coordinate system;
- Record the target image coordinates;
- Record the targets image coordinates in the output file;
- Graphical representation of the centroids in the image (optional);
- Closure of the targets image coordinates record file.
3. Experimental Testing
3.1. Metrological Characterization of the Optical Measurement Chain
3.2. Metrological Characterization of the Contact Measurement Chain
3.3. Experimental Apparatus
3.4. Results
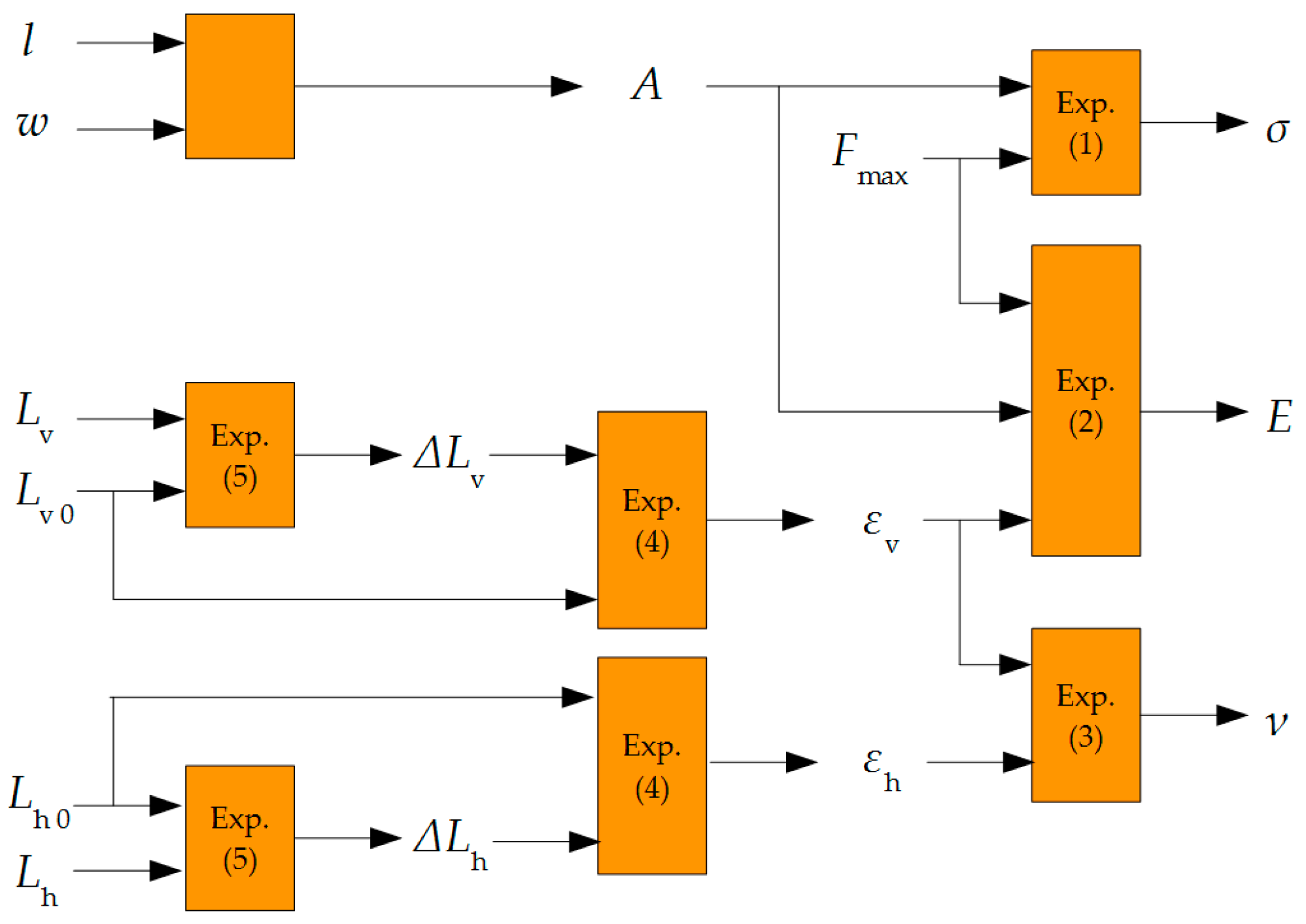
4. Measurement Uncertainty Evaluation
4.1. Calculation of the Output Measurement Uncertainties
4.2. Measurement Uncertainty for the Optical Method
4.3. Measurement Uncertainty for the Contact Method
4.4. Comparison between the Optical and the Contact Measurement Methods
5. Discussion
Author Contributions
Funding
Acknowledgments
Conflicts of Interest
Appendix A

Appendix B
| Reference Targets Ids. | Di,j /mm | di,j /pixel | Ki,j /mm∙pixel−1 |
|---|---|---|---|
| 1–2 | 89.985 | 478.5 | 0.188 0 |
| 1–3 | 179.717 | 954.6 | 0.188 3 |
| 1–4 | 201.027 | 1029.2 | 0.195 3 |
| 1–5 | 254.387 | 1274.7 | 0.199 6 |
| 1–6 | 200.962 | 995.6 | 0.201 8 |
| 1–7 | 180.049 | 903.9 | 0.199 2 |
| 1–8 | 90.286 | 459.4 | 0.196 5 |
| 2–3 | 89.733 | 476.2 | 0.188 4 |
| 2–4 | 126.970 | 630.6 | 0.201 3 |
| 2–5 | 200.892 | 985.6 | 0.203 8 |
| 2–6 | 179.483 | 883.0 | 0.203 3 |
| 2–7 | 201.105 | 1025.3 | 0.196 1 |
| 2–8 | 127.325 | 660.2 | 0.192 8 |
| 3–4 | 89.854 | 455.6 | 0.197 2 |
| 3–5 | 179.703 | 896.1 | 0.200 5 |
| 3–6 | 200.720 | 1025.1 | 0.195 8 |
| 3–7 | 254.303 | 1329.1 | 0.191 3 |
| 3–8 | 201.057 | 1062.2 | 0.189 3 |
| 4–5 | 89.849 | 440.6 | 0.203 9 |
| 4–6 | 126.899 | 646.1 | 0.196 4 |
| 4–7 | 201.065 | 1044.8 | 0.192 4 |
| 4–8 | 179.756 | 926.5 | 0.194 0 |
| 5–6 | 89.926 | 461.7 | 0.194 8 |
| 5–7 | 179.926 | 927.8 | 0.193 9 |
| 5–8 | 200.970 | 1009.6 | 0.199 1 |
| 6–7 | 90.001 | 466.3 | 0.193 0 |
| 6–8 | 126.847 | 622.3 | 0.203 8 |
| 7–8 | 89.763 | 444.6 | 0.201 9 |
| Reference Targets Ids. | Di,j /mm | di,j /pixel | Ki,j /mm∙pixel−1 |
|---|---|---|---|
| 1–2 | 90.052 | 448.7 | 0.200 7 |
| 1–3 | 180.019 | 899.8 | 0.200 1 |
| 1–4 | 201.284 | 992.8 | 0.202 7 |
| 1–5 | 254.612 | 1247.3 | 0.204 1 |
| 1–6 | 201.066 | 968.9 | 0.207 5 |
| 1–7 | 179.915 | 862.8 | 0.208 5 |
| 1–8 | 89.938 | 433.6 | 0.207 4 |
| 2–3 | 89.967 | 451.2 | 0.199 4 |
| 2–4 | 127.367 | 618.4 | 0.205 9 |
| 2–5 | 201.382 | 971.9 | 0.207 2 |
| 2–6 | 179.824 | 852.4 | 0.211 0 |
| 2–7 | 201.198 | 963.8 | 0.208 8 |
| 2–8 | 127.150 | 612.3 | 0.207 6 |
| 3–4 | 90.224 | 437.4 | 0.206 3 |
| 3–5 | 180.235 | 868.6 | 0.207 5 |
| 3–6 | 201.081 | 968.3 | 0.207 7 |
| 3–7 | 254.448 | 1240.5 | 0.205 2 |
| 3–8 | 201.061 | 989.1 | 0.203 3 |
| 4–5 | 90.011 | 431.4 | 0.208 7 |
| 4–6 | 126.937 | 609.2 | 0.208 4 |
| 4–7 | 201.015 | 980.0 | 0.205 1 |
| 4–8 | 179.736 | 880.5 | 0.204 1 |
| 5–6 | 89.849 | 444.8 | 0.202 0 |
| 5–7 | 179.807 | 886.7 | 0.202 8 |
| 5–8 | 201.063 | 985.7 | 0.204 0 |
| 6–7 | 89.959 | 442.0 | 0.203 5 |
| 6–8 | 127.041 | 611.1 | 0.207 9 |
| 7–8 | 89.977 | 429.3 | 0.209 6 |
Appendix C
| Specimen Identification | Specimen Type | Estimate, Fmax /kN | Standard Uncertainty, u(Fmax) /kN |
|---|---|---|---|
| M0F3 | Hollow | 351.00 | 0.93 |
| M0F7 | 375.32 | 0.99 | |
| M0F9 | 373.74 | 0.99 | |
| M0M9 | Solid | 929.1 | 2.5 |
| M0M10 | 1292.6 | 3.4 | |
| M0M12 | 706.3 | 1.9 |
| Specimen Identification | Specimen Type | Length, l /mm | Width, w /mm | Area, A /m2 |
|---|---|---|---|---|
| M0F3 | Hollow | 700.8 ± 0.7 | 244.0 ± 2.0 | 0.171 0 ± 0.001 4 |
| M0F7 | 671.6 ± 0.9 | 246.0 ± 1.0 | 0.165 2 ± 0.000 7 | |
| M0F9 | 693.0 ± 3.0 | 246.0 ± 3.0 | 0.170 5 ± 0.002 2 | |
| M0M9 | Solid | 703.0 ± 1.3 | 247.6 ± 1.6 | 0.174 1 ± 0.001 2 |
| M0M10 | 702.0 ± 1.1 | 245.0 ± 3.0 | 0.172 0 ± 0.002 1 | |
| M0M12 | 684 ± 10 | 246.2 ± 0.6 | 0.168 4 ± 0.002 5 |
| Specimen Identification | Specimen Type | Estimate, σ /MPa | Standard Uncertainty, u(σ) /MPa |
|---|---|---|---|
| M0F3 | Hollow | 2.053 | 0.018 |
| M0F7 | 2.272 | 0.011 | |
| M0F9 | 2.194 | 0.028 | |
| M0M9 | Solid | 5.338 | 0.038 |
| M0M10 | 7.515 | 0.094 | |
| M0M12 | 4.194 | 0.063 |
References
- Tomassetti, U.; Correia, A.A.; Graziotti, F.; Marques, A.I.; Mandirola, M.; Candeias, P.X. Collapse Shaking Table Test on a URM Cavity Wall Building Representative of a Dutch Terraced House; Eucentre Research Report; Eucentre: Pavia, Italy, 2017. [Google Scholar]
- Correia, A.A.; Marques, A.I.; Bernardo, V.; Grottoli, L.; Tomassetti, U.; Graziotti, F. Shake Table Test up to Collapse on a Roof Substructure of a Dutch Terraced House; Eucentre Research Report; Eucentre: Pavia, Italy, 2017. [Google Scholar]
- Kallioras, S.; Correia, A.A.; Marques, A.I.; Bernardo, V.; Candeias, P.X.; Graziotti, F. LNEC-Build-3: An Incremental Shake-Table Test on a Dutch URM Detached House with Chimneys; Eucentre Research Report EUC203/2018U; Eucentre: Pavia, Italy, 2018. [Google Scholar]
- Caporale, A.; Parisi, F.; Asprone, D.; Luciano, R.; Prota, A. Micromechanical analysis of adobe masonry as two-component composite: Influence of bond and loading schemes. Compos. Struct. 2014, 112, 254–263. [Google Scholar] [CrossRef]
- Greco, F.; Leonetti, L.; Luciano, R.; Nevone Blasi, P. An adaptive multiscale strategy for the damage analysis of masonry modeled as a composite material. Compos. Struct. 2016, 153, 972–988. [Google Scholar] [CrossRef]
- Wang, G.; Wu, Q.M.J. Guide to Three Dimensional Structure and Motion Factorization; Advances in Pattern Recognition; Springer: London, UK, 2011; pp. 29–32. [Google Scholar]
- Methods of Test for Masonry-Part 1: Determination of Compressive Strength; EN 1052-1:1998; CEN—European Committee for Standardization: Brussels, Belgium, 1998.
- Marques, A.I.; Ferreira, J.G.; Candeias, P.X.; Veiga, M.R. Axial compression and bending tests on old masonry walls. In Proceedings of the 3rd International Conference on Protection of Historical Constructions, Lisbon, Portugal, 12–15 July 2017. [Google Scholar]
- Marques, A.I.; Candeias, P.X.; Ferreira, J.G.; Veiga, M.R. Caracterização de paredes resistentes de alvenaria antiga. In Proceedings of the Congress Euro-American REHABEND 2016 Patología de la Construcción, Tecnología de la Rehabilitación y Gestión del Patrimonio, Burgos, Spain, 24–27 May 2016. [Google Scholar]
- Methods of Test for Masonry. Determination of Flexural Strength; EN 1052-2:1999; CEN—European Committee for Standardization: Brussels, Belgium, 1999.
- GUM. Guide to the Expression of Uncertainty in Measurement, 1st ed.; ISO—International Organization for Standardization (ISO): Genève, Switzerland, 1993.
- GUM-S1. Evaluation of measurement data. Supplement 1 to the Guide to the expression of Uncertainty in Measurement. In Propagation of Distributions Using a Monte Carlo Method, 1st ed.; JCGM—Joint Committee for Guides in Metrology: Genève, Switzerland, 2008.
- Corr, D.; Accardi, M.; Graham-Brady, L.; Shah, S. Digital image correlation analysis of interfacial debonding properties and fracture behavior in concrete. Eng. Fract. Mech. 2007, 74, 119–127. [Google Scholar] [CrossRef]
- Tekieli, M.; De Santis, S.; de Felice, G.; Kwiecień, A.; Roscini, F. Application of Digital Image Correlation to composite reinforcements testing. Compos. Struct. 2017, 160, 670–688. [Google Scholar] [CrossRef]
- Caggigi, C.; Sciuto, D.; Cuomo, M. Experimental study on effective bond length of basalt textile reinforced mortar strengthening system: Contributions of digital image correlation. Measurement 2018, 129, 119–127. [Google Scholar] [CrossRef]
















| Target Identification | X /mm | Y /mm | Z /mm |
|---|---|---|---|
| 1 | 10.320 ± 0.009 | 10.153 ± 0.030 | 5.105 ± 0.031 |
| 2 | 10.344 ± 0.010 | 100.137 ± 0.033 | 5.023 ± 0.011 |
| 3 | 10.387 ± 0.019 | 189.870 ± 0.033 | 5.070 ± 0.024 |
| 4 | 100.241 ± 0.018 | 189.803 ± 0.026 | 5.152 ± 0.017 |
| 5 | 190.090 ± 0.016 | 189.852 ± 0.032 | 5.266 ± 0.039 |
| 6 | 189.827 ± 0.009 | 99.927 ± 0.031 | 4.939 ± 0.012 |
| 7 | 190.081 ± 0.012 | 9.926 ± 0.029 | 4.973 ± 0.010 |
| 8 | 100.318 ± 0.012 | 10.047 ± 0.030 | 4.934 ± 0.006 |
| Target Identification | X /mm | Y /mm | Z /mm |
|---|---|---|---|
| 1 | 10.197 ± 0.018 | 10.733 ± 0.034 | 5.077 ± 0.028 |
| 2 | 10.183 ± 0.032 | 100.785 ± 0.036 | 4.936 ± 0.015 |
| 3 | 10.213 ± 0.057 | 190.752 ± 0.032 | 4.959 ± 0.011 |
| 4 | 100.437 ± 0.054 | 190.655 ± 0.016 | 4.858 ± 0.007 |
| 5 | 190.448 ± 0.053 | 190.558 ± 0.025 | 4.811 ± 0.012 |
| 6 | 190.007 ± 0.035 | 100.710 ± 0.026 | 4.928 ± 0.011 |
| 7 | 190.112 ± 0.022 | 10.751 ± 0.025 | 5.032 ± 0.037 |
| 8 | 100.135 ± 0.024 | 10.920 ± 0.017 | 5.198 ± 0.009 |
| Target Identification | x /pixel | y /pixel | X /mm | Y /mm | Z /mm |
|---|---|---|---|---|---|
| 1 | 92.7 | 24.6 | 10.032 | 10.153 | 5.105 |
| 2 | 72.5 | 502.7 | 10.344 | 100.137 | 5.023 |
| 3 | 37.1 | 977.6 | 10.387 | 189.870 | 5.070 |
| 4 | 492.7 | 972.9 | 100.241 | 189.803 | 5.152 |
| 5 | 933.2 | 983.0 | 190.090 | 189.852 | 5.266 |
| 6 | 955.3 | 531.8 | 189.827 | 99.927 | 4.939 |
| 7 | 996.0 | 57.7 | 190.081 | 9.926 | 4.973 |
| 8 | 551.5 | 48.3 | 100.318 | 10.047 | 4.934 |
| Target Identification | x /pixel | y /pixel | X /mm | Y /mm | Z /mm |
|---|---|---|---|---|---|
| 1 | 85.8 | 72.1 | 10.197 | 10.733 | 5.077 |
| 2 | 533.8 | 96.8 | 10.183 | 100.785 | 4.936 |
| 3 | 984.8 | 110.9 | 10.213 | 190.752 | 4.959 |
| 4 | 957.4 | 547.4 | 100.437 | 190.655 | 4.858 |
| 5 | 942.7 | 978.5 | 190.448 | 190.558 | 4.811 |
| 6 | 498.9 | 948.5 | 190.007 | 100.710 | 4.928 |
| 7 | 57.1 | 934.4 | 190.112 | 10.751 | 5.032 |
| 8 | 77.9 | 505.6 | 100.135 | 10.920 | 5.198 |
| Specimen Identification | Specimen Type | Compressive Strength /MPa | Contact Measurement Chain | Optical Measurement Chain | ||
|---|---|---|---|---|---|---|
| Modulus of Elasticity /GPa | Poisson Ratio | Modulus of Elasticity /GPa | Poisson Ratio | |||
| M0F3 | Hollow | 2.053 | 1.32 | 0.31 | 1.47 | 0.32 |
| M0F7 | 2.272 | 0.96 | 0.06 | 0.73 | 0.07 | |
| M0F9 | 2.194 | 1.99 | 0.05 | 0.52 | 0.08 | |
| Average value | 2.173 | 1.42 | 0.14 | 0.91 | 0.16 | |
| Average std. deviation | 0.064 | 0.30 | 0.09 | 0.29 | 0.08 | |
| M0M9 | Solid | 5.338 | 2.12 | 0.10 | 1.71 | 0.17 |
| M0M10 | 7.515 | 1.87 | 0.06 | 1.50 | 0.36 | |
| M0M12 | 4.194 | 3.20 | 0.17 | 1.75 | 0.07 | |
| Average value | 5.682 | 2.40 | 0.11 | 1.65 | 0.20 | |
| Average std. deviation | 0.974 | 0.41 | 0.03 | 0.08 | 0.09 | |
| Quantity | Estimate | 95% Expanded Uncertainty | Computational Accuracy | Numerical PDF |
|---|---|---|---|---|
| D1,2 | 90.52 mm | 0.097 mm | <0.002 mm | ![]() |
| d1,2 | 448.68 pixels | 0.78 pixel | <0.01 pixel | ![]() |
| K1,2 | 0.200 70 mm∙pixel−1 | 0.000 41 mm∙pixel−1 | <1 × 10−5 mm∙pixel−1 | ![]() |
| Referential | Estimate /mm∙pixel−1 | Standard Uncertainty /mm∙pixel−1 |
|---|---|---|
| A | 0.196 50 | 0.000 97 |
| B | 0.205 59 | 0.000 63 |
© 2020 by the authors. Licensee MDPI, Basel, Switzerland. This article is an open access article distributed under the terms and conditions of the Creative Commons Attribution (CC BY) license (http://creativecommons.org/licenses/by/4.0/).
Share and Cite
Lages Martins, L.F.; Marques, A.I.; Silva Ribeiro, Á.; Candeias, P.; Veiga, M.d.R.; Gomes Ferreira, J. Optical Measurement of Planar Deformations in the Destructive Mechanical Testing of Masonry Specimens. Appl. Sci. 2020, 10, 371. https://doi.org/10.3390/app10010371
Lages Martins LF, Marques AI, Silva Ribeiro Á, Candeias P, Veiga MdR, Gomes Ferreira J. Optical Measurement of Planar Deformations in the Destructive Mechanical Testing of Masonry Specimens. Applied Sciences. 2020; 10(1):371. https://doi.org/10.3390/app10010371
Chicago/Turabian StyleLages Martins, Luís Filipe, Ana Isabel Marques, Álvaro Silva Ribeiro, Paulo Candeias, Maria do Rosário Veiga, and João Gomes Ferreira. 2020. "Optical Measurement of Planar Deformations in the Destructive Mechanical Testing of Masonry Specimens" Applied Sciences 10, no. 1: 371. https://doi.org/10.3390/app10010371
APA StyleLages Martins, L. F., Marques, A. I., Silva Ribeiro, Á., Candeias, P., Veiga, M. d. R., & Gomes Ferreira, J. (2020). Optical Measurement of Planar Deformations in the Destructive Mechanical Testing of Masonry Specimens. Applied Sciences, 10(1), 371. https://doi.org/10.3390/app10010371




