The Combined Use of Fly Ash and Lime to Stabilize a Clayey Soil: A Sustainable and Promising Approach
Abstract
1. Introduction
2. Materials and Methods
2.1. Materials
2.2. Methods
- Evaluate the possibility of adding a sustainable binder, such as fly ash, in the mixture;
- Compare the improvements that can be achieved with those mixtures prepared with a traditional binder, i.e., lime;
- soil+4% of quicklime (soil+4%QL);
- soil+4% of fly ash (soil+4%FA);
- soil+2% of fly ash + 2% of quicklime (soil+2%FA+2%QL).
3. Results and Discussion
3.1. Compaction Characteristics
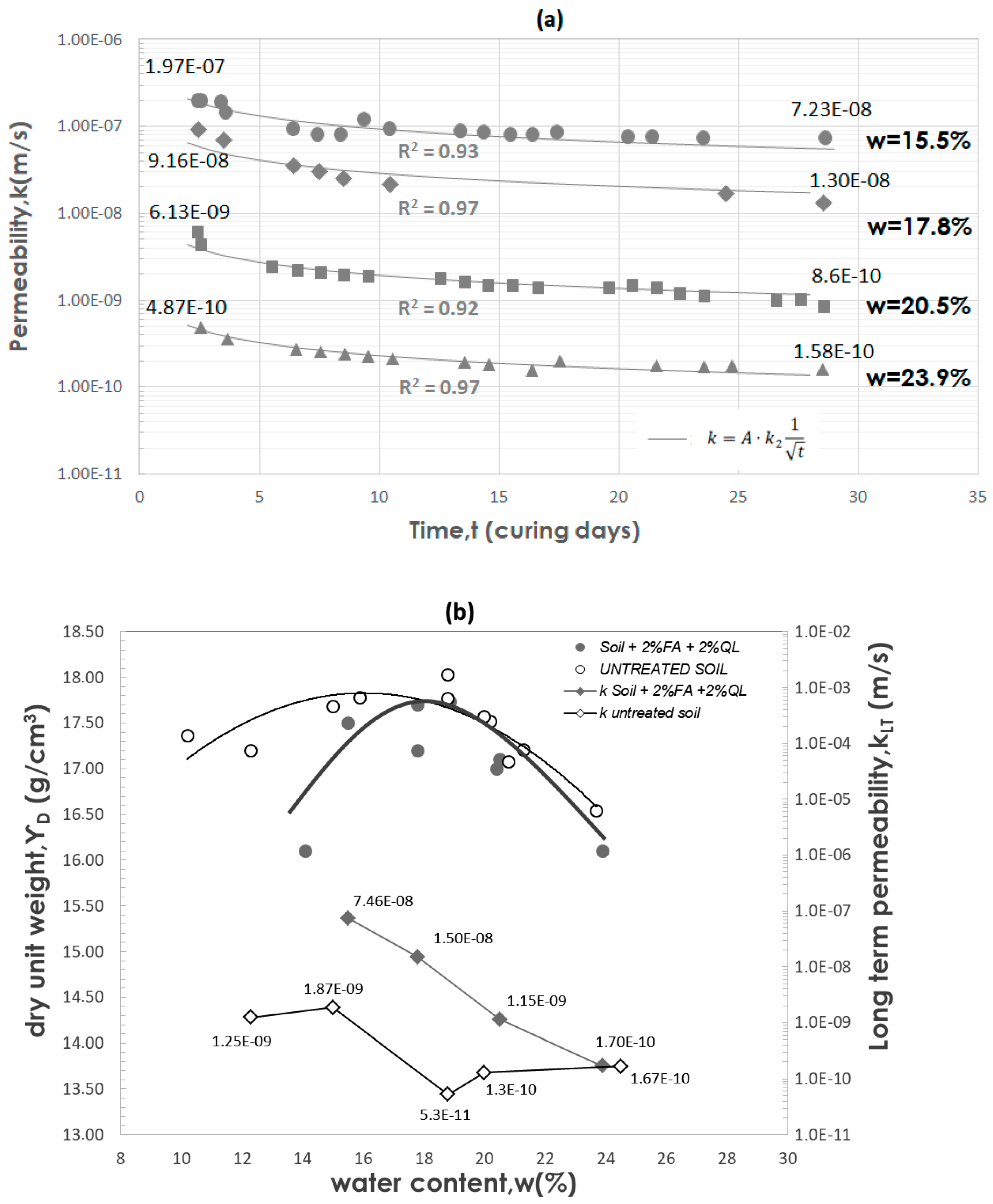
3.2. Hydraulic Conductivity
- For the two samples of mixture compacted near optimum (w = 17.8% and w = 20.5%), the long-term permeability is about seven times lower than the initial one (i.e., at 2 days of curing);
- For the sample compacted in dry condition (w = 15.5%), the permeability is more than halved after 28 days of curing;
- For the sample compacted in wet conditions (w = 23.9%), hydraulic conductivity three times lower than the initial one is registered at the end of the test.
3.3. Compressibility
3.4. Shear Strength
3.5. Monitoring of Reactions Development
3.6. Microstructure
4. Conclusions
- Allowed to increase the hydraulic conductivity of the soil of concern, especially in the optimum compaction conditions, also if a limited reduction occurred in the long term due to the formation of gel form pozzolanic products; compaction water content significantly affected permeability values;
- Was capable of reducing the compressibility similar to the traditional lime treatment and significantly limited the swelling of the soil when unloaded;
- Is a promising option for the improvement of the mechanical characteristics of the soil, such as the shear strength; also, further investigation is needed to confirm this finding, considering different compaction water contents and also investigating compressive strength properties.
- pH and small strain shear modulus measurements are useful to monitor reaction development in the soil–binder–water system because they reflect the improvement of the geotechnical properties and the related timing;
- Modifications in the microstructure observed by SEM help in corroborating the findings of geotechnical tests given that reaction products, both from fly ash and lime, are easily detectable.
Author Contributions
Funding
Data Availability Statement
Acknowledgments
Conflicts of Interest
Correction Statement
Abbreviations
| FA | Fly Ash |
| QL | Quicklime |
| ICL | Initial Consumption of Lime |
| k | Permeability |
| IL | Incremental Load |
| BE | Bender Elements |
| DS | Direct Shear |
| TX | Triaxial |
| F | Shape Factor for Compaction Curve |
| Fflat | Flattening Sub-Factor |
| γd,max | Dry Unit Weight |
| w | Water Content |
| wopt | Optimum Water Content |
| k2 | Permeability Measured at 2 Days of Curing |
| kLT | Long Term Permeability |
| τ | Shear Stress |
| σ | Normal Stress |
| c’ | Cohesion |
| ϕ’ | Shear Resistance Angle |
| G0 | Small Strain Shear Modulus |
| CSH | Calcium Silicate Hydrates |
References
- Beetham, P.; Dijkstra, T.; Dixon, N.; Fleming, P.; Hutchinson, R.; Bateman, J. Lime stabilisation for earthworks: A UK perspective. Proc. Ins. Civ. Eng.—Ground Improv. 2014, 168, 81–95. [Google Scholar] [CrossRef]
- Di Sante, M.; Fratalocchi, E.; Mazzieri, F.; Pasqualini, E. Time of reaction in a lime treated clayey soil and influence of curing conditions on its microstructure and behaviour. Appl. Clay Sci. 2014, 99, 100–109. [Google Scholar] [CrossRef]
- McCaffrey, R. Climate change and the cement industry. Glob. Cem. Lime Mag. 2002, 15, 1–19. [Google Scholar]
- Forster, A.M.; Válek, J.; Hughes, J.; Pilcher, N. Lime binders for the repair of historic buildings: Considerations for CO2 abatement. J. Clean. Prod. 2020, 252, 119802. [Google Scholar] [CrossRef]
- Ganapathi, H.; Phukan, M. Environmental hazards of limestone mining and adaptive practices for environment management plan. In Environmental Processes and Management: Tools and Practices; Springer: Cham, Switzerland, 2020; pp. 121–134. [Google Scholar]
- Devi, K.; Chhachhia, A.; Kumar, A. Soil Improvement using waste materials: A review. J. Build. Mat. Sci. 2020, 2, 11–17. [Google Scholar] [CrossRef]
- Jing, X.; Wu, S.; Qin, J.; Li, X.; Liu, X.; Zhang, Y.; Mao, J.; Nie, W. Multiscale mechanical characterizations of ultrafine tailings mixed with incineration slag. Front. Earth Sci. 2023, 11, 1123529. [Google Scholar] [CrossRef]
- Huang, J.; Kogbara, R.B.; Hariharan, N.; Masad, E.A.; Little, D.N. A state-of-the-art review of polymers used in soil stabilization. Constr. Build. Mater. 2021, 305, 124685. [Google Scholar] [CrossRef]
- Fujikawa, T.; Sato, K.; Koga, C. Long-term durability and environmental safety of slurry type of coal ash mixed material. Environ. Geotech. 2023, 10, 102–111. [Google Scholar] [CrossRef]
- Najafi, E.K.; Arabani, M.; Jamshidi Chenari, R. Clay–fly ash geopolymer characterisation and application for the removal of lead and zinc. Environ. Geotech. 2021, 10, 32–43. [Google Scholar] [CrossRef]
- Gollakota, A.R.K.; Volli, V.; Shu, C.M. Progressive utilisation prospects of coal fly ash: A review. Sci. Total Environ. 2019, 672, 951–989. [Google Scholar] [CrossRef]
- Noaman, M.F.; Khan, M.A.; Ali, K.; Hassan, A. A review on the effect of fly ash on the geotechnical properties and stability of soil. Clean. Mater. 2022, 6, 100151. [Google Scholar] [CrossRef]
- Khadka, S.D.; Jayawickrama, P.W.; Senadheera, S. Strength and shrink/swell behavior of highly plastic clay treated with geopolymer. Transp. Res. Rec. 2018, 2672, 174–184. [Google Scholar] [CrossRef]
- Palomo, A.; Krivenko, P.; Garcia-Lodeiro, I.; Kavalerova, E.; Maltseva, O.; Fernández-Jiménez, A. A review on alkaline activation: New analytical perspectives. Mater. Constr. 2014, 64, e022. [Google Scholar] [CrossRef]
- Kampala, A.; Horpibulsuk, S. Engineering properties of silty clay stabilized with calcium carbide residue. J. Mater. Civ. Eng. 2013, 25, 632–644. [Google Scholar] [CrossRef]
- Mashifana, T.P.; Okonta, F.N.; Ntuli, F. Geotechnical Properties and Microstructure of lime-fly ash-phosphogypsum-stabilized soil. Adv. Civ. Eng. 2018, 2018, 3640868. [Google Scholar] [CrossRef]
- Islam, M.S.; Islam, T.; Khatun, N. Permeability Alteration of Low Plastic Clay and Poorly Graded Sand Using Lime and Fly Ash. Indian Geotech. J. 2021, 51, 967–978. [Google Scholar] [CrossRef]
- UNI EN 14227-11; Miscele Legate con Leganti Idraulici–Specifiche—Parte 11: Terra Trattata Con Calce. Ente Italiano di Normazione: Rome, Italy, 2006.
- ASTM C977-18; Standard Specification for Quicklime and Hydrated Lime for Soil Stabilization. ASTM International: West Conshohocken, PA, USA, 2018.
- UNI EN 459-1; Calci da Costruzione—Parte 1: Definizioni, Specifiche e Criteri di Conformità. Ente Italiano di Normazione: Rome, Italy, 2015.
- Dwivedi, A.; Jain, M.K. Fly ash—Waste management and overview: A Review. Rec. Res. Sci. Tech. 2014, 6, 30–35. [Google Scholar]
- ASTM D2216-19; Standard Test Methods for Laboratory Determination of Water (Moisture) Content of Soil and Rock by Mass. ASTM International: West Conshohocken, PA, USA, 2019.
- Fratalocchi, E.; Bellezza, I.; Di Sante, M.; Pasqualini, E. Mix-design, construction and controls of lime stabilized embankments. In Proceedings of the 17th International Conference on Soil Mechanics and Geotechnical Engineering, Alexandria, Egypt, 5–9 October 2009; Volume 3, pp. 2248–2251. [Google Scholar]
- ASTM D698-12; Standard Test Methods for Laboratory Compaction Characteristics of Soil Using Standard Effort. ASTM International: West Conshohocken, PA, USA, 2012; (updated 2021).
- Anday, M.C. Curing Lime Stabilized Soils; Highway Research Record National Research Council: Washington, DC, USA, 1963; pp. 13–26. [Google Scholar]
- Wild, S.; Arabi, M.; Rowlands, G.O. Relation between pore size distribution, permeability and cementitious gel formation in cured clay-lime systems. Mat. Sci. Technol. 1987, 3, 1005–1011. [Google Scholar] [CrossRef]
- Al-Mukhtar, M.; Lasledj, A.; Alcover, J.F. Behaviour and mineralogy changes in lime treated expansive soil at 20 °C. Appl. Clay Sci. 2010, 50, 191–198. [Google Scholar] [CrossRef]
- Al-Mukhtar, M.; Lasledj, A.; Alcover, J.F. Behaviour and mineralogy changes in lime treated expansive soil at 50 °C. Appl. Clay Sci. 2010, 50, 199–203. [Google Scholar] [CrossRef]
- Toohey, N.M.; Mooney, M.A.; Bearce, R.G. Stress-Strain-Strength Behavior of Lime-Stabilized Soils during Accelerated Curing. J. Mat. Civ. Eng. 2012, 25, 1880–1886. [Google Scholar] [CrossRef]
- Costa, L.T.; Vitale, E.; Cappelletti, P.; Graziano, S.F.; Rispoli, C.; Russo, G. Alkaline activation of volcanic ash as binder for soil improvement. In Proceedings of the 8th Italian Conference of Researchers in Geotechnical Engineering, Turin, Italy, 4–6 July 2023; Springer: Cham, Switzerland, 2023; pp. 792–799. [Google Scholar]
- ASTM D5084-10; Standard Test Methods for Measurement of Hydraulic Conductivity of Saturated Porous Materials Using a Flexible Wall Permeameter. ASTM International: West Conshohocken, PA, USA, 2010.
- ASTM D2435M-11; Standard Test Methods for One-Dimensional Consolidation Properties of Soils Using Incremental Loading. ASTM International: West Conshohocken, PA, USA, 2011.
- ASTM D7181-11; Standard Test Methods for One-Dimensional Consolidation Properties of Soils Using Incremental Loading. ASTM International: West Conshohocken, PA, USA, 2011.
- ASTM D3080-98; Standard Test Method for Direct Shear Test of Soils Under Consolidated Drained Conditions. ASTM International: West Conshohocken, PA, USA, 1998.
- ASTM D8295-19; Standard Test Method for Determination of Shear Wave Velocity and Initial Shear Modulus in Soil Specimens Using Bender Elements. ASTM International: West Conshohocken, PA, USA, 2019.
- Di Sante, M. On the Compaction Characteristics of Soil-Lime Mixtures. Geotech. Geol. Eng. 2020, 38, 2335–2344. [Google Scholar] [CrossRef]
- Di Sante, M.; Fratalocchi, E.; Mazzieri, F. Effects of Variation in Compaction Water Content on Geotechnical Properties of Lime-treated Clayey Soil. Procedia Eng. 2016, 158, 63–68. [Google Scholar] [CrossRef]
- Daniel, D.E.; Benson, C.H. Water content—Density criteria for compacted soil liners. J. Geotech. Eng. 1991, 116, 1811–1831. [Google Scholar] [CrossRef]
- Du, Y.J.; Yu, B.W.; Liu, K.; Jiang, N.J.; Liu, M.D. Physical, hydraulic, and mechanical properties of clayey soil stabilized by lightweight alkali-activated slag geopolymer. J. Mater. Civ. Eng. 2017, 29, 04016217-1–04016217-10. [Google Scholar] [CrossRef]
- Galupino, E.J.G.; Dungca, J.R. Permeability characteristics of soil-fly ash mix. ARPN J. Eng. Appl. Sci. 2015, 10, 6440–6447. [Google Scholar]
- Wasil, M. Compressibility of Fly Ash and Fly Ash-Bentonite Mixtures. Balt. J. Road Bridge Eng. 2022, 17, 21–43. [Google Scholar] [CrossRef]
- Gray, D.H.; Lin, Y.K. Engineering Properties of Compacted Fly Ash. J. Soil. Mech. Found. Div. 1972, 98, 361–380. [Google Scholar] [CrossRef]
- Mir, B.A.; Sridharan, A. Volume change behavior of clayey soil-fly ash mixtures. Int. J. Geotech. Eng. 2014, 8, 72–83. [Google Scholar] [CrossRef]
- Rivera, J.F.; Ororbio, A.; Cristelo, N.; Mejia de Gutierres, R. Fly-ash based geopolymers as A4 type soil stabilizer. Transp. Geotech. 2020, 25, 100409. [Google Scholar] [CrossRef]
- Lv, Q.; Jiang, B.; Ma, B.; Zhao, B.; Huo, Z. A study on the effect of the salt content on the solidification of sulphate saline soil solidified with an alkali-activated geopolymer. Constr. Build. Mater. 2018, 176, 68–74. [Google Scholar] [CrossRef]
- Consoli, N.C.; Prietto, P.D.M.; Carraro, J.A.H.; Heineck, K.S. Behavior of compacted soil-fly ash-carbide lime mixtures. J. Geotech. Geoenviron. Eng. 2001, 127, 774–782. [Google Scholar] [CrossRef]
- Di Sante, M.; Bernardo, D.; Bellezza, I.; Fratalocchi, E.; Mazzieri, F. Linking small-strain stiffness to development of chemical reactions in lime-treated soils. Transp. Geotech. 2022, 34, 100742. [Google Scholar] [CrossRef]
- Rao, S.M.; Shivananda, P. Role of curing temperature in progress of lime–soil reactions. Geotech. Geol. Eng. 2005, 23, 79–85. [Google Scholar] [CrossRef]
- Consoli, N.C.; Fonseca, A.V.D.; Silva, S.R.; Cruz, R.C.; Fonini, A. Parameters controlling stiffness and strength of artificially cemented soils. Geotechnique 2012, 62, 177–183. [Google Scholar] [CrossRef]
- Arroyo, M.; Muir Wood, D.; Greening, P.D. Source near-field effects and pulse tests in soil samples. Géotechnique 2003, 53, 337–345. [Google Scholar] [CrossRef]
- Arulnathan, R.; Boulanger, R.W.; Riemer, M.F. Analysis of bender element tests. ASTM Geotech. Test. J. 1998, 21, 120–131. [Google Scholar] [CrossRef]
- Tang, A.M.; Vu, M.N.; Cui, Y.J. Effects of the maximum soil aggregates size and cyclic wetting-drying on the stiffness of a lime-treated clayey soil. Géotechnique 2011, 61, 421–429. [Google Scholar] [CrossRef]
- Wang, Y.; Cui, Y.J.; Benahmed, N.; Tang, A.M.; Duc, M. Changes of small strain shear modulus and suction for a lime-treated silt during curing. Géotechnique 2020, 70, 276–280. [Google Scholar] [CrossRef]
- Fraay, A.L.A.; Bijen, J.M.; de Haan, Y.N. The reaction of fly Ash in concrete. A critical Examination. Cem. Concr. Res. 1989, 19, 235–246. [Google Scholar] [CrossRef]
- Chindaprasirt, P.; Jaturapitakkul, C.; Sinsiri, T. Effect of fly ash fineness on microstructure of blended cement paste. Constr. Build. Mater. 2007, 21, 1534–1541. [Google Scholar] [CrossRef]
- Wang, H.; Liu, T.; Yan, C.; Wang, J. Expansive Soil Stabilization Using Alkali-Activated Fly Ash. Processes 2023, 11, 1550. [Google Scholar] [CrossRef]
- Cristelo, N.; Glendinning, S.; Miranda, T.; Oliveira, D.; Silva, R. Soil stabilization using alkaline activation of fly ash for self-compacting rammed earth construction. Construct. Build. Mater. 2012, 36, 727–735. [Google Scholar] [CrossRef]
- Richardson, I.G. The calcium silicate hydrates. Cem. Concr. Res. 2008, 38, 137–158. [Google Scholar] [CrossRef]












| Characteristic | Value |
|---|---|
| Sand (%) | 3 |
| Fine (%) | 97 |
| Clay (<2 μm, %) | 39 |
| Liquid limit (%) | 40 |
| Plasticity index (%) | 20 |
| Activity (-) | 0.51 |
| ICL (% QL) * | 2 |
| MIXTURE | Curing Time (Days) | Water Content (%) | Type of Test |
|---|---|---|---|
| untreated soil | - | 12.3 | k test |
| untreated soil | - | 15 | k test |
| untreated soil | - | 18.8 | k test |
| untreated soil | - | 20 | k test |
| untreated soil | - | 24.5 | k test |
| soil+4%QL | 0–28 | 15.3 | k test |
| soil+4%FA | 0–28 | 19.6 | k test |
| soil+2%FA+2%QL | 0–28 | 15.5 | k test |
| soil+2%FA+2%QL | 0–28 | 17.8 | k test |
| soil+2%FA+2%QL | 0–28 | 20.5 | k test |
| soil+2%FA+2%QL | 0–28 | 23.9 | k test |
| untreated soil | - | 21.4 | IL oedometic test |
| soil+4%QL | 7 | 19.4 | IL oedometic test |
| soil+4%FA | 7 | 18.2 | IL oedometic test |
| soil+2%FA+2%QL | 7 | 18.5 | IL oedometic test |
| soil+2%FA+2%QL | 0–28 | 17.8 | BE test |
| soil+2%FA+2%QL | 7 | 20 | DS test |
| soil+4%QL | 7 | 19.7 | TX test |
| soil+4%FA | 0–30 | slurry | pH monitoring |
| soil+2%FA+2%QL | 0–30 | slurry | pH monitoring |
Disclaimer/Publisher’s Note: The statements, opinions and data contained in all publications are solely those of the individual author(s) and contributor(s) and not of MDPI and/or the editor(s). MDPI and/or the editor(s) disclaim responsibility for any injury to people or property resulting from any ideas, methods, instructions or products referred to in the content. |
© 2025 by the authors. Licensee MDPI, Basel, Switzerland. This article is an open access article distributed under the terms and conditions of the Creative Commons Attribution (CC BY) license (https://creativecommons.org/licenses/by/4.0/).
Share and Cite
Di Sante, M.; Khan, M.K.; Calò, L.; Fratalocchi, E.; Mazzieri, F. The Combined Use of Fly Ash and Lime to Stabilize a Clayey Soil: A Sustainable and Promising Approach. Geosciences 2025, 15, 346. https://doi.org/10.3390/geosciences15090346
Di Sante M, Khan MK, Calò L, Fratalocchi E, Mazzieri F. The Combined Use of Fly Ash and Lime to Stabilize a Clayey Soil: A Sustainable and Promising Approach. Geosciences. 2025; 15(9):346. https://doi.org/10.3390/geosciences15090346
Chicago/Turabian StyleDi Sante, Marta, Muhammad Khizar Khan, Luca Calò, Evelina Fratalocchi, and Francesco Mazzieri. 2025. "The Combined Use of Fly Ash and Lime to Stabilize a Clayey Soil: A Sustainable and Promising Approach" Geosciences 15, no. 9: 346. https://doi.org/10.3390/geosciences15090346
APA StyleDi Sante, M., Khan, M. K., Calò, L., Fratalocchi, E., & Mazzieri, F. (2025). The Combined Use of Fly Ash and Lime to Stabilize a Clayey Soil: A Sustainable and Promising Approach. Geosciences, 15(9), 346. https://doi.org/10.3390/geosciences15090346

