Research on Maximum Power Control of Direct-Drive Wave Power Generation Device Based on BP Neural Network PID Method
Abstract
1. Introduction
2. Direct-Drive Wave Power Generation System’s Working Principle
2.1. Dynamics Model of Power Generation Device
2.2. Mathematical Model of the Permanent Magnet Linear Generator
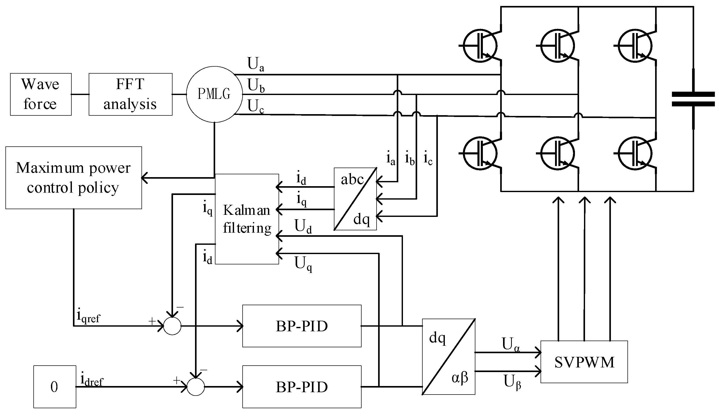
3. Power Tracking Control Strategy
3.1. Regular Wave Analysis
3.2. Irregular Wave Analysis
4. Controller Analysis and Design
4.1. BP Neural Network Controller Design
4.2. Kalman Filter Design
5. Simulation Analysis
5.1. Simulation Analysis Comparison
5.2. Irregular Wave Simulation Analysis
6. Conclusions
- Through the simulation analysis comparison, the instantaneous power ripple is significantly reduced under BP neural network PID control compared to PID control and sliding mode control, indicating that the system has better stability under BP neural network PID control.
- Under BP neural network control, the q-axis tracking current error is smaller, reduced by about 0.4 A, improving the system’s stability and accuracy.
- For both regular and irregular waves, the system’s average power is higher under BP neural network PID control, with an average power increase compared to PID and sliding mode control of about 6%, indicating an improvement in the system’s energy capture efficiency.
Author Contributions
Funding
Institutional Review Board Statement
Informed Consent Statement
Data Availability Statement
Conflicts of Interest
References
- Shi, H.; Liu, Z. Research progress and development trend of ocean wave energy. Sci. Technol. Rev. 2021, 39, 22–28. [Google Scholar]
- Liu, Y.; Jia, R.; Zhang, J. Research status and development prospect of wave energy generation technology. J. Mar. Technol. 2016, 35, 100–104. [Google Scholar]
- Qu, Q.; He, H.; Li, H. Numerical simulation of swing plate motion response of a floating wave energy generator. Ocean. Eng. 2013, 31, 82–88. [Google Scholar]
- Fang, Z.; Ge, X.; He, K.; Ma, Z.; Fang, J. Design and Research of Pendulum Power Generation Device for unmanned Underwater Vehicle. China Mech. Eng. 2018, 29, 2306–2311. [Google Scholar]
- Krishna, R.; Svensson, O.; Rahm, M.; Kottayil, S.K.; Waters, R.; Leijon, M. Analysis of linear wave power generator model with real sea experimental results. IET Renew. Power Gener. 2013, 7, 574–581. [Google Scholar] [CrossRef]
- Polinder, H.; Damen, M.E.C.; Gardner, F. Linear PM genertor system for wave energy conversion in the AWS. IEEE Trans. Energy Convers. 2004, 19, 583–589. [Google Scholar] [CrossRef]
- Falnes, J. A review of wave-energy extraction. Mar. Struct. 2007, 20, 185–201. [Google Scholar] [CrossRef]
- Ling, H.; Göteman, M.; Mats, L. A Methodology of Modelling a Wave Power System via an Equivalent RLC Circuit. IEEE Trans. Sustain. Energy 2016, 7, 1362–1370. [Google Scholar]
- Yang, J.; Huang, L.; Zhong, W.; Hu, M. Energy tracking control of direct drive Wave Power Generation System. Trans. China Electrotech. Soc. 2017, 32, 22–29. [Google Scholar]
- Lin, Q.; Yang, J.; Cai, H.; Yang, J. MPPT control strategy for direct drive Wave Power Generation System based on sliding mode Control. Electr. Meas. Instrum. 2018, 55, 90–95. [Google Scholar]
- Huang, B.; Yang, J.; Shen, H.; Fan, X. Power optimization control of direct drive wave power generation System based on FFT. Acta Sol. Sin. 2019, 42, 206–213. [Google Scholar]
- Sun, D.; Hou, H.; Wang, L.; Zhai, Z. System Design of Belt Conveyor Hydraulic Tensioning Device Based on BP Neural Network PID Control. Coal Mine Mach. 2020, 41, 16–19. [Google Scholar]
- Yang, J.; Huang, L.; Hu, M. Modeling and control strategy based on energy tracking for direct drive wave energy conversion. In Proceedings of the 19th International Conference on Electrical Machines and Systems (ICEMS), Chiba, Japan, 13–16 November 2016; IEEE: Piscataway, NJ, USA, 2016. [Google Scholar]
- Zhang, M.; Yang, S.; He, H.; Zhang, J.; Li, H. Modeling and simulation analysis of array raft wave energy generation device. Ocean. Eng. 2017, 35, 83–88. [Google Scholar]
- Yang, Z.; Zhang, T.; Duan, H.; Zhu, M.; Shao, Y. Comparative study on motion simulation methods of cylindrical buoy under wave action. J. Unmanned Undersea Syst. 2018, 26, 291–297. [Google Scholar]
- Fan, X.; Wang, C.; Zhu, Z.; Meng, H. Design and Analysis of a High Power Density Permanent Magnet Linear Generator for Direct-drive Wave Power Generation. Actuators 2022, 11, 327. [Google Scholar] [CrossRef]
- Dai, L.; Li, Y.; You, Q.; Wei, H.; Zhang, Y. Chaotic Optimal Control of Permanent Magnet Synchronous Motor based on LMI Algorithm. J. Unmanned Undersea Syst. 2021, 29, 293–298. [Google Scholar]
- Tan, C.; Ren, H.; Li, B.; Lu, J.; Li, D.; Tao, W. Design and analysis of a novel cascade control algorithm for braking-by-wire system based on electromagnetic direct-drive valves. J. Frankl. Inst. 2022, 359, 8497–8521. [Google Scholar] [CrossRef]
- Yang, J.; Huang, B.; Shen, H.; Xie, D.; Xiong, F.; Lu, S.; Chen, H. EKF based fuzzy PI controlled speed sensorless power optimal control of a direct drive power system. IEEE Access 2019, 7, 61610–61619. [Google Scholar] [CrossRef]
- Mendonca, H.; Martinez, S. A Resistance Emulation Approach to Optimize the Wave Energy Harvesting for a Direct Drive Point Absorber. IEEE Trans. Sustain. Energy 2015, 7, 3–11. [Google Scholar] [CrossRef]
- Kang, Q.; Xiao, X.; Nie, Z.; Huang, L. Optimization Control Strategy for Output Power of Direct Drive Wave Power Generation System. Power Syst. Autom. 2013, 37, 24–29. [Google Scholar]
- Huang, J.; Yang, J.; Cai, H.; Lin, Q. Active disturbance rejection power optimization control of direct drive wave power generation system based on WFT. J. Renew. Energy 2021, 39, 1271–1277. [Google Scholar]
- Hao, J.; Xie, Z.; Chen, L.; Wu, Y. Research on PID Control Algorithm of Magnetic Bearing Based on BP Neural Network. Mach. Build. Autom. 2021, 2, 127–130. [Google Scholar]
- Huang, B.; Yang, J.; Lu, S.; Chen, H. Backward step optimal power tracking control for wave power generation system based on Kalman filter. J. Renew. Energy 2020, 38, 347–352. [Google Scholar]
- Lu, Y.; Tan, C.; Ge, W.; Li, B.; Lu, J. Improved sliding mode-active disturbance rejection control of electromagnetic linear actuator for direct-drive system. Actuators 2021, 10, 138. [Google Scholar] [CrossRef]


















| Variable | Value | Variable | Value |
|---|---|---|---|
| Ld | 0.0114 H | M | 100 kg |
| Lq | 0.0114 H | m | 50 kg |
| r | 1 Ω | 210 | |
| n | 4 | 61.5 | |
| 0.05 m | 300 N | ||
| 0.52 Wb | 0.5 π |
| Variable | Control Algorithm | Q-Axis Current Tracking Error | Power Boost |
|---|---|---|---|
| Regular wave | PID | 0.6 A | -- |
| Sliding mode | 0.5 A | 1.3% | |
| BP—PID | 0.2 A | 6% | |
| Irregular wave | PID | 0.5 A | -- |
| Sliding mode | 0.5 A | 0.7% | |
| BP-PID | 0.2 A | 2.5% |
Disclaimer/Publisher’s Note: The statements, opinions and data contained in all publications are solely those of the individual author(s) and contributor(s) and not of MDPI and/or the editor(s). MDPI and/or the editor(s) disclaim responsibility for any injury to people or property resulting from any ideas, methods, instructions or products referred to in the content. |
© 2024 by the authors. Licensee MDPI, Basel, Switzerland. This article is an open access article distributed under the terms and conditions of the Creative Commons Attribution (CC BY) license (https://creativecommons.org/licenses/by/4.0/).
Share and Cite
Fan, X.; Meng, H. Research on Maximum Power Control of Direct-Drive Wave Power Generation Device Based on BP Neural Network PID Method. Actuators 2024, 13, 159. https://doi.org/10.3390/act13050159
Fan X, Meng H. Research on Maximum Power Control of Direct-Drive Wave Power Generation Device Based on BP Neural Network PID Method. Actuators. 2024; 13(5):159. https://doi.org/10.3390/act13050159
Chicago/Turabian StyleFan, Xinyu, and Hao Meng. 2024. "Research on Maximum Power Control of Direct-Drive Wave Power Generation Device Based on BP Neural Network PID Method" Actuators 13, no. 5: 159. https://doi.org/10.3390/act13050159
APA StyleFan, X., & Meng, H. (2024). Research on Maximum Power Control of Direct-Drive Wave Power Generation Device Based on BP Neural Network PID Method. Actuators, 13(5), 159. https://doi.org/10.3390/act13050159
