Abstract
This paper introduces a novel piezoelectric actuator designed for precise linear and rotational movements of a cylindrical slider-rotor. The actuator’s design features two elliptical frames interconnected by two plates, with a cylindrical contact situated on the top of the upper plate to facilitate the motion or rotation of the slider. Two piezoelectric multilayer transducers are housed within each elliptical frame and are used to excite vibrations of the elliptical frames using two harmonic signals with a phase difference of π/2 and varying excitation schemes. This excitation pattern generates elliptical motion trajectories of the contact in two orthogonal planes, enabling both linear and rotational displacements of the slider-rotor. Numerical and experimental investigations were conducted to validate the performance and accuracy of the actuator. Additionally, harmonic response and transient analysis were performed to investigate elliptical motion trajectories of the contact in perpendicular planes under various excitation schemes and frequencies. The results confirm that the rotational and linear motions of the slider-rotor can be independently controlled. The actuator achieved a maximum rotational speed of 163.1 RPM and a maximum linear speed of 41.4 mm/s, with a corresponding peak output torque and force of 236.1 mN·mm and 368.1 mN, respectively. A resolution measurements showed that the actuator can achieve an angular resolution of 1.02 mrad and a linear resolution of 53.8 µm.
1. Introduction
The rapid development of modern mechatronic, opto-mechatronic, and positioning systems has created a demand for compact, multifunctional actuators and motors. These devices must be capable of delivering high-resolution movements across multiple degrees of freedom and be able to generate different types of motion (for instance, sliding and rotational) [1,2]. To fulfill these requirements, several single-degree-of-freedom actuators or motors can be used. However, mechatronic devices equipped with a single multi-degree-of-freedom actuator offer several advantages over those with multiple single-degree-of-freedom actuators. They enable a higher positioning accuracy, minimize motion errors, reduce the size of the device, and require only a single driver and controller, simplifying the overall system. Conventional electromagnetic motors are unable to meet these requirements due to inherent technological limitations. These motors can provide only one type of motion, i.e., rotary or linear, and they generate a magnetic field that can lead to unpredictable errors in high-accuracy positioning systems and interfere with electronic devices [3,4,5]. As a result, it can potentially lead to malfunctions in electronic systems [6,7]. Additionally, the use of electromagnetic motors and actuators increases the volume and weight of the system, which limits their applicability in compact mobile systems and devices [8,9,10]. Piezoelectric actuators overcome these limitations by a providing high-resolution motion, a magnetic field-free operation, self-locking capabilities, scalable design, and gear-free functionality [11,12,13,14,15]. Piezoelectric actuators can be designed as multi-degree-of-freedom systems, enabling both linear and rotary motions of the slider without requiring any structural modifications [16,17,18]. However, in most cases, it is challenging to excite the linear and rotational motions of the slider independently. Many existing piezoelectric actuators tend to produce a slight rotational motion when a linear motion is induced, and vice versa because of the reduced friction force when the motion of the slider is generated. Therefore, it is necessary to develop an improved design for piezoelectric actuators that can overcome this issue.
Moshimo and Toyama reported on a rotary linear actuator capable of generating both the angular and linear motions of a cylindrical beam [19]. The actuator features a compact design with a single metallic cube that houses eight piezoelectric ceramic plates on the stator surface and a cylindrical beam that acts as both a slider and rotor. By harmonically exciting multiple vibration modes of the stator, it generates an angular motion through radial vibrations and a linear motion through a combination of longitudinal modes. Experimental results show that the actuator is able to reach an angular speed of up to 160 RPM and a linear speed of 65 mm/s, demonstrating its speed capabilities. The design offers advantages such as dual motion capability, space efficiency, and precise control for applications like micro-positioning or optics. However, it also has limitations, including a potentially limited force output, which is influenced by the size of the actuator; control complexity; sensitivity to temperature fluctuations and self-heating; and low reliability, which is influenced by the wearing of the contact zone.
Han et al. introduced a small piezoelectric rotary–linear motor [20] based on a piezoelectric tube with helical electrodes on its outer surface. The rotor-slider is positioned across the tube, and the motor operates by exciting the torsional and longitudinal vibration modes of the tube using sawtooth signals to generate angular and linear motions, respectively. The motor can achieve angular and linear speeds of up to 9.9 × 10⁵ μrad/s and 2.4 mm/s, respectively, with an excitation signal amplitude of 720 Vp-p. The motor’s advantages include dual motion capabilities, compact design, and precise control, making it suitable for space-constrained applications and tasks requiring high accuracy. However, its limitations include low force output, sensitivity to signal frequency and amplitude, thermal instability, potential wear from the inertial stick-slip principle, and relatively low speed and force capabilities, which may make it unsuitable for applications requiring higher performance.
Chang et al. reported on a linear–rotary positioning stage for an optical focusing system [21], consisting of two piezoelectric actuators placed opposite each other, with a slider-rotor positioned between them. Each actuator has a driving foot mounted on piezoelectric rings with four electrodes. The system operates using the inertial stick-slip principle, excited by bending vibration modes via a sawtooth electric signal. For a linear motion, both actuators are excited simultaneously, causing the slider to move up and down along the vertical axis, while an angular motion is achieved through different horizontal bending modes. Numerical and experimental results showed that the system can achieve linear and angular speeds exceeding 6 μm/s and 1 mrad/s, respectively, with a 600 Vp-p excitation signal. The system offers several advantages, including dual motion capabilities, compact design, and high precision, making it ideal for applications like optical focusing where both types of motion are needed. However, its performance is limited by a low force output, sensitivity to excitation signal parameters, thermal instability, and potential wear from the inertial stick-slip mechanism. Additionally, provided speeds may not be suitable for applications requiring a faster response.
This paper presents the results of numerical and experimental studies on a novel double-ellipse-shaped piezoelectric actuator designed to generate both angular and linear motions of a cylindrical slider-rotor. The proposed design of the actuator and its operation principle have the following novelties. Firstly, the linear and angular movements of the slider-rotor are achieved through the first and second bending modes of the elliptical stator, which create two perpendicular elliptical motion trajectories at the contact points. These trajectories are generated by applying two harmonic signals with a phase difference to four piezoelectric multilayer actuators. A state-of-the-art analysis reveals that most rotary–linear piezoelectric actuators operate using the inertial stick-slip principle, which has the primary drawback of a backward motion during the slip phase. Secondly, the contact force between the stator and slider-rotor can be adjusted by varying the preload force during actuator operation. In contrast, most state-of-the-art actuators rely on hollow cylindrical contact zones, which tend to wear over time, negatively impacting the dynamic performance and overall reliability of the system. Thirdly, the proposed actuator utilizes low-order bending vibration modes that provide a larger output force and torque. Moreover, the compact and scalable design of the proposed actuator facilitates its integration into mechatronic and optomechanical systems with strict constraints on mass and mounting space, offering greater simplicity and flexibility.
2. Design and Operation Principle of the Actuator
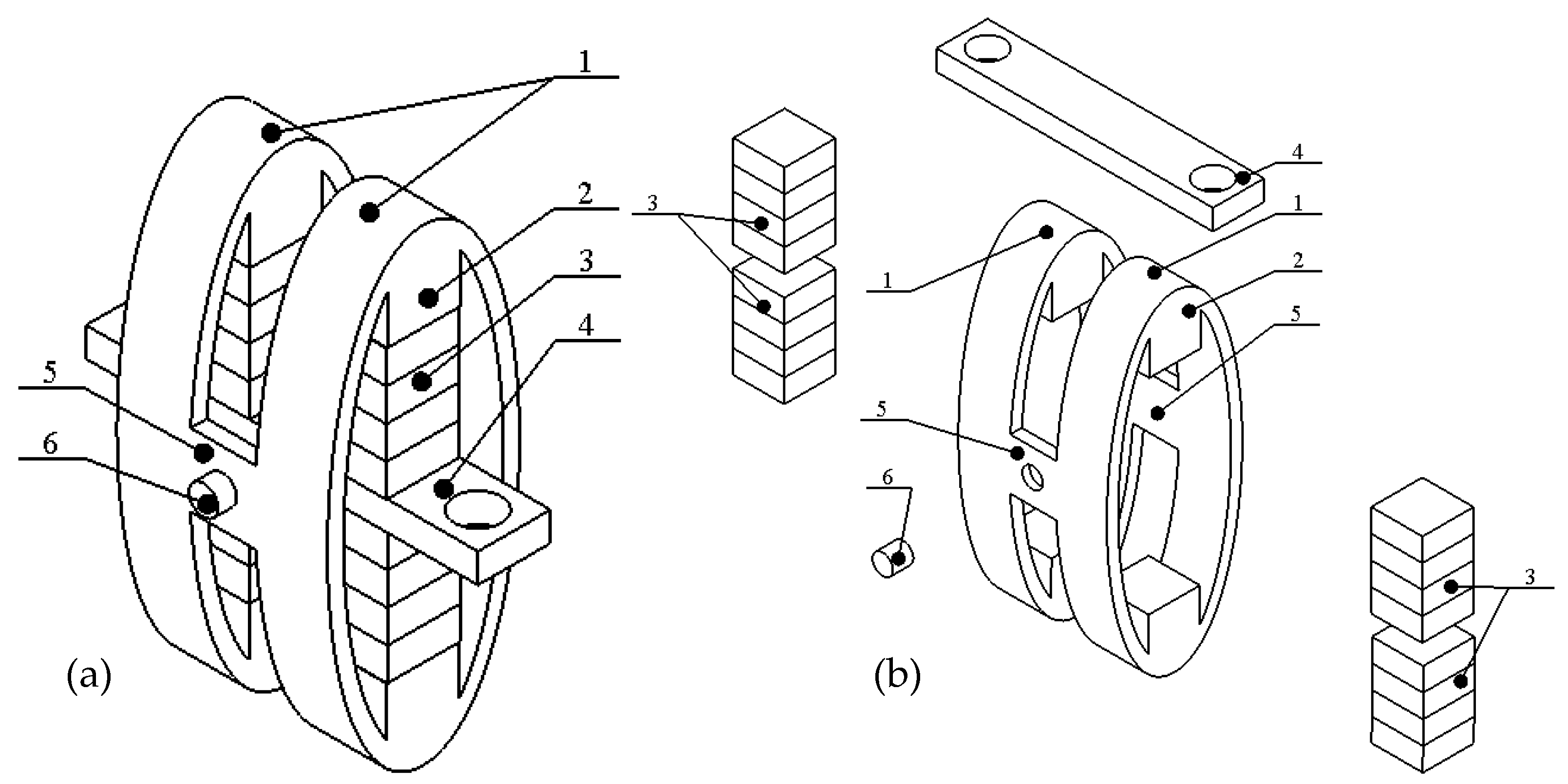
A rotary–linear actuator consists of a double-ellipse-shaped stator, cylindrical slider-rotor, and housing. The stator is composed of two elliptical structures connected by two rectangular beams, all made from a single piece of beryllium bronze C17200. An alumina oxide contact is positioned at the center of one of the rectangular beams, enabling the transfer of vibrations from the stator to the cylindrical slider-rotor. Four piezoelectric multilayer transducers (P-885.11, PI Ceramic, Lederhose, Germany) are mounted inside the stator. One end of each transducer is bonded to the elliptical stator pedestal, while the opposite end is attached to the clamping plate that is positioned at the center of the elliptical stator. The stator is clamped using the same clamping plate. A schematic of the stator is provided in Figure 1.
Figure 1.
Schematics of the double-ellipse-shaped stator; (a)—assembled view; (b)—exploded view; 1—elliptical structures; 2—pedestal for multilayer actuators; 3—piezoelectric multilayer transducers; 4—clamping plate; 5—rectangular plates; 6—cylindrical contact.
A single alumina oxide contact facilitates the integration of sliders and rotors in various shapes, allowing for the stator to be effectively applied across a range of system configurations. Figure 2 presents a comprehensive schematic that illustrates the geometric characteristics of the stator, while Table 1 provides a detailed list of its dimensions.
Figure 2.
Detailed schematics of assembled double-ellipse-shaped stator; (a)—front view; (b)—side view.
Table 1.
Dimensions of the double-ellipse-shaped stator.
Figure 3 illustrates the assembled actuator design, featuring the cylindrical slider-rotor and a stator clamped within the housing. This shows one possible implementation of the stator housing and preloading mechanism, where the stator is clamped using bolts and a preload is applied in a transverse direction by changing the position of the stator. In general, the stator can be used in various mechanisms and housings; however, it must be noted that for the appropriate operation of the actuator, the following requirements must be fulfilled: the transversal symmetry axis of the stator must be perpendicular to the longitudinal symmetry axis of the cylindrical slider–rotor. Moreover, these axes of symmetries must be located on the same plane.
Figure 3.
Schematics of the actuator; (a)—assembled view; (b)—exploded view; 1—ellipse-shaped stator; 2—stator clamping bolts; 3—cylindrical slider-rotor; 4—bushings; 5—body of the actuator.
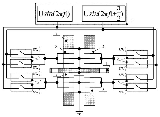
The actuator operation is based on the excitation of the first and second bending modes of the ellipse-shaped stator. The elliptical motion trajectories of the contact are inducted by two electric harmonic signals with a phase difference of π/2. Excitation schematics of the multilayer transducers are shown in Figure 4 while switch control signals are given in Table 2.
Figure 4.
Excitation schematics of the actuator; 1—excitation signal source; 2—ellipse-shaped stator; 3—piezoelectric multilayer transducers; 4—clamping plate; 5—switches for signals commutation.
Table 2.
Control of switches for different motion types.
To achieve the linear motion of the cylindrical slider-rotor, the alumina oxide contact must have an elliptical motion trajectory and its major axis must be aligned with the longitudinal axis of the cylindrical slider-rotor. These requirements are met when the piezoelectric multilayer transducers on the right side of the stator (Figure 4) are driven by an electric signal with a phase shifted by π/2 relative to the signal applied to the left-side multilayers. Additionally, the signal frequency must match the resonant frequency of the stator’s first bending mode. The expansion and contraction of the left and right elliptical-shaped structures are induced by signals with a phase difference of π/2 resulting in an elliptical motion trajectory at the contact point and producing the linear motion of the slider-rotor through the impact of the slider-rotor. To reverse the motion, the phases of the excitation signals must be shifted.
The angular motion of the cylindrical slider-rotor is achieved when the contact point follows an elliptical motion trajectory with its major axis oriented perpendicular to the longitudinal axis of symmetry of the cylindrical slider-rotor and impacts it. To achieve this contact point motion trajectory, the top piezoelectric multilayer transducers (Figure 4) must be driven by a harmonic signal phase-shifted by π/2 relative to the signal applied to the bottom piezoelectric multilayers. Both signals must have a frequency matching the second bending vibration mode of the stator. In this manner, the out-of-phase expansion and contraction of the piezoelectric multilayer transducers cause the stator to vibrate in its second bending mode, resulting in an elliptical motion trajectory at the contact point. Contact impacts the slider-rotor, and an angular motion is induced.
To reverse the angular motion of the cylindrical slider-rotor, the phase of the excitation signals must be shifted.
By observing the operating principle, it can be concluded that the actuator is capable of independently providing both linear and angular motions of the cylindrical slider-rotor. Furthermore, as shown in the excitation schematic (Figure 4), the motion of the slider-rotor can be switched between linear and angular modes by switching the electrical signals and frequencies applied to the multilayer transducers. This allows for nearly continuous linear–angular positioning of the payload.
3. Numerical Modeling of the Actuator
Numerical analysis was conducted to validate the operating principle and indicate mechanical and electromechanical characteristics of the actuator. For this purpose, the numerical model of the actuator was built using Comsol Multiphysics software. The geometrical parameters of the actuator were defined in accordance with Figure 2 and Table 1.
The following material properties were included in the numerical model, i.e., the stator and clamping plate were defined as beryllium bronze C17200, while the contact was set as made of alumina oxide. Lastly, piezoelectric multilayer transducers were assigned the material properties of PIC252 (PI Ceramics, Lederhose, Germany). Detailed material properties are provided in Table 3. Boundary conditions of the model were defined as follows: the inner surfaces of holes located in the clamping plates were set to a fixed condition, while electrical boundary conditions were applied according to the internal wiring of the piezoelectric multilayer transducers as shown in Figure 4.
Table 3.
Properties of the materials.
The initial phase of the numerical investigation focused on the analysis of the natural frequencies and modal shapes of the stator. The objective was to identify the natural frequencies corresponding to the first and second bending modes of the stator and confirm their suitability for generating both linear and angular motions. The modal shapes of the corresponding vibration modes are presented in Figure 5.
Figure 5.
Modal shapes of the stator; (a)—the first bending mode at a frequency of 13.31 kHz; (b)—the second bending mode at a frequency of 15.19 kHz.
Figure 5a illustrates the first bending mode of the stator, corresponding to a natural frequency of 13.31 kHz. The modal shape is asymmetrical because of the rectangular plate that connects two elliptical sections. Additionally, it can be observed that the modes of each elliptical section have displacements with a phase difference. As a result, when one section of the stator bends in one direction, the other bends in the opposite direction. So, it can be assumed that if two excitation signals with a phase difference of π/2 are applied to the piezoelectric multilayer actuators that are mounted to the stator in series (Figure 4), the elliptical motion trajectory would be produced. The major axis of this trajectory would align parallel to the axis of symmetry of the cylindrical slider-rotor, resulting in a linear motion. Figure 5b shows the second bending mode of the stator, identified at a natural frequency of 15.19 kHz. This mode can be excited by applying two harmonic signals with a phase difference of π/2 to the multilayer piezoelectric actuators mounted in parallel (Figure 4). This excitation results in an elliptical motion trajectory at the contact point, with the major axis oriented perpendicular to the axis of symmetry of the cylindrical slider-rotor. The rotation of the slider is induced using this mode of vibrations.
The next phase of the numerical investigation focused on analyzing the impedance and phase frequency characteristics of the stator. A frequency domain analysis was conducted, maintaining the same boundary conditions as in the previous case. The calculation ranges were defined as follows: for the first bending mode (Figure 5a), the range was set between 12.95 kHz and 14.00 kHz with a step size of 1 Hz, and for the second bending mode (Figure 5b), the range was set between 15.00 kHz and 15.3 kHz with the same step size. The results are presented in Figure 6.
Figure 6.
Impedance and phase frequency characteristics of the actuator; (a)—characteristics of the first bending mode; (b)—characteristics of the second bending mode.
Figure 6a illustrates the impedance and phase frequency characteristics of the stator’s first bending mode. The calculations reveal that the resonance frequency for this mode is 13.52 kHz, with an impedance value of 2.2 Ω at this point. Compared to the results of the modal analysis (Figure 5), the resonance frequency is slightly higher, with a difference of 210 Hz, or approximately 1.5%. This discrepancy arises from the discrete calculation step used in the frequency domain study and minor variations in electrical boundary conditions. Nevertheless, the results from the modal and frequency domain analyses are in close agreement, confirming that the identified resonance frequency of the first bending mode is suitable for further investigation.
The impedance and phase frequency characteristics of the second bending mode (Figure 6b) indicate a resonance frequency of 15.11 kHz, with an impedance value of 4.9 Ω. The difference between the natural and resonance frequencies is approximately 80 Hz, or about 1%. As with the first bending mode, this variation arises from the discrete calculation step used in the frequency domain study and slight differences in electrical boundary conditions. Nonetheless, the results show a strong correlation, confirming that the resonance frequency of the second bending mode is accurate and can be used for further investigations.
Numerical simulations were conducted to investigate the operational sequence of the stator as it vibrates in the first and second bending modes. These calculations were performed in the time domain with the calculated time ranges corresponding to one period of vibration (T). The calculation time for both modes was set to a range of 20 × T µs to 21 × T µs, with a step size of T/100. The calculation started at the 20th period of vibrations to ensure a steady-state operation of the stator. Consequently, the time for the first bending mode was set to a range of 14.8 µs to 15.5 µs, while the range for the second bending mode was defined from 13.2 µs to 13.9 µs. The boundary conditions remained consistent with the previous analysis, and the electrical boundary conditions were configured according to Figure 4. The results are presented in Figure 7.
Figure 7.
Operation sequences of the actuator during one period of vibrations; (a)—at the first bending mode; (b)—in the second bending mode.
Figure 7a illustrates the vibration sequence of the stator during one period of vibrations while the first bending mode is excited. It is evident that the contact point located on the rectangular plate generates an elliptical motion trajectory as a result of the excited vibration mode. Additionally, the motion trajectory of the contact remains parallel to the xy plane, confirming the potential to achieve the linear motion of the cylindrical slider-rotor through the excitation of the first bending mode. Figure 7b depicts the operational sequence of the stator during one period while the second bending mode is excited. The results indicate that, during this excitation, the contact point follows an elliptical motion trajectory that is parallel to the yz plane. This confirms the potential to achieve the rotational motion of the cylindrical slider-rotor.
Summing up, it can be concluded that the vibration modes are effective for facilitating both linear and angular motions of the cylindrical slider-rotor, as the major axes of the elliptical motion trajectories of the contact points are aligned with the required planes.
Contact point motion trajectories were analyzed at the corresponding frequencies when voltage was applied in a range of 40 Vp-p to 200 Vp-p with a step increment of 20 Vp-p for both operation cases. The results of the calculations are given in Figure 8.
Figure 8.
Contact point motion trajectories at different excitation voltages; (a)—motion trajectory when the first bending mode is excited; (b)—motion trajectory when the second bending mode is excited.
As illustrated in Figure 8a, the motion trajectory of the contact, generated during the excitation of the first bending mode, forms an elliptical shape within the xy plane, which lies parallel to the longitudinal axis of the cylindrical slider-rotor. This confirms the actuator’s operation in a linear motion mode. Furthermore, the actuator demonstrates the capability of generating a linear motion in a wide range of excitation signal amplitudes. The largest and smallest contact displacements were observed at excitation signal amplitudes of 200 Vp-p and 40 Vp-p, respectively. At 200 Vp-p, the length of the motion trajectory’s projection onto the x-axis is 223.2 µm, compared to 35.6 µm at 40 Vp-p. This indicates a 6.27-times increase in displacement along the x-axis across the tested range of excitation. Similarly, along the y-axis, the projection length at 200 Vp-p is 8.3 µm, while at 40 Vp-p, it is 1.55 µm, representing a 5.35 times increase. These results demonstrate that the actuator operation in the first bending mode has an almost linear dependance of the vibration amplitudes from the excitation voltage and ensures effective performance across a wide range of excitation signal amplitudes.
The motion trajectories of the contact generated by the second bending mode lie in the yz-plane and form an elliptical shape (Figure 8b). These trajectories are perpendicular to the symmetry axis of the cylindrical slider-rotor, confirming the actuator’s operation in the angular motion mode. The largest and smallest displacements were observed at excitation signal amplitudes of 200 Vp-p and 40 Vp-p, respectively. At 200 Vp-p, the projection of the motion trajectory along the y-axis achieved 112.6 µm, compared to 24.7 µm at 40 Vp-p, representing an increase of 4.55 times. Similarly, the projection along the z-axis is 32.4 µm at 200 Vp-p and 6.3 µm at 40 Vp-p, resulting in a 5.14-times increase in displacement across the full range of excitation amplitudes. These results demonstrate that operating the actuator in the second bending mode ensures the angular motion of the slider-rotor. Furthermore, the actuator can deliver stable and predictable angular movements across a wide range of excitation signal amplitudes.
4. Experimental Investigation of the Actuator
To conduct an experimental investigation, a prototype actuator was fabricated strictly with respect to the geometrical and physical parameters outlined in Table 1 and Table 2. Additionally, the actuator (Figure 3, Figure 4 and Figure 5) was mounted using standard optical translation stage and brackets. The assembled prototype and its integration into the mounting system are shown in Figure 9.
Figure 9.
Prototype actuator; (a)—front view of actuator; (b)—side view of actuator integrated into mounting system; (c)—assembled actuator and slider-rotor.
The initial phase of the experimental investigation focused on measuring the impedance–frequency characteristics of the actuator. For this purpose, the actuator was clamped into the mounting system (Figure 9c). The measurements were carried out using a SinePhase 16777k (SinePhase Instruments GmbH, Hinterbruehl, Austria) impedance analyzer, and the results are presented in Figure 10.
Figure 10.
Measured impedance–frequency characteristics of the actuator; (a)—the first bending mode; (b)—the second bending mode.
The resonance frequency of the first bending mode was observed at 12.35 kHz, with an impedance value of 14.45 Ω. Compared to the numerically calculated results, the differences in resonance frequency and impedance are 1.17 kHz and 12.25 Ω, respectively. Similarly, Figure 10b illustrates that the resonance frequency of the second bending mode occurs at 14.68 kHz, with an impedance of 15.2 Ω. The comparison between calculated and measured values reveals deviations of 430 Hz and 10.3 Ω, respectively. These findings indicate that the discrepancies between the calculated and measured resonance frequencies are relatively minor. Differences can be attributed to variations in clamping conditions, manufacturing and assembly inaccuracies, and minor mismatches in material properties. On the other hand, the measured impedance values exhibit significant deviations, being approximately 6–7 times higher than the calculated values. This difference is primarily due to the influence of the glue layer, which was not accounted for in the numerical model, as well as imperfect electrical contacts between the piezoceramic electrodes and connecting wires, and between the wires and the impedance analyzer. Despite these differences, the results are in reasonable agreement, indicating that the experimental data are sufficiently reliable to proceed with further investigations.
The next phase of the experimental investigation aimed to experimentally identify the vibration modes and validate the actuator’s operating principle. To achieve this, a scanning vibrometer PSV-500 (Polytec, Waldbronn, Germany) was used while the actuator was affected by excitation signals in accordance with Figure 4. The excitation signal frequencies were set based on the impedance–frequency characteristic measurements (Figure 10), while the signal amplitudes were fixed at 100 Vp-p. The sequences of the vibration shape of the actuator during one period of vibrations are given in Figure 11. The results confirm the actuator’s operation in both the first and second bending modes. Furthermore, a comparison with Figure 7 reveals that the numerical calculations align well with the experimental measurements. The appropriate vibration modes are also observed at the same frequencies identified in the impedance–frequency characteristic measurements. Based on these findings, the actuator’s operating principle and frequencies are successfully identified and validated.
Figure 11.
Vibration sequences of the actuator in one period; (a)—in the first bending mode; (b)—in the second bending mode.
Experimental measurements of angular and linear motions of cylindrical slider-rotor with different payloads were performed. The preload force of the actuator was set to 950 mN. A spring was used for the preload that was placed between the body of the actuator and the actuator itself. The investigation was conducted sequentially with the actuator first set to generate a linear motion followed by an angular motion. Linear and angular motions with payloads were measured and recorded using a Nidec–Shimpo DT-2100 tachometer (Nidec-Shimpo Corporation, Glendale Heights, IL, USA) and a non-contact displacement sensor optoNCDT 1420 (Micro-Epsilon, Ortenburg, Germany). During angular motion measurements, a pully-roller mechanism was used to apply the payloads, while during linear motion measurements, the payloads were applied directly to the slider-rotor. The actuators’ excitation was carried out as outlined in Figure 4. The measurements were performed under the following conditions: excitation signals amplitudes ranged from 40 Vp-p to 200 Vp-p with a step increment of 20 Vp-p, and payload values were set at 15.3 g, 25.8 g, and 32.9 g. The results of the measurements are shown in Figure 12.
Figure 12.
Measured speed dependence on voltage under different loads; (a)—linear motion characteristics; (b)—angular motion characteristics.
Figure 12a,b illustrate the linear and angular motion speeds of the cylindrical slider–rotor under different loads and excitation signal amplitudes. Firstly, it can be noticed that different load values affect the actuator’s ability to generate motions at low amplitudes of excitation signals. The graph shows that the load directly influences the motion speed. It must be noted that the lowest load of 15.3 g was applied and the motion was achieved at a voltage of 40 Vp-p, while increasing the load to 25.8 g and 32.9 g required voltages of 60 Vp-p and 80 Vp-p, which were necessary to initiate the motion. This effect was obtained due to several reasons. Higher loads increase the inertial force of the cylindrical slider–rotor, and as result higher vibration amplitudes and output forces are needed to initiate the motion. Also, considering that the loads are applied at the ends of the cylindrical slider-rotor, some deflections occur, which are the result of a lower quality of contact between the stator and the active part. Finally, the ball bearings supporting the cylindrical slider-rotor also contribute to motion generation difficulties at low excitation amplitudes due to minor deformations related to load and the additional friction force between the slider-rotor and the bearings. Despite these challenges, the actuator successfully generates both linear and angular motions across different excitation signal amplitudes and load values, confirming the functionality of the proposed design.
Figure 12a shows that the lowest linear motion speed of 11.3 mm/s or 0.28 mm/s/ Vp-p was obtained at 40 Vp-p and 15.3 g while the highest linear motion speed of 41.4 mm/s or 0.2 mm/s/Vp-p was obtained at 200 Vp-p and 15.3 g. The graph also indicates that for other load values, the highest motion speeds were obtained at 200 Vp-p. Linear speeds reached 37.7 mm/s or 0.189 mm/s/Vp-p and 35.2 mm/s or 0.176 mm/s/Vp-p at 25.8 g and 32.9 g, respectively. On the other hand, the lowest linear motion speeds at 25.8 g and 32.9 g loads were used, obtained at 60 Vp-p and 80 Vp-p excitation signal amplitudes. The speeds at these loads reached values of 10.8 mm/s or 0.18 mm/s/Vp-p and 12.3 mm/s or 0.15 mm/s/Vp-p, respectively. Therefore, on the basis of these results, it can be found that the actuator is able to provide stable and good predictive linear motion characteristics at different excitation and load conditions.
An analysis of Figure 12b reveals that the lowest angular motion speed of 25.8 RPM or 0.65 RPM/Vp-p was obtained at an excitation voltage of 40 Vp-p and a load of 15.3 g. The highest motion speed of 163.1 RPM or 0.82 RPM/Vp-p was obtained while 200 Vp-p and 15.3 g were applied to the actuator. On the other hand, at loads of 25.8 g and 32.9 g, the highest angular motion speeds reached 155.6 RPM or 0.78 RPM/Vp-p and 137.4 RPM or 0.69 RPM/Vp-p, respectively. The lowest speeds were observed at 60 Vp-p and 80 Vp-p with a speed of 37.8 RPM or 0.63 RPM/Vp-p and 49.2 RPM or 0.62 RPM/Vp-p, respectively. As with the linear motion, these results demonstrate that the actuator can provide stable angular motion characteristics under various excitation amplitudes and loads.
Also, experimental investigations were conducted to measure the output force and torque of the actuator. The same conditions as in the previous tests were applied, including the excitation signal amplitudes and load values.
The results of these measurements are presented in Figure 13.
Figure 13.
Measured output force and torque dependance on voltage when different loads are applied; (a)—output force characteristics of linear motion; (b)—torque characteristics of angular motion.
As shown in Figure 13, the lowest output force and torque are dependent on both the load and the excitation signal amplitude. The actuator exhibits the same behavior as in the case with linear and angular motion speed measurements.
It can be seen that the lowest output force of 152.1 mN or 1.9 mN/Vp-p was obtained when a voltage of 80 Vp-p and a load of 32.9 g were used. The highest output force of 368.1 mN or 1.84 mN/Vp-p was obtained when 200 Vp-p and 15.3 g were used. On the other hand, at load conditions of 25.8 g and 32.9 g, the lowest output force values of 173.3 mN or 2.88 mN/Vp-p and 183.1 mN or 4.58 mN/Vp-p were obtained while the excitation signals amplitudes were 60 Vp-p and 40 Vp-p, respectively. The highest output forces, under the same load of 25.8 g and 32.9 g, were obtained while the excitation signal amplitude was set to 200 Vp-p and reached 335.6 mN or 1.68 mN/Vp-p and 296.3 mN or 1.48 mN/Vp-p, respectively.
Figure 13b represents the characteristics of the output torque while different cases of load and excitation signals were applied to the actuator. The lowest torque of 80.2 mN·mm or 1 (mN·mm)/Vp-p was obtained, while 80 Vp-p and 32.9 g conditions were applied. The highest torque of 236.1 mN·mm or 1.18 (mN·mm)/Vp-p was obtained when the load of 15.3 g and 200 Vp-p conditions were applied. The highest torque values while 25.8 g and 32.9 g loads were applied reached 205.4 mN·mm or 1.02 (mN·mm)/Vp-p and 178.1 mN·mm or 0.89 (mN·mm)/Vp-p at 200 Vp-p of excitation signal amplitude. On the basis of these results, it can be found that the output force and torque characteristics exhibit fluctuations while different excitation and load conditions are applied. However, it can be stated that the actuator is able to provide an almost linear dependance of the output force and torque dependance on the excitation signal amplitude.
Finally, measurements of angular and linear motion resolutions in the stepping mode were performed. For these experimental investigations, loads of 15.3 g, 25.3 g and 32.9 g were used while the excitation signal amplitude was set to 200 Vp-p. The excitation signal was arranged as follows: 20 periods of excitation signal were supplied at the beginning of each 3.5 ms step time range. The results of the measurements are given in Figure 14.
Figure 14.
Linear and angular motion characteristics in the stepping operation mode; (a) linear motion characteristics; (b) angular motion characteristics.
As can be found in Figure 14a, the linear motion characteristics are directly related to the load, which is driven by the actuator, that is, the total linear displacement with the lowest load is notably higher compared to the linear displacements generated while higher loads are driven. It is the result of a higher slip-up at the contact zone inducted by a higher dynamic resistance of the slider and load. However, the actuator is able to generate a stable linear stepping motion with stable motion resolutions, i.e., when the load is 15.3 g, the average step of the linear displacement is 53.8 µm; when the load is 25.3 g, the average step of the linear displacement is 78.1 µm; and finally, with a load of 32.9 g, the average step of the linear displacement is 131.8 µm.
When we analyze Figure 14b, we can observe a similar behavior of the actuator as in the case with a stepping motion in the linear displacement mode, i.e., the angular motion in the stepping mode is directly related to the load that is applied to the actuator. So, the average angular displacements at the step motion mode are 1.02 mrad, 1.6 mrad, and 2.79 mrad when the load values are 15.3 g, 25.3 g, and 32.9 g, respectively. Therefore, on the basis of these results, it can be concluded that the actuator is capable of providing stable angular and linear motion resolutions while different loads are driven. Moreover, the motion resolutions provide the possibility to orientate angularly and linearly with high accuracy.
5. Conclusions
A novel piezoelectric double-ellipse-based rotary–linear actuator is proposed and was investigated. The operating principle is based on the excitation of two orthogonal elliptical motion trajectories of the contact point independently. Therefore, both the linear and rotary motions of the slider can be induced. The linear and angular motions of the slider-rotor are controlled by the excitation of piezoelectric multilayer transducers independently, allowing for electronic control over both the type and direction of motion. Numerical studies validated the operation principle of the actuator by demonstrating the vibration sequences of the stator and the corresponding contact motion trajectories. It was shown that projections of elliptical motion trajectories almost linearly depend on excitation voltage.
The experimental investigation confirmed the actuator’s operating principle and demonstrated its ability to achieve a maximum linear speed of 41.4 mm/s with a 200 Vp-p excitation signal and a 15.3 g load. The maximum output force reached 368.1 mN when the amplitude of the 200 Vp-p excitation signal and 15.3 g load were applied. Furthermore, the actuator also provided a maximum angular speed of 163.1 RPM with a 200 Vp-p excitation signal at a load of 15.3 g. Furthermore, it reached a maximum torque of 236.1 mN·mm at 200 Vp-p with a load of 15.3 g. Finally, experimental investigations of linear and angular motion resolutions in the stepping mode showed that the actuator is able to provide 53.8 µm and 1.02 mrad of linear and angular motion resolutions with a 15.3 g load and a 200 Vp-p excitation signal amplitude.
Author Contributions
A.Č.: Conceptualization, Methodology, Data curation, Writing—original draft, Visualization, Investigation. D.M.: Conceptualization, Methodology, Writing—review and editing, Resources, Supervision, Investigation. All authors have read and agreed to the published version of the manuscript.
Funding
This project received funding from the Research Council of Lithuania, agreement No. S-MIP-22–61.
Data Availability Statement
Data will be made available on request.
Acknowledgments
The authors would like to extend heartfelt thanks to Tobias Hemsel from the Dynamics and Mechatronics group at Paderborn University for invaluable discussions and constructive suggestions that enriched the work.
Conflicts of Interest
The authors declare no conflicts of interest.
References
- Giesko, T.; Mazurkiewicz, A. Applications of Optomechatronic Technologies in Innovative Industry. In Advances in Manufacturing; Lecture Notes in Mechanical Engineering; Springer: Cham, Switzerland, 2018; pp. 543–553. [Google Scholar] [CrossRef]
- Mashimo, T.; Izuhara, S. Review: Recent Advances in Micromotors. IEEE Access 2020, 8, 213489–213501. [Google Scholar] [CrossRef]
- Dalbins, J.; Allaje, K.; Iakubivskyi, I.; Kivastik, J.; Komarovskis, R.O.; Plans, M.; Sunter, I.; Teras, H.; Ehrpais, H.; Ilbis, E.; et al. ESTCube-2: The Experience of Developing a Highly Integrated CubeSat Platform. In Proceedings of the 2022 IEEE Aerospace Conference (AERO), Big Sky, MT, USA, 5–12 March 2022. [Google Scholar] [CrossRef]
- Logozzo, S.; Valigi, M.C.; Canella, G. Advances in Optomechatronics: An Automated Tilt-Rotational 3D Scanner for High-Quality Reconstructions. Photonics 2018, 5, 42. [Google Scholar] [CrossRef]
- Büttgenbach, S. Electromagnetic Micromotors-Design, Fabrication and Applications. Micromachines 2014, 5, 929–942. [Google Scholar] [CrossRef]
- Gan, W.; Shiyu, S.; Tao, Y.; Ai, L.; Zhang, C.; Tang, J. Opto-Mechatronics System for Train-Track Micro Deformation Sensing. Sensors 2022, 22, 296. [Google Scholar] [CrossRef] [PubMed]
- Tirmizi, H.; Lannoo, J.; Vanoost, D.; Claeys, T.; Vandenbosch, G.A.E.; Pissoort, D. Resilience of Time Diversity Against Multiharmonic Electromagnetic Disturbances Under Reverberation Conditions: An Overview of Fault Mechanisms. IEEE Trans. Electromagn. Compat. 2022, 64, 631–639. [Google Scholar] [CrossRef]
- Barán, B.; Martínez, B.O.; Barán, M. Multi-Objective Optimization in the Selection of a CubeSat Payload. In Proceedings of the 2021 IEEE International Conference on Aerospace and Signal Processing (INCAS), Lima, Peru, 28–30 November 2021; pp. 1–4. [Google Scholar] [CrossRef]
- Salem, M.B.; Petit, L.; Khan, M.U.; Terrien, J.; Prelle, C.; Lamarque, F.; Coradin, T.; Egles, C. A Miniature Tubular Linear Electromagnetic Actuator: Design, Modeling and Experimental Validation. In Proceedings of the 2022 International Conference on Manipulation, Automation and Robotics at Small Scales (MARSS), Toronto, ON, Canada, 25–29 July 2022; pp. 1–5. [Google Scholar] [CrossRef]
- Sakama, S.; Tanaka, Y.; Kamimura, A. Characteristics of Hydraulic and Electric Servo Motors. Actuators 2022, 11, 11. [Google Scholar] [CrossRef]
- Jin, H.; Gao, X.; Ren, K.; Liu, J.; Qiao, L.; Liu, M.; Chen, W.; He, Y.; Dong, S.; Xu, Z.; et al. Review on Piezoelectric Actuators Based on High-Performance Piezoelectric Materials. IEEE Trans. Ultrason. Ferroelectr. Freq. Control 2022, 69, 3057–3069. [Google Scholar] [CrossRef] [PubMed]
- Mukhopadhyay, S.; Behera, B.; Kumar, J. A Brief Review on the Recent Evolution in Piezoelectric Linear Ultrasonic Motors. Eng. Res. Express 2021, 3, 042003. [Google Scholar] [CrossRef]
- Tian, X.; Liu, Y.; Deng, J.; Wang, L.; Chen, W. A Review on Piezoelectric Ultrasonic Motors for the Past Decade: Classification, Operating Principle, Performance, and Future Work Perspectives. Sens. Actuators A Phys. 2020, 306, 111971. [Google Scholar] [CrossRef]
- Guignabert, A.; Pagès, A.; Freychet, O.; Barillot, F.; Stentz, J.; Belly, C.; Maillard, T.; Claeyssen, F. Improvement of MSPA: Module of Stepping Piezo Actuator. In Proceedings of the 16th International Conference on New Actuators (ACTUATOR 2018), Bremen, Germany, 25–27 June 2018. [Google Scholar]
- Koc, B.; Delibas, B. Impact Force Analysis in Inertia-Type Piezoelectric Motors. Actuators 2023, 12, 52. [Google Scholar] [CrossRef]
- Ryndzionek, R.; Sienkiewicz, L. A Review of Recent Advances in the Single- and Multi-Degree-of-Freedom Ultrasonic Piezoelectric Motors. Ultrasonics 2021, 116, 106471. [Google Scholar] [CrossRef] [PubMed]
- Ryndzionek, R.; Sienkiewicz, L.; Michna, M.; Chodnicki, M. Design Evolution of the Ultrasonic Piezoelectric Motor Using Three Rotating Mode Actuators. IEEE Access 2021, 9, 79416–79423. [Google Scholar] [CrossRef]
- Leng, J.; Jin, L.; Dong, X.; Zhang, H.; Liu, C.; Xu, Z. A Multi-Degree-of-Freedom Clamping Type Traveling-Wave Ultrasonic Motor. Ultrasonics 2022, 119, 106621. [Google Scholar] [CrossRef] [PubMed]
- Mashimo, T.; Toyama, S. Rotary-Linear Piezoelectric Actuator Using a Single Stator. IEEE Trans. Ultrason. Ferroelectr. Freq. Control 2009, 56, 114–120. [Google Scholar] [CrossRef] [PubMed]
- Han, L.; Yu, L.; Pan, C.; Zhao, H.; Jiang, Y. A Novel Impact Rotary-Linear Motor Based on Decomposed Screw-Type Motion of Piezoelectric Actuator. Appl. Sci. 2018, 8, 2492. [Google Scholar] [CrossRef]
- Chang, Q.; Liu, Y.; Deng, J.; Zhang, S.; Chen, W. Design of a Precise Linear-Rotary Positioning Stage for Optical Focusing Based on the Stick-Slip Mechanism. Mech. Syst. Signal Process. 2022, 165, 108398. [Google Scholar] [CrossRef]
Disclaimer/Publisher’s Note: The statements, opinions and data contained in all publications are solely those of the individual author(s) and contributor(s) and not of MDPI and/or the editor(s). MDPI and/or the editor(s) disclaim responsibility for any injury to people or property resulting from any ideas, methods, instructions or products referred to in the content. |
© 2024 by the authors. Licensee MDPI, Basel, Switzerland. This article is an open access article distributed under the terms and conditions of the Creative Commons Attribution (CC BY) license (https://creativecommons.org/licenses/by/4.0/).













