Review of Key Technologies for Aviation Intelligent Pumps
Abstract
1. Introduction
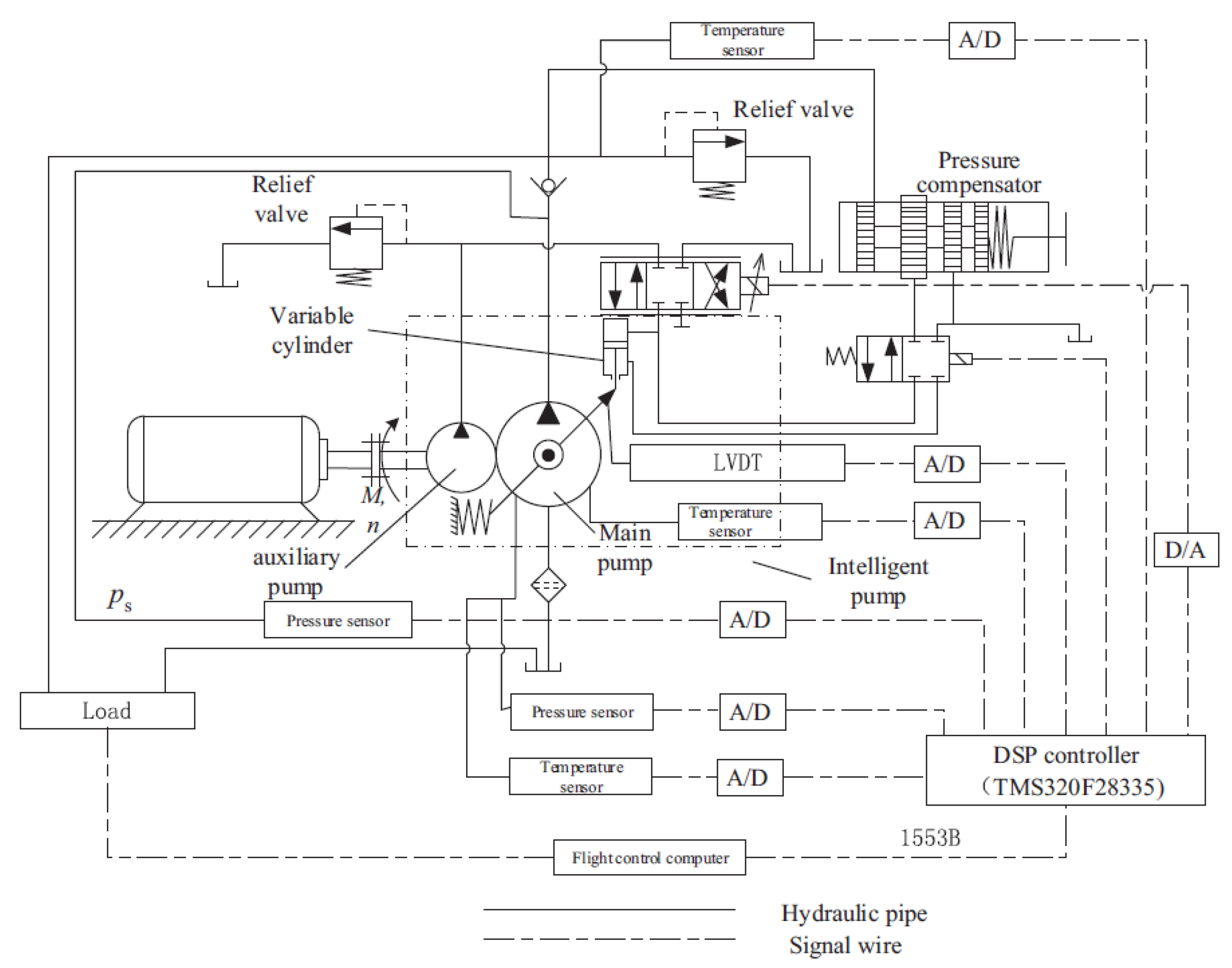
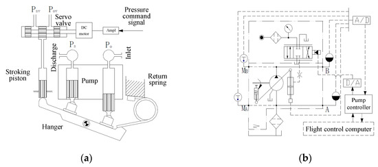
2. Research on the System Scheme and Working Mode of the Intelligent Pump
3. Research on the Structure Scheme of Intelligent Pumps
4. Research on Intelligent Pump Control Strategies
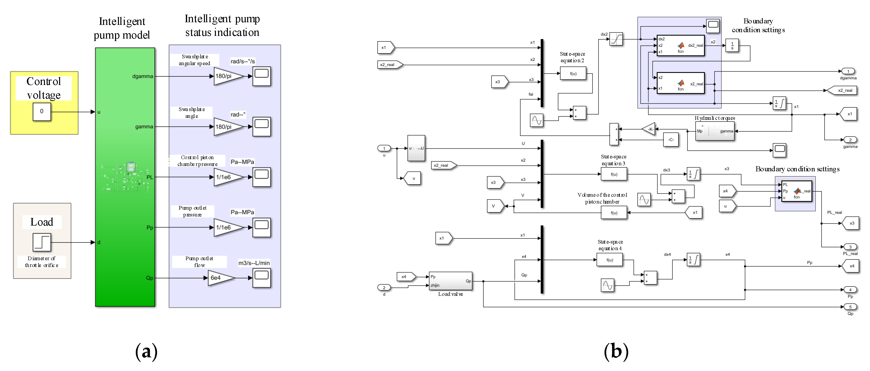
4.1. Mathematical Modeling of Intelligent Pumps
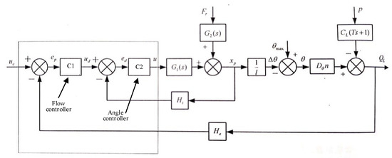
4.2. Pressure Control Strategies
4.3. Flow Control Strategies
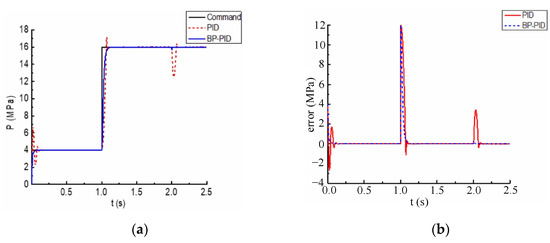
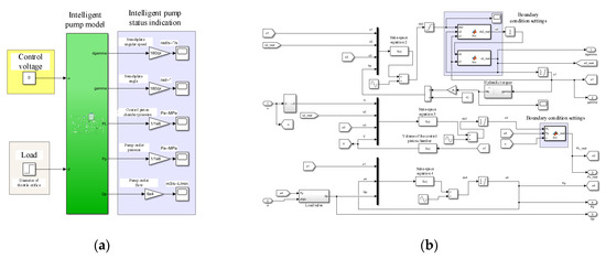
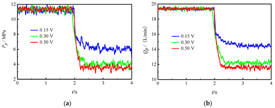
4.4. Simulation and Experimental Research
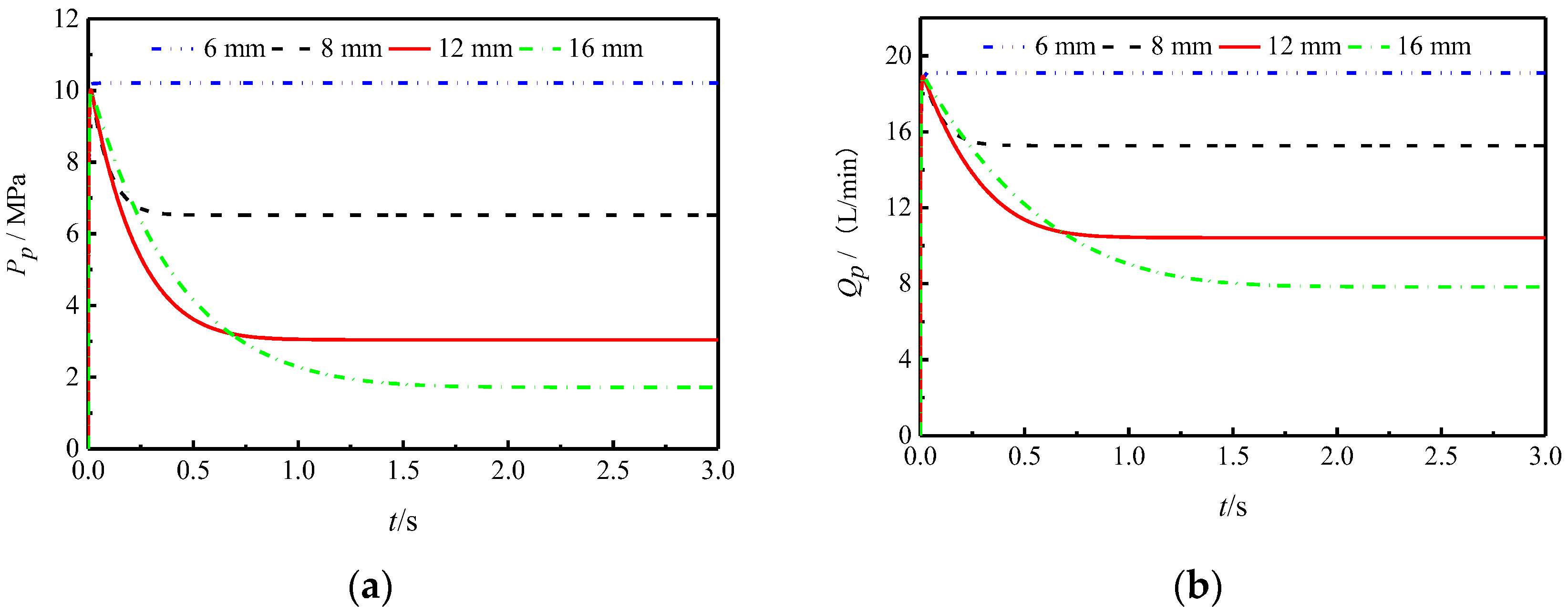
4.4.1. Simulation Research
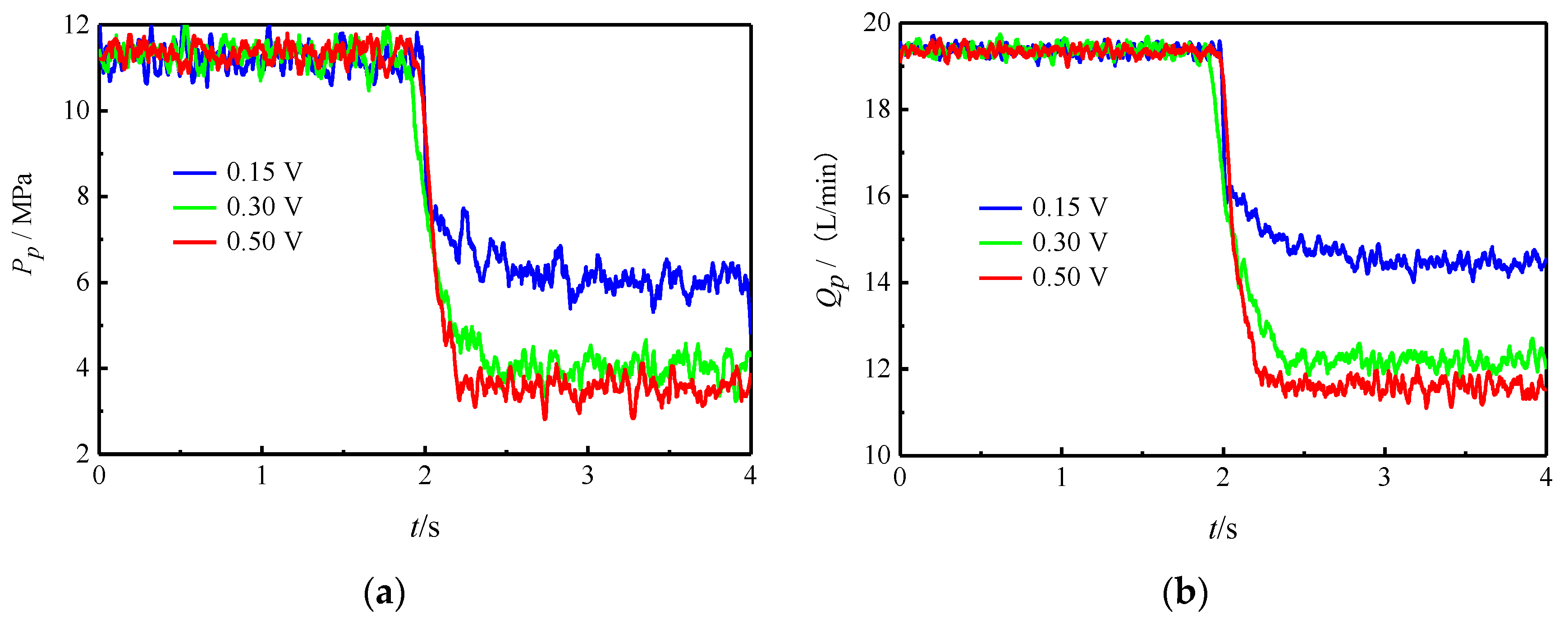
4.4.2. Experimental Research
5. Conclusions and Prospects
- (1)
- An intelligent pump is an effective way to solve the increase in ineffective power consumption under the development of high pressure and high power in the aircraft hydraulic system. The self-supplied intelligent pump has become a highly competitive structural solution due to its high power-to-weight ratio and high reliability.
- (2)
- In the research of system schemes and working modes, scholars at home and abroad have constructed information interaction and command signal acquisition schemes between the intelligent pump system and flight control system and have established a relatively complete working mode-switching guideline.
- (3)
- In order to meet the demand for fast and accurate regulation of the output of the intelligent pump in the pressure and flow regulation modes with overshooting within a certain range and to effectively suppress the system nonlinearities, parameter perturbation, and external load disturbance, the research on the control method for the intelligent pump system in the pressure and flow modes is crucial to meet the aeronautical standards and specifications and to promote the practical applications.
- (1)
- The current research on the output characteristics control strategy of the highly competitive self-supplied intelligent pump does not pay attention to the dynamic perturbation of the output performance caused by the forward channel variable gain problem. Therefore, for the self-supplied intelligent pump forward channel variable gain problem, carrying out targeted control method research to improve its pressure servo dynamic performance is of great significance.
- (2)
- In the current research on the flow control of intelligent pumps, most of the traditional PID or fuzzy control strategies that do not depend on the accurate model of the system are used, resulting in limited performance of flow regulation. In addition, most of the current research directly equates flow control to swashplate inclination adjustment while ignoring pump leakage, oil compression, and other flow losses. Therefore, research on the precise regulation of flow and the application of advanced control strategies for flow control is very helpful in improving its dynamic response performance and robustness.
- (3)
- For aviation intelligent pumps, in addition to pressure and flow regulation during flight, there will also be power regulation conditions. Such as when the aviation pump from the engine extracts power close to the power limit, it needs to be maintained at a certain power value. In the power regulation, the pump outlet pressure and output flow are both in the process of change, which brings great challenges to the power regulation. Therefore, the high-precision and fast-response power regulation method of aviation intelligent pumps is a research direction that is worth exploring in the future.
- (4)
- As the core component of the intelligent hydraulic system, the intelligent pump needs to work in the corresponding mode according to the requirements of the working conditions during the continuous flight. Timely and effective mode switching is an important guarantee for the smooth operation of the intelligent hydraulic system. Although the current research has paid attention to the conditions for mode switching of intelligent pumps, how to ensure the smooth transition of system pressure and flow during mode switching is still an important research direction.
- (5)
- The reliable operation of intelligent pumps is of great significance to flight safety. Real-time and accurate fault localization and degradation status monitoring are important means of ensuring its reliability. Currently, scholars have conducted research on various fault diagnoses [68,69,70,71,72,73] and health management methods [74,75,76,77] for aviation pumps. It is worthwhile to study how to integrate the function of health management in intelligent pumps to meet the dual demand of high performance and high reliability of aviation intelligent pumps.
- (6)
- A new type of electrohydrodynamic (EHD) pump that generates kinetic energy by inducing the movement of a dielectric fluid through an electric field has been used in applications such as soft robots and artificial muscles [78,79,80,81,82,83]. The novel working principle of this pump determines that it has the advantages of no noise and vibration, simple structure, and so on. Although this pump is currently mainly applied to small power occasions, its working principle is still worth borrowing in the intelligent pump and subsequently can be considered in the airborne hydraulic system for small power actuation or heat dissipation cooling and other occasions.
Author Contributions
Funding
Data Availability Statement
Conflicts of Interest
References
- Sarlioglu, B.; Morris, C.T. More Electric Aircraft: Review, Challenges, and Opportunities for Commercial Transport Aircraft. IEEE Trans. Transp. Electrif. 2015, 1, 54–64. [Google Scholar] [CrossRef]
- Li, T.; Wang, H.; Zhao, Q.; Duan, B.; Wu, T. General Scheme Study for Civil Aircraft Hydraulic Power System. In Proceedings of the 2022 CSAA/IET International Conference on Aircraft Utility Systems (AUS 2022), Nanchang, China, 17–20 August 2022; pp. 88–92. [Google Scholar] [CrossRef]
- Li, D.; Dong, S.; Wang, J.; Li, Y. Thermal dynamics and thermal management strategy for a civil aircraft hydraulic system. Therm. Sci. 2020, 24, 2311–2318. [Google Scholar] [CrossRef]
- Mileti, J.A.; Lawhead, P.M. Controlled Pressure Pumps for More Efficient Hydraulic Systems; SAE Technical Paper; SAE International: Warrendale, PA, USA, 1986. [Google Scholar] [CrossRef]
- Wang, Z. Aircraft High-Pressure Hydraulic Energy System; Beihang University Press: Beijing, China, 2004. [Google Scholar]
- Wang, S.; Tomovic, M.; Liu, H. Commercial Aircraft Hydraulic Systems: Shanghai Jiao Tong University Press Aerospace Series; Elsevier Inc.: Amsterdam, The Netherlands, 2015; pp. 1–263. [Google Scholar]
- Guo, S.; Chen, J.; Lu, Y.; Wang, Y.; Dong, H. Hydraulic piston pump in civil aircraft: Current status, future directions and critical technologies. Chin. J. Aeronaut. 2020, 33, 16–30. [Google Scholar] [CrossRef]
- Wang, S. Research on Key Technologies of Intelligent Pump System. Ph.D. Dissertation, Beihang University, Beijing, China, 2004. [Google Scholar]
- Chen, B.; Wang, Z.; Qiu, L.; Fei, B. General Scheme of Aircraft Intelligent Hydraulic Pump System. J. Beijing Univ. Aeronaut. Astronaut. 2000, 26, 333–336. [Google Scholar] [CrossRef]
- Cao, Q. Intelligent Pump Characterization and Controller Design. Ph.D. Dissertation, Beihang University, Beijing, China, 2000. [Google Scholar]
- Zhou, Q. Research on Computer-Aided Testing System for Intelligent Pump System. Ph.D. Dissertation, Beihang University, Beijing, China, 2000. [Google Scholar]
- Ma, J.; Wang, S.; Wang, Z. The intelligent pump test system based on virtual instrument. In Proceedings of the Fifth International Symposium on Instrumentation and Control Technology, Beijing, China, 24–27 October 2003; pp. 589–592. [Google Scholar] [CrossRef]
- Ma, J.; Wang, S.; Wang, Z. Study of intelligent pump scheme. Chin. Hydraul. Pneum. 2002, 11, 6–8. [Google Scholar] [CrossRef]
- Wang, S.; Ma, J.; Wang, Z. Key technique for the research of airborne intelligent power supply system. Mach. Tool Hydraul. 2003, 4, 85–87. [Google Scholar] [CrossRef]
- Wang, S.; Ma, J.; Wang, Z. Implementation method for load sensing of airborne intelligent pump. Mach. Tool Hydraul. 2004, 1, 30–32. [Google Scholar] [CrossRef]
- Wang, S.; Ma, J.; Wang, Z. Modeling and simulation of airborne intelligent hydraulic pump. China Mech. Eng. 2004, 5, 24–27. [Google Scholar] [CrossRef]
- Li, Y.; Wang, Z. Development of airborne intelligent power supply system. J. Beijing Univ. Aeronaut. Astronaut. 2004, 30, 493–497. [Google Scholar] [CrossRef]
- Song, X.; Yao, X.; Li, Z. The study of output flow compensation of intelligent pumping source based on RBF neural network. Chin. J. Sci. Instrum. 2008, 29, 347–350. [Google Scholar]
- Song, X.; Yao, X.; Yu, Z. Study of pressure control of intelligent pumping source based on Fuzzy-SMC. Chin. J. Sci. Instrum. 2008, 29, 309–313. [Google Scholar]
- Song, X.; Yao, X.; Gong, Z. Model reference adaptive control for variable-pressure pumping source. Trans. Beijing Inst. Technol. 2011, 31, 944–948. [Google Scholar] [CrossRef]
- Meng, Q.; Song, X. Exact feedback linearization of the intelligent pumping source with multiplicative nonlinear property. Meas. Control Technol. 2012, 31, 91–93+98. [Google Scholar]
- Liu, S.; Wang, P.; Che, B.; Xia, C. Load sensing control method of airborne intelligent pump system. Comput. Simul. 2015, 32, 120–123+141. [Google Scholar]
- Li, Y.; Hou, Y.; Cao, K.; Hu, L. Thermal performance simulation and comparing analysis for aircraft hydraulic system with different pumping source structure. Mech. Sci. Technol. Aerosp. Eng. 2016, 35, 1470–1476. [Google Scholar] [CrossRef]
- Li, H.; Tang, Z.; Pei, Z.; Peng, J. PID Control of Airborne Intelligent Pump System. Mach. Tool Hydraul. 2010, 38, 97–98+113. [Google Scholar] [CrossRef]
- Li, H. Research on Intelligent Pump Control System. Ph.D. Dissertation, Beihang University, Beijing, China, 2010. [Google Scholar]
- Liu, C. Research on Intelligent Pump Source Control System. Ph.D. Dissertation, Beihang University, Beijing, China, 2014. [Google Scholar]
- Liu, C.; Tang, Z.; Zhao, X.; Pei, Z. The modeling and simulation study of hydraulic intelligent power system based on AMESim. In Proceedings of the 6th IEEE Chinese Guidance, Navigation and Control Conference, CGNCC 2014, Yantai, China, 8–10 August 2015; pp. 1530–1533. [Google Scholar] [CrossRef]
- Liu, H.; Pei, Z.; Jiang, P.; Tang, Z. Intelligent pump system based on active disturbance rejection control. Mach. Tool Hydraul. 2021, 49, 6–9. [Google Scholar] [CrossRef]
- Huang, B. Research on Key Technologies of Airborne Intelligent Variable Pressure Hydraulic System. Ph.D. Dissertation, Beihang University, Beijing, China, 2012. [Google Scholar]
- Huang, B.; Wang, S. Adaptive mode switch of intelligent hydraulic power supply system. In Proceedings of the 2011 International Conference on Fluid Power and Mechatronics, FPM 2011, Beijing, China, 17–20 August 2011; pp. 844–849. [Google Scholar] [CrossRef]
- Huang, B.; Wang, S. Pressure sensing valve plate mechanism for ripple reduction of variable pressure piston pump. J. Beijing Univ. Aeronaut. Astronaut. 2012, 38, 1336–1340. [Google Scholar] [CrossRef]
- Li, Y. Research on Controller Design and Control Method of Airborne Intelligent Variable Pressure Pump. Ph.D. Dissertation, Beihang University, Beijing, China, 2014. [Google Scholar]
- Qi, H.; Fu, Y.; Lang, Y. Modelling and simulation of electrical servo variable displacement piston pump based on AMESim. Mach. Tool Hydraul. 2015, 43, 115–118+31. [Google Scholar] [CrossRef]
- Liu, S. Research on Airborne Intelligent Pump Control Method Based on Pressure Flow Composite Control. Ph.D. Dissertation, Beihang University, Beijing, China, 2018. [Google Scholar]
- Zhang, P. Research on Key Technologies of Aircraft Electro-Hydraulic Proportional Variable Pressure Axial Piston Pump. Ph.D. Dissertation, Beihang University, Beijing, China, 2019. [Google Scholar]
- Zhang, P.; Li, Y. Research on control methods for the pressure continuous regulation electrohydraulic proportional axial piston pump of an aircraft hydraulic system. Appl. Sci. 2019, 9, 1376. [Google Scholar] [CrossRef]
- Zhang, P.; Li, D.; Yang, L.; Li, Y. Research on pressure control of electro-hydraulic proportional constant pressure variable pump based on fuzzy adaptive control strategy. In Proceedings of the 9th International Conference on Fluid Power Transmission and Control, ICFP 2017, Hangzhou, China, 11–13 April 2017. [Google Scholar]
- Zhang, P.; Li, Y.; Yang, L.; An, C. Design and calculation of return mechanism of axial piston pump with centre-spring supporter. In Proceedings of the 10th IEEE Conference on Industrial Electronics and Applications, ICIEA 2015, Auckland, New Zealand, 15–17 June 2015; pp. 1187–1191. [Google Scholar] [CrossRef]
- Zhang, P.; Li, Y. Multi-pump pressure equalization control strategy of pressure continuous regulation electrohydraulic proportional axial piston pumps for airborne hydraulic system. In Proceedings of the 14th IEEE Conference on Industrial Electronics and Applications, ICIEA 2019, Xi’an, China, 19–21 June 2019; pp. 2502–2506. [Google Scholar] [CrossRef]
- Li, D.; Li, Y.; Li, Y.; Zhang, P.; Dong, S.; Yang, L. Study on PMSM power consumption of dual-variable electro-hydraulic actuator with displacement-pressure regulation pump. In Proceedings of the 2018 IEEE/ASME International Conference on Advanced Intelligent Mechatronics, AIM 2018, Auckland, New Zealand, 9–12 July 2018; pp. 1172–1177. [Google Scholar] [CrossRef]
- Lawhead, P. Electro-Modulated Control of Supply Pressure in Hydraulic Systems; SAE Technical Paper; SAE International: Warrendale, PA, USA, 1991. [Google Scholar] [CrossRef]
- Committee, A.-C.P.S. Aerospace Hydraulic Pump Controls; SAE Technical Paper; SAE International: Warrendale, PA, USA, 2017. [Google Scholar] [CrossRef]
- Ouyang, X.; Yang, B.; Fang, H.; Jiang, H. Intelligent Aviation Variable Plunger Pump Pressure Flow Self-Adaptive Control System. CN202110833508.X, 24 June 2022. [Google Scholar]
- Xu, Y.; Jiao, Z.; Chen, X.; Wu, S. Stepless Pressure Regulating Variable Plunger Pump of Electric Control Proportion. CN202011392899.8, 2 November 2021. [Google Scholar]
- Jiao, Z.; Deng, Y.; Xu, Y.; Wu, S.; Liu, Q. Proportion Direct Drive Split Spool Valve Based Stepless Variable Pressure Pump. CN201810110708.0, 23 July 2019. [Google Scholar]
- Ma, J. Research on Intelligent Pump and Its Experimental System. Ph.D. Dissertation, Beihang University, Beijing, China, 2003. [Google Scholar]
- Gao, B.; Fu, Y.; Pei, Z.; Qi, H. Servo pump’s electrically driven variable displacement mechanism. Chin. J. Mech. Eng. 2006, 3, 184–187. [Google Scholar] [CrossRef]
- Gao, B.; Fu, Y. Application analysis of the servo variable pump in integrated Electrical Hydrostatic Actuator(EHA). Chin. Hydraul. Pneum. 2005, 2, 70–72. [Google Scholar] [CrossRef]
- Gao, B.; Fu, Y.; Pei, Z.; Ma, J. Research on dual-variable integrated electro-hydrostatic actuator. Chin. J. Aeronaut. 2006, 19, 77–82. [Google Scholar] [CrossRef]
- Malrait, F.; Jebai, A.K.; Ejjabraoui, K. Power conversion optimization for hydraulic systems controlled by variable speed drives. J. Process Control 2019, 74, 133–146. [Google Scholar] [CrossRef]
- Yan, Z. Characteristics of high energy-efficient Electro-hydraulic power source driven by servo motor and variable pump. Proc. Inst. Mech. Eng. Part C J. Mech. Eng. Sci. 2023, 237, 1525–1536. [Google Scholar] [CrossRef]
- Zhao, J.; Ding, H.; Han, G. A new method of improving comprehensive performances of variable speed pump control systems with large power: Vvalve-pump parallel variable structure control. In Proceedings of the 2015 International Conference on Fluid Power and Mechatronics, FPM 2015, Harbin, China, 5–7 August 2015. [Google Scholar]
- Fu, Y.; Qi, H.; Lu, Y.; Guo, R.; Li, Z.; Xue, J.; Yang, Q. A novel electrical servo variable displacement hydraulic pump used for integrated actuator in MEA. In Proceedings of the 28th Congress of the International Council of the Aeronautical Sciences 2012, ICAS 2012, Brisbane, Australia, 23 September 2012; pp. 3907–3912. [Google Scholar]
- Qi, H.; Liu, S.; Yang, R.; Yu, Y. Research on new intelligent pump control based on sliding mode variable structure control. In Proceedings of the 14th IEEE International Conference on Mechatronics and Automation, ICMA 2017, Takamatsu, Japan, 6–9 August 2017; pp. 1239–1244. [Google Scholar] [CrossRef]
- Guo, K.; Wei, J. Adaptive robust control of variable displacement pumps. In Proceedings of the 2013 1st American Control Conference, ACC 2013, Washington, DC, USA, 17–19 June 2013; pp. 1112–1117. [Google Scholar] [CrossRef]
- Huang, B.; Wang, S.; Meng, Y.; Shi, J. Energy-saving optimization for intelligent pumps based on performance reliability restriction. J. Beijing Univ. Aeronaut. Astronaut. 2013, 39, 559–563. [Google Scholar] [CrossRef]
- Ma, Z.; Wang, S.; Shi, J.; Li, T.; Wang, X. Fault diagnosis of an intelligent hydraulic pump based on a nonlinear unknown input observer. Chin. J. Aeronaut. 2018, 31, 385–394. [Google Scholar] [CrossRef]
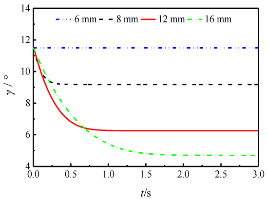
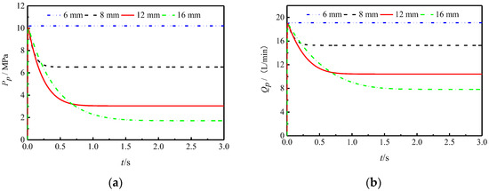
- Han, X.; Fu, Y.; Wang, Y.; Yan, F.; Yu, L. Effect of Structural Parameters on Output Characteristics of a Novel Self-Supplied Aviation Intelligent Pump. Actuators 2024, 13, 186. [Google Scholar] [CrossRef]
- Wei, J.; Guo, K.; Fang, J.; Tian, Q. Nonlinear supply pressure control for a variable displacement axial piston pump. Proc. Inst. Mech. Eng. Part. I J. Syst. Control Eng. 2015, 229, 614–624. [Google Scholar] [CrossRef]
- Helian, B.; Mustalahti, P.; Mattila, J.; Chen, Z.; Yao, B. Adaptive robust pressure control of variable displacement axial piston pumps with a modified reduced-order dynamic model. Mechatronics 2022, 87, 102879. [Google Scholar] [CrossRef]
- Kemmetmüller, W.; Fuchshumer, F.; Kugi, A. Nonlinear pressure control of self-supplied variable displacement axial piston pumps. Control Eng. Pract. 2010, 18, 84–93. [Google Scholar] [CrossRef]
- Guo, K.; Xu, Y.; Li, J. A Switched Controller Design for Supply Pressure Tracking of Variable Displacement Axial Piston Pumps. IEEE Access 2018, 6, 3932–3942. [Google Scholar] [CrossRef]
- Li, J.; Guo, Z.; Wu, S. BP neural network PID variable pressure control of airborne pump source. In Proceedings of the 7th International Conference on Advances in Construction Machinery and Vehicle Engineering, ICACMVE 2019, Changsha, China, 14–16 May 2019; pp. 317–321. [Google Scholar] [CrossRef]
- Li, X.; Xie, D.; Chen, Z. Intelligent learning control of electrohydraulic proportional variable displacement pump based on fuzzy neural network. In Proceedings of the 2009 International Workshop on Intelligent Systems and Applications, ISA 2009, Wuhan, China, 23–24 May 2009. [Google Scholar] [CrossRef]
- Fan, H.; Jin, J.; Xing, K. Research of electro-hydraulic proportional variable displacement piston pump using fuzzy logic control. In Proceedings of the 2012 3rd International Conference on Advances in Materials and Manufacturing Processes, ICAMMP 2012, Chengdu, China, 5–6 May 2013; Volume 655–657, pp. 1179–1188. [Google Scholar] [CrossRef]
- Guo, Y.; Jiang, Y.; Guo, R. Fuzzy control algorithm based on electronically controlled proportional variable pump. Ordnance Mater. Sci. Eng. 2021, 44, 103–106. [Google Scholar] [CrossRef]
- Su, M. Simulation research on control of the axial piston pump with high speed on-off solenoid valve. Mach. Tool Hydraul. 2012, 40, 25–28. [Google Scholar] [CrossRef]
- Meng, L.; Zhao, M.; Cui, Z.; Zhang, X.; Zhong, S. Empirical mode reconstruction: Preserving intrinsic components in data augmentation for intelligent fault diagnosis of civil aviation hydraulic pumps. Comput. Ind. 2022, 134, 103557. [Google Scholar] [CrossRef]
- Zhao, M.; Fu, X.; Zhang, Y.; Meng, L.; Zhong, S. Data Augmentation via Randomized Wavelet Expansion and Its Application in Few-Shot Fault Diagnosis of Aviation Hydraulic Pumps. IEEE Trans. Instrum. Meas. 2022, 71, 1–13. [Google Scholar] [CrossRef]
- Fu, S.; Zou, L.; Wang, Y.; Lin, L.; Lu, Y.; Zhao, M.; Guo, F.; Zhong, S. DCSIAN: A novel deep cross-scale interactive attention network for fault diagnosis of aviation hydraulic pumps and generalizable applications. Reliab. Eng. Syst. Saf. 2024, 249, 110246. [Google Scholar] [CrossRef]
- Fu, S.; Lin, L.; Wang, Y.; Zhao, M.; Guo, F.; Zhong, B.; Zhong, S. Multiscale dynamically parallel shrinkage network for fault diagnosis of aviation hydraulic pump and its generalizable applications. ISA Trans. 2024, 154, 57–72. [Google Scholar] [CrossRef]
- Fu, S.; Lin, L.; Wang, Y.; Zhao, M.; Guo, F.; Zhong, S.; Liu, Y. High imbalance fault diagnosis of aviation hydraulic pump based on data augmentation via local wavelet similarity fusion. Mech. Syst. Signal Process 2024, 209, 111115. [Google Scholar] [CrossRef]
- Singh, U.K.; Tripathi, J.P.; Khanna, K. PSO with improved local unimodal search ability for incipient pump fault identification. Sadhana 2023, 48, 172. [Google Scholar] [CrossRef]
- Lu, C.; Wang, S. Performance degradation prediction based on a gaussian mixture model and optimized support vector regression for an aviation piston pump. Sensors 2020, 20, 3854. [Google Scholar] [CrossRef] [PubMed]
- Chen, R.; Zhang, C.; Wang, S.; Hong, L. Bivariate-Dependent Reliability Estimation Model Based on Inverse Gaussian Processes and Copulas Fusing Multisource Information. Aerospace 2022, 9, 392. [Google Scholar] [CrossRef]
- Yin, W.; Zhang, J.; Wang, X.; Zhang, Q.; Li, Y. Volumetric efficiency degradation prediction of axial piston pump based on friction and wear test. Heliyon 2024, 10, e37334. [Google Scholar] [CrossRef] [PubMed]
- Liu, S.; Li, Z.; Sun, W.; Ai, C.; Zhang, W.; Zhang, Y.; Chen, Z. A Mixed Lubrication Model for Predicting the Lubrication Performance Degradation Behavior of Slipper Pair in Early Wear Failure. IEEE Access 2023, 11, 100479–100494. [Google Scholar] [CrossRef]
- Peng, Y.; Li, D.; Yang, X.; Ma, Z.; Mao, Z. A Review on Electrohydrodynamic (EHD) Pump. Micromachines 2023, 14, 321. [Google Scholar] [CrossRef]
- Peng, Y.; Wang, Y.; Hu, F.; He, M.; Mao, Z.; Huang, X.; Ding, J. Predictive modeling of flexible EHD pumps using Kolmogorov–Arnold Networks. Biomim. Intell. Robot. 2024, 4, 100184. [Google Scholar] [CrossRef]
- Mao, Z.; Peng, Y.; Hu, C.; Ding, R.; Yamada, Y.; Maeda, S. Soft computing-based predictive modeling of flexible electrohydrodynamic pumps. Biomim. Intell. Robot. 2023, 3, 100114. [Google Scholar] [CrossRef]
- Bai, X.; Peng, Y.; Li, D.; Liu, Z.; Mao, Z. Novel soft robotic finger model driven by electrohydrodynamic (EHD) pump. J. Zhejiang Univ. Sci. A 2024, 25, 596–604. [Google Scholar] [CrossRef]
- Mao, Z.B.; Asai, Y.; Wiranata, A.; Kong, D.Q.; Man, J. Eccentric actuator driven by stacked electrohydrodynamic pumps. J. Zhejiang Univ. Sci. A 2022, 23, 329–334. [Google Scholar] [CrossRef]
- Mao, Z.; Iizuka, T.; Maeda, S. Bidirectional electrohydrodynamic pump with high symmetrical performance and its application to a tube actuator. Sens. Actuators A Phys. 2021, 332, 113168. [Google Scholar] [CrossRef]






























| Mission Number | Mission Mode | Percentage of Time/% | Operating Mode | Set Values |
|---|---|---|---|---|
| 1 | Take-off | 1.9 | Constant flow mode | Large |
| 2 | Climb and cruise | 29.6 | Load-sensitive or constant-pressure mode | The differential pressure is set to medium or medium constant pressure |
| 3 | Hovering and descending | 22.2 | Load-sensitive or constant-pressure mode | The differential pressure is set to medium or medium constant pressure |
| 4 | Swoop down | 2.4 | Constant-pressure mode | Large |
| 5 | Fight | 3.2 | Constant-pressure mode | Large |
| 6 | Cruise and landing | 29.6 | Load-sensitive or constant-pressure mode | The differential pressure is set to medium or medium constant pressure |
| 7 | Landing | 11.1 | Constant flow mode | Large |
| Working Modes | Switching Conditions | Control Method | Applicable Phases |
| Flow mode | The load pressure is small, and the flow rate is large, or constant speed control is required. | Flow signals | Take-off, landing |
| Pressure mode | Medium load pressure and flow or failure modes. | Pressure signals | Climbing, descending |
| Power mode | The power is overrun, or constant power control is required. | Power signals | Assault, fighting |
| Load-sensitive mode | The load pressure and flow are not large, which does not affect the normal operation. | Pressure drop signals | Cruise, search |
| Flight Altitude/m | Speed/Ma | Climbing Rate/(m/s) | Descent Rate/(m/s) | Working Mode |
|---|---|---|---|---|
| <1500 | <0.35 | N/A | N/A | Flow mode |
| >1500 | <0.9 | >5 and <25 | >3 and <18 | Pressure mode |
| >1500 | <0.9 | <5 | <3 | Load-sensitive mode |
| N/A | N/A | >25 | >18 | Power mode |
| Sets | Controller | MSE/(bar2) | RMSE/(bar) |
|---|---|---|---|
| Experiment | C1 | 6.94 | 2.63 |
| C2 | 503 | 22.4 | |
| Simulation | C1 | 0.29 | 0.54 |
| C2 | 8.16 | 2.86 |
Disclaimer/Publisher’s Note: The statements, opinions and data contained in all publications are solely those of the individual author(s) and contributor(s) and not of MDPI and/or the editor(s). MDPI and/or the editor(s) disclaim responsibility for any injury to people or property resulting from any ideas, methods, instructions or products referred to in the content. |
© 2024 by the authors. Licensee MDPI, Basel, Switzerland. This article is an open access article distributed under the terms and conditions of the Creative Commons Attribution (CC BY) license (https://creativecommons.org/licenses/by/4.0/).
Share and Cite
Han, X.; Wang, Y.; Yu, L.; Fu, Y.; Zhu, D. Review of Key Technologies for Aviation Intelligent Pumps. Actuators 2024, 13, 461. https://doi.org/10.3390/act13110461
Han X, Wang Y, Yu L, Fu Y, Zhu D. Review of Key Technologies for Aviation Intelligent Pumps. Actuators. 2024; 13(11):461. https://doi.org/10.3390/act13110461
Chicago/Turabian StyleHan, Xudong, Yan Wang, Liming Yu, Yongling Fu, and Deming Zhu. 2024. "Review of Key Technologies for Aviation Intelligent Pumps" Actuators 13, no. 11: 461. https://doi.org/10.3390/act13110461
APA StyleHan, X., Wang, Y., Yu, L., Fu, Y., & Zhu, D. (2024). Review of Key Technologies for Aviation Intelligent Pumps. Actuators, 13(11), 461. https://doi.org/10.3390/act13110461
