Two-Degrees-of-Freedom PID Control with Kalman Filter for Engraving Machine System
Abstract
:1. Introduction
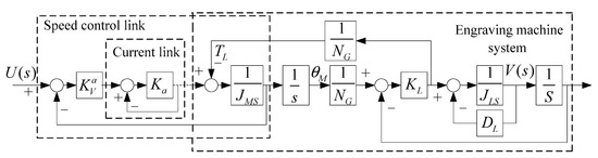
2. Engraving Machine System
3. Design of 2-DOF PID Control
3.1. 2-DOF PID Control Structure
3.2. Design of Disturbance Rejection Controller
- (a)
- Determine according to the expected closed-loop speed.
- (b)
- Gradually increase , and gradually improve the control performance until the speed and disturbance rejection performance satisfy the requirements.
- (c)
- If the system is overshot, the filter is added to the reference input to suppress the system overshoot.
3.3. Design of the Set Point Tracking Controller
- (a)
- Initialize population parameters:
- (1)
- Population size : Take the number of individuals in the population according to demand. In general, the larger the population, the more individuals, the better the search ability. However, it may significantly increase the computation burden, and it is generally selected to be 20 to 50.
- (2)
- Individual dimension : Take the individual dimension of the population according to the number of optimized parameters. Since the three parameters , and need to be adjusted, the is taken as .
- (3)
- Variation factor : The determines the population individual differential growth and is used to control population diversity and convergence. The value ranges between 0 and 1. Increasing can increase the diversity of the population, but it may reduce the convergence speed, and it is easy to jump out of the local extreme value. Reducing may reduce the difference step size, and it can accelerate the convergence rate such that it will be easier to fall into local optimal values.
- (4)
- Cross factor : The plays a role in balancing global and local search capabilities, and the value is generally between 0 and 1. Increasing can improve the diversity of the population and speed up the convergence rate to a certain extent, but too much crossover operation may have too much impact on the population and reduce the convergence rate. However, reducing may reduce the diversity of the population, which not only reduces the convergence speed but also may fall into local optimal values. So, in this paper, the is taken between 0.3 and 0.6.
- (b)
- Generate the initial population: Randomly generate individuals satisfying the constraint conditions in a space with dimension . The individual generation mode is
- (c)
- Population variation: Three individuals , and are randomly selected from the population, and . The basic variation operation is
- (d)
- Population crossover: The operation of crossover increases the diversity and randomness of the population. The specific operations are
- (e)
- Selection operation: To determine whether becomes a member of the next generation, compare the fitness function of the crossed vector and the target vector .
4. Kalman Filtering Algorithm
- According to the discrete state space model of the system, the matrix , , is obtained, and and are initialized.
- The covariance matrices and of and are set reasonably according to the system characteristics and actual environment.
- Obtain a prior estimate
- 4.
- Update the prior covariance
- 5.
- Calculate the Kalman gain
- 6.
- Compute the best estimate (posterior estimate)
- 7.
- Update the posterior covariance matrix
- 8.
- Repeat steps 3–7 to achieve the desired target.
5. Simulation and Experimental Verification
5.1. Numerical Simulation
5.2. Experimental Example
6. Conclusions
Author Contributions
Funding
Data Availability Statement
Conflicts of Interest
References
- Durna, A.; Fries, J.; Hrabovsky, L.; Sliva, A.; Zarnovsky, J. Research and development of laser engraving and material cutting machine from 3D printer. Manag. Syst. Prod. Eng. 2020, 1, 47–52. [Google Scholar] [CrossRef]
- Yang, Z.; Cui, W.; Zhang, W.; Wang, Z.; Zhang, B.; Chen, Y.; Hu, N.; Bi, X.; Hu, W. A new performance optimization method for linear motor feeding system. Actuators 2023, 12, 233. [Google Scholar] [CrossRef]
- Dong, H.; Zhang, Q.; Xiang, W.U.; Yansui, W.U. Contour error control of CNC engraving machine system based on ADRC. J. Syst. Sci. Math. Sci. 2019, 39, 1001. [Google Scholar]
- Rodriguez, J.; Garcia, C.; Mora, A.; Flores-Bahamonde, F.; Acuna, P.; Novak, M.; Zhang, Y.; Tarisciotti, L.; Davari, S.A.; Zhang, Z.; et al. Latest advances of model predictive control in electrical drives—Part I: Basic concepts and advanced strategies. IEEE Trans. Power Electron. 2021, 37, 3927–3942. [Google Scholar] [CrossRef]
- Ju, X.; Lu, J.; Rong, B.; Jin, H. Parameter identification of displacement model for giant magnetostrictive actuator using differential evolution algorithm. Actuators 2023, 12, 76. [Google Scholar] [CrossRef]
- Das, D.; Chakraborty, S.; Naskar, A.K. Controller design on a new 2DOF PID structure for different processes having integrating nature for both the step and ramp type of signals. Int. J. Syst. Sci. 2023, 54, 1423–1450. [Google Scholar] [CrossRef]
- Sariyildiz, E.; Oboe, R.; Ohnishi, K. Disturbance observer-based robust control and its applications: 35th anniversary overview. IEEE Trans. Ind. Electron. 2019, 67, 2042–2053. [Google Scholar] [CrossRef]
- Guras, R.; Strambersky, R.; Mahdal, M. The PID and 2DOF control of the integral system-influence of the 2DOF parameters and practical implementation. Meas. Control 2022, 55, 94–101. [Google Scholar] [CrossRef]
- Lim, S.; Yook, Y.; Heo, J.P.; Im, C.G.; Ryu, K.H.; Sung, S.W. A new PID controller design using differential operator for the integrating process. Comput. Chem. Eng. 2023, 170, 108105. [Google Scholar] [CrossRef]
- Yu, S.; Hao, G. On a Vision-based manipulator simulator. Actuators 2023, 12, 78. [Google Scholar] [CrossRef]
- Jin, Q.B.; Liu, Q. Analytical IMC-PID design in terms of performance/robustness tradeoff for integrating processes: From 2-Dof to 1-Dof. J. Process Control. 2014, 24, 22–32. [Google Scholar] [CrossRef]
- Xia, T.; Zhang, Z.; Hong, Z.; Huang, S. Design of fractional order PID controller based on minimum variance control and application of dynamic data reconciliation for improving control performance. ISA Trans. 2023, 133, 91–101. [Google Scholar] [CrossRef] [PubMed]
- Chen, L.; Li, Z.; Yang, J.; Song, Y. Lateral stability control of four-wheel-drive electric vehicle based on coordinated control of torque distribution and ESP differential braking. Actuators 2021, 10, 135. [Google Scholar] [CrossRef]
- Gorez, R. New design relations for 2-DOF PID-like control systems. Automatica 2003, 39, 901–908. [Google Scholar] [CrossRef]
- Alfaro, V.M.; Vilanova, R.; Arrieta, O. Robust tuning of Two-Degree-of-Freedom (2-DoF) PI/PID based cascade control systems. J. Process Control 2009, 19, 1658–1670. [Google Scholar] [CrossRef]
- Sahu, R.K.; Panda, S.; Rout, U.K. DE optimized parallel 2-DOF PID controller for load frequency control of power system with governor dead-band nonlinearity. Int. J. Electr. Power Energy Syst. 2013, 49, 19–33. [Google Scholar] [CrossRef]
- Gün, A. Attitude control of a quadrotor using PID controller based on differential evolution algorithm. Expert Syst. Appl. 2023, 229, 120518. [Google Scholar] [CrossRef]
- Jiang, R.; Shankaran, R.; Wang, S.; Chao, T. A proportional, integral and derivative differential evolution algorithm for global optimization. Expert Syst. Appl. 2022, 206, 117669. [Google Scholar] [CrossRef]
- Yunjun, C.; Chao, J.; Jiuzhi, D.; Zhanshan, Z. Output feedback sliding mode control based on adaptive sliding mode disturbance observer. Meas. Control 2022, 55, 646–656. [Google Scholar] [CrossRef]
- Han, J. From PID to active disturbance rejection control. IEEE Trans. Ind. Electron. 2009, 56, 900–906. [Google Scholar] [CrossRef]
- Fu, T.; Gao, Y.; Guan, L.; Qin, C. An LADRC controller to improve the robustness of the visual tracking and inertial stabilized system in luminance variation conditions. Actuators 2022, 11, 118. [Google Scholar] [CrossRef]
- Zhang, H.; Xiao, G.; Yu, X.; Xie, Y. On convergence performance of discrete-time optimal control based tracking differentiator. IEEE Trans. Ind. Electron. 2020, 68, 3359–3369. [Google Scholar] [CrossRef]
- Wang, C.; Ji, X.; Zhang, Z.; Zhao, B.; Quan, L.; Plummer, A.R. Tracking differentiator based back-stepping control for valve-controlled hydraulic actuator system. ISA Trans. 2022, 119, 208–220. [Google Scholar] [CrossRef] [PubMed]
- Micić, A.D.; Mataušek, M.R. Optimization of PID controller with higher-order noise filter. J. Process Control 2014, 24, 694–700. [Google Scholar] [CrossRef]
- Ahn, K.K.; Truong, D.Q. Online tuning fuzzy PID controller using robust extended Kalman filter. J. Process Control 2009, 19, 1011–1023. [Google Scholar] [CrossRef]
- Truong, D.Q.; Ahn, K.K. Force control for press machines using an online smart tuning fuzzy PID based on a robust extended Kalman filter. Expert Syst. Appl. 2011, 38, 5879–5894. [Google Scholar] [CrossRef]
- Segovia, V.R.; Hägglund, T.; Åström, K. Measurement noise filtering for PID controllers. J. Process Control 2014, 24, 299–313. [Google Scholar] [CrossRef]
- Chen, Y.W.; Tu, K.M. Robust self-adaptive Kalman filter with application in target tracking. Meas. Control 2022, 55, 935–944. [Google Scholar] [CrossRef]
- Nie, Z.Y.; Zhu, C.; Wang, Q.G.; Gao, Z.; Shao, H.; Luo, J.L. Design, analysis and application of a new disturbance rejection PID for uncertain systems. ISA Trans. 2020, 101, 281–294. [Google Scholar] [CrossRef]



















| Parameter Name | Configuration |
|---|---|
| CPU | Core i5-4210M 2.6 GHz |
| RAM | 8 GM |
| Operating system | Windows10 64 bit |
| Embedded interface board chip | STM32F407ZGT6 168M Hz |
| Ethernet communication rate | 100 Mb/s |
| CAN communication rate | 1 Mb/s |
| Sampling period | 1 ms–5 ms |
| AC server | DeltaASDA-A2 |
| Permanent magnet synchronous motor | DeltaECMA-C10604RS |
| Electronic gear ratio | 1/128 (10,000 pulses/cycles) |
| Sensor position accuracy | 5 × 10−4 mm |
| Range of liabilities for hysteresis | −10 N–10 N |
Disclaimer/Publisher’s Note: The statements, opinions and data contained in all publications are solely those of the individual author(s) and contributor(s) and not of MDPI and/or the editor(s). MDPI and/or the editor(s) disclaim responsibility for any injury to people or property resulting from any ideas, methods, instructions or products referred to in the content. |
© 2023 by the authors. Licensee MDPI, Basel, Switzerland. This article is an open access article distributed under the terms and conditions of the Creative Commons Attribution (CC BY) license (https://creativecommons.org/licenses/by/4.0/).
Share and Cite
Dong, S.; Hao, L.; Shao, Y.; Liu, J.; Han, L. Two-Degrees-of-Freedom PID Control with Kalman Filter for Engraving Machine System. Actuators 2023, 12, 399. https://doi.org/10.3390/act12110399
Dong S, Hao L, Shao Y, Liu J, Han L. Two-Degrees-of-Freedom PID Control with Kalman Filter for Engraving Machine System. Actuators. 2023; 12(11):399. https://doi.org/10.3390/act12110399
Chicago/Turabian StyleDong, Shijian, Leilei Hao, Yiqin Shao, Jun Liu, and Lixin Han. 2023. "Two-Degrees-of-Freedom PID Control with Kalman Filter for Engraving Machine System" Actuators 12, no. 11: 399. https://doi.org/10.3390/act12110399
APA StyleDong, S., Hao, L., Shao, Y., Liu, J., & Han, L. (2023). Two-Degrees-of-Freedom PID Control with Kalman Filter for Engraving Machine System. Actuators, 12(11), 399. https://doi.org/10.3390/act12110399
