A Fault Diagnosis Approach for Electromechanical Actuators with Simulating Model under Small Experimental Data Sample Condition
Abstract
:1. Introduction
2. Prerequisite
2.1. Architecture of EMA
2.2. Faults in EMA
2.3. Fault Diagnosis of EMA
3. EMA Simulator
3.1. Simulation Model Development
3.2. Simulation Model Verification
4. EMA Fault Diagnosis Method
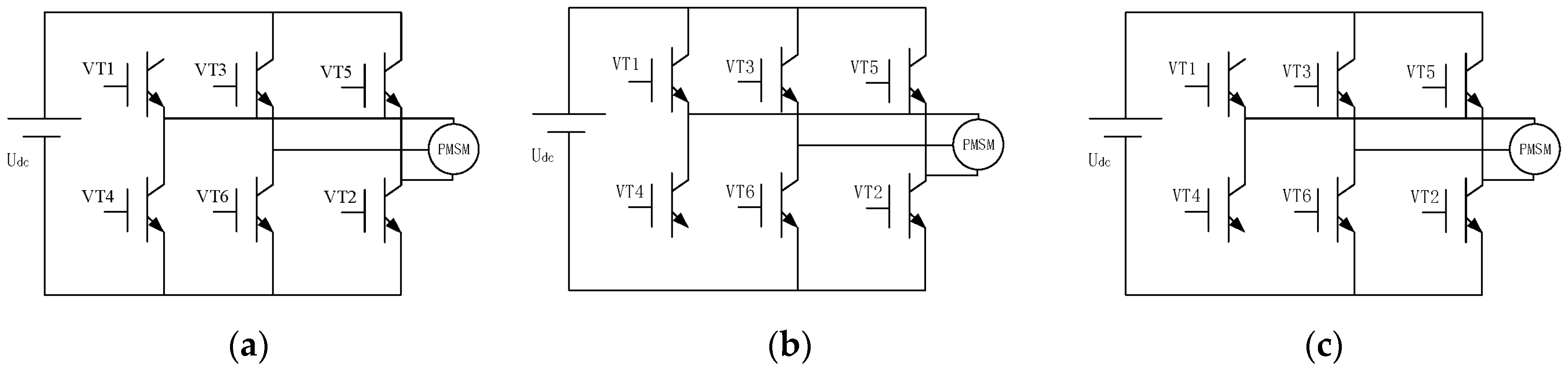
4.1. Fault Injection
4.2. Fault Diagnosis Method Based on Gated Recurrent Unit (GRU) and Co-Attention Network
4.3. Model Training
5. Experiments
5.1. Experimental Setting
5.2. Results
5.3. Experimental Verification
5.4. Discussion
6. Conclusions
Author Contributions
Funding
Institutional Review Board Statement
Informed Consent Statement
Data Availability Statement
Conflicts of Interest
References
- Gunter, S.; Buticchi, G.; Carne, G.D.; Gu, C.; Liserre, M.; Zhang, H.; Gerada, C. Load Control for the DC Electrical Power Distribution System of the More Electric Aircraft. IEEE Trans. Power Electron. 2018, 34, 3937–3947. [Google Scholar] [CrossRef]
- Wang, Y.; Nuzzo, S.; Zhang, H.; Zhao, W.; Gerada, C.; Galea, M. Challenges and Opportunities for Wound Field Synchronous Generators in Future More Electric Aircraft. IEEE Trans. Transp. Electrif. 2020, 6, 1466–1477. [Google Scholar] [CrossRef]
- Villani, M.A.; Tursini, M.; Fabri, G.; Castellini, L. Electromechanical Actuator for Helicopter Rotor Damper Application. IEEE Trans. Ind. Appl. 2014, 50, 1007–1014. [Google Scholar] [CrossRef]
- Nelson, T. 787 Systems and Performance; The Boeing Company: Chicago, IL, USA, 2005; pp. 1–36. Available online: https://myhres.com/Boeing-787-Systems-and-Performance.pdf (accessed on 20 February 2021).
- Derrien, J.C.; Sécurité, S.D. Electromechanical actuator (EMA) advanced technologies for flight controls. In Proceedings of the 28th International Congress of the Aeronautical Sciences, Brisbane, Australia, 23–28 September 2012; pp. 1–13. [Google Scholar]
- Giangrande, P.; Galassini, A.; Papadopoulos, S.; Al-Timimy, A.; Calzo, G.L.; Degano, M.; Galea, M.; Gerada, C. Considerations on the Development of an Electric Drive for a Secondary Flight Control Electromechanical Actuator. IEEE Trans. Ind. Appl. 2019, 55, 3544–3554. [Google Scholar] [CrossRef]
- Bennett, J.W.; Mecrow, B.C.; Atkinson, D.J.; Maxwell, C.; Benarous, M. Fault-tolerant electric drive for an aircraft nose wheel steering actuator. IET Electr. Syst. Transp. 2010, 1, 117–125. [Google Scholar] [CrossRef]
- Maleki, S.; Bingham, C.; Yu, Z. Development and Realization of Changepoint Analysis for the Detection of Emerging Faults on Industrial Systems. IEEE Trans. Ind. Inform. 2016, 12, 1180–1187. [Google Scholar] [CrossRef] [Green Version]
- Cao, Y.; Lyu, Y.; Wang, X. Fault Diagnosis Reasoning Algorithm for Electromechanical Actuator Based on an Improved Hybrid TFPG Model. Electronics 2020, 9, 2153. [Google Scholar] [CrossRef]
- Gao, Z.; Cecati, C.; Ding, S.X. A Survey of Fault Diagnosis and Fault-Tolerant Techniques—Part II: Fault Diagnosis with Knowledge-Based and Hybrid/Active Approaches. IEEE Trans. Ind. Electron. 2015, 62, 3768–3774. [Google Scholar] [CrossRef] [Green Version]
- Mercorelli, P. A Fault Detection and Data Reconciliation Algorithm in Technical Processes with the Help of Haar Wavelets Packets. Algorithms 2017, 10, 13. [Google Scholar] [CrossRef] [Green Version]
- Wang, D. K-nearest neighbors based methods for identification of different gear crack levels under different motor speeds and loads: Revisited. Mech. Syst. Signal Process. 2016, 70, 201–208. [Google Scholar] [CrossRef]
- Baraldi, P.; Podofillini, L.; Mkrtchyan, L.; Zio, E.; Dang, V. Comparing the treatment of uncertainty in bayesian networks and fuzzy expert systems used for a human reliability analysis application. Reliab. Eng. Syst. Saf. 2015, 138, 176–193. [Google Scholar] [CrossRef] [Green Version]
- Vapnik, V.N. The Nature of Statistical Learning Theory; Springer Science & Business Media: Berlin, Germany, 2013. [Google Scholar]
- Wang, X.; Liu, X.; Song, P.; Li, Y.; Qie, Y. A Novel Deep Learning Model for Mechanical Rotating Parts Fault Diagnosis Based on Optimal Transport and Generative Adversarial Networks. Actuators 2021, 10, 146. [Google Scholar] [CrossRef]
- Martini, D.D.; Facchinetti, T. Fault Detection of Electromechanical Actuators via Automatic Generation of a Fuzzy Index. IEEE/ASME Trans. Mechatron. 2020, 25, 2197–2207. [Google Scholar] [CrossRef]
- Zhang, X.; Tang, L.; Chen, J. Fault Diagnosis for Electro-Mechanical Actuators Based on STL-HSTA-GRU and SM. IEEE Trans. Instrum. Meas. 2021, 70, 3527716. [Google Scholar] [CrossRef]
- Siahpour, S.; Li, X.; Lee, J. Deep learning-based cross-sensor domain adaptation for fault diagnosis of electro-mechanical actuators. Int. J. Dyn. Control. 2020, 8, 1054–1062. [Google Scholar] [CrossRef]
- Yang, J.; Guo, Y.; Zhao, W. An intelligent fault diagnosis method for an electromechanical actuator based on sparse feature and long short-term network. Meas. Sci. Technol. 2021, 32, 095102. [Google Scholar] [CrossRef]
- Yu, M.; Xiao, C.; Jiang, W.; Yang, S.; Wang, H. Fault Diagnosis for Electromechanical System via Extended Analytical Redundancy Relations. IEEE Trans. Ind. Inform. 2018, 14, 5233–5244. [Google Scholar] [CrossRef]
- Balaban, E.; Bansal, P.; Stoelting, P.; Saxena, A.; Goebel, K.F.; Curran, S. A diagnostic approach for electro-mechanical actuators in aerospace systems. In Proceedings of the 2009 IEEE Aerospace Conference, Big Sky, MT, USA, 7–14 March 2009; pp. 1–13. [Google Scholar]
- Wang, C.; Tao, L.; Ding, Y.; Lu, C.; Ma, J. An adversarial model for electromechanical actuator fault diagnosis under nonideal data conditions. In Neural Computing and Applications; Springer: Berlin, Germany, 2022. [Google Scholar]
- Mariani, A.; Pellegrini, E.; Momi, E.D. Skill-oriented and Performance-driven Adaptive Curricula for Training in Robot-Assisted Surgery using Simulators: A Feasibility Study. IEEE Trans. Biomed. Eng. 2020, 68, 685–694. [Google Scholar] [CrossRef]
- Fernandes, P.; Pinheiro, A.; Cruz, G.; Maia, A.; Morgado, L.; Martins, P.; Paredes, H.; Fonseca, B.; Lopes, J.B.; Cravino, J. Multi-user virtual world simulator of F-16 aircraft engine mechanical maintenance. In Proceedings of the 2013 2nd Experiment@ International Conference, Coimbra, Portugal, 18–20 September 2013; pp. 166–167. [Google Scholar]
- Ram, M.S.; Sumanth, K.; Jawaharlal, B. Design and Simulation study of Electro-Mechanical Actuator for Missile Maneuvering. Int. J. Sci. Res. Publ. 2020, 10, 225–232. [Google Scholar]
- Qiao, G.; Liu, G.; Shi, Z.; Wang, Y.; Ma, S.; Lim, T.C. A review of electromechanical actuators for More/All Electric aircraft systems. J. Mech. Eng. Sci. 2018, 232, 4128–4151. [Google Scholar] [CrossRef] [Green Version]
- Li, Y. Posture Control of Electromechanical-Actuator-Based Thrust Vector System for Aircraft Engine. IEEE Trans. Ind. Electron. 2012, 59, 3561–3571. [Google Scholar] [CrossRef]
- Giangrande, P.; Madonna, V.; Sala, G.; Kladas, A.; Gerada, C.; Galea, M. Design and Testing of PMSM for Aerospace EMA Applications. In Proceedings of the IECON 2018 44th Annual Conference of the IEEE Industrial Electronics Society, Washington, DC, USA, 21–23 October 2018; pp. 2038–2043. [Google Scholar]
- Vanathy, B.; Dikshit, V.G.; Hotkar, V.G.; Reddy, S.K.; Jacob, A. Design and Development of Digital Controller for Airborne Electro Mechanical Actuators. In Proceedings of the 2018 Fourth International Conference on Computing Communication Control and Automation, Pune, India, 16–18 August 2018; pp. 1–6. [Google Scholar]
- Jensen, S.C.; Jenney, G.D.; Dawson, D. Flight test experience with an electromechanical actuator on the F-18 Systems Research Aircraft. In Proceedings of the 19th Digital Avionics Systems Conference (DASC), Philadelphia, PA, USA, 7–13 October 2000; Volume 1, p. 2E3/1-2E310. [Google Scholar]
- In-Service Reliability Data of Continuously Active Ballscrew and Geared Flight Control Actuation Systems; AIR5713; SAE Aerospace: Warrendale, Pennsylvania, 2006.
- Zhang, Y.; Peng, Y.; Liu, L. Degradation Estimation of Electro-Mechanical Actuator with Multiple Failure Modes Using Integrated Health Indicators. IEEE Sens. J. 2020, 20, 7216–7225. [Google Scholar] [CrossRef]
- Rauf, H.T.; Bangyal, W.; Lali, M.I. An adaptive hybrid differential evolution algorithm for continuous optimization and classification problems. Neural Comput. Appl. 2021, 33, 10841–10867. [Google Scholar] [CrossRef]
- Price, K.V. Differential Evolution [M]. In Handbook of Optimization; Springer: Berlin/Heidelberg, Germany, 2013; pp. 187–214. [Google Scholar]
- Cho, K.; van Merrienboer, B.; Gulcehre, C.; Bahdanau, D.; Bougares, F.; Schwenk, H.; Bengio, Y. Learning Phrase Representations using RNN Encoder-Decoder for Statistical Machine Translation. arXiv 2014, arXiv:1406.1078. [Google Scholar]



















| Parameter | Notation | Value |
|---|---|---|
| Three-phase inverter voltage (V) | 310 | |
| Screw lead (m) | 0.00254 | |
| Equivalent moment of inertia to rotor (kg·m2) | 0.0026 | |
| Equivalent viscous friction coefficient to rotor (Nm/(rad/s)) | 0.5 | |
| Equivalent resistance value of each stator winding (ohm) | 2.26 | |
| Permanent magnet flux (Wb) | 0.2375 | |
| Number of pole pairs | 4 |
| Fault Category | Accuracy | |
|---|---|---|
| Motor stator open circuit | A-phase open circuit | 98.0% |
| B-phase open circuit | 97.9% | |
| C-phase open circuit | 97.5% | |
| Motor driver open circuit | A-phase upper-bridge IGBT open circuit | 98.6% |
| A-phase lower-bridge IGBT open circuit | 98.2% | |
| B-phase upper-bridge IGBT open circuit | 98.2% | |
| B-phase lower-bridge IGBT open circuit | 98.1% | |
| C-phase upper-bridge IGBT open circuit | 98.0% | |
| C-phase lower-bridge IGBT open circuit | 98.2% | |
| Sensor malfunction | Displacement sensor open circuit | 95.9% |
| Velocity sensor open circuit | 95.9% | |
| Normal state | 97.8% | |
| Model | RNN | LSTM | GRU |
|---|---|---|---|
| Average | 87.53% | 90.76% | 89.4% |
| Normal state | 91.58% | 92.47% | 90.7% |
| Sensor malfunction | 84.39% | 89.20% | 88.1% |
Publisher’s Note: MDPI stays neutral with regard to jurisdictional claims in published maps and institutional affiliations. |
© 2022 by the authors. Licensee MDPI, Basel, Switzerland. This article is an open access article distributed under the terms and conditions of the Creative Commons Attribution (CC BY) license (https://creativecommons.org/licenses/by/4.0/).
Share and Cite
Peng, Z.; Sun, Z.; Chen, J.; Ping, Z.; Dong, K.; Li, J.; Fu, Y.; Zio, E. A Fault Diagnosis Approach for Electromechanical Actuators with Simulating Model under Small Experimental Data Sample Condition. Actuators 2022, 11, 66. https://doi.org/10.3390/act11030066
Peng Z, Sun Z, Chen J, Ping Z, Dong K, Li J, Fu Y, Zio E. A Fault Diagnosis Approach for Electromechanical Actuators with Simulating Model under Small Experimental Data Sample Condition. Actuators. 2022; 11(3):66. https://doi.org/10.3390/act11030066
Chicago/Turabian StylePeng, Zhaoqin, Zhengyi Sun, Juan Chen, Zilong Ping, Kunyu Dong, Jia Li, Yongling Fu, and Enrico Zio. 2022. "A Fault Diagnosis Approach for Electromechanical Actuators with Simulating Model under Small Experimental Data Sample Condition" Actuators 11, no. 3: 66. https://doi.org/10.3390/act11030066
APA StylePeng, Z., Sun, Z., Chen, J., Ping, Z., Dong, K., Li, J., Fu, Y., & Zio, E. (2022). A Fault Diagnosis Approach for Electromechanical Actuators with Simulating Model under Small Experimental Data Sample Condition. Actuators, 11(3), 66. https://doi.org/10.3390/act11030066

