Novel SPECTA Actuator to Improve Energy Recuperation and Efficiency
Abstract
:1. Introduction
- Variable Stiffness Actuators (VSA) [13,14,15,16,17,18,19,20,21,22,23,24,25]: SEAs where the joint stiffness can actively be changed to allow a reduction of the losses. This broadens the range of applicability of the actuator, although these actuators use a second motor that also consumes power, increasing the weight, volume, and complexity of the actuator.
- Clutched PEAs (cPEA) [30]: PEAs where the parallel spring can be (de-)coupled from the output in case the power path offered by the spring is not beneficial at a given moment. This also comes at the cost of a clutch which consumes power and increases the weight, volume, and complexity of the actuator.
- Series-Parallel Elastic Actuators (SPEA) [31,32,33,34,35,36,37,38]: these actuators combine both series and parallel compliant elements to alter both the speed and torque profile of the motors and hence have the benefits of both the SEA and PEA. SPEAs also have the added benefit of redundancy, which allows the load to be divided among multiple motors. This is especially useful to reduce the Joule losses since they scale quadratically with the load torque. In light of the above arguments, SPEA displays the most benefits for improving autonomy, but this at the cost of increased complexity, weight, and volume.
2. Construction of the Dynamic SPECTA Model
2.1. Model
2.2. Graphical Simplification
2.3. Equations
2.3.1. Discrete Part
- Ensure that the switching variables are always either 0 or 1:
- Ensure that there is no mechanical blockage caused by the ratchet (both on input and output side):
- Avoid charging the spring when it is connected to the output (otherwise, the motor is directly coupled to the output):
- Avoid uncontrolled unloading of the spring (since this might cause breaking of the spring):
2.3.2. Continuous Part
Output Definitions
3. Setup of the Simulations
3.1. Task Description
3.2. Selection of Actuators and Equivalent Stiff Motor
3.3. Control Strategy: Optimal Control Theory
3.3.1. Cost Function
3.3.2. Control Variables
3.3.3. Dynamics
3.3.4. Constraints
- Torque-equality constraintIt needs to be imposed that the sum of the torques of each unit should be equal to the output torque. The constraint is intrinsic to the system for each case and is written as follows:
- Switching constraintThis comprises all the necessary constraints that are needed to make sure everything functions as described in Table 2. In general, the form is as follows:
- Boundary condition constraintThe begin- and end-states should also be imposed (e.g., angle, speed, etc.) In this simulation, these are considered to be zero:
- Inequality constraintThe inequality constraint ensures that the motors do not saturate and overheat, the following inequality constraints are imposed:With:The minimal and maximal values imposed are retrieved from the motor and spring data sheet.
3.4. Comparison Metric
4. Simulation Results
4.1. Simulation Results: Case 1
- This working point is one where the SPECTA behaves better than its stiff equivalent. In Figure 8, some details of this working point are shown—(a) the angle, (b) the rotational speed, and (c) the torque are shown for each of the different units, together with (d) the switching variables of the ratchet and pawl mechanism and (e) the switching variables of the electromagnetic clutch.In (a), one can see that only the second spring, i.e., the one driven by the high-speed motor, is being charged. This charging by the motor only happens in the first and last of the 8 time frames in which the states of the locking mechanisms can change. The variable which decides when the motor is coupled to the spring is not shown explicitly in Figure 8, since its value is already known when you know the values and , which are respectively shown in (d) and (e), in combination with the constraints shown in Table 2. In (a), we can also see that the spring is charged just enough by the motor to complete its full cycle. The optimal control approach even results inthe constant torque spring working shortly in its rising region instead of its constant torque region, which can be witnessed in (c), since some small interruptions are visible in the constant torque profile that the spring delivers (orange line). These interruptions, which represent the spring being in its rising region, are shown in Figure 9. It should, however, be noted that this region is practically not viable to use since it is unpredictable what the exact torque value will be for a certain angle.When looking at the losses for this task, shown in Figure 10, it starts to become clearer why the friction losses are the most dominant in deciding which spring to use. Here, the values seem small (SPECTA: J and Stiff: J), whereas the gearing losses result in much greater losses (SPECTA: J and Stiff: J). The dominance of the type of loss is, however, created by the difference between the SPECTA and stiff. For the friction losses, this difference is J, whereas the gearing losses show that the SPECTA has J more losses than the stiff one. However, when taking into account that the friction coefficient of the high-torque motor is 34 times higher, one can see that the friction losses will begin to outweigh the gearing losses.It is true that for the friction losses, only the beginning and end parts of the losses are delivered by the motor that is in connection with the spring (the losses in the middle region come from the last stiff unit), but it is still enough to let the difference in friction coefficient weigh through. This is especially true when considering that for the gearing losses, most losses actually come from the stiff motor (continuous branch) which is there always regardless of which motor is used for the recruitment of the springs.Note: When comparing the losses, it can be calculated that for SPECTA of the losses are due to Joule losses, due to friction losses, and due to gearing losses. This indicates that the gearing losses are dominant, but this can be easily avoided when selecting a gearing with a decent efficiency (since the gearing of SPECTA has 59% efficiency, which is rather poor). A quick calculation shows that if the efficiency of the gearing increases to approximately , SPECTA has already lower gearing losses than its stiff equivalent.
- As shown in Figure 11, the behavior of SPECTA is rather similar to the one of the previous working point, despite it being a working point in which the stiff equivalent has a lower energy consumption than SPECTA. In (a), we can see again that only the spring driven by the high-speed motor is used and is again only charged just enough to fulfill the entire task. In order to track the torque profile correctly, the motor to drive the spring is again only used in the first and last time frame, which can be deduced from (d) and (e).In (c), it can, on the other hand, be seen that the interruptions in the constant torque profile (orange line) are slightly steeper than in Figure 8, which indicates that the simulation lets the spring unwind even further beyond its reliable constant torque zone. It should be noted that these spikes in the torque profile might be beneficial according to the simulations, but, in practice, these cannot be used due to the instability/unpredictability of the torque in that rising region. The continuous unit (yellow line) has to deliver again the major part of the load, which is shown in (c). For this task, the behavior of the continuous unit changes rather quickly, which will induce extra losses.This increase in losses becomes clear when looking at Figure 12. One can see that the Joule losses themselves do not change much (from J to 12 J), but its influence on the total losses of the SPECTA is almost halved (from to . The reason is that Joule losses are always reduced significantly for SPECTA, but in more dynamic situations, the friction and gearing losses increase drastically. Here, the influence of the friction losses rises to , which is almost the same influence as the Joule losses. As such, the friction losses become twice as important as for the previous working point. The gearing losses also increase drastically, but not so much in terms of influence (from to ). Considering the explanation that was already given surrounding the friction coefficient, it becomes clear why it is preferred to use only the spring that has been coupled to the high-speed motor, as before.
4.2. Simulation Results: Case 2
- First, we can consider the torque plot of Figure 14. In (b), the hysteretic behavior is clearly visible in the curve of the recruited spring (orange). The constant shifting to a certain upper and lower limit in the torque profile stems from the constant shift of the direction of rotational speed, which can be seen in (a). In (a), the rotational speed shifts rapidly from sign, which is inherent to the behavior of the pendulum task. It can be assumed that the losses which are related to torque are also influenced by this hysteresis.This influence is shown in Figure 15, where only the Joule losses (from J to J) and the gearing losses (from J to J) for the SPECTA have changed in comparison with case 1 (the case without hysteresis). The friction losses show no difference.For the Joule losses, this is a logical result, since the torque is directly proportional to the current () and for the gearing losses, this is logical, since the term is actually torque times velocity, which results in a change in torque also changing the mechanical power and, hence, the gearing losses. This can also be correlated with the observation that increasing levels of and result in greater losses. This is because an increase in increases the overall output torque and an increase of results in a more dynamic character. Both these things increase energy consumption. Since this working point already explains everything, no more working points will be shown in detail for case 2.
5. Design of a SPECTA Actuator
5.1. Constant Torque Unit with High-Speed Motor
5.2. Constant Torque Unit with High-Torque Motor
5.3. Continuous Torque Unit and Output Load
5.4. Complete Assembly
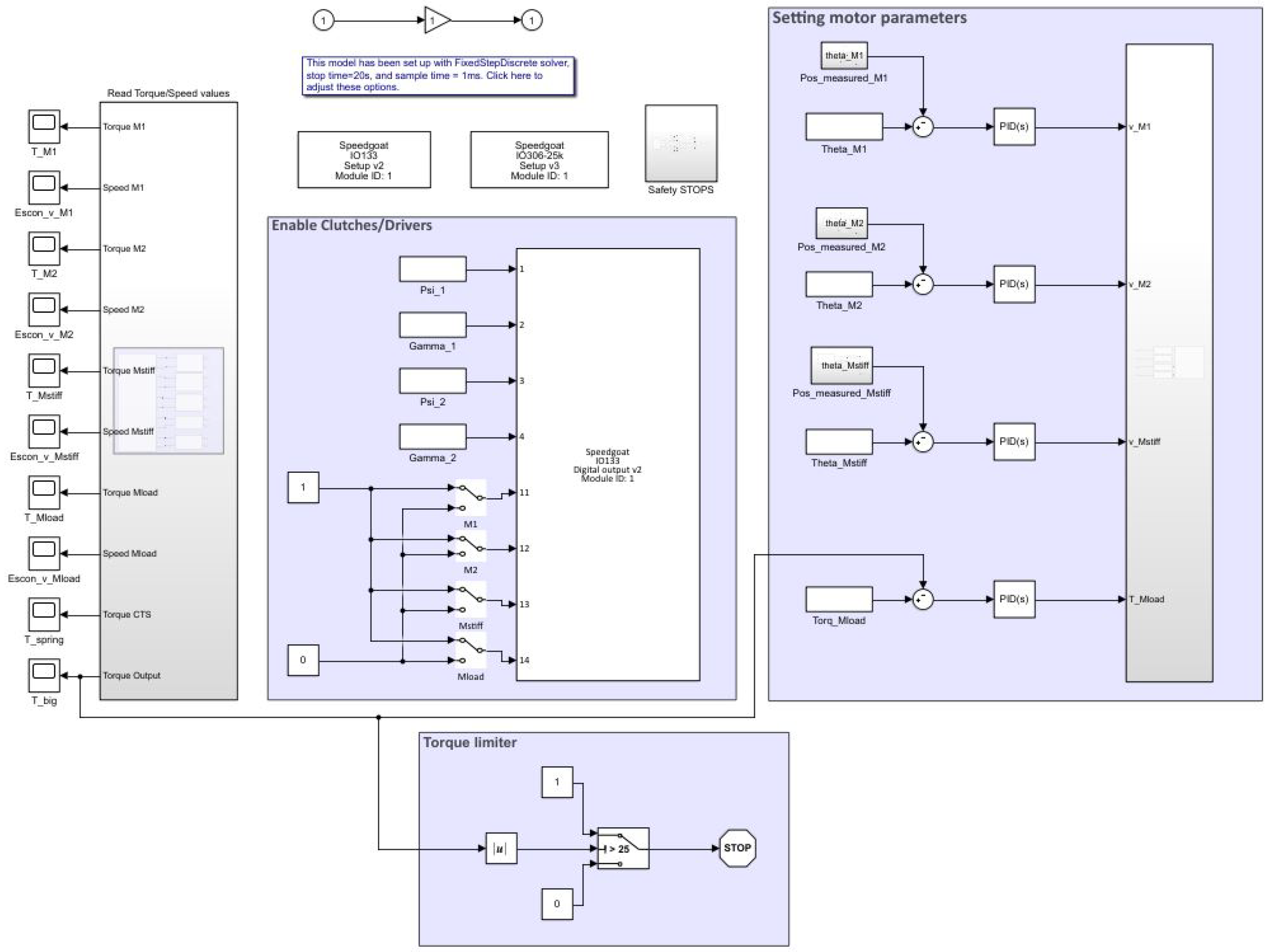
5.5. Control System
6. Experimental Validation
6.1. Hysteresis Test of the Springs
6.2. Trajectory Tracking
7. General Conclusions and Discussion
7.1. Conclusions from the Simulation Results
7.2. Conclusions from the Experimental Results
7.3. Discussion
Author Contributions
Funding
Acknowledgments
Conflicts of Interest
References
- ATLAS DRC Robot Is 75 Percent New, Completely Unplugged. 2021. Available online: https://spectrum.ieee.org/atlas-drc-robot-is-75-percent-new-completely-unplugged (accessed on 8 May 2021).
- Ficht, G.; Behnke, S. Bipedal Humanoid Hardware Design: A Technology Review. Curr. Robot. Rep. 2021, 2, 201–210. [Google Scholar] [CrossRef]
- Table of Spot Robot Specifications. 2021. Available online: https://support.bostondynamics.com/s/article/Robot-specifications (accessed on 8 May 2021).
- Stretch Is Boston Dynamics’ Take on a Practical Mobile Manipulator for Warehouses. 2021. Available online: https://spectrum.ieee.org/automaton/robotics/industrial-robots/stretch-is-boston-dynamics-take-on-a-practical-mobile-manipulator-for-warehouses (accessed on 8 May 2021).
- Kashiri, N.; Abate, A.; Abram, S.J.; Albu-Schaffer, A.; Clary, P.J.; Daley, M.; Faraji, S.; Furnemont, R.; Garabini, M.; Geyer, H.; et al. An overview on principles for energy efficient robot locomotion. Front. Robot. AI 2018, 5, 129. [Google Scholar] [CrossRef] [PubMed] [Green Version]
- Pratt, G.A.; Williamson, M.M. Series elastic actuators. In Proceedings of the 1995 IEEE/RSJ International Conference on Intelligent Robots and Systems, Human Robot Interaction and Cooperative Robots, Pittsburgh, PA, USA, 5–9 August 1995; Volume 1, pp. 399–406. [Google Scholar]
- Hitt, J.K.; Sugar, T.G.; Holgate, M.; Bellman, R. An active foot-ankle prosthesis with biomechanical energy regeneration. J. Med. Devices 2010, 4, 011003. [Google Scholar] [CrossRef]
- Verstraten, T.; Beckerle, P.; Furnémont, R.; Mathijssen, G.; Vanderborght, B.; Lefeber, D. Series and parallel elastic actuation: Impact of natural dynamics on power and energy consumption. Mech. Mach. Theory 2016, 102, 232–246. [Google Scholar] [CrossRef]
- de Gea Fernández, J.; Yu, B.; Bargsten, V.; Zipper, M.; Sprengel, H. Design, Modelling and Control of Novel Series-Elastic Actuators for Industrial Robots. Actuators 2020, 9, 6. [Google Scholar] [CrossRef] [Green Version]
- Beckerle, P.; Stuhlenmiller, F.; Rinderknecht, S. Stiffness control of variable serial elastic actuators: Energy efficiency through exploitation of natural dynamics. Actuators 2017, 6, 28. [Google Scholar] [CrossRef] [Green Version]
- Lee, C.; Kwak, S.; Kwak, J.; Oh, S. Generalization of series elastic actuator configurations and dynamic behavior comparison. Actuators 2017, 6, 26. [Google Scholar] [CrossRef]
- Grimmer, M.; Eslamy, M.; Seyfarth, A. Energetic and peak power advantages of series elastic actuators in an actuated prosthetic leg for walking and running. Actuators 2014, 3, 1–19. [Google Scholar] [CrossRef] [Green Version]
- Jafari, A.; Tsagarakis, N.G.; Caldwell, D.G. A novel intrinsically energy efficient actuator with adjustable stiffness (AwAS). IEEE/ASME Trans. Mechatron. 2011, 18, 355–365. [Google Scholar] [CrossRef]
- Visser, L.C.; Carloni, R.; Stramigioli, S. Energy-efficient variable stiffness actuators. IEEE Trans. Robot. 2011, 27, 865–875. [Google Scholar] [CrossRef]
- Kim, B.S.; Song, J.B. Design and control of a variable stiffness actuator based on adjustable moment arm. IEEE Trans. Robot. 2012, 28, 1145–1151. [Google Scholar]
- Tonietti, G.; Schiavi, R.; Bicchi, A. Design and control of a variable stiffness actuator for safe and fast physical human/robot interaction. In Proceedings of the of the 2005 IEEE International Conference on Robotics and Automation, Barcelona, Spain, 18–22 April 2005; pp. 526–531. [Google Scholar]
- Grioli, G.; Wolf, S.; Garabini, M.; Catalano, M.; Burdet, E.; Caldwell, D.; Carloni, R.; Friedl, W.; Grebenstein, M.; Laffranchi, M.; et al. Variable stiffness actuators: The user’s point of view. Int. J. Robot. Res. 2015, 34, 727–743. [Google Scholar] [CrossRef] [Green Version]
- Wolf, S.; Grioli, G.; Eiberger, O.; Friedl, W.; Grebenstein, M.; Höppner, H.; Burdet, E.; Caldwell, D.G.; Carloni, R.; Catalano, M.G.; et al. Variable stiffness actuators: Review on design and components. IEEE/ASME Trans. Mechatron. 2016, 21, 2418–2430. [Google Scholar] [CrossRef]
- Van Ham, R.; Vanderborght, B.; Van Damme, M.; Verrelst, B.; Lefeber, D. MACCEPA, the mechanically adjustable compliance and controllable equilibrium position actuator: Design and implementation in a biped robot. Robot. Auton. Syst. 2007, 55, 761–768. [Google Scholar] [CrossRef]
- Wolf, S.; Hirzinger, G. A new variable stiffness design: Matching requirements of the next robot generation. In Proceedings of the 2008 IEEE International Conference on Robotics and Automation, Pasadena, CA, USA, 19–23 May 2008; pp. 1741–1746. [Google Scholar]
- Vanderborght, B.; Tsagarakis, N.G.; Van Ham, R.; Thorson, I.; Caldwell, D.G. MACCEPA 2.0: Compliant actuator used for energy efficient hopping robot Chobino1D. Auton. Robot. 2011, 31, 55. [Google Scholar] [CrossRef]
- Bicchi, A.; Tonietti, G.; Bavaro, M.; Piccigallo, M. Variable stiffness actuators for fast and safe motion control. In Proceedings of the Robotics Research. The Eleventh International Symposium, Siena, Italy, 19–22 October 2005; pp. 527–536. [Google Scholar]
- Awad, M.I.; Gan, D.; Thattamparambil, J.; Stefanini, C.; Dias, J.; Seneviratne, L. Novel passive discrete variable stiffness joint (pDVSJ): Modeling, design, and characterization. In Proceedings of the 2016 IEEE International Conference on Robotics and Biomimetics (ROBIO), Qingdao, China, 3–7 December 2016; pp. 1808–1813. [Google Scholar]
- Verstraten, T.; López-García, P.; Lenaerts, B.; Mrak, B.; Lefeber, D.; Vanderborght, B. Improving the performance of industrial machines with variable stiffness springs. Mech. Based Des. Struct. Mach. 2020, 50, 115–134. [Google Scholar] [CrossRef]
- Ducastel, V.; Langlois, K.; Rossini, M.; Grosu, V.; Vanderborght, B.; Lefeber, D.; Verstraten, T.; Geeroms, J. SMARCOS: Off-the-Shelf Smart Compliant Actuators for Human-Robot Applications. Actuators 2021, 10, 289. [Google Scholar] [CrossRef]
- Mettin, U.; La Hera, P.X.; Freidovich, L.B.; Shiriaev, A.S. Parallel elastic actuators as a control tool for preplanned trajectories of underactuated mechanical systems. Int. J. Robot. Res. 2010, 29, 1186–1198. [Google Scholar] [CrossRef]
- Roozing, W.; Li, Z.; Medrano-Cerda, G.A.; Caldwell, D.G.; Tsagarakis, N.G. Development and control of a compliant asymmetric antagonistic actuator for energy efficient mobility. IEEE/ASME Trans. Mechatron. 2015, 21, 1080–1091. [Google Scholar] [CrossRef]
- Mazumdar, A.; Spencer, S.J.; Hobart, C.; Salton, J.; Quigley, M.; Wu, T.; Bertrand, S.; Pratt, J.; Buerger, S.P. Parallel elastic elements improve energy efficiency on the STEPPR bipedal walking robot. IEEE/ASME Trans. Mechatron. 2017, 22, 898–908. [Google Scholar] [CrossRef]
- Plooij, M.; Wisse, M. A novel spring mechanism to reduce energy consumption of robotic arms. In Proceedings of the 2012 IEEE/RSJ International Conference on Intelligent Robots and Systems, Algarve, Portugal, 7–12 October 2012; pp. 2901–2908. [Google Scholar]
- Häufle, D.F.; Taylor, M.; Schmitt, S.; Geyer, H. A clutched parallel elastic actuator concept: Towards energy efficient powered legs in prosthetics and robotics. In Proceedings of the 2012 4th IEEE RAS & EMBS International Conference on Biomedical Robotics and Biomechatronics (BioRob), Rome, Italy, 24–27 June 2012; pp. 1614–1619. [Google Scholar]
- Mathijssen, G.; Lefeber, D.; Vanderborght, B. Variable recruitment of parallel elastic elements: Series–parallel elastic actuators (SPEA) with dephased mutilated gears. IEEE/ASME Trans. Mechatron. 2014, 20, 594–602. [Google Scholar] [CrossRef]
- Mathijssen, G.; Brackx, B.; Van Damme, M.; Lefeber, D.; Vanderborght, B. Series-Parallel Elastic Actuation (SPEA) with intermittent mechanism for reduced motor torque and increased efficiency. In Proceedings of the 2013 IEEE/RSJ International Conference on Intelligent Robots and Systems, Tokyo, Japan, 3–7 November 2013; pp. 5841–5846. [Google Scholar]
- Mathijssen, G.; Furnémont, R.; Verstraten, T.; Brackx, B.; Premec, J.; Jiménez, R.; Lefeber, D.; Vanderborght, B. +SPEA introduction: Drastic actuator energy requirement reduction by symbiosis of parallel motors, springs and locking mechanisms. In Proceedings of the 2016 IEEE International Conference on Robotics and Automation (ICRA), Stockholm, Sweden, 16–21 May 2016; pp. 676–681. [Google Scholar] [CrossRef]
- Mathijssen, G.; Furnémont, R.; Verstraten, T.; Espinoza, C.; Beckers, S.; Lefeber, D.; Vanderborght, B. Study on electric energy consumed in intermittent series–parallel elastic actuators (iSPEA). Bioinspir. Biomim. 2017, 12, 036008. [Google Scholar] [CrossRef]
- Furnémont, R.; Mathijssen, G.; Verstraten, T.; Jiménez, R.; Lefeber, D.; Vanderborght, B. Novel control strategy for the+ SPEA: A redundant actuator with reconfigurable parallel elements. Mechatronics 2018, 53, 28–38. [Google Scholar] [CrossRef]
- Mathijssen, G.; Furnémont, R.; Saerens, E.; Lefeber, D.; Vanderborght, B. Discrete binary muscle-inspired actuation with motor unit overpowering and binary control strategy. In Proceedings of the 2017 IEEE/RSJ International Conference on Intelligent Robots and Systems (IROS), Vancouver, BC, Canada, 24–28 September 2017; pp. 2128–2134. [Google Scholar]
- Mathijssen, G.; Furnémont, R.; Saerens, E.; Garabini, M.; Catalano, M.G.; Lefeber, D.; Bicchi, A.; Vanderborght, B. Novel lockable and stackable compliant actuation unit for modular+ SPEA actuators. IEEE Robot. Autom. Lett. 2019, 4, 4445–4451. [Google Scholar] [CrossRef]
- Mathijssen, G.; Cherelle, P.; Lefeber, D.; Vanderborght, B. Concept of a series-parallel elastic actuator for a powered transtibial prosthesis. Actuators 2013, 2, 59–73. [Google Scholar] [CrossRef] [Green Version]
- Saerens, E.; Furnémont, R.; Ducastel, V.; Crispel, S.; Vanderborght, B.; Lefeber, D. Energetic Advantages of Constant Torque Springs in Series Parallel Elastic Actuators. In Proceedings of the 2019 IEEE/ASME International Conference on Advanced Intelligent Mechatronics (AIM), Hong Kong, China, 8–12 July 2019; pp. 62–67. [Google Scholar]
- Plooij, M.; Mathijssen, G.; Cherelle, P.; Lefeber, D.; Vanderborght, B. Lock your robot: A review of locking devices in robotics. IEEE Robot. Autom. Mag. 2015, 22, 106–117. [Google Scholar] [CrossRef]
- Furnémont, R. Design Principles and Trajectory Optimizations for Series-Parallel Elastic Actuators to Improve Energy Efficiency. Ph.D. Thesis, Vrije Universiteit Brussel, Brussel, Belgium, 2019. [Google Scholar]
- Rao, A.V. A survey of numerical methods for optimal control. Adv. Astronaut. Sci. 2009, 135, 497–528. [Google Scholar]
- Bryson, A., Jr.; Ho, Y. Applied Optimal Control; Hemisphere Publishing Corporation: New York City, NY, USA, 1975. [Google Scholar]

























| Symbol | Explanation | Unit |
|---|---|---|
| Inertia of motor and transmission | kgm | |
| Viscous friction coefficient | Nms/rad | |
| Torque constant of the motor | Nm/A | |
| R | Motor resistance | |
| Motor/Spring/Output angle | rad | |
| Motor/Spring velocity | rad/s | |
| Motor/Spring acceleration | rad/s | |
| State of the clutch between (motor and spring)/(spring and output) | / | |
| State of the ratchet and pawl mechanisms | / | |
| U | Motor voltage | V |
| I | Motor current | A |
| P | Motor power | W |
| Torque level of the CT spring | Nm | |
| Maximum hysteresis amplitude of the of the CT spring | Nm | |
| n | Transmission ratio | / |
| Efficiency function of the transmission | / | |
| Maximum efficiency of the transmission | / |
| 0 | 0 | 0 | 0 |
| 1 | 0 | 0 | |
| 0 | 1 | 0 | |
| 0 | 0 | 1 | |
| 1 | 1 | 0 | |
| 1 | 0 | 1 | |
| 0 | 1 | 1 | |
| 1 | 1 | 1 |
| Simulations | ||||
|---|---|---|---|---|
| Case 1 | Case 2 | |||
| What is shown in the paper | ||||
| Energy consumption | ||||
| Specific energy losses | 70 | 10 | 70 | 10 |
| +θ, , T, λ and γ | 120 | 20 | ||
| Experimental Testing | ||||
| What is shown in the paper | ||||
| All relevant data (Torque, velocity, voltage, current, energy consumption, etc.) | 90 | 5 | ||
| High-Speed Motor | |||||||
|---|---|---|---|---|---|---|---|
| = | kgm | = | 24 | V | |||
| = | Nm/A | = | A | ||||
| = | Nms/rad | R | = | ||||
| = | mNm | = | 25 000 | rpm | |||
| Gearbox | |||||||
| i | = | = | kgm | ||||
| = | 59 | % | = | Nm | |||
| High-Torque Motor | |||||||
|---|---|---|---|---|---|---|---|
| = | kgm | = | 24 | V | |||
| = | Nm/A | = | A | ||||
| = | Nms/rad | R | = | ||||
| = | 536 | mNm | = | 6 000 | rpm | ||
| Load Motor | |||||||
|---|---|---|---|---|---|---|---|
| = | kgm | = | 24 | V | |||
| = | Nm/A | = | A | ||||
| = | Nms/rad | R | = | ||||
| = | 405 | mNm | = | 9500 | rpm | ||
| Gearbox Load | |||||||
| i | = | = | kgm | ||||
| = | 70 | % | = | 50 | Nm | ||
Publisher’s Note: MDPI stays neutral with regard to jurisdictional claims in published maps and institutional affiliations. |
© 2022 by the authors. Licensee MDPI, Basel, Switzerland. This article is an open access article distributed under the terms and conditions of the Creative Commons Attribution (CC BY) license (https://creativecommons.org/licenses/by/4.0/).
Share and Cite
Saerens, E.; Furnémont, R.G.; Legrand, J.; Crispel, S.; Lopez Garcia, P.; Verstraten, T.; Vanderborght, B.; Lefeber, D. Novel SPECTA Actuator to Improve Energy Recuperation and Efficiency. Actuators 2022, 11, 64. https://doi.org/10.3390/act11030064
Saerens E, Furnémont RG, Legrand J, Crispel S, Lopez Garcia P, Verstraten T, Vanderborght B, Lefeber D. Novel SPECTA Actuator to Improve Energy Recuperation and Efficiency. Actuators. 2022; 11(3):64. https://doi.org/10.3390/act11030064
Chicago/Turabian StyleSaerens, Elias, Raphaël Guy Furnémont, Julie Legrand, Stein Crispel, Pablo Lopez Garcia, Tom Verstraten, Bram Vanderborght, and Dirk Lefeber. 2022. "Novel SPECTA Actuator to Improve Energy Recuperation and Efficiency" Actuators 11, no. 3: 64. https://doi.org/10.3390/act11030064
APA StyleSaerens, E., Furnémont, R. G., Legrand, J., Crispel, S., Lopez Garcia, P., Verstraten, T., Vanderborght, B., & Lefeber, D. (2022). Novel SPECTA Actuator to Improve Energy Recuperation and Efficiency. Actuators, 11(3), 64. https://doi.org/10.3390/act11030064

