Active Disturbance Rejection Control of Voice Coil Motor Active Suspension Based on Displacement Feedback
Abstract
1. Introduction
2. Mathematical Model
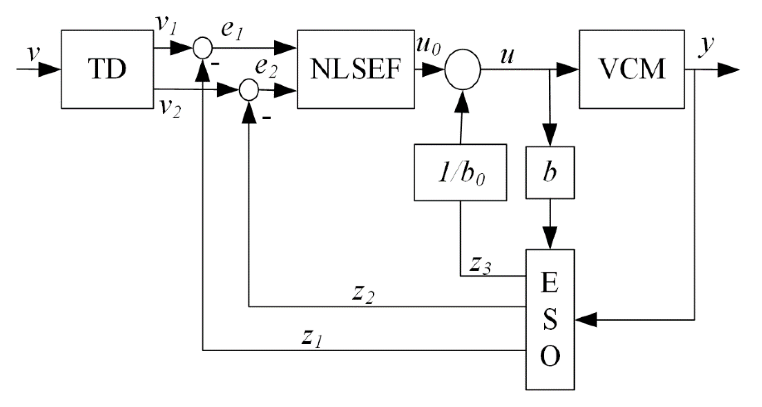
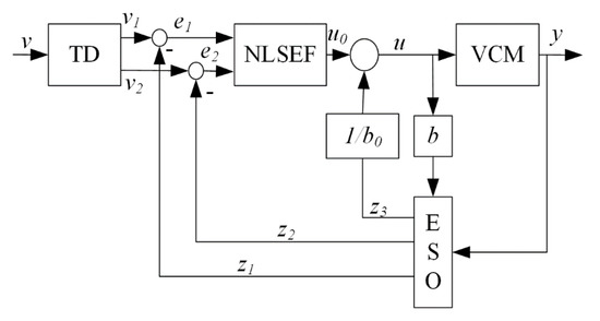
3. Controller Design
4. Results and Discussion
4.1. Experimental Apparatus
4.2. Simulation and Experimental Validation
5. Conclusions
Author Contributions
Funding
Data Availability Statement
Conflicts of Interest
References
- Theunissen, J.; Tota, A.; Gruber, P.; Dhaens, M.; Sorniotti, A. Preview-based techniques for vehicle suspension control: A state-of-the-art review. Annu. Rev. Control. 2021, 51, 206–235. [Google Scholar] [CrossRef]
- Gysen, B.; Paulides, J.; Janssen, J.; Lomonova, E.A. Active Electromagnetic Suspension System for Improved Vehicle Dynamics. IEEE Trans. Veh. Technol. 2010, 59, 1156–1163. [Google Scholar] [CrossRef]
- Ding, R.K.; Wang, R.C.; Meng, X.P.; Liu, W.; Chen, L. Intelligent switching control of hybrid electromagnetic active suspension based on road identification. Mech. Syst. Signal Process. 2021, 152, 107355. [Google Scholar] [CrossRef]
- Abdelkareem, M.; Xu, L.; Guo, X.X.; Ali, M.; Elagouz, A.; Hassan, M.A.; Essa, F.A.; Zou, J.Y. Energy harvesting sensitivity analysis and assessment of the potential power and full car dynamics for different road modes. Mech. Syst. Signal. Process. 2018, 110, 307–332. [Google Scholar] [CrossRef]
- Ding, R.K.; Wang, R.C.; Meng, X.P.; Chen, L. Study on coordinated control of the energy regeneration and the vibration isolation in a hybrid electromagnetic suspension. J. Automob. Eng. 2017, 231, 1530–1539. [Google Scholar] [CrossRef]
- Shi, D.H.; Chen, L.; Wang, R.C.; Jiang, H.B.; Shen, Y.J. Design and experiment study of a semi-active energy-regenerative suspension system. Smart Mater Struct. 2015, 24, 015001. [Google Scholar] [CrossRef]
- Shi, D.; Pisu, P.; Chen, L.; Wang, S.; Wang, R. Control design and fuel economy investigation of power split HEV with energy regeneration of suspension. Appl. Energ. 2016, 182, 576–589. [Google Scholar] [CrossRef]
- Lin, J.; Lian, R.J. Design of a grey-prediction self-organizing fuzzy controller for active suspension systems. Appl. Soft Comput. 2013, 13, 4162–4173. [Google Scholar] [CrossRef]
- Ning, D.; Sun, S.; Zhang, F.; Du, H.; Li, W.; Zhang, B. Disturbance observer based Takagi-Sugeno fuzzy control for an active seat suspension. Mech. Syst. Signal Process. 2017, 93, 515–530. [Google Scholar] [CrossRef]
- Mustafa, G.I.; Wang, H.P.; Tian, Y. Vibration control of an active vehicle suspension systems using optimized model-free fuzzy logic controller based on time delay estimation. Adv. Eng. Softw. 2019, 127, 141–149. [Google Scholar] [CrossRef]
- Shao, X.X.; Naghdy, F.; Du, H.P. Reliable fuzzy H-infinity control for active suspension of in-wheel motor driven electric vehicles with dynamic damping. Mech. Syst. Signal Process. 2017, 87, 365–383. [Google Scholar] [CrossRef]
- Liu, S.B.; Zhou, H.Y.; Luo, X.X.; Xiao, J. Adaptive sliding fault tolerant control for nonlinear uncertain active suspension systems. J Franklin I 2016, 353, 180–199. [Google Scholar] [CrossRef]
- Huang, Y.B.; Na, J.; Wu, X.; Liu, X.Q.; Guo, Y. Adaptive control of nonlinear uncertain active suspension systems with prescribed performance. ISA Trans. 2015, 54, 145–155. [Google Scholar] [CrossRef] [PubMed]
- Hua, C.C.; Chen, J.N.; Li, Y.F.; Li, L. Adaptive prescribed performance control of half-car active suspension system with unknown dead-zone input. Mech. Syst. Signal Process. 2018, 111, 135–148. [Google Scholar] [CrossRef]
- Pan, H.H.; Sun, W.C.; Jing, X.J.; Gao, H.J.; Yao, J.Y. Adaptive tracking control for active suspension systems with non-ideal actuators. J. Sound Vib. 2017, 399, 2–20. [Google Scholar] [CrossRef]
- Sun, W.C.; Gao, H.J.; Kaynak, O. Adaptive Backstepping Control for Active Suspension Systems With Hard Constraints. IEEE Trans. Veh. Technol. 2013, 18, 1072–1079. [Google Scholar] [CrossRef]
- Huang, C.J.; Lin, J.S.; Chen, C.C. Road-adaptive algorithm design of half-car active suspension system. Expert Syst. Appl. 2010, 37, 4392–4402. [Google Scholar] [CrossRef]
- van der Sande, T.; Gysen, B.; Besselink, I.; Paulides, J.; Lomonova, E.A.; Nijmeijer, H. Robust control of an electromagnetic active suspension system: Simulations and measurements. Mechatronics 2013, 23, 204–212. [Google Scholar] [CrossRef]
- Zhang, Y.C.; Zhang, G.G.; Yu, F. Modeling and μ Synthesis Control of Vehicle Active Suspension with Motor Actuator. Wseas Trans. Syst. 2012, 11, 173–186. [Google Scholar]
- Wang, G.; Chen, C.Z.; Yu, S.B. Robust non-fragile finite-frequency H-infinity static output-feedback control for active suspension systems. Mech. Syst. Signal Process. 2017, 91, 41–56. [Google Scholar] [CrossRef]
- Gordon, T.J.; Sharp, R.S. On improving the performance of automotive semi-active suspension systems through road preview. J. Sound Vib. 1998, 217, 163–182. [Google Scholar] [CrossRef]
- Chen, S.A.; Wang, J.C.; Yao, M.; Kim, Y.B. Improved optimal sliding mode control for a non-linear vehicle active suspension system. J. Sound Vib. 2017, 395, 1–25. [Google Scholar] [CrossRef]
- Li, Z.; Zheng, L.; Ren, Y.; Li, Y.N.; Xiong, Z.B. Multi-objective optimization of active suspension system in electric vehicle with In-Wheel-Motor against the negative electromechanical coupling effects. Mech. Syst. Signal Process. 2019, 116, 545–565. [Google Scholar] [CrossRef]
- Sun, W.; Pan, H.; Zhang, Y.; Gao, H. Multi-objective control for uncertain nonlinear active suspension systems. Mechatronics 2014, 24, 318–327. [Google Scholar] [CrossRef]
- Han, J. From PID to active disturbance rejection control. IEEE Trans. Ind. Electron. 2009, 56, 900–906. [Google Scholar] [CrossRef]
- Su, Y.X.; Zheng, C.H.; Duan, B.Y. Automatic disturbances rejection controller for precise motion control of permanent-magnet synchronous motors. IEEE Trans. Veh. Technol. 2005, 52, 814–823. [Google Scholar] [CrossRef]
- Zheng, Q.; Gao, L.Q.; Gao, Z. On stability analysis of active disturbance rejection control for nonlinear time-varying plants with unknown dynamics. In Proceedings of the 2007 46th IEEE Conference on Decision and Control, New Orleans, LA, USA, 12–14 December 2007; pp. 3501–3506. [Google Scholar]
- Xue, W.C.; Bai, W.Y.; Yang, S.; Song, K.; Huang, Y.; Xie, H. ADRC With Adaptive Extended State Observer and its Application to Air-Fuel Ratio Control in Gasoline Engines. IEEE Trans. Ind. Electron. 2015, 62, 5847–5857. [Google Scholar] [CrossRef]
- Xia, Y.Q.; Pu, F.; Li, S.F.; Gao, Y. Lateral Path Tracking Control of Autonomous Land Vehicle Based on ADRC and Differential Flatness. IEEE Trans. Ind. Electron. 2016, 63, 3091–3099. [Google Scholar] [CrossRef]
- Xia, Y.Q.; Fu, M.Y.; Li, C.M.; Pu, F.; Xu, Y.W. Active Disturbance Rejection Control for Active Suspension System of Tracked Vehicles with Gun. IEEE Trans. Ind. Electron. 2018, 65, 4051–4060. [Google Scholar] [CrossRef]
- Chen, Y.D.; Fuh, C.C.; Tung, P.C. Application of voice coil motors in active dynamic vibration absorbers. IEEE Trans. Magn. 2005, 41, 1149–1154. [Google Scholar] [CrossRef]
- Chi, W.C.; Cao, D.Q.; Wang, D.W.; Tang, J.; Nie, Y.F.; Huang, W.H. Design and Experimental Study of a VCM-Based Stewart Parallel Mechanism Used for Active Vibration Isolation. Energies 2015, 8, 8001–8019. [Google Scholar] [CrossRef]









| Parameters | Symbol | Value | Unit |
|---|---|---|---|
| Suspension stiffness | Ks | 420 | N/m |
| Suspension damping coefficient | Cs | 40 | N/(m·s−1) |
| Wheel stiffness | Kt | 48,000 | N/m |
| Suspension mass | mb | 5.6 | kg |
| Unsprung mass | mw | 1.6 | kg |
| Suspension static stroke | Ls | 129 | mm |
| Motor inductance | La | 4.2 | mH |
| Motor resistance | Ra | 5.9 | |
| Motor driving force coefficient | kF | 8.2 | N/A |
| Motor induced EMF coefficient | kb | 8.2 | V/(m·s−1) |
| Motor maximum thrust | Fp | 87 | N |
| Motor total trip | S | 56.3 | mm |
| Motor maximum voltage | Vp | 63.4 | V |
| Motor maximum current | Ip | 10.6 | A |
| Name | Type | Measuring Range | Resolution | Manufacturer |
|---|---|---|---|---|
| Displacement sensor | laser-optical sensor: LD1607-50 | −50 mm~+50 mm | 20 µm | MICRO-EPSILON |
| Data Acquisition Board | USB-4711 | ±10 V | 16-bit | Advantech (China) |
| Parameter | Value | Parameter | Value |
|---|---|---|---|
| h | 0.001 | δ | 0.005 |
| h0 | 0.005 | b | 0.4 |
| r0 | 10 | β11 | 500 |
| α1 | 0.5 | β12 | 1500 |
| α2 | 0.25 | b0 | 0.4 |
Publisher’s Note: MDPI stays neutral with regard to jurisdictional claims in published maps and institutional affiliations. |
© 2022 by the authors. Licensee MDPI, Basel, Switzerland. This article is an open access article distributed under the terms and conditions of the Creative Commons Attribution (CC BY) license (https://creativecommons.org/licenses/by/4.0/).
Share and Cite
Pan, F.; Luo, J.; Wu, W. Active Disturbance Rejection Control of Voice Coil Motor Active Suspension Based on Displacement Feedback. Actuators 2022, 11, 351. https://doi.org/10.3390/act11120351
Pan F, Luo J, Wu W. Active Disturbance Rejection Control of Voice Coil Motor Active Suspension Based on Displacement Feedback. Actuators. 2022; 11(12):351. https://doi.org/10.3390/act11120351
Chicago/Turabian StylePan, Feng, Junlin Luo, and Wei Wu. 2022. "Active Disturbance Rejection Control of Voice Coil Motor Active Suspension Based on Displacement Feedback" Actuators 11, no. 12: 351. https://doi.org/10.3390/act11120351
APA StylePan, F., Luo, J., & Wu, W. (2022). Active Disturbance Rejection Control of Voice Coil Motor Active Suspension Based on Displacement Feedback. Actuators, 11(12), 351. https://doi.org/10.3390/act11120351

