Advanced Design and Optimal Sizing of Hydrostatic Transmission Systems
Abstract
:1. Introduction
Design of Reference HT System
2. HT System Efficiency
3. Reference and Proposed HT Systems
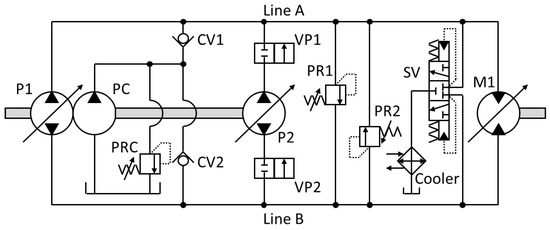
3.1. Reference HT System
3.2. Solution A
3.3. Solution B
3.4. Solution C
3.5. HT System Control
4. Optimization
4.1. Design Variables and Operators
4.2. Objective Function Definition
4.3. Constraints
5. Simulation Model
5.1. Hydraulic Pumps and Motors
5.2. Hydraulic Line Capacitance
5.3. Hydraulic Valves
5.4. Machine Dynamic
6. Reference HT System and Design Parameters
Representative Working Condition
7. Results and Discussion
7.1. Model Validation
7.2. Proposed HT System Sizing Optimization
7.3. Proposed Solution Simulation Results
7.4. Extended Optimization
8. Conclusions
- New design solutions are proposed to enable additional regulating freedom by using different combinations of two primary units and a two-displacement motor. These solutions are indicated with the letters A, B, and C.
- The sizing method is based on a genetic algorithm that finds the optimal displacement of the units at the most frequent operating condition of the vehicle.
- An accurate lumped parameter model of the HT system is presented to analyze the performance of each candidate solution under realistic drive cycles.
- The simulation results show how the best solution among the proposed ones can bring to energy efficiency gains of 14% and power savings around 20.1%, when compared to the system taken as initial reference and representative of a commercial solution.
- Furthermore, the paper investigated a method to extend the operating condition with the proposed solutions. By varying the low displacement setting of the hydraulic motor, each one of the proposed solutions can accommodate different operating conditions to ensure maximum energy efficiency.
Author Contributions
Funding
Institutional Review Board Statement
Informed Consent Statement
Data Availability Statement
Conflicts of Interest
Nomenclature
| Flow rate | |
| Torque | |
| Rotational Speed | |
| Pressure | |
| Hydraulic Unit Max. Displacement | |
| Hydraulic Unit Displacement | |
| Efficiency | |
| Hydraulic Capacitance | |
| Flow Coefficient | |
| Valve Position | |
| Hydraulic Fluid Density | |
| Bulk Modulus | |
| Volume of the Control Volume | |
| Vehicle Speed | |
| Vehicle Load Force | |
| Gear Ratio | |
| Track Rolling Radius | |
| Air Drag Coefficient | |
| Air Drag Area | |
| Rolling Resistance | |
| Vehicle Mass | |
| Gravitational Acceleration Constant | |
| Road Grading | |
| Subscripts | |
| Pump (Flow/Torque/Speed…) | |
| Motor (Flow/Torque/Speed…) | |
| Theoretical (Flow/Torque) | |
| Effective (Flow/Torque) | |
| Loss (Volumetric/Hydromechanical) | |
| External Volumetric Loss (Pump/Motor) | |
| Internal Volumetric Loss (Pump/Motor) | |
| Engine (Rotational Speed) | |
| Pump Volumetric (Efficiency) | |
| Pump Hydromechanical (Efficiency) | |
| Motor Volumetric (Efficiency) | |
| Motor Hydromechanical (Efficiency) | |
| System Overall (Efficiency) | |
| Resistant Over the Crop (Load Force) | |
| Traction (Load Force) | |
References
- Heywood, J.B. Internal Combustion Engine Fundamentals; McGraw-Hill Education: New York, NY, USA, 2018. [Google Scholar]
- Nervergna, N.; Rundo, M. Passi Nell’oleodinamica; Epics: Torino, TO, Italy, 2020. [Google Scholar]
- Zarotti, G.L. Trasmissioni Idrostatiche. Istituto per le Macchine Agricole e Movimento Terra 2003, 707, 2003. [Google Scholar]
- Vacca, A.; Franzoni, G. Hydraulic Fluid Power: Fundamentals, Applications, and Circuit Design; Wiley: Hoboken, NJ, USA, 2021. [Google Scholar]
- Costa, G.; Sepehri, N. Hydrostatic Transmissions and Actuators: Operation, Modelling and Application; John Wiley & Sons: Hoboken, NJ, USA, 2015. [Google Scholar]
- Paoluzzi, R.; Zarotti, L.G. The Minimum Size of Hydrostatic Transmissions for Locomotion. J. Terramech. 2013, 50, 153–164. [Google Scholar] [CrossRef]
- Ivantysyn, J.; Ivantysynova, M. Hydrostatic Pumps and Motors, Principles, Designs, Performance, Modelling, Analysis, Control and Testing; Academia Books International: New Delhi, India, 2001. [Google Scholar]
- Singh, V.P.; Pandey, A.K.; Dasgupta, K. Steady-state Performance Investigation of Closed-Circuit Hydrostatic Drive Using Variable Displacement Pump and Variable Displacement Motor. Proc. Inst. Mech. Eng. Part E J. Process. Mech. Eng. 2021, 235, 249–258. [Google Scholar] [CrossRef]
- Manring, N.D. Mapping the Efficiency for a Hydrostatic Transmission. J. Dyn. Syst. Meas. Control 2016, 138, 031004. [Google Scholar] [CrossRef]
- Keller, N.; Ivantysynova, M. A New Approach to Sizing Low Pressure Systems. In Proceedings of the In ASME/BATH Symposium on Fluid Power and Motion Control, Sarasota, FL, USA, 16–19 October 2017. [Google Scholar]
- Kress, J.H. Hydrostatic power-splitting transmissions for wheeled vehicles—classification and theory of operation. SAE Trans. 1968, 77, 2282–2306. [Google Scholar]
- Mistry, S.I.; Sparks, G.E. Infinitely Variable Transmission (IVT) of John Deere 7000 TEN Series Tractors. ASME Int. Mech. Eng. Congr. Expo. 2002, 36312, 123–131. [Google Scholar]
- Meyerle, M. Continuous hydrostatic-mechanical branch power split transmission particularly for power vehicles. U.S. Patent 5,683,322, 20 April 1994. [Google Scholar]
- Bottiglione, F.; Mantriota, G.; Valle, M. Power-Split Hydrostatic Transmissions for Wind Energy Systems. Energys 2018, 11, 3369. [Google Scholar] [CrossRef] [Green Version]
- Macor, A.; Rossetti, A. Optimization of Hydro-mechanical Power Split Transmissions. Mech. Mach. Theory 2011, 46, 1901–1919. [Google Scholar] [CrossRef]
- Brusstar, M. Hydraulic Hybrids; U.S. Environmental Protection Agency: Washington, DC, USA, 2006.
- Sprengel, M.; Bleazard, T.; Haria, H.; Ivantysynova, M. Implementation of a Novel Hydraulic Hybrid Powertrain in a Sport Utility Vehicle. In Proceedings of the 2014 IFAC Workshop on Engine and Powertrain Control, Simulation and Modeling, Columbus, OH, USA, 23–26 August 2015. [Google Scholar]
- Kumar, R.; Ivantysynova, M. The Hydraulic Hybrid Alternative for Toyota Prius—A Power Management Strategy for Improved Fuel Economy. In Proceedings of the 7th International Fluid Power Conference (7. IFK), Aachen, Germany, 22–24 March 2010. [Google Scholar]
- Kumar, R.; Ivantysynova, M. An Optimal Power Management Strategy for Hydraulic Hybrid Output Coupled Power-Split Transmission. In Proceedings of the ASME 2009 Dynamic Systems and Control Conference, Hollywood, CA, USA, 12–14 October 2009; 1, pp. 229–306. [Google Scholar]
- Kumar, R.; Ivantysynova, M. An instantaneous Optimization Based Power Management Stratege to Reduce Fuel Consumption in Hydraulic Hybrids. Int. J. Fluid Power 2011, 12, 15–25. [Google Scholar] [CrossRef]
- Heikkilä, M.; Huova, M.; Tammisto, J.; Linjama, M.; Tervonen, J. Fuel Efficiency Optimization of a Baseline Wheel Loader and its Hydraulic Hybrid Variants Using Dynamic Programming. In Proceedings of the BATH/ASME 2018 Symposium on Fluid Power and Motion Control, Bath, UK, 12–14 September 2018. [Google Scholar]
- Sprengel, M.; Ivantysynova, M. Neural Network Based Power Management of Hydraulic Hybrid Vehicles. Int. J. Fluid Power 2017, 18, 79–91. [Google Scholar] [CrossRef]
- Cheong, K.L.; Li, P.Y.; Chase, T.R. Optimal Design of Power-Split Transmissions for Hydraulic Hybrid Passenger Vehicles. In Proceedings of the 2011 American Control Conference, San Francisco, CA, USA, 29 June–1 July 2011. [Google Scholar]
- Paoluzzi, R.; Zarotti, L.G. Properties and sizing methods of 2-motor transmissions. Int. J. Fluid Power 2017, 18, 3–16. [Google Scholar] [CrossRef]
- Stump, P.M.; Keller, N.; Vacca, A. Energy Management of Low-Pressure Systems Utilizing Pump-Unloading Valve and Accumulator. Energies 2019, 12, 4423. [Google Scholar] [CrossRef] [Green Version]
- Pelosi, M.; Ivantysynova, M. A Geometric Multigrid Solver for the Piston-Cylinder Interface of Axial Piston Machines. Tribol. Trans. 2012, 55, 163–174. [Google Scholar] [CrossRef]
- Chen, Y.; Zhang, J.; Xu, B.; Chao, Q.; Liu, G. Multi-objective Optimization of Micron-Scale Surface Textures for the Cylinder/Valve Plate Interface in Axial Piston Pumps. Tribol. Int. 2019, 138, 316–329. [Google Scholar] [CrossRef]
- Golberg, D.E. Genetic Algorithms in Search, Optimization, and Machine Learning; Addion Wesley: Boston, MA, USA, 1989. [Google Scholar]
- Frank, M.; Drikakis, D.; Vharissis, V. Machine-Learning Methods for Computational Science and Engineering. Computation 2020, 8, 15. [Google Scholar] [CrossRef] [Green Version]
- Nelder, J.A.; Mead, R. A Simplex Method for Function Minimization. Comput. J. 1965, 7, 308–313. [Google Scholar] [CrossRef]
- Shang, L.; Ivantysynova, M. An Investigation of Design Parameters Influencing the Fluid Film Behavior in Scaled Cylinder Block/Valve Plate Interface. In Proceedings of the 9th FPNI Ph.D. Symposium on Fluid Power, Florianópolis, SC, Brazil, 26–28 October 2016. [Google Scholar]
- Shang, L.; Ivantysynova, M. A Path Toward Effective Piston/Cylinder Interface Scaling Approach. In Proceedings of the ASME/BATH 2017 Symposium on Fluid Power and Motion Control, Sarasota, FL, USA, 16–19 October 2017. [Google Scholar]
- Shang, L.; Ivantysynova, M. Scaling Criteria for Axial Piston Machines Based on Thermo-Elastohydrodynamic Effects in the Tribological Interfaces. Energies 2018, 11, 3210. [Google Scholar] [CrossRef] [Green Version]




















| Variables | Representation | Variable Pool | Bits |
|---|---|---|---|
| P1 Max. Displacement | |||
| P2 Max. Displacement | |||
| Motor Max. Displacement | |||
| Motor Working Displacement |
| Variables | Value | Units | Description |
|---|---|---|---|
| 2500 | rpm | Pump Rotational Speed | |
| 100 | cc/rev | Pump Maximum Displacement | |
| 80 | cc/rev | Motor Maximum Displacement | |
| 100 | % | Normalized Maximum Vehicle Speed | |
| 56 | % | Normalized Most Frequent Vehicle Speed | |
| 100 | % | Normalized Maximum Load Torque on Motor | |
| 20 | % | Normalized Most Frequent Load Torque on Motor | |
| 400 | bar | Maximum Working Pressure | |
| 50 | - | Gear Ratio from Motor to Track | |
| 0.40 | m | Track Rolling Radius |
| Reference | Solution A | Solution B | Solution C | ||
|---|---|---|---|---|---|
| [cc/rev] | 100 | 28 | 45 | 100 | |
| [cc/rev] | 0 | 75 | 55 | 0 | |
| [cc/rev] | 80 | 80 | 80 | 80 | |
| [%] | 100 | 49.4 | 56.4 | 69.4 | |
| Clutch | No | Yes | No | No | |
| Fixed Point Optimization | System Eff. [%] | 62.23 | 78.88 | 69.98 | 63.49 |
| Pwr. Saving [%] | - | 21.10 | 11.07 | 2.00 | |
| Drive Cycle Simulation | System Eff. [%] | 55.81 | 69.68 | 60.17 | 57.96 |
| Pwr. Saving [%] | - | 20.11 | 7.57 | 4.22 | |
| Motor Beta Map [%] | Vehicle Load [%] | Efficiency Gain [%] | Vehicle Load [%] | ||||||||||||
|---|---|---|---|---|---|---|---|---|---|---|---|---|---|---|---|
| 10 | 15 | 20 | 25 | 30 | 35 | 10 | 15 | 20 | 25 | 30 | 35 | ||||
| Vehicle Speed [%] | 60 | 39.1 | 42.2 | 44.9 | 44.9 | 44.9 | 44.9 | Vehicle Speed [%] | 60 | 24.4 | 17.7 | 13.2 | 9.9 | 7.0 | 4.4 |
| 55 | 42.0 | 45.1 | 48.1 | 49.4 | 49.4 | 49.4 | 55 | 24.2 | 18.1 | 14.1 | 11.2 | 8.8 | 6.6 | ||
| 50 | 45.1 | 48.5 | 51.6 | 54.6 | 54.9 | 54.9 | 50 | 24.2 | 18.7 | 15.1 | 12.7 | 10.7 | 9.0 | ||
| 45 | 48.5 | 52.5 | 55.9 | 59.1 | 61.8 | 61.8 | 45 | 24.3 | 19.4 | 16.2 | 14.3 | 12.8 | 11.5 | ||
| 40 | 52.2 | 57.4 | 61.3 | 64.8 | 68.0 | 70.6 | 40 | 24.4 | 20.1 | 17.5 | 16.1 | 15.0 | 14.2 | ||
| Motor Beta Map [%] | Vehicle Load [%] | Efficiency Gain [%] | Vehicle Load [%] | ||||||||||||
|---|---|---|---|---|---|---|---|---|---|---|---|---|---|---|---|
| 10 | 15 | 20 | 25 | 30 | 35 | 10 | 15 | 20 | 25 | 30 | 35 | ||||
| Vehicle Speed [%] | 60 | 45.1 | 51.2 | 56.3 | 60.5 | 64.3 | 68.5 | Vehicle Speed [%] | 60 | 11.7 | 8.4 | 6.7 | 5.6 | 4.9 | 4.3 |
| 55 | 46.4 | 53.4 | 59.3 | 63.9 | 68.1 | 71.9 | 55 | 10.5 | 7.8 | 6.4 | 5.8 | 5.4 | 5.1 | ||
| 50 | 47.6 | 55.6 | 62.6 | 68.1 | 72.8 | 77.0 | 50 | 9.5 | 7.2 | 6.2 | 6.0 | 5.9 | 6.0 | ||
| 45 | 48.7 | 57.6 | 66.5 | 73.5 | 79.1 | 84.1 | 45 | 8.4 | 6.7 | 6.1 | 6.3 | 6.6 | 7.0 | ||
| 40 | 40.0 | 59.7 | 71.0 | 81.6 | 91.2 | 99.8 | 40 | 7.5 | 6.1 | 6.0 | 6.8 | 7.6 | 8.5 | ||
| Motor Beta Map [%] | Vehicle Load [%] | Efficiency Gain [%] | Vehicle Load [%] | ||||||||||||
|---|---|---|---|---|---|---|---|---|---|---|---|---|---|---|---|
| 10 | 15 | 20 | 25 | 30 | 35 | 10 | 15 | 20 | 25 | 30 | 35 | ||||
| Vehicle Speed [%] | 60 | 47.2 | 58.4 | 66.5 | 73.9 | 80.9 | 87.9 | Vehicle Speed [%] | 60 | 6.2 | 2.6 | 0.7 | 0.1 | 0 | 0.2 |
| 55 | 49.1 | 61.0 | 69.9 | 78.4 | 87.6 | 100 | 55 | 5.1 | 1.9 | 0.4 | 0 | 0.1 | 0.6 | ||
| 50 | 51.3 | 61.3 | 74.1 | 85.3 | 100 | 100 | 50 | 4.0 | 1.4 | 0.1 | 0.1 | 0.6 | 1.2 | ||
| 45 | 53.9 | 64.7 | 80.2 | 100 | 100 | 100 | 45 | 3.0 | 0.8 | 0 | 0.5 | 1.2 | 1.9 | ||
| 40 | 57.2 | 69.0 | 100 | 100 | 100 | 100 | 40 | 2.0 | 0.3 | 0.1 | 1.2 | 1.9 | 2.5 | ||
Publisher’s Note: MDPI stays neutral with regard to jurisdictional claims in published maps and institutional affiliations. |
© 2021 by the authors. Licensee MDPI, Basel, Switzerland. This article is an open access article distributed under the terms and conditions of the Creative Commons Attribution (CC BY) license (https://creativecommons.org/licenses/by/4.0/).
Share and Cite
Guo, X.; Vacca, A. Advanced Design and Optimal Sizing of Hydrostatic Transmission Systems. Actuators 2021, 10, 243. https://doi.org/10.3390/act10090243
Guo X, Vacca A. Advanced Design and Optimal Sizing of Hydrostatic Transmission Systems. Actuators. 2021; 10(9):243. https://doi.org/10.3390/act10090243
Chicago/Turabian StyleGuo, Xiaofan, and Andrea Vacca. 2021. "Advanced Design and Optimal Sizing of Hydrostatic Transmission Systems" Actuators 10, no. 9: 243. https://doi.org/10.3390/act10090243
APA StyleGuo, X., & Vacca, A. (2021). Advanced Design and Optimal Sizing of Hydrostatic Transmission Systems. Actuators, 10(9), 243. https://doi.org/10.3390/act10090243

