Next Article in Journal
A Control Strategy of DC Building Microgrid Connected to the Neighborhood and AC Power Network
Next Article in Special Issue
Computational Colour Matching of Laminated Photovoltaic Modules for Building Envelopes
Previous Article in Journal
Form Follows Environment: Biomimetic Approaches to Building Envelope Design for Environmental Adaptation
Previous Article in Special Issue
Computational Combination of the Optical Properties of Fenestration Layers at High Directional Resolution
 
 
Font Type:
Arial Georgia Verdana
Font Size:
Aa Aa Aa
Line Spacing:
Column Width:
Background:
Review

A Review of Daylighting Strategies in Schools: State of the Art and Expected Future Trends

1
School of the Built Environment, University of Reading, Whiteknights, RG6 6AW Reading, UK
2
Department of Electric, Electronic and Computer Engineering, University of Catania, Viale A. Doria 6, 95125 Catania, Italy
*
Author to whom correspondence should be addressed.
Buildings 2017, 7(2), 41; https://doi.org/10.3390/buildings7020041
Submission received: 29 March 2017 / Revised: 10 May 2017 / Accepted: 11 May 2017 / Published: 13 May 2017

Abstract

:
The study of daylight conditions within educational buildings has been a topic of interest since the nineteenth century in western countries, and European ones in particular. Although it has been argued that providing a view outside—or even using daylight instead of more stable and manageable artificial light—could reduce students’ performance without providing a pleasant and healthy environment, nowadays it seems that a large consensus upon the need to design well daylit spaces is being reached. This paper reviews how the research community has tackled the task of understanding and solving the complex relationships amongst local climate, users’ needs and design constraints in school buildings by showing the different approaches used and technological solutions suggested. The reported case studies, based either on experimental measurements or on simulations, highlight the need of a comprehensive approach to the topic to fully understand the non-trivial requirements of a daylit educational environment.

1. Introduction

1.1. Daylight and the Built Environment, a Brief Historic Overview

What is daylighting? Why are we pursuing it and what is a well-daylit space? The opening chapter of a recently published handbook on daylighting [1] begins with these fundamental questions before exploring the many (objective and very often subjective) facets of the study of natural light in and around buildings.
Daylighting is a process that makes use of daylight to achieve some expected lighting effects in buildings, such as lighting up a task area, highlighting some objects while obscuring others, or even totally avoiding its contribution under particular circumstances.
Trickier is the definition of a well-daylit space, not only because it involves subjective perceptions of the space that can vary according to different cultural contexts and time periods, but also because of the different requirements needed by specific functions. For example, a place of worship would call for evenly distributed light during the religious functions whereas an iconic way of lighting the sacred effigies may be requested during the remaining hours. Industries usually demand constant lighting levels during production processes, whereas residential premises have different needs according to the rooms’ function (e.g., kitchen, living room and bedroom).
Specific care has to be taken when designing the daylight contribution in offices and schools, where constant light levels on visual task areas are recommended, due to the intellectual activities involved. On the other hand, the provision of an engaging environment where occupants can perceive a contrast among different zones, and look outside, is suggested to increase productivity (though this last aspect has been questioned at some point in time, as will be shown in the following).
To further complicate design requirements, negative effects may stem from the oversupply of daylight such as glare risks, room overheating (and consequently an increase in the cooling energy demand) and lack of privacy.
This is why, in large measure, “the art and science of daylighting is not so much how to provide enough daylight as how to do so without its possible undesirable effects” [2].
Baker and Steemers [3] showed how vernacular buildings have much to teach about a climate-responsive design to sunlight with its visual and thermal implications. As an example, in warm-humid climates, traditional buildings were mainly raised on pillars with continuous shading devices at the roof height; hot-arid climates frequently made use of screened openings such as mashrabiya, which allow for some air flow while combining privacy and view but keeping direct sunlight out at all times.
On the other hand, temperate climates such as those of Southern Europe still need some sheltering from summer sun: the Roman house needed to provide shade to fight against the heat coming from the sun’s radiation while delivering light to the interior [4]. The form chosen to this aim was the courtyard with an entrance atrium and rooms lit from either large doors facing the courtyard or from small windows facing the street (see Figure 1).
Other archetypical examples of this effort can be found in the Greek loggia and the Spanish arcades as well.
Conversely, cold climates such as in Northern Europe call for the admission of a great amount of solar gains in winter while keeping the cold out. As an example, in a typical medieval house in England, daylight openings were of small size and provided with wooden shutters or translucent materials such as mica or parchment to give additional thermal resistance to the building envelope.
From the fifteenth century, the use of glass became more popular and affordable. A formalization of its use was given by the palaces owned by rich merchants in Italy during the Renaissance: although symmetrical facades usually paid little or no attention to different uses of the interior spaces, the need for some daylight dictated the use of bilateral daylighting (one aperture on the road side and another one facing an interior garden) and floor widths less than 20 m.
Top-lit internal rooms, allowing for deeper plan distributions, started appearing in the seventeenth century while the eighteenth century saw an interest in refining windows design and details in order to better balance the brightness contrast between the outside and the indoor environments. A bright example in this sense is given by the Sir John Soane’s house in London, where a deep interior space was lit by using deep chamfered reveals for the windows placed on exterior walls and by domes and other forms of top-lit strategies.
The concept of linking buildings’ layout to local climate characteristics, here briefly exemplified, worked well for residential dwellings mainly—which represent the biggest share of buildings within a city—at least till the early 1900s when the advent of the modern movement allowed for a structural revolution represented by the massive use of concrete pillars and open plan interior distribution. This led to the use of glass for literally wrapping the volumes with strip or even full-height windows, which of course provided a full view to the outside and full exploitation of daylight inside, but at the expense of thermal and visual comfort in most cases.
A renaissance of the climate-related design concept appeared in the late 1970s as a response to the oil crises and the consequent increase in the energy costs for air conditioning, but more with a focus on the energy implications rather than on the importance of providing good daylight per se [3].

1.2. Daylight in Schools: Evolution of the Concept

The design of other specific function premises, such as places of worship or public buildings, may diverge from the basic rules listed above according to different needs and symbolic meanings to be represented. According to Baker et al. [5], the 19th century is the time when specific requisites for daylighting design were introduced for different building functions, and met thanks to the progress of the Second Industrial Revolution.
As far as educational buildings are concerned, a temporal excursus on UK schools shows the evolution of design trends that are applicable to most of the western countries. First, the provision of the Education Act (1870), which made education compulsory for all the pupils, created a sudden demand for school buildings to be comfortable and healthy. In daylighting terms, the main outcomes were the rule of thumb suggesting a window-to-floor ratio of 20% for side-lit rooms (mainly left side since the majority of students are right-handed) and the suggestion to use the coolest and steadiest light from the north orientation.
Victorian schools moved to deeper plan arrangements in order to suit crowded urban sites, providing natural light for the core hall from tall classrooms placed along the perimeter (see Figure 2), but this scheme did not last long. In fact, the space made available from suburban sites where new schools were located allowed to conceive a new plan distribution where a row of classrooms was connected to the hall and other spaces via corridors and verandas. In this way, a full exploitation of daylight and cross-ventilation was easily achievable, but it has been argued that the combined effect of direct light and the light reflected by the ceiling and the walls (increased by the contribution of narrow top windows facing the corridor or the atrium) made the diffuse component so high that shadows were barely perceptible.
It was the issue of ensuring a minimum daylight contribution to the brightness of indoor environments that led the UK government to implement the minimum Daylight Factor (DF) provision of 2% in classrooms: this on the one hand informed the design of the schools built immediately after the Second World War, but on the other hand led to over-glazed and poorly insulated buildings [5].
Moreover, despite the 2% criterion being met, most of the classrooms were artificially lit for long periods in order to reduce the brightness range and increase light uniformity.
New developments in teaching methods—the so called “open air teaching movement”—led again to conceive open plan layouts with additional energy needs for lighting and air conditioning. Although these buildings showed less comfort problems than the postwar ones, they were the first to reject the role of natural air and light, and led to the construction of buildings with small or even without windows
This was exacerbated mainly by the arrival of the second oil crisis and by the wide diffusion of fluorescent lamps in the US [6]; in fact, it was thought that the increase in artificial lighting needs would have been counterbalanced by the drop in the cooling energy demand. Moreover, the diffusion of educational theories stating that windows distracted students’ attention also played a significant role.
Starting from the early 1980s, when architectural tastes moved away from Modernist suggestions, architects started adopting a more traditional and climate-based approach to schools’ design, so a number of passive-solar schools with a spread-out shape and extensive south-facing windows for maximizing solar gains were built in Europe and US.
Despite these positive efforts, daylight has not been perceived by the majority of architects and engineers as a basic provision of the design process, but just as something that can add some additional value to a project.
This is why in the 1990s the European Union made a great effort to study and promote a strong integration of daylight within buildings. One of the main outcomes is represented by a three-year monitoring campaign of 60 buildings spread throughout Europe [7], from museums to schools as well as more specific premises such as airports or factories. This study showed great potential for daylighting techniques to improve occupants’ visual comfort as well as energy performance of the buildings, and provide a more stimulating environment.
Nonetheless, it seems that opportunities are often missed, either because of overheating and glare problems or due to the overestimation of the performance of daylighting solutions. As an example, in the Collège de la Terre Saint in Coppet (Switzerland), the harvesting of daylight from a central atrium is hindered by obstructions given by a wrong positioning of stairwells and elevators.
The Berthold Brecht School in Dresden (Germany) suffered from a strong reduction in daylight levels, because of the transformation of two courtyards in covered atria as a measure to gain space and reduce energy consumption for space heating. Indeed, the atria were conceived as the heart of a ventilation system and both the need of specific structural elements to bear the ventilation ducts and of additional glazing layers aimed at reducing thermal losses led to a reduction in the maximum Daylight Factor (DF, please see next section for its definition) from 50% to 15%. The provision of an additional textile shading system, implemented to reduce overheating risks, contributes to further reduce the luminous flux circulating within the atria.
Last but not least, it is important to focus on the fact that apart from the quantity of light circulating within a room—which is often the only object of building codes or design standards prescriptions—a lot of other less objective aspects have to be considered for designing a well-daylit space.
This is especially true for educational buildings, also highlighted by the extensive surveys carried out at different times by the Heschong Mahone Group in more than 2000 elementary school classrooms located in cities representative of different climate conditions in US.
Although the first round of surveyed buildings included only top-lit rooms, with the specific aim of examining ‘pure’ daylight conditions without the complications given by windows daylight, the examination of end-of-term reading and math tests showed how students with the most daylight in their classrooms scored better (from 7% to 18%) than the others [8].
This was confirmed and emphasized by the outcomes of a second round of surveys of side-lit classrooms in the Fresno district (California) [9]: first, ample and pleasant views out of the windows including vegetation or human activity support better outcomes from students. Secondly, sources of glare such as windows and chalkboards (especially if black or green in color) negatively affect students’ performances, especially math assignments since they are often demonstrated on the wall. Finally, direct sun penetration from unshaded east- and south-facing windows is associated with worse students’ outcomes, as it is likely to cause glare and thermal discomfort. Blinds or other shading devices that could be manually operated by teachers are thus sought to adjust daylight levels and control intermittent sources of glare.

2. Daylight Performance: Measurement Criteria and Recommendations

The quality of daylight in educational premises is connected with several different aspects. First of all, daylight availability on the working plane should be sufficiently high to allow students and teachers to accomplish easily their visual tasks [10]. However, daylight should also be uniformly distributed within the classroom; indeed, excessive daylight disuniformity may strain students’ visual apparatus.
Moreover, glare problems should be avoided. Glare occurs when a too bright light source falls within the visual field, and can cause visual discomfort or even temporary visual impairment. In relation to daylight, glare is mainly related to the view of direct sunlight, which can be avoided by suitable orientation and shading devices [9].
Finally, daylight admitted into educational premises should also have good spectral quality. In fact, studies have shown that lighting sources have an impact on the circadian system, which seem to depend mainly on the spectral distribution of the light reaching the eyes. To this purpose, daylight is intrinsically good, and has been proven to enhance melatonin suppression. Melatonin is a hormone responsible for the regulation of the body clock, and its presence facilitates sleep; during the day, its concentration in the body is reduced, and daylight plays a very important role in this process. However, the spectral properties of glazing may mainly alter daylight spectral distribution, thus diminishing its circadian efficacy.
In order to quantify these issues and allow the quality of daylighting to be evaluated, suitable metrics, based on measurable physical quantities, have been introduced in the literature. In the following, Section 2.1 introduces the metrics used for daylight performance assessment in educational premises, while also reporting recommended values according to national and international standards or guidelines. On the other hand, Section 2.2 discusses the outcomes of some studies where the adoption of these metrics has allowed to draw interesting conclusions about optimal design for school daylighting.

2.1. Metrics for Assessing Daylight Exploitation

The first and most common metrics to measure daylight provision is illuminance. Illuminance at a point over a work plane and at a specific point in time is measured in lux, and is defined as the ratio of the luminous flux, incident on an infinitesimal surface in the neighbourhood of the point, to the area of that surface [11]. Illuminance is a quite simple and immediate way to evaluate the amount of light falling on a plane, and can be easily measured with a luxmeter. However, it is time-dependent, and it must be assessed for many time steps in order to get a clear picture of how daylight is exploited in an interior space. According to several standards, the average maintained illuminance in a classroom should be kept above 300 lux (see Table 1), whereas in laboratories and art rooms—as well as on whiteboards—the minimum required illuminance is 500 lux. Moreover, some internationally recognised rating schemes for the environmental sustainability of new constructions, such as BREEAM (Building Research Establishment's Environmental Assessment Method) and LEED (Leadership in Energy and Environmental Design), have introduced suitable illuminance threshold values as a requisite to achieve the highest score in the category of visual comfort (Table 1).
Starting from illuminance, a series of metrics called illuminance-based have been introduced. As concerns daylight illuminance uniformity, the metric commonly used is the Uniformity Ratio, which is defined as the ratio of the minimum to the mean illuminance measured over a certain surface. As reported in Table 1, according to some international standards, the Uniformity Ratio should be higher than 0.6 in the working plane, or higher than 0.4 in the surroundings. However, these thresholds strictly apply to artificially lit classrooms, and are difficult to accomplish by daylight only in side-lit classrooms. In this case, lower values can be accepted, as in the BREEAM rating scheme (U > 0.3). Concerning illuminance uniformity, CIBSE and BREEAM also recommend that the following inequality (room depth criterion) should be satisfied in side-lit classrooms:
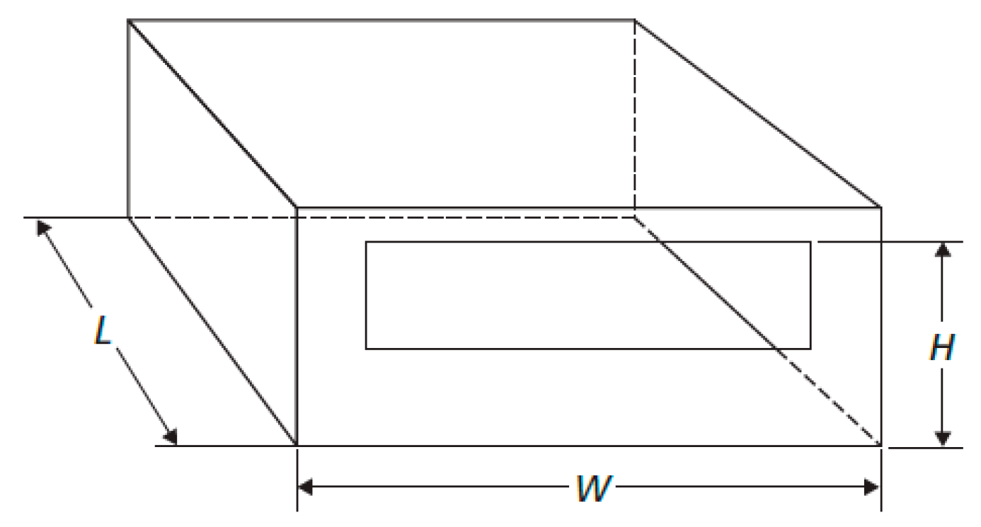
L W + L H 2 1 r
Here, L is the room depth, W is the room width, H is the window head height from the floor level, and r is the average visible reflectance of the surfaces in the half of the room far from the window (see Figure 3).
Another popular metric correlated with daylight availability is the Daylight Factor (DF): it is defined as the ratio of the daylight illuminance at a given point inside a room to the daylight illuminance measured at the same time under an unobstructed horizontal plane. By definition, DF must be calculated under CIE (Commission Internationale de l’Eclairage) overcast sky conditions; hence, it does not account for the effects of direct sun light. Recommended threshold values for the average and the minimum DF in classrooms are reported in Table 1. Basically, such values derive from the assumption that, under overcast sky conditions, the outside illuminance lies around 10,000 lux: hence, an average DF = 3% means that, even in the absence of direct solar irradiance, a minimum of 300 lux is guaranteed on average over the working plane [11].
Even if extensively used, according to several authors, the Daylight Factor has several limitations. First of all, it does not consider non-overcast sky conditions: as a consequence, it makes no difference among different window exposures, and does not describe the—often negative—effects of direct sunlight. Moreover, a building design based on maximizing the Daylight Factor would lead to the glazed surface being oversized, and this might be detrimental in terms of thermal comfort and glare issues. Finally, DF is a static parameter, and does not describe how the illuminance varies with time.
In order to overcome all these shortcomings, other daylighting metrics have been recently introduced, called climate-based metrics, as they derive from dynamic calculations over a large time-span, and should be based on actual variable sky conditions.
Amongst climate-based daylight metrics, Useful Daylight Illuminance (UDI) is maybe the most common one. UDI is defined as the fraction of time in a year when the indoor horizontal daylight illuminance at a given point falls within a given range. In order to calculate UDI, three bins are usually identified, by setting a lower and an upper illuminance threshold. The upper bin represents the percentage of time when excessive daylight illuminance occurs, potentially leading to visual discomfort; on the other hand, the lower bin represents the percentage of time when daylight illuminance is scarce. Finally, the intermediate bin is the percentage of time when appropriate daylight illuminance is attained. According to the original UDI definition [12], the lower and upper thresholds are set respectively to 100 lx and 2000 lx. Later studies [13] proposed to split the intermediate bin into supplementary UDI (E < 500 lux) and autonomous UDI (E > 500 lux). The difference is that, in the second circumstance, supplementary artificial lighting is most likely not needed. In other studies dealing with educational premises, the lower threshold is set to 300 lux, coherently with standard recommendations [14].
On the other hand, Daylight Autonomy (DA) is the percentage of the hours of occupancy when daylight illuminance at a point keeps above a minimum threshold [15]. According to a study carried out by IESNA, the adoption of 300 lux as a threshold leads to statistically significant results [16]. Starting from DA, it is also possible to define the spatial Daylight Autonomy (sDA), that is to say the percentage of floor area that exceeds a specified illuminance level for a specified amount of annual hours (e.g., 50% of the hours from 08:00 a.m. to 06:00 p.m.) Hence, sDA is a zonal metric, i.e., it shows a single value for each room.
Since sDA does not introduce an upper threshold for daylight illuminance, its calculation should be accompanied by the evaluation of Annual Sunlight Exposure (ASE). ASE is the percentage of the occupied area where direct sunlight illuminance exceeds a certain value (usually, 1000 lux) for a specified number of hours per year (usually, 250) [16]. When calculating ASE, blinds and shadings must not be taken into account.
Dynamic climate-based daylight metrics have been introduced only recently, but their use is constantly increasing. Most of them require substantial computational power, as they rely on the results of time-dependant simulations, which need to process a large amount of input variable.
At present, UDI and DA do not have internationally agreed design values. In fact, their recent introduction has not allowed sufficient experimental activity to be carried out to correlate their values with the response of occupants in schools. However, the LEED rating scheme (version v4) has implemented suitable thresholds for sDA and ASE, as already suggested by IES [16]: in order to achieve the highest score, sDA300/50% > 55% and ASE1000/250h < 10% should be verified on regularly occupied areas (Table 1).
All the metrics discussed above rely on the concept of illuminance, and help measure daylight sufficiency. Other metrics are necessary to assess glare issues, and belong to the category of the so-called luminance-based metrics. Luminance seen in a given point along a given direction is a physical quantity that measures the luminous intensity emitted in that direction per unit visible source area [11], and is measured in nit (1 nit = 1 cd/m2). There is no general agreement on the maximum admissible luminance values to avoid glare from daylight; as an example, some authors propose 2000 nit as a threshold for acceptable glare, while 6000 nit identifies the limit for tolerable glare [17].
More recently, Discomfort Glare Probability (DGP) has been introduced and validated by Weinold et al. [17,18]. This new metric is intended to measure the probability that a person is disturbed by glare, instead of the glare magnitude per se. According to its original formulation, DGP is calculated as a function of the vertical eye illuminance produced by the light source (Ev), the luminance of the source, and the solid angle of the source seen by an observer. DGP is nowadays recognised as the most appropriate metric to assess glare issues, due to its strong correlation with the user’s response in terms of glare perception. However, its calculation is complex; for this reason, Wienold proposed a simplified formulation that significantly reduces computational effort [19]:
DGP = 6.22 × 10 5 × E v + 0.184
Still discussing glare issues, Zomorodian et al. introduced Spatial Visual Discomfort (SVD). SVD is the percentage of occupied space where DGP keeps above 0.45 for at least 20% of the time of occupancy; the authors proposed to rate a classroom as comfortable when SVD < 10%, computed by excluding all points less than 0.5 m away from the windows [20].
An interesting simulation-based approach to appraise the temporal diversity in perceiving an indoor space as related to occupants’ satisfaction and delight has been developed by Rockcastle and Andersen [21]. Both simulated indoor renderings and High Dynamic Range (HDR) images of existing spaces can be used to compute three new luminance-based metrics:
(i)
Spatial Contrast: it quantifies local variations in brightness within an architectural space;
(ii)
Annual Spatial Contrast: it estimates the cumulative effects of spatial contrast over time (for 56 specific annual instances)
(iii)
Annual Luminance Variability: it represents the intensity of variation perceived by the observer’s field of view as a result of dynamic annual lighting conditions.
A pre-validation of these metrics has been attempted in [21] by classifying ten case study models, but further studies are needed to explore the real metrics potentialities.
Finally, some pioneering studies have recently tried to introduce new metrics to account for the effects of daylight on the circadian system, and to apply them to classrooms design (see Table 1). Basically, these metrics rely on the evaluation of the spectral power distribution of daylight admitted into the classrooms, and quantify its effect on melatonin suppression based on medical research outcomes. In this paper, these pioneering metrics are not discussed further.

2.2. Examplary Use of Daylight Metrics for Classroom Design

As highlighted at the beginning of Section 2, the daylight performance of educational premises depends on several different aspects. For this reason, a good daylight design should contemplate the use of several different metrics, in order to gather information about all possible daylight effects. In fact, most of the papers reported in Table 1 did not follow this approach, and based their conclusions just upon a single metric, hence highlighting a single aspect of the problem. Other papers, on the contrary, effectively adopted several daylight metrics, which allowed interesting conclusions to be drawn about optimal design for school daylighting.
As an example, Costanzo et al. assessed the effectiveness of several strategies to improve daylight fruition in a side-lit classroom with east-facing windows, i.e., electrochromic glazing, static reflective glazing, blinds and light shelves [14]. They found that the use of electrochromic glazing coupled with appropriately sized internal light shelves proves to be the best solution in terms of illuminance uniformity, as witnessed by the highest Uniformity Ratio (Figure 4a). However, this solution also shows very low acceptable UDI values (in the range 300–2000 lux, Figure 4c), which suggests that actually illuminance is just uniformly low within the classroom. In fact, it is worth recalling that the Uniformity Ratio was a concept originally conceived for artificial lighting and then applied to evaluations carried out using the daylight factor approach, i.e., under a standard overcast sky. Consequently, the concept has limited applicability for real-world daylight conditions (i.e., sun and sky) where the range in absolute illuminance values experienced at any one moment in time can be much greater than that under (static) overcast sky conditions. The work also proves that internal light shelves help get the highest sDA values (Figure 4b); on the whole, however, the best compromise between illuminance uniformity (U), sufficiency (sDA) and acceptability (UDI) is provided by static reflective glazing.
Similarly, Pellegrino et al. assessed the daylight fruition in several classrooms of a school in Italy [46]. First, they determined the DF in six classrooms with different exposure and height from the ground, based on illuminance measurements under overcast sky conditions. The results suggest that none of the classrooms satisfy the target of DF > 3% introduced by Italian regulations (Figure 5a). Then, they calculated sDA and UDI through yearly-based daylight simulations with Daysim, showing that west-facing classrooms are severely penalised, especially those on the first floor, and both sDA and UDI do not fulfil the requirements of the LEED rating scheme (Figure 5b,c). The east-facing classroom on the first floor is by far the best performing one in terms of sDA and UDI: this could not be visible if looking at DF, since this parameter does not account at all for direct sun light and exposure. Finally, it is evident that improperly operated manual shutters may produce a detrimental effect.
Another good example of how to combine information provided by different climate-based metrics is the study carried out by Korsavi et al. [54]. Here, visual comfort conditions in two classrooms are evaluated, based on questionnaires and on yearly daylight simulations with DIVA software. The results of the simulations are used to calculate sDA and ASE, showing that in the south-facing classroom the great majority of the working plane keeps very frequently above 300 lux, with an overall sDA300,50% = 71%. This alone might be regarded as a positive result, but the fact that ASE1000/250h = 29% suggests that direct sunlight is in excess, and must be controlled through suitable shading devices.
On the other hand, Michael and Heracleous investigated the daylight performance of typical educational premises in Cyprus, and to this aim made use of several daylight metrics [38]. By considering some typical classrooms with different orientations, they found that in all cases sufficient daylight is available, since the DF keeps above 2% for more than 83% of the period of occupancy in the worst case. However, when looking at the Uniformity Ratio, only west- and south-oriented classrooms meet the conditions U >0.4. Moreover, the calculation of the UDI values, based on annual simulations with Daysim, show that in the east-oriented classroom the daylight illuminance tends to be quite high: indeed, the average UDI > 2000 is 27%, which means that in 27% of the occupied hours there might be risk of glare issues.
To confirm this probability, the authors calculated the DGP in different months and times of the day. Some results of this analysis are reported in Figure 6, supported by HDR images originated from HDR photographs and Radiance Lighting Simulations. These results refer to the winter solstice, and confirm that extensive discomfort glare issues are observed at 08:00 a.m. in the east oriented classroom, where DGP = 0.54, due to the low solar altitude. At 10:00 a.m. and at noon, DGP between 0.20 and 0.23 is observed in almost all orientations. This implies the need to introduce suitable shading devices for the first hours of the morning.
Finally, Zomorodian and Tahsildoost studied visual and thermal comfort in a typical classroom in Iran [20], by changing its orientation, the Window to Wall Ratio (WWR) and the optical properties of the windows, condensed in the Light-to-Solar-Gain Ratio (LSG). LSG > 1 indicates glazing with visible transmittance higher than solar transmittance (e.g., static reflective glazing). Based on annual simulations with Honeybee, they calculated sDA and SVD values to assess daylight availability and possible visual discomfort due to glare occurrence, respectively.
The results reported in Figure 7 suggest that in the north-oriented classroom only a few combinations of WWR and LSG comply with both requirements for the selected metrics (sDA > 55% and SVD < 10%); as a general rule, it is suitable to adopt high WWR with high visible transmittance. On the other hand, in the south-oriented classroom no window solution passes both the criteria: indeed, high WWR values imply excessive visual discomfort, whatever is the glazing visible transmittance. These results emphasize the importance of shadings for the visual comfort in south-oriented classrooms.

3. Design for Daylight: Typical Technological Solutions

3.1. Classroom Layout and Glazing Types

The literature review highlights how several technological solutions are able to increment daylight levels in classrooms without introducing glare issues by implementing appropriate design strategies. A good daylighting project first involves a careful consideration of the climate in which the classroom is located; this is why several authors focused on the room geometrical layout and orientation as a first step. As an example, Zhang et al. [51] made use of a multi-objective genetic algorithm to optimize the thermal and daylighting performance of a school building located in the cold climate of Tianjin (China). First, different layout plans, namely the one-sided open corridor, the one-sided closed corridor and the double-sided corridor (see Figure 8), are considered as base cases due to their representativeness of the school buildings stock in China. Then, parametric variations for the orientation, the geometrical features such as depth of classrooms and corridors, and the façade characteristics (amount and type of glazing and shading types), are simulated using the Ladybug and Honeybee tools within the visual programming environment provided by Grasshopper. The aim is to maximize the useful UDI and the number of summer thermal comfort hours while minimizing the heating and lighting energy demand. The main outcomes reveal how the best results pertain to the double-sided corridor configuration, mainly south-oriented, in order to take advantage of the solar gains during winter.
Secchi et al. [39] carried out another integrated thermal-daylight analysis for an existing classroom exposed to east and located in the town of Tuscany (Italy). In this case, a tradeoff among good daylight availability—as expressed by the average DF and by the Uniformity Ratio—thermal comfort conditions (reflected by the percentage of comfort hours according to the EN 15251 Standard) and the energy needs for space heating, is sought by considering different glazing types (low-emissive and selective panes) and louver configurations. The results of the simulations carried out using Relux Pro and EnergyPlus show that, under clear sky conditions, louvers are the most efficient solution in improving daylight availability without reducing winter solar gains.
The research carried out by Labib [29] aims to improve daylighting in existing buildings by using Laser Cut Panels (LCP) in a side-lit classroom. A LCP is a thin transparent panel with vertical cuts, able to deflect sunrays with high incidence angles. Labib showed that vertical LCP configuration can increase illuminance across a room, since the DF would keep above 2% up to a distance of 4.6 m from the windows; furthermore, vertical LCPs can improve the illuminance uniformity ratio from U = 0.2 to U = 0.4 on average. Finally, LCPs make the room visually comfortable, and the Visual Comfort Probability (VCP) increases by 56% in summer.
Zomorodian and Tahsildoost [20] attempted a thermo-visual comfort dynamic analysis of both north- and south-oriented classrooms in Tehran (Iran) by applying some thermal and daylight metrics able to consider both temporal and spatial variations of comfort levels. Different glazing solutions, ranging from single clear to triple low-emissive panes, as well as different external shading devices such as an opaque fixed overhang of 0.6 m depth and a horizontal louver system, are modeled in a way similar to what is described in [51].
Based on their findings, the factors mostly influencing comfort conditions in a classroom are, in order: (i) WWR, (ii) SHGC of the glazing, (iii) shading devices, (iv) orientation and (v) the windows’ U-value. In particular, low U-values are favorably judged for high WWR configurations in order to reduce the outgoing heat flux, while overhangs and louvers are mainly seen as corrective systems to over-sized openings. This last aspect has been reported by Axarli and Meresi [43] as an outcome of a Post Occupancy Evaluation (POE) study of five schools located in three different towns of northern Greece. Indeed, by means of both objective and subjective observations, it emerged that in their actual configurations (i.e., no external shading devices in place but only internal curtains) the rooms are often sufficiently daylit but daylight is not evenly distributed. This led to the curtains being pulled down to avoid direct sunlight on desks or on the blackboard, thus requiring artificial lights to be turned on even on sunny days. The design of proper external shadings is thus required in such cases.
Finally, it is interesting to point out that Kim et al. [64] performed a daylight evaluation of educational premises located in high-rise housing complexes in a Korean city, according to three possible layouts for the classrooms. Based on questionnaires about students’ perception and satisfaction with daylight, and by studying—through SUNLIGHT software program—the shadows cast by the surrounding high-rise housing complexes, the authors concluded that the influence of the surrounding environment must be carefully considered when defining the classrooms’ layout and shape, in order to not severely penalize students’ visual comfort.

3.2. External Shading Devices

For classrooms oriented towards the equator, the use of overhangs is typical to reduce or completely block direct sunlight during the summer season: Krüger and Dorigo [57] made use of a procedure firstly defined by Olgyay for thermal comfort purposes (see Figure 9a) to design an external overhang for a typical double-sided corridor school type in Curitiba (Brazil).
The percentage of desks with adequate illuminance levels (ranging from 200 lx to 700 lx as prescribed by Brazilian regulations) during three different hours at winter and summer solstices is used as the indicator showing the overall daylighting performance of the classroom.
Simulations carried out using Radiance show how the use of external shading devices strongly improves daylight distribution within the classroom under clear sky conditions, while under an overcast sky some penalizations should be expected for mainly North–South orientations.
Wagdy and Fathy [55] developed an interesting shading solution for desert environments called ‘solar screen’ (see Figure 9b). This device is able to block direct sunlight while allowing the indirect light component to be diffused into the space thanks to multiple reflections from the external blades to the interior ceiling. The use of a parallel computing algorithm within the Grasshopper environment allowed the authors to run an extensive parametric analysis (1600 models are simulated) to find the most relevant factors influencing the daylighting performance. Louver numbers, screen depth ratio, screen tilt angle and WWR, as well as their interaction with the solar reflectance value of the screen materials, are thus investigated.
The best performing configurations, i.e., those able to guarantee both a sDA of 100% and an ASE of 0%, are found to strongly depend on the WWR: the higher this value (from 40% to 60%), the more important is the role played by the screen tilt angle (optimal inclinations range from 10° to 20° downwards). Higher blades reflectivity allows the same results to be achieved with lower proportions of glazed surfaces per wall area.
A multi-criteria evaluation including qualitative research in the form of field study questionnaires, and quantitative research making use of simulations run in Ecotect, has been carried out by Michael and Heracleous [38] for four secondary schools located in Cyprus. Four classrooms of a typical layout plan, facing the four main orientations, are selected for deep daylighting analysis. In particular, the integration of fixed louvers with an internal movable semi-transparent fabric is investigated to reduce glare issues without significantly affecting daylight quantity. The outcomes of this work suggest the use of vertical fixed louvers with width to free space ratio equal to one, and with a reflectance value of 0.5 for west and east orientations. However, they should be coupled with internal curtains having a solar reflectance of at least 0.3 for reducing glare occurrence.
South-facing classrooms, if well shaded by external overhangs, do not usually show so high brightness levels to represent potential glare issues. On the other hand, north-oriented classrooms are the best performing in terms of both quantity of light (mainly diffuse from the sky) and avoidance of glare, as light penetrates indirectly into the classroom. Nonetheless, it is worth noting that these classrooms do not have a significant potential for exploiting passive heating strategies during the winter season and—as a matter of fact—this orientation is not so common for classrooms. For buildings located in the southern hemisphere, the same considerations still hold but considering the north orientation in place of the south one because the north orientation faces the equator at these latitudes.

3.3. Re-Directing Systems

Often, side-lit classrooms require not only some shading of the windows to avoid excessive lighting levels but also a re-directing system able to evenly distribute the light flux within the room, especially when the room shapes diverge from a regular layout.
To this aim, various authors have extensively discussed the benefits and the limitations of light shelves as a suitable technology for south-oriented classrooms. Meresi [45] investigated the use of a light shelf combined with additional shading units in a typical Greek classroom with the aim of increasing light levels at the back of the room, improving daylight distribution, providing occupants with an operable shading device and thus avoiding the use of curtains.
Coherent with basic passive design principles, this shading device has been conceived as external to avoid summer overheating issues, movable to be triggered by the occupants when needed and semi-transparent to reduce glare risks without lowering daylight levels too much.
For each of the six light shelf types modeled in Ecotect, the best position was found to be at a height from the floor of 2 m and with an inclination of 10° from the horizontal. Moreover, a semi-specular light shelf with a reflectance of the specular component of 0.50 can increase daylight levels at the back of the room by about 7% under overcast sky conditions.
Under the action of direct sunlight, specular light shelves behave better than diffuse ones except for high solar altitudes, most likely because part of the sunlight is reflected outwards instead of towards the ceiling.
When coupling light shelves with an external semi-transparent blind system, the best geometric configuration is given by external blinds inclined at 45° from the horizontal: in this way, good daylight levels at the back of the room are achieved without compromising the view out as typically happens when curtains with the same visible transmittance value are used.
On the other hand, Ho et al. [27] analyzed 25 different geometrical configurations for light shelves, that may be categorized in: (i) single-shading (one external shelf), (ii) twin-shading (internal and external shelves), (iii) double-layered shading (as for the twin-shading scheme but with the addition of a lower external and mostly specular shelf) and (iv) double-layered shading with a single vertical element on the upper exterior shelf.
Under the sub-tropical climatic conditions of Taiwan, the last configuration, placed at a height from the floor level of 2.4 m, shows the best results in terms of illuminance uniformity. In fact, although the illuminance values are lower than in the other cases in proximity of the windows, the minimum illuminance provision of 500 lx dictated by the regulations is still met.
Similarly, Guan and Yan [50] made use of dynamic simulations in Daysim for assessing the performance of several light shelf configurations (see Figure 10) for a south-oriented classroom located in five Chinese cities representative of different lighting zones.
The authors remarkably summarized the outcomes of the hourly simulations by means of temporal maps showing, for each hour of the year, the room average value attained by a modified version of the useful UDI with lower and upper acceptability threshold values set at 450 lx and 2000 lx, respectively.
It emerges that for cities with high daylight availability such as Lhasa and Yinchuan, the combination of an overhang with a light shelf performs better than other strategies, whereas in cities such as Beijing, Shanghai and Chongqing with less daylight available throughout the year, inadequate indoor light levels are the main issue. In such cases, adding a window on the north-facing wall while maintaining both the overhang and a light shelf on the south wall would be the most effective daylighting strategy.
Ikuzwe and Sebitosi [25] tested a prototype of a passive zenithal light pipe in a classroom located in Stellenboch (South Africa) in order to help meet the average illuminance value of 350 lx prescribed by building regulations. Although this technological solution is mainly applicable to rooms located immediately under the roof, it can provide good daylight levels in deep or irregular room layouts. The light pipe under examination is made up of a plexiglas collecting dome of 250 mm diameter, a mirrored 400 mm tube of 0.90 solar reflectance and a polycarbonate collimator at the end (see Figure 11). The efficiency of each of these components has been evaluated as the ratio of the amount of light leaving a section to that entering the section, as recorded by illuminance meters. A horizontal work plane placed at 1.70 m below the collimator has been taken as a reference for students’ desks. The experimental campaign showed that the collimator is able to provide a more uniform illuminance distribution on the work plane on cloudy days rather than on sunny ones, ensuring the minimum daylight provision required by the local standards even in room points far away from the windows.

3.4. Control Systems

Various authors focused on the study of different lighting control systems with the aim of reducing the artificial lighting energy needs: Delvaye et al. [65] compared three different types of automatic daylight control systems in three classrooms of the same school building located in Haacht (Belgium). The systems are designed to maintain a mean illuminance value of 500 lx by continuously dimming the intensity of artificial lights according to daylight availability. The best performing system allowed energy savings up to 46% to be achieved compared to the base case, while the least performing logic showed energy savings of about 18%.
Similarly, Salata et al. [33] made use of the reliability theory in order to determine which solution maximizes the operation period of a control system; this would lead not only to operational energy savings but also to low maintenance costs. The study demonstrated that a pre-programmed control unit, based on the predictions of a dynamic lighting model calibrated with real physical properties of the room controlled, is able to overcome the performance of complex negative feedback systems.
Finally, some authors, such as Bernardo et al. [66] and Nicklas et al. [67], analyzed the impact of different Energy Conservation Measures (ECM) in schools to increase the Indoor Environmental Quality (IEQ) and provide some money savings due to reduced operational costs. However, daylighting strategies are marginally regarded, thus these works will not be discussed here.
All the previous approaches are summarized in Table 2, where additional references not discussed in the main text for the sake of brevity are listed and commented.

4. Conclusions

The present review paper has allowed light to be shed on several issues concerning daylight exploitation in educational premises, including recurrent problems, ways to measure daylight suitability for visual comfort and current trends in terms of technologies and design approaches.
The first outcome is that daylight optimization in classrooms is a very complex task, where several different—and somewhat contrasting—requisites must be met, such as sufficient and well distributed illuminance levels to accomplish the visual tasks, avoidance of glare occurrence due to direct sunlight, good spectral quality and—last but not least—possibility to integrate daylight with the contribution of dimmable and high-efficiency artificial lighting systems. Moreover, the compliance with all these requisites is complicated by the intrinsic dynamic and climate-related nature of daylight.
Hence, the evaluation of daylighting in a classroom should rest on the calculation of several climate-based metrics. The discussion proposed in Section 2 has shown that, up to a few years ago, the papers concerning daylighting in educational premises used to rely solely on the use of illuminance-based static metrics (such as the Daylight Factor), measured or calculated in few moments of the year, thus leading to partial or even misleading conclusions.
However, a good portion of the latest works has increasingly embraced climate-based metrics, and this has led to a more comprehensive vision of the complex phenomena related to visual comfort. Researchers are heartily recommended to follow this route, adding further contributions to a wide dissemination of climate-based metrics for daylight optimization in schools.
Moreover, the works reviewed in this paper, and discussed in Section 3, seem to converge towards the need to introduce suitable devices to shade direct sunlight and avoid glare issues, while also allowing good illuminance levels. In this sense, a good balance must be found, especially in side-lit classrooms, where the risk of insufficient daylight at the back of the room is high. The most common technology in this sense is by far represented by light shelves: indeed, they allow direct sunlight to be blocked while redistributing it by reflection towards the back of the room. Light shelves have proven to be particularly efficient in south-oriented side-lit classrooms; however, general design criteria are not possible, as their features (size, position, height, degree of reflectance) must be studied case by case as a function of the specific climatic conditions.
Researchers have also investigated innovative light distribution systems, such as light pipes, solar screens and laser cut panels. On the contrary, very few papers dealing with the use of advanced glazing in classrooms have been detected. In fact, “smart” dynamic glazing such as thermochromic and electrochromic glazing, can modulate the daylight admitted into the classrooms as a response to an appropriate input (respectively, temperature or voltage), thus dynamically responding to the needs of classrooms in terms of daylighting. These technologies are nowadays mature and already on the market; the literature is full of papers dealing with their use in office buildings, but only one paper has tried to explore their suitability in educational premises. Further contributions are welcome in this direction.
As concerns the integration of daylighting with artificial lighting, the review points out that current control logics for dimmable artificial lighting are usually too simplistic, and mainly aimed at energy savings, whereas all other issues related to visual comfort are usually neglected. Once again, this could be justified as a heritage of dated research trends, according to which lighting was just a matter of “quantity”, while “quality” and visual comfort as a complex issue were very often neglected.
Finally, few recent studies have tried to integrate thermal and visual comfort in the design of educational premises. This is actually a difficult task; suitable new comprehensive metrics may be needed in this direction, in order to help researchers to identify the best compromise between the two. The authors’ feeling is that research in this field is the true challenge for a high-quality design of efficient, sustainable and comfortable schools of the future.

Acknowledgments

No specific funding has been granted for conducting this research. The authors would like to thank the reviewers for their valuable comments.

Author Contributions

The work presented in this article is a collaborative development by all of the authors.

Conflicts of Interest

The authors declare no conflict of interest.

References

  1. Reinhart, C. Daylight with sun-Fundamentals-Design with Sun; Muscle Nerve: New York, NY, USA, 2014. [Google Scholar]
  2. Ander, G.D. Daylighting Performance and Design; Van Nostrand Reinhold: New York, NY, USA, 1995. [Google Scholar]
  3. Baker, N.; Steemers, K. Daylight Design of Buildings; James and James Ltd.: London, UK, 2002. [Google Scholar]
  4. Phillips, D. Lighting Modern Buildings; Architectural Press: Oxford, UK, 2000. [Google Scholar]
  5. Baker, N.; Fanchiotti, A.; Steemers, K. Daylighting in Architecture: A European Reference Book; James and James Ltd.: London, UK, 1993. [Google Scholar]
  6. Wu, W.; Ng, E. A review of the development of daylighting in schools. Light. Res. Technol. 2003, 35, 111–125. [Google Scholar] [CrossRef]
  7. Fontoynont, M. Daylight Performance of Buildings; James and James Ltd.: London, UK, 1999. [Google Scholar]
  8. Heschong, L.; Wright, R.L.; Okura, S. Daylighting Impacts on Human Performance in School. J. Illum. Eng. Soc. 2002, 31, 101–114. [Google Scholar] [CrossRef]
  9. Group, H.M. Windows and Classrooms: A Study of Student Performance and the Indoor Environment. Calif. Energy Commision 2003, 37, 414–435. [Google Scholar]
  10. CIBSE. Lighting Guide 5: Lighting for Education; The Chartered Institution of Building Services Engineer: London, UK, 2011. [Google Scholar]
  11. Carlucci, S.; Causone, F.; de Rosa, F.; Pagliano, L. A review of indices for assessing visual comfort with a view to their use in optimization processes to support building integrated design. Renew. Sustain. Energy Rev. 2015, 47, 1016–1033. [Google Scholar] [CrossRef]
  12. Nabil, A.; Mardaljevic, J. Useful daylight illuminances: A replacement for daylight factors. Energy Build. 2006, 38, 905–913. [Google Scholar] [CrossRef]
  13. Mardaljevic, J.; Heschong, L.; Lee, E. Daylight metrics and energy savings. Light. Res. Technol. 2009, 41, 261–283. [Google Scholar] [CrossRef]
  14. Costanzo, V.; Evola, G.; Marletta, L.; Panarelli, D. Static and dynamic strategies for improving daylight use in side-lit classrooms: A case study. In Proceedings of the BSA 2017—3rd IBPSA Italy Conference, Bozen, Italy, 8–10 February 2017. [Google Scholar]
  15. Reinhart, C.F.; Walkenhorst, O. RADIANCE-based daylight simulations for a full-scale test office with outer venetian blinds. Energy Build. 2001, 33, 683–697. [Google Scholar] [CrossRef]
  16. Standard IES LM-83–1. Approved Method: IES Spatial Daylight Autonomy (sDA) and Annual Sunlight Exposure (ASE); Illuminating Engeneering Society: New York, NY, USA, 2012. [Google Scholar]
  17. Wienold, J.; Christoffersen, J. Evaluation methods and development of a new glare prediction model for daylight environments with the use of CCD cameras. Energy Build. 2006, 38, 743–757. [Google Scholar] [CrossRef]
  18. Wienold, J. Dynamic daylight glare evaluation. In Proceedings of the Building Simulation 2009—11th International IBPSA Conference, Glasgow, Scotland, 27–30 July 2009. [Google Scholar]
  19. Wienold, J. Dynamic simulation of blind control strategies for visual comfort and energy balance analysis. In Proceedings of the Building Simulation 2007—10th International IBPSA Conference, Beijing, China, 3–6 September 2007. [Google Scholar]
  20. Zomorodian, Z.S.; Tahsildoost, M. Assessment of window performance in classrooms by long term spatial comfort metrics. Energy Build. 2017, 134, 80–93. [Google Scholar] [CrossRef]
  21. Rockcastle, S.; Andersen, M. Annual Dynamics of Daylight Variability and Contrast. A Simulation-Based Approach to Quantifying Visual Effects in Architecture; Springer: London, UK, 2013. [Google Scholar]
  22. Al-Sallal, K.A.; Abu-Obeid, N. Effects of Shade Trees on Illuminance in Classrooms in the United Arab Emirates. Archit. Sci. Rev. 2009, 52, 295–311. [Google Scholar] [CrossRef]
  23. Bellia, L.; Pedace, A.; Barbato, G. Lighting in educational environments: An example of a complete analysis of the effects of daylight and electric light on occupants. Build. Environ. 2013, 68, 50–65. [Google Scholar] [CrossRef]
  24. Boutet, M.L.; Hernández, A.L.; Jacobo, G.J. Thermo-lighting optimization proposal for school buildings in subtropical hot–humid climates: Monitoring and computer simulation on autumn period. Energy Build. 2016, 128, 785–797. [Google Scholar] [CrossRef]
  25. Ikuzwe, A.; Sebitosi, A.B. A novel design of a daylighting system for a classroom in rural South Africa. Sol. Energy 2015, 114, 349–355. [Google Scholar] [CrossRef]
  26. Inan, T. An investigation on daylighting performance in educational institutions. Struct. Surv. 2013, 31, 121–138. [Google Scholar] [CrossRef]
  27. Ho, M.-C.; Chiang, C.-M.; Chou, P.-C.; Chang, K.-F.; Lee, C.-Y. Optimal sun-shading design for enhanced daylight illumination of subtropical classrooms. Energy Build. 2008, 40, 1844–1855. [Google Scholar] [CrossRef]
  28. Krüger, E.L.; Zannin, P.H.T. Acoustic, thermal and luminous comfort in classrooms. Build. Environ. 2004, 39, 1055–1063. [Google Scholar] [CrossRef]
  29. Labib, R. Improving daylighting in existing classrooms using laser cut panels. Light. Res. Technol. 2013, 45, 585–598. [Google Scholar] [CrossRef]
  30. Leslie, R.P.; Radetsky, L.C.; Smith, A.M. Conceptual design metrics for daylighting. Light. Res. Technol. 2012, 44, 277–290. [Google Scholar] [CrossRef]
  31. Piderit, M.B.; Labarca, C.Y. Methodology for assessing daylighting design strategies in classroom with a climate-based method. Sustainability 2015, 7, 880–897. [Google Scholar] [CrossRef]
  32. Reinhart, C.F.; Weissman, D.A. The daylit area—Correlating architectural student assessments with current and emerging daylight availability metrics. Build. Environ. 2012, 50, 155–164. [Google Scholar] [CrossRef]
  33. Salata, F.; Golasi, I.; di Salvatore, M.; de Lieto Vollaro, A. Energy and reliability optimization of a system that combines daylighting and artificial sources. A case study carried out in academic buildings. Appl. Energy 2016, 169, 250–266. [Google Scholar] [CrossRef]
  34. Samaan, M.M.; Farag, O.; Khalil, M. Using simulation tools for optimizing cooling loads and daylighting levels in Egyptian campus buildings. HBRC J. 2016. [Google Scholar] [CrossRef]
  35. Trombetta Zannin, P.H.; Krüger, E.L.; Dorigo, A.L. Acoustic and luminous performance evaluations in classrooms in Curitiba, Brazil. Indoor Built Environ. 2008, 17, 203–212. [Google Scholar] [CrossRef]
  36. Winterbottom, M.; Wilkins, A. Lighting and discomfort in the classroom. J. Environ. Psychol. 2009, 29, 63–75. [Google Scholar] [CrossRef]
  37. Zomorodian, Z.S.; Korsavi, S.S.; Tahsildoost, M. The effect of window configuration on daylight performance in classrooms: A field and simulation study. Int. J. Archit. Eng. Urban Plan. 2016, 26, 15–24. [Google Scholar]
  38. Michael, A.; Heracleous, C. Assessment of natural lighting performance and visual comfort of educational architecture in Southern Europe: The case of typical educational school premises in Cyprus. Energy Build. 2017, 140, 443–457. [Google Scholar] [CrossRef]
  39. Secchi, S.; Sciurpi, F.; Pierangioli, L.; Randazzo, M. Retrofit strategies for the improvement of visual comfort and energy performance of classrooms with large windows exposed to East. Energy Procedia 2015, 78, 3144–3149. [Google Scholar] [CrossRef]
  40. Abdelatia, B.; Marenne, C.; Semidor, C. Daylighting Strategy for Sustainable Schools: Case Study of Prototype Classrooms in Libya. J. Sustain. Dev. 2010, 3, 60–67. [Google Scholar] [CrossRef]
  41. Acosta, I.; Munoz, C.; Campano, M.A.; Navarro, J. Analysis of daylight factors and energy saving allowed by windows under overcast sky conditions. Renew. Energy 2015, 77, 194–207. [Google Scholar] [CrossRef]
  42. Antoniou, K.; Meresi, A. The use of the artificial sky as a means for studying the daylight performance of classrooms. In Proceedings of the PLEA 2006—23rd International Conference on Passive and Low Energy Architecture, Geneva, Switzerland, 6–8 September 2006. [Google Scholar]
  43. Axarli, K.; Meresi, A. Objective and subjective criteria regarding the effect of sunlight and daylight in classrooms. In Proceedings of the PLEA 2008—Towards Zero Energy Building: 25th PLEA International Conference on Passive and Low Energy Architecture, Dublin, Ireland, 22–24 October 2008. [Google Scholar]
  44. Bezjak, B.; Černe, B.; Kalčič, I.; Medved, S. Optimizing the Form of School Buildings by Using the Requirements for Daylight Illumination. Archit. Sci. Rev. 2003, 46, 305–311. [Google Scholar] [CrossRef]
  45. Meresi, A. Evaluating daylight performance of light shelves combined with external blinds in south-facing classrooms in Athens, Greece. Energy Build. 2016, 116, 190–205. [Google Scholar] [CrossRef]
  46. Pellegrino, A.; Cammarano, S.; Savio, V. Daylighting for Green schools: A resource for indoor quality and energy efficiency in educational environments. Energy Procedia 2015, 78, 3162–3167. [Google Scholar] [CrossRef]
  47. Perez, Y.V.; Capeluto, I.G. Climatic considerations in school building design in the hot–humid climate for reducing energy consumption. Appl. Energy 2009, 86, 340–348. [Google Scholar] [CrossRef]
  48. Yu, X.; Su, Y.; Chen, X. Application of RELUX simulation to investigate energy saving potential from daylighting in a new educational building in UK. Energy Build. 2014, 74, 191–202. [Google Scholar] [CrossRef]
  49. Futrell, B.J.; Ozelkan, E.C.; Brentrup, D. Optimizing complex building design for annual daylighting performance and evaluation of optimization algorithm. Energy Build. 2015, 92, 234–245. [Google Scholar] [CrossRef]
  50. Guan, Y.; Yan, Y. Daylighting Design in classroom based on yearly-graphic analysis. Sustainability 2016, 8, 1–17. [Google Scholar] [CrossRef]
  51. Zhang, A.; Bokel, R.; van den Dobbelsteen, A.; Sun, Y.; Huang, Q.; Zhang, Q. Optimization of thermal and daylight performance of school buildings based on a multi-objective genetic algorithm in the cold climate of China. Energy Build. 2017, 139, 371–384. [Google Scholar] [CrossRef]
  52. Montenegro, E.; Potvin, A.; Demers, C. Impact of school building typologies on visual, thermal and energy performances. In Proceedings of the PLEA 2012—Opportunities, Limits & Needs Towards an Environmentally Responsible Architecture: 28th PLEA International Conference on Passive and Low Energy Architecture, Lima, Perù, 7–9 November 2012. [Google Scholar]
  53. Reinhart, C.; Rakha, T.; Weissman, D. Predicting the daylit area—A comparison of students assessments and simulations at eleven schools of architecture. Leukos 2014, 10, 193–206. [Google Scholar] [CrossRef]
  54. Korsavi, S.S.; Zomorodian, Z.S.; Tahsildoost, M. Visual comfort assessment of daylit and sunlit areas: A longitudinal field survey in classrooms in Kashan, Iran. Energy Build. 2016, 128, 305–318. [Google Scholar] [CrossRef]
  55. Wagdy, A.; Fathy, F. A parametric approach for achieving optimum daylighting performance through solar screens in desert climates. J. Build. Eng. 2015, 3, 155–170. [Google Scholar] [CrossRef]
  56. Mahić, A.; Galicinao, K.; van den Wymelenberg, K. A pilot daylighting field study: Testing the usefulness of laboratory-derived luminance-based metrics for building design and control. Build. Environ. 2017, 113, 78–91. [Google Scholar] [CrossRef]
  57. Krüger, E.L.; Dorigo, A.L. Daylighting analysis in a public school in Curitiba, Brazil. Renew. Energy 2008, 33, 1695–1702. [Google Scholar] [CrossRef]
  58. Al-Sallal, K.A. Daylighting and visual performance: Evaluation of classroom design issues in the UAE. Int. J. Low-Carbon Technol. 2010, 5, 201–209. [Google Scholar] [CrossRef]
  59. Konis, K. A novel circadian daylight metric for building design and evaluation. Build. Environ. 2017, 113, 22–38. [Google Scholar] [CrossRef]
  60. UNI EN 10840. Luce e Illuminazione—Locali Scolastici—Criteri Generali per l'illuminazione Artificiale e Naturale; Ente Italiano di Normazione: Milan, Italy, 2011. (In Italian) [Google Scholar]
  61. EN 12464–1. Light and Lighting. Lighting of Work Places. Indoor Work Places; European Cimmitee for Standardization: Brussels, Belgium, 2011. [Google Scholar]
  62. BRE Global Ltd. BREEAM UK—New Construction, Non-Domestic Buildings, Technical Manual; BRE Global Ltd.: Watford, UK, 2014. [Google Scholar]
  63. U.S. Green Building Council. LEED v4 for Building Design and Construction; U.S. Green Building Council: Washington, DC, USA, 2017. [Google Scholar]
  64. Kim, T.-W.; Hong, W.-H.; Kim, H.-T. Daylight evaluation for educational facilities established in high-rise housing complexes in Daegu, South Korea. Build. Environ. 2014, 78, 137–144. [Google Scholar] [CrossRef]
  65. Delvaeye, R.; Ryckaert, W.; Stroobant, L.; Hanselaer, P.; Klein, R.; Breesch, H. Analysis of energy savings of three daylight control systems in a school building by means of monitoring. Energy Build. 2016, 127, 969–979. [Google Scholar] [CrossRef]
  66. Bernardo, H.; Antunes, C.H.; Gaspar, A.; Dias Pereira, L.; Gameiro da Silva, M.C. An approach for energy performance and indoor climate assessment in a Portuguese school building. Sustain. Cities Soc. 2017, 30, 184–194. [Google Scholar] [CrossRef]
  67. Nicklas, M.H.; Bailey, G.B. Daylighting in schools: Energy costs reduced … student performance improved. Strateg. Plan. Energy Environ. 1997, 17, 41–61. [Google Scholar] [CrossRef]
  68. Dubois, M.-C.; Gentile, N.; Amorim, C.N.D.; Osterhaus, W.; Stoffer, S.; Jakobiak, R.; Geisler-Moroder, D.; Matusiak, B.; Onarheim, F.M.; Tetri, E. Performance evaluation of lighting and daylighting retrofits: Results from IEA SHC task 50. Energy Procedia 2016, 91, 926–937. [Google Scholar] [CrossRef]
  69. Becker, R.; Goldberger, I.; Paciuk, M. Improving energy performance of school buildings while ensuring indoor air quality ventilation. Build. Environ. 2007, 42, 3261–3276. [Google Scholar] [CrossRef]
Figure 1. Example of a Roman courtyard house [4].
Figure 1. Example of a Roman courtyard house [4].
Buildings 07 00041 g001
Figure 2. A typical layout plan of a Victorian school (a) and an image of a window with multiple glass panes for natural ventilation purposes (b) [5].
Figure 2. A typical layout plan of a Victorian school (a) and an image of a window with multiple glass panes for natural ventilation purposes (b) [5].
Buildings 07 00041 g002
Figure 3. Room size with reference to the room depth criterion presented in Equation (1) [10].
Figure 3. Room size with reference to the room depth criterion presented in Equation (1) [10].
Buildings 07 00041 g003
Figure 4. Main results presented in [14]. (a) Uniformity ratio; (b) sDA; (c) UDI. (B = base case; BL = base case with light shelves; BLB = base case with light shelves and blinds; EC = electrochromic glazing; EC = electrochromic glazing plus light shelves; R = reflective glazing).
Figure 4. Main results presented in [14]. (a) Uniformity ratio; (b) sDA; (c) UDI. (B = base case; BL = base case with light shelves; BLB = base case with light shelves and blinds; EC = electrochromic glazing; EC = electrochromic glazing plus light shelves; R = reflective glazing).
Buildings 07 00041 g004
Figure 5. Main results presented in [46]. (a) Daylight Factor; (b) sDA; (c) UDI achieved (100–2000 lux). (P1 = first floor; P2 = second floor; W = West-facing window; E = East-facing window).
Figure 5. Main results presented in [46]. (a) Daylight Factor; (b) sDA; (c) UDI achieved (100–2000 lux). (P1 = first floor; P2 = second floor; W = West-facing window; E = East-facing window).
Buildings 07 00041 g005
Figure 6. Example of HDR images and DGP values [38]. The analysis refers to an east-oriented classroom on 21 December ((a): 08:00 a.m.; (b): 10:00 a.m.; (c): 12:00 a.m.)
Figure 6. Example of HDR images and DGP values [38]. The analysis refers to an east-oriented classroom on 21 December ((a): 08:00 a.m.; (b): 10:00 a.m.; (c): 12:00 a.m.)
Buildings 07 00041 g006
Figure 7. sDA and SVD values for a classroom in Iran, as a function of Window to Wall Ratio (WWR) and Light-to-Solar-Gain Ratio (LSG) [20]. (a) North-facing windows; (b) South-facing windows.
Figure 7. sDA and SVD values for a classroom in Iran, as a function of Window to Wall Ratio (WWR) and Light-to-Solar-Gain Ratio (LSG) [20]. (a) North-facing windows; (b) South-facing windows.
Buildings 07 00041 g007
Figure 8. Geometrical configurations and orientations analyzed for maximizing the useful UDI [51].
Figure 8. Geometrical configurations and orientations analyzed for maximizing the useful UDI [51].
Buildings 07 00041 g008
Figure 9. (a) Design of an external overhang by means of shading angles [57]; (b) geometrical parameters parametrically varied for the design of a solar screen device [55].
Figure 9. (a) Design of an external overhang by means of shading angles [57]; (b) geometrical parameters parametrically varied for the design of a solar screen device [55].
Buildings 07 00041 g009
Figure 10. Daylighting strategies for regions with (a) abundant daylight availability; (b) scarce daylight availability in China [50].
Figure 10. Daylighting strategies for regions with (a) abundant daylight availability; (b) scarce daylight availability in China [50].
Buildings 07 00041 g010
Figure 11. Specular reflections within a passive zenithal light pipe [25].
Figure 11. Specular reflections within a passive zenithal light pipe [25].
Buildings 07 00041 g011
Table 1. Metrics used in the literature to assess daylight performance in classrooms.
Table 1. Metrics used in the literature to assess daylight performance in classrooms.
MetricsSymbolReferencesRecommendations (Classrooms)
Illuminance based
IlluminanceE[14,22,23,24,25,26,27,28,29,30,31,32,33,34,35,36,37]Em > 300 lux [10,60,61]
Em > 300 lux for at least 2000 h [62]
300 < Em < 3000 on at least 90% of the floor area [63] *
Uniformity RatioU[14,24,27,29,37,38,39]U > 0.6 on the task area [10,61] **
U > 0.4 in the surroundings [10,61]
U > 0.3 (U > 0.7 with glazed roofs) [62]
Daylight FactorDF[26,29,32,34,37,38,40,41,42,43,44,45,46,47,48]DFavg > 3% ∩ DFmin/DFmax > 0.16 [60]
DFavg > 5% ∩ DFmin > 2% [10] ***
DF > 2% on at least 80% of the room [62]
Useful Daylight IlluminanceUDI[14,31,32,38,46,49,50,51]---
Daylight AutonomyDA[30,31,32,38,51,52,53]---
Spatial Daylight AutonomysDA[14,46,51,54,55,56]Preferred: sDA300/50% > 75% on occupied area [63,16]
Acceptable: sDA300/50% > 55% on occupied area [63,16]
Annual Sunlight ExposureASE[54,55]Preferred: ASE1000/250h < 3% on occupied area [16]
Acceptable: ASE1000/250h < 7% on occupied area [16]
Sufficient: ASE1000/250h < 10% on occupied area [63,16]
% adequate workplace---[35,57]---
Luminance based
LuminanceL[36,56,58]Acceptable glare: L < 2000 cd/m2 [17]
Intolerable glare: L > 6000 cd/m2 [17]
Discomfort Glare ProbabilityDGP[29,38,55,56]Imperceptible glare: DGP ≤ 0.35 for 95% of time [19]
Perceptible glare: DGP ≤ 0.40 for 95% of time [19]
Disturbing glare: DGP ≤ 0.45 for 95% of time [19]
Spatial Visual DiscomfortSVD[20]SVD0.45–20% < 10% [20]
Spatial Contrast, Annual Spatial Contrast, Annual Luminance Variability---[21]---
Other metrics
Circadian metrics---[23,30,59]---
* The values have to be met both for 09:00 a.m. and 03:00 p.m., on a clear-sky day at the equinox. The condition can be verified either through simulations or measurements; however, in the second case, a highest score is attributed; ** This condition is strictly relevant for artificial lighting. In case of daylighting, lower values can be accepted; *** In the calculation, it is recommended to leave a 0.5 m zone around the classroom perimeter.
Table 2. Typical design approaches to improve the daylight quality of classrooms.
Table 2. Typical design approaches to improve the daylight quality of classrooms.
Design SolutionReferencesRemarks
Classroom layout and window’s properties
Room orientation and layout; Inner surfaces reflectance; Windows geometry and size; Glazing optical properties[20,24,26,31,37,39,41,44,47,49,51,52,64]Several combinations are analysed in order to maximize daylight harvesting and distribution in the rooms. Sometimes, the daylighting analysis is coupled with a thermal analysis assessing overheating risks and/or the energy demand for space heating and cooling, as well as the artificial lighting system energy demand. Need to carefully consider the influence of the surrounding environment.
Laser cut panels[29]Ability to deflect upwards most of the sunlight while transmitting the diffuse component
Internal blinds[36,38,46,51]Movable semi-transparent fabric panels or rolls reduce glare issues if coupled with external shading devices designed according to the room’s orientation
External shading devices
Overhangs[34,47,49,50,57] Well suited for south-oriented rooms, often necessary to avoid overheating in the summer at low latitude climates
Louvers[20,31,34,38,39,46,51] Well suited for east and west orientations, fixed devices often require additional internal blinds and work better under clear sky conditions
Solar screens[55]Downward tilt angles and 1:1 louvers depth ratio are optimal solutions for achieving good spatial daylight availability without the risk of glare
Movable blinds[42]External semi-transparent blinds, together with light shelves, improve illuminance uniformity
Re-directing systems
Light shelves[27,28,31,37,42,45,47,50]If coupled with clerestory windows, they are expected to increase the DF in the room as well as its uniformity under sunny sky conditions. Under different operational conditions, poor performance is usually achieved
Light pipes[25]A light reflector in the collecting dome can increase illuminance on cloudy days up to 30%
Control systems
Artificial lighting dimming controls[33,65,66,67,68,69]Control logics are usually too simplistic to guarantee both visual comfort conditions and energy savings due to reduced artificial lights use

Share and Cite

MDPI and ACS Style

Costanzo, V.; Evola, G.; Marletta, L. A Review of Daylighting Strategies in Schools: State of the Art and Expected Future Trends. Buildings 2017, 7, 41. https://doi.org/10.3390/buildings7020041

AMA Style

Costanzo V, Evola G, Marletta L. A Review of Daylighting Strategies in Schools: State of the Art and Expected Future Trends. Buildings. 2017; 7(2):41. https://doi.org/10.3390/buildings7020041

Chicago/Turabian Style

Costanzo, Vincenzo, Gianpiero Evola, and Luigi Marletta. 2017. "A Review of Daylighting Strategies in Schools: State of the Art and Expected Future Trends" Buildings 7, no. 2: 41. https://doi.org/10.3390/buildings7020041

APA Style

Costanzo, V., Evola, G., & Marletta, L. (2017). A Review of Daylighting Strategies in Schools: State of the Art and Expected Future Trends. Buildings, 7(2), 41. https://doi.org/10.3390/buildings7020041

Note that from the first issue of 2016, this journal uses article numbers instead of page numbers. See further details here.

Article Metrics

Back to TopTop