Abstract
In this study, the difference between the displacements of structures (relative displacement) is selected as the control parameter in pounding problems. During an earthquake, an increase in the amplitude of relative displacement between adjacent structures indicates a potential pounding condition. Within the scope of this study, the optimal distribution of linear viscous dampers between adjacent structures and the effect of soil on this distribution are investigated. The structure is intended to be modeled in two different ways through rigid and three sandy soil models (loose, medium-dense, and dense) at the foundation level. Different analyses are performed by changing the total damping coefficient considering the 1st and 2nd modes of the coupled models of adjacent structures. The study presents important findings on how to design dampers to prevent pounding problems in adjacent buildings, especially in seismically hazardous regions. Within this study, an adjacent building model 5-5 story is examined. The optimum damping coefficients are compared, and their effectiveness is demonstrated using the first periods of both adjacent building models. The proposed method in the study shows that it is possible to minimize the collisions of adjacent structures with the optimum placement of viscous dampers. The method shown is quite effective for the design of dampers that will be added to the structures later or at the initial stage.
1. Introduction
Humankind has come to better understand the effects of earthquakes through experience. Pounding of adjacent buildings during earthquakes is a common occurrence due to their different dynamic characteristics. The soil effect influencing the pounding of adjacent buildings, especially those constructed on soft soil layers, is very important. While the soil affects the structure, the structure also influences the soil, both kinematically and dynamically. Buildings constructed adjacent to each other without sufficient gaps can cause severe damage by colliding during earthquake vibrations. Particularly, when neighboring buildings with different vibration characteristics approach each other during an earthquake, the risk of pounding will emerge. The most practical way to prevent two buildings from colliding is to ensure that the gap between them is larger than the sum of the absolute values of the maximum horizontal displacements of the buildings. Different floor elevation levels in adjacent buildings can also cause severe damage due to the hammering effect. Scientists are researching different solutions to reduce the impact of pounding during earthquakes in existing adjacent buildings. Dampers are most often used for this purpose. Dampers allow the building to move elastically while dissipating earthquake energy. There are many different types of dampers that can be used in structures, and one of them is the viscous damper.
In this study, the relative displacement spectra are leveraged through a relationship between the relative displacement and the relative period of the adjacent buildings in a new way, and are based on the properties of the adjacent buildings during the seismic analysis. The critical period ratios produced and used in this study express the resonance situation that shows the collision risk of adjacent structures, which corresponds to the worst case in terms of collision. Viscous dampers are used in connecting the adjacent buildings, and the damper connection is taken into consideration along with the effect of soil on the adjacent buildings. The properties of three types of sandy soil are examined in this study. The seismic analysis of the adjacent buildings is performed by changing the properties of the adjacent buildings and the properties of the viscous dampers, taking into consideration the effect of soil–structure interaction. Through this method, results are obtained that prove the effectiveness of viscous dampers in preventing collisions between buildings, supported by their use in the seismic analysis of adjacent buildings. The optimal damper problem used in previous studies is adapted to a new problem by placing adjacent structures with different dynamic characteristics and defining the riskiest situation within the spectrum mentioned above.
Accounting for soil–structure interaction (SSI) in seismic design is essential to ensure structural safety and performance, particularly in regions with varying soil types. Soil–structure interaction influences ground motion characteristics, modifies structural responses, and is critical for large or heavy structures. It accounts for the variability of soil conditions, including amplification effects, frequency shifts, and potential soil failures like liquefaction. Proper consideration of soil–structure interaction aligns with modern design codes, optimizes safety and cost, and enhances resilience for critical infrastructure. Advances in computational tools now allow more accurate soil–structure interaction modeling, making it a vital aspect of seismic design. In this study, it is shown that in any selected sandy soil case, increasing relative displacements can be brought to the rigid case level by using dampers. With the method proposed here, not only are collisions prevented, but horizontal displacements and rotations of adjacent structures, especially in sandy soils, are also minimized.
Post-earthquake observations have shown that many structures have been damaged and many people have lost their lives due to the pounding of adjacent buildings. It has been noted that much damage was observed due to the collision of adjacent or neighboring buildings during earthquakes, and subsequently, a requirement for leaving sufficient gaps between neighboring buildings was introduced to prevent pounding. Errors and damages in expansion joints were observed [1]. In one study, post-earthquake observations showed that 40% of damaged buildings and 15% of collapsed buildings were subjected to pounding effects. Records indicated that this particular earthquake had the most widespread building damage due to pounding [2]. Pounding damage during earthquakes was observed in several forms: collision damage between the floor-column of buildings with different story heights, collision damage due to the construction of identical buildings without gaps, and collision damage in the outermost buildings in the same row. Numerous reports have been published about structural deformations caused by pounding effects [3]. In another study, after the relevant earthquake, local damage was observed due to the collision of roof parapets of a school building separated by joints [4]. It was determined that pounding was the major factor in the failure of some building and bridge joints during another earthquake [5]. During another studied earthquake, it was found that the third floor of a five-story hotel collapsed due to collision with two-story neighboring buildings on both sides. Pounding damage was detected in the edge buildings located at the ends of buildings constructed in the same row [6]. The size of joint gaps required between buildings in earthquake zones was specified in [7]. A report was prepared to identify the damage that occurred during a particular earthquake, and damage was documented in the report in [8]. Mandatory articles regarding the amount of gap required between neighboring buildings were added to the regulations through [9]. During the 2023 Kahramanmaraş earthquake sequences, a comprehensive seismic evaluation of bridge expansion joint failure mechanisms without viscous dampers was conducted, and an in-depth investigation of the seismic performance of bridge expansion joints equipped with viscous dampers and shock transmission units was presented using strong ground motion data collected during the earthquake sequences [10].
Experimental studies on building pounding during earthquakes and the use of dampers for protection against this pounding were also examined. Two-story building frames were designed and tested to study the pounding of adjacent buildings under earthquake effects [11]. Pounding tests were conducted on a shake table for two adjacent single-bay buildings of three and eight stories. The pounding condition was examined for different earthquakes and gap conditions between structures [12]. The dynamic behavior was investigated by placing viscous fluid dampers between two adjacent buildings [13]. Shake table experiments were conducted for different seismic effects and distances to investigate the pounding of two steel structures with similar heights but different natural frequencies and damping ratios [14]. An experimental study demonstrating the dynamic behavior of adjacent buildings with viscous fluid dampers was conducted [15]. An experimental investigation for an effective method to reduce severe structural damage due to pounding in expansion joints between adjacent buildings was presented [16]. Experimental pounding of reinforced concrete slabs and the results obtained from this pounding were presented [17]. TLDs and TLCDs in an undamped shear frame were compared according to their resting liquid heights. Peak acceleration and displacement values at each floor were analyzed. Under equivalent conditions, it was emphasized which system was more effective, according to damping ratio, acceleration, and displacement values [18].
Pounding between adjacent buildings is a complex situation that complicates problem analysis. Different analytical models related to pounding have been developed to describe structural reactions in adjacent buildings during earthquakes [19]. In another study, optimality conditions that minimize the potential energy of structures were derived to find the gap between adjacent buildings under equivalent static horizontal forces [20]. Adjacent buildings problems have been examined as single degree of freedom systems. It was revealed that the behavior of adjacent buildings during and after collision varies depending on the buildings’ masses, periods, and story heights [21]. A method called random vibration theory, based on the spectral difference method and double difference combination method, was proposed to determine the necessary distance between structures and prevent pounding [22]. The case of floor-level pounding of adjacent buildings with the same number of stories and story heights was examined in [23]. In another study, the dynamic behaviors of active and semi-active damping elements to be placed between adjacent structures were studied. It was shown that if passive, active, or semi-active elements to be placed between adjacent buildings are properly designed and adjusted, they would be quite beneficial in dynamic behavior and preventing building pounding [24,25,26]. The authors of [27] proposed a statistical method based on random vibration theory to prevent pounding of adjacent structures. A spectral difference method based on the spectrum approach was proposed in [28]. In [29], it was shown that seismic pounding between adjacent buildings causes greater shear force and acceleration response demands at different floor levels for high-rise buildings, while in short buildings, pounding can be reduced compared to the non-impacting case. The minimum gap between structures was calculated by taking different measures to prevent pounding in [30]. It was shown that pounding occurs at the top level in low-rise buildings, and the minimum gap value for regulations was investigated to avoid pounding in [31]. An active control algorithm controlling two structures separately was proposed to prevent pounding of two adjacent structures vibrating in different phases in [32].
The impact of changing collision points in adjacent buildings on structural behavior was investigated in [33]. The collision scenario during an earthquake between two buildings of different heights, one flexible and one rigid, was analyzed in [34]. The collision of two neighboring buildings with different stiffnesses was analyzed for four different spring models in [35]. E-Tabs nonlinear software was used for the simulation of adjacent multi-story reinforced concrete structures in [36]. The pounding condition between two adjacent buildings was examined through the implementation of single-degree-of-freedom structural models in [37]. The seismic behavior of adjacent reinforced concrete buildings with vertical irregularity and insufficient gaps was studied in [38]. The effects of collision between buildings with B3 irregularity (Vertical Element Irregularity of the Structural System) as specified in Turkish Building Earthquake Regulations 2007 were examined in [39]. The pounding behavior of buildings and the variation in required gap distances according to earthquake zones were studied considering near-fault and far-fault ground motions in [40]. The impact of collision on different floor levels of adjacent buildings was investigated in [41], and it was observed that insufficient joint distances between adjacent buildings caused very large collision forces during earthquakes. The effect of floor masses on collision forces was examined by analyzing the seismic pounding of adjacent buildings with different floor levels. Collision forces at floors were graphed and analyzed [42].
Optimal parameters for passive, active, and semi-active states of control elements placed between adjacent structures to prevent pounding were examined in [43]. The effects of adding passive dampers between adjacent structures on dynamic behaviors were studied in [44,45]. The effect of ground motion on control performance and the locations and numbers of dampers were investigated in [46]. Optimal dampers that would minimize the transfer function amplitude of tall buildings were researched in [47]. A systematic procedure was proposed to find optimal damper positioning to minimize the dynamic compliance of a planar building frame in [48]. A common tuned mass damper added to both adjacent structures was examined under earthquake effects to prevent collision possibilities and reduce structural vibration in [49]. Analytical formulas were derived for calculating optimal parameters for fluid dampers placed between two adjacent structures in [50]. The effects of optimal passive dampers placed between adjacent structures to prevent pounding were shown on relative displacement spectra in [51].
Relative displacement behavior spectra were shown to prevent the pounding of adjacent structures in [52]. The seismic energy dissipation capacity of a hybrid passive damper consisting of a friction and a hysteretic slit damper was investigated in [53]. The comparative performance of three proposed schemes for connected building control involving a semi-active magnetorheological (MR) damper and hybrid elastomeric base isolation was investigated in [54]. The seismic pounding response of adjacent multi-degree-of-freedom buildings with two linear inter-story resistance properties was examined through dimensional analysis in [55]. Nonlinear time-history analyses were performed for structures of different heights in both separate and adjacent configurations under the same earthquake forces, and the changes in structural performance in case of pounding were discussed in [56]. Structure classes were modeled as single-degree systems with rigid links between them in [57]. The effect of base isolator parameter variations on collisions during earthquakes in adjacent buildings was examined, and lumped mass models of adjacent buildings with different numbers of stories were studied in [58]. It was shown that pounding between adjacent buildings would reduce the range of optimal parameters and that earthquake characteristics also influence the selection of optimal parameters in [59]. Earthquake-resistant and non-resistant structures were designed using a package program. Models were converted into adjacent building models using the SAP2000 program in [60]. The impact of pounding on fixed-base buildings, isolated buildings, and buildings on soft soil was discussed. Appropriate mitigation measures were also addressed, and directions for future research studies on structural pounding were recommended in [61]. The optimal design of multiple tuned mass dampers (MTMD) placed on building floors modeled as shear frames under earthquake effects was investigated in [62]. The effect of seismic wave incidence angles and the near-fault pulse effect on the seismic pounding potential of adjacent buildings connected by corridor bridges strengthened with base isolation was examined in [63]. The research gap in parallel and series tuned inerter damper (TID) applications for reducing adjacent building vibration was examined in [64]. The vibration control performance of a TVMD vibration control system and a NSAD vibration control system was examined using an example of two adjacent buildings consisting of single-degree-of-freedom structures in [65].
The effect of soil flexibility on two nonlinear structures of equal height under earthquake effects, along with their collision, was examined in [66]. During strong earthquakes, in addition to pounding between adjacent structures, the cross-interaction of adjacent structures with soil and the change in vibration energy between buildings was investigated in [67]. It was shown that double pounding and soil-structure interaction (SSI) effects should be considered in the seismic analysis of adjacent buildings, especially those with different heights and foundation levels, in [68]. The optimal parameters of a tuned mass damper (TMD) placed at the top of a building-type structure modeled as a shear frame were investigated for different soil conditions in [69]. In [70], the effect of soil–structure interaction was considered for the optimal design of viscous dampers, and it was shown that the adverse effect of sandy soils on the dynamic behavior of superstructures could be mitigated by optimal placement of dampers in buildings. The effects of soil–structure and structure–soil–structure interactions in the design of foundations of adjacent concrete buildings on soft soils were examined in [71].
A new damper optimization method was recommended to find the optimal size and location of added viscous dampers based on elastic base moment in planar steel building frames in [72]. Viscous dampers were used to prevent collisions of adjacent structures with different dynamic properties under earthquake effects. The relative displacement between structures was minimized and optimization was performed for different values of total damping coefficient, examining each case dependent on time, in [73]. Applications of viscous dampers, which are passive dampers, were investigated to prevent or mitigate the effect of pounding on adjacent buildings in [74]. In [75], dampers were optimally placed between two adjacent structures to prevent pounding, and governing equations for the optimization problem were derived in the time domain. Then, the appropriate locations and numbers of linear viscous dampers between adjacent structures were calculated, and their effects on structural behavior were investigated. In another study, the optimal placement of viscous dampers to be installed between adjacent buildings to prevent pounding was investigated [76]. The optimal viscous damper capacity and number for preventing unilateral structural pounding between two adjacent buildings under seismic motion were investigated in [77]. The effects of viscous and viscoelastic dampers as an effective technique for seismic pounding mitigation were examined in [78]. A new optimal placement method for viscous dampers between structures was investigated to prevent pounding of adjacent structures with different dynamic properties under earthquake effects in [79]. The extent to which existing pounding effects between adjacent structures could be prevented by adding viscous dampers, and their effectiveness depending on the variation in distances between structures, were examined in [80]. The optimal design of viscous dampers under different modal behaviors for earthquake-exposed structures was examined in [81]; the structure was modeled as a shear frame and assumed to be linear. The optimal values of viscous dampers placed between adjacent structures of unequal heights were investigated to prevent collisions under different earthquake effects in [82]. The seismic performance of two adjacent buildings connected with viscous dampers was investigated in [83]. Three types of damper placement were examined: placing dampers on a single building, connecting two buildings at the same floor level, and connecting two buildings at inter-story levels. In another study, computational results were analyzed to propose an improved method for calculating the Mf of viscous dampers, compare the accuracy of existing and improved algorithms, and provide practical suggestions for engineering applications [84]. A new upgrade device for the column-viscous damper (CLVD) based on the column-lever mechanism containing viscous damper was proposed for energy dissipation and vibration reduction in [85].
The authors of [86] provided the latest updates in the fields of earthquake engineering, structural dynamics, seismology, and seismic design, and introduced new topics related to the field, such as the neodeterministic method. Emphasis was also placed on the application of numerical methods for solving the equation of motion and the selection of ground motions to be used in time history analysis of structures. Another paper addressed first and second-order reliability methods for components and systems, along with simulation techniques, time and space-dependent reliability, and Bayesian approaches for parameter estimation and reliability updates. This study also explored advanced topics, including finite element reliability methods, stochastic structural dynamics, reliability-based optimization, and Bayesian networks [87]. The study in [88] provided a primary starting point for researchers and practitioners wishing to assess the current state of technology in the control and monitoring of civil engineering structures, established a link between structural control and other areas of control theory, highlighted both differences and similarities, and indicated where future research and application efforts may be fruitful. In [89], an approach to stiffness-damping simultaneous optimization for displacement-acceleration simultaneous control was presented. Increasing the total stiffness capacity and total damper capacity was found to be effective in reducing deformation, while only increasing the total damper capacity was effective in reducing acceleration. The effects of the upper bound selection for the added dampers, the story mass distribution, and the story stiffness distribution were studied in terms of damper distributions, cost function, added damper ratio, and IDRs for six-story shear building models in [90]. It was shown that the proposed damper optimization method was easy to implement and effective in finding the optimum damper distribution for the target damping ratio and the allowed IDR value [90]. The authors in [91] investigated the natural vibrations of a thin (Kirchhoff–Love) plate supported by time-dependent fractional viscoelastic foundations, employing the stochastic finite element method. The mechanical properties of the supports were defined deterministically using fractional-order derivatives based on the Riemann–Liouville formulation [91].
In [92], the authors evaluated the energy dissipation and dynamic performance of bonded structures with a single-sided damping layer. This study also demonstrated the effectiveness of a damping layer in reducing vibrations and increasing structural stability under dynamic loads. In another study, various vibration control strategies for tall buildings were examined, including passive, active, and hybrid systems. The paper highlighted advances in technology and design approaches to enhance structural resilience to wind and seismic forces, as well as the applicability of specific control strategies for high-rise buildings [93]. In [94], the authors studied the effectiveness of viscous dampers connecting adjacent buildings in mitigating the dynamic response under soil–structure interactions. They highlighted how soil–structure interactions significantly affect damper performance and dynamic behavior, highlighting the need for specialized designs.
In another study, the authors studied the effect of viscous damper parameters on the damping efficiency of frame shear wall structures, researched optimization techniques to improve structural performance under seismic loads, and focused on parameter tuning to improve energy dissipation [95]. In [96], focus was placed on optimizing the parameters of a vibration control system for adjacent buildings using a negative stiffness inert damper. An investigation was performed to increase the vibration reduction efficiency and improve the dynamic interaction between structures. Another study investigated an optimal retrofit strategy using viscous dampers to attenuate earthquake-induced impacts between adjacent reinforced concrete and steel moment resisting frames. The results showed that optimizing damper placement to absorb and dissipate seismic energy during impact events reduces structural damage [97]. Researchers in [98] employed multi-objective optimization and performed shaking table tests on adjacent structures equipped with viscous dampers, with a focus on optimizing damper placement to improve seismic performance by balancing multiple objectives such as minimizing displacement and maximizing energy dissipation [98].
In this study, viscous dampers are placed between two adjacent structures to prevent collision, and the optimum placement of the dampers is calculated based on the optimality criteria. In addition, the most unfavorable period ratios of two adjacent structures are determined by the relative displacement spectrum found for the design earthquake. While the structures are first rigidly connected to the ground, they are then modeled as different sandy soils, and the optimum designs are found again. Optimization analyses and time history analyses under the design earthquake are shown in detail.
2. Viscous Damper Optimization
2.1. Viscous Damper
This mechanism, which has been used in the defense and space industries for many years, has been adapted and developed for civil engineering applications. In practice, wall-type and viscous dampers are most commonly used. Wall-type dampers, developed by the Sumitomo company in Japan, consist of a plate moving in a high-viscosity fluid contained within a steel cage. Viscous dampers, on the other hand, operate through the movement of a piston inside a tube filled with silicone or similar type of oil, as seen in Figure 1. The piston contains many small holes, and as the piston moves, the fluid displaces through these holes. Viscous dampers are activated at low displacements and exhibit linear behavioral characteristics. While these dampers require periodic inspection and maintenance, they are more costly compared to other dampers.
Figure 1.
Viscous damper in detail.
Viscous dampers have been implemented in many structures in recent years. For example, in an application carried out in 1995, they were used in conjunction with seismic isolators at the San Bernardino Hospital Complex. The complex, consisting of five separate buildings, utilized a total of 233 dampers with a capacity of 1400 kN each [99,100].
Another example is the Torre Mayor Building in Mexico City, which serves as an office and hotel building with 57 stories, utilizing both steel and reinforced concrete structural systems, as shown in Figure 2. The building is currently Latin America’s tallest building. The building’s design was carried out using performance-based design methods, with the performance target set as minimal damage under design earthquake conditions. The building employs 72 viscous dampers with 2670 kN capacity in its center, and 24 viscous dampers with 5340 kN capacity on its two facades [100].
Figure 2.
View of viscous damper placement.
2.2. Formulation of Viscous Damper Problem and Damper Optimization
If we consider two adjacent shear frames with the same number of stories and at the same level for the rigid support condition shown in Figure 3, collisions can be prevented by adding fluid viscous dampers between the structures.
Figure 3.
Adjacent structures with the same number of stories and dampers for rigid support condition.
If we consider two adjacent shear frames with the same number of stories and at the same level for the soil–structure interaction condition shown in Figure 4, collisions can be prevented by adding fluid viscous dampers between the structures.
Figure 4.
Adjacent structures with the same number of stories and dampers for soil–structure interaction.
The structural damping matrix is chosen proportional to mass as C = αM. The equations of motion for the left (P) and right (A) structures are shown in Equations (1) and (2).
Here, U represents the displacement vector, the velocity vector, the acceleration vector, and the ground acceleration vector. M, C, and K represent the mass, structural damping, and stiffness matrices, respectively, while r represents the influence vector whose elements corresponding to the degrees of freedom in the earthquake direction are equal to one.
When the vibration of structures P and A is modeled together, the equation of motion can be written as follows:
Here, for the rigid condition,
is given in this form.
For the case with soil–structure interaction,
Here,
Here,
are given in these equations.
When transformation from the time domain to the frequency domain is made using the relationships and , Equations (1) and (2) can be transformed into:
which can be transformed where X(ω) and (ω); x and are Fourier transformed, ω is the forcing frequency, and expresses these terms. This can be modified as:
Here, Xad(ω) represents the Fourier transform of the displacement vector when viscous dampers are added. Cad is the unknown damping matrix belonging to the added dampers. If a new parameter is defined [48]:
then Equation (30) can be written as:
Y is the displacement vector corresponding to the transfer function, and matrix B is defined as:
Here, stiffness K, mass M, structural damping C, and ω = ω1 are known. The design variables are the damping coefficients Cad within the matrix given by cadi. The contents of the Cad vectors are given in Equation (34).
If the displacement vector U corresponding to the transfer function is extracted from Equation (32),
Here, the unknown additional damper parameters cadi are within vector B. The transfer function value of the peak displacement that is desired to be minimized is within vector U.
There are many parameters affecting the problem under the optimization study, such as risky period rates for collision, adjacent structures with different heights, different stiffness distributions depending on the heights, different mass distributions, different base classes on which the structures sit, the total amount of dampers placed in between adjacent buildings, the upper limits for each damper, the potential locations for the placement of dampers, the frequency content of external impact, and the structural behaviors taken into account for design.
2.2.1. Damping Optimization for Minimizing Relative Displacement
The objective function of the problem gives the optimum damper distribution, with the transfer function peak displacement value. There is one active constraint on the sum of dampers and passive constraints equal to the number of design variables, one for each damper. The objective function for peak displacement can be written as:
R represents the amplitude of the transfer function of the relative displacement between buildings, showing the difference between the displacement at the top of the left building and the displacement at the same level of the right building. The active and passive constraints on the sum of added dampers can be written as:
where W and are the upper bound values given for the sum of damping coefficients and for each damper’s damping coefficient, respectively. Under the selected objective function and constraints, the Lagrangian (L) functional becomes:
Here, n is the number of design variables, and λ, μ = {μi}, and ν = {νi} are Lagrange multipliers.
2.2.2. Optimum Criteria
For minimization of the problem’s objective function without upper and lower constraints, if derivatives of the Lagrangian functional L (μ = 0, ν = 0) are taken with respect to cadj (j = 1, …, n) and λ, we obtain:
Here ( ),j represents partial derivatives with respect to cadj. Additionally, j = 1, …, n) is taken. An important point to note is that damping coefficients cannot be negative in added dampers. Zero damping coefficients have no physical meaning. When the upper and lower constraints of damping coefficients are active, Equation (41) should be corrected as:
This nonlinear system of equations will be solved numerically using the steepest direction search algorithm [48].
The upper limit of each damping coefficient plays a crucial role in optimal damper design. In practical applications, the capacity and size of a damper must be restricted to align with commercial, manufacturing, and construction constraints. Similarly, the total damping coefficient and size of the added dampers must adhere to these limitations. The selection of damper capacity and location within a story is typically based on the availability of dampers and their feasible placement in real-world structural applications. While building design guidelines generally do not specify a particular method for optimal damper design in adjacent buildings, a technique can be developed to determine a total damping value that meets a required target damping ratio. This target effective damping ratio can then be translated into a total damping coefficient, representing the sum of the damping coefficients of all added dampers.
2.2.3. Solution Algorithm and Sensitivity Analyses
In the used method, let an initial design be made by assuming cadj = 0 (j = 1, …, n). Let the damping coefficients of added dampers be increased step by step and find the direction in which to increase at each step. Let Δcvj and ΔC; j be the increase in the damping coefficient at the jth floor and the sum of damping coefficients, respectively. Let ΔC be given and calculate the amounts and locations of {Δcadj}. To establish this algorithm, analytical determination of first and second-order derivative of the objective function with respect to design variables is required [75].
If Equation (36) is differentiated with respect to the design variable cadj:
where B is an invertible matrix. If the term is extracted from Equation (45):
Here, Yi is:
In Equation (47), and ] show real and imaginary variables. The first-order sensitivity of Yi′ can be written in a similar form as:
The absolute value of Yi is:
The first-order sensitivity of || can be written as:
Here, and are calculated from Equation (48). If Equation (50) is differentiated with respect to a second design variable l:
In Equation (51), showing the second-order sensitivity of the objective function and , values are found from the second derivatives of Y, as shown below. If Equation 46 is differentiated with respect to l:
While deriving this equation, the relationship is used. It can be seen that matrix B is a linear function of cadi. Equation (52) is reorganized as:
Solution Algorithm (for case :
- Step 0. Initially set damping coefficients of added dampers to zero, and assume cj = 0, j = 1, …, n. (m is the number of design steps).
- Step 1. Calculate first-order derivative values of the objective function. Use Equation (50).
- Step 2. Find index k that satisfies .
- Step 3. Update value R with R + .
- Step 4. Update value with . Use Equation (50).
- Step 5. If there exists an index j satisfying , calculate corresponding and update value with .
- Step 6. Repeat between steps 2 and 5 until constraint is satisfied.
In Steps 2 and 3, the objective function that is decreased under the constraint that is found and renewed in that direction. This algorithm given by Takewaki is called the Steepest Direction Search Algorithm, as seen in Figure 5 [48]. It can be compared to the well-known “Steepest Descent Method” in mathematical programming. The traditional “Steepest Descent Method” uses gradient vectors, but does not use optimality criteria [48].
Figure 5.
Solution flow algorithm.
If there are multiple indices in the algorithm (k1, …, km), in steps 2 and 3, and should be updated as follows:
Equations (54) and (55) are given for minimization of the sum of relative displacements. These formulations and algorithm are modified for minimization of the transfer function of relative displacement between adjacent structures [48,51].
3. Numerical Examples
The numerical example is based on the generation of the relative displacement spectra of adjacent structures under the El Centro earthquake. Two separate structures are modeled together. One of the structures is defined as the primary P structure, and the other as the secondary A structure. The period of the primary P structure is first taken as Tp = 0.1 s, and the period of the other structure is changed in a wide range. Linear time history analyses are performed using the El Centro earthquake acceleration at each small change. Then, the period of the primary structure is taken as Tp = 0.3 s and 0.5 s, and the analyses are repeated. The period ratios of the adjacent structures are plotted with the largest relative displacement value found as a result of the time history calculation made at each increment. The relative displacement design spectra found show at which period ratios the risk of collision of the structures may occur. The relative displacement spectra for the obtained Tp 0.1, 0.3, and 0.5 periods are given in Figure 6 [52,101].
Figure 6.
Relative displacement spectra for Tp periods of the first structure P, (a) Tp = 0.1, (b) Tp = 0.3, and (c) Tp = 0.5 [52,101].
In two adjacent five-story buildings, separate floor displacements occur under seismic forces as shown in Figure 7. Models are considered for these two buildings both without dampers and with viscous dampers installed at each floor level, as seen in Figure 8.
Figure 7.
Degrees of freedom in five-story adjacent buildings.
Figure 8.
Model of five-story adjacent buildings with rigid supports.
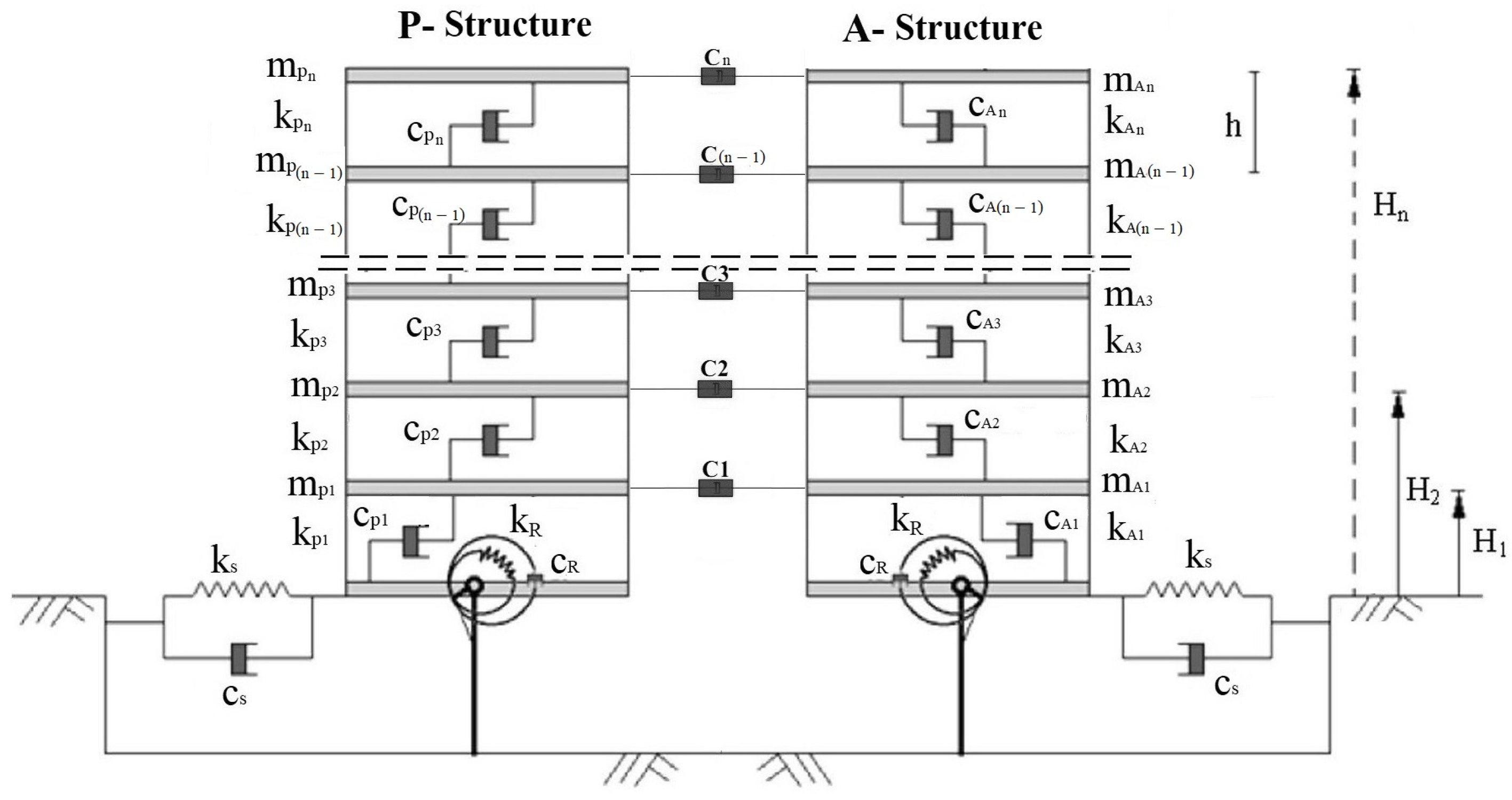
In Figure 8, the model foundations were taken rigidly, and no effect from the foundations to the building was taken into account, such as the effect of soil. As for Figure 9, the effect of soil was taken into account by adding the soil stiffness coefficient (kr and ks) and the soil damping coefficient (cr and cs), which are in two directions, the first horizontal, and the second to prevent rotation. The soil properties are added to these factors through the equations found in the optimization.
Figure 9.
Model of five-story adjacent buildings with soil-structure interaction.
For the soil–structure interaction of the five-story building, the model was considered with viscous dampers installed at each floor level, as seen in Figure 9.
A total floor mass of 75,000 kg was assigned equally for each floor. The total damping coefficients of the dampers added to the floors were Ns/m and . The upper limits of the damper coefficient on each floor were Ns/m and . A constant damping ratio of 0.05 (5%) was used in all building models. These values were obtained by similitude from the previous references [79,89,90]. Stiffness values used in the stiffness matrix are given in Table 1 below. The peak point of the relative displacement spectra in Figure 6 represents the most risky period rates. Although we have selected TP periods from Table 1, the most risky period rates are collected from Figure 6. The amount of value in Table 1, which provides the risky period ratios, was taken from the relative displacement spectrum analysis. In Figure 8 and Figure 9, c1, c2, c3, c4, and c5 represent damper coefficients. The soil properties are given in Table 2 below.
Table 1.
Stiffness coefficient values according to period and period ratios [52,101].
Table 2.
Soil properties [52,101].
Within the scope of this study, analyses were performed for many optimum designs, and only the analyses of one optimum design are shown here. In the optimization phase, the change in the transfer function amplitude of the relative displacement, which is the objective function, the first-order derivative, and the design variables in the design steps is seen in Figure 10 below. As proof that the optimality criteria were met, the analyses of the case where W = 2 × 106 Ns/m and the period ratio is 9.7 for only the first mode are shown here.
Figure 10.
(a) The variation in objective function, (b) the variation in first order derivative RT, and (c) the variation in damping coefficient with design step number for two five-story adjacent buildings.
Figure 11 show the distribution of optimum damping coefficients according to the floors. Here, three different period ratios emerge for three different conditions of Tp. Moreover, the total amount of damping coefficients of the dampers added to the structure was also selected as two different values, and the distributions are examined. As can be seen from the graphs, optimum designs were also revealed for the cases where the grounds of the structures were rigid and had three different sandy soils. The first and second mode behaviors of the adjacent building system were considered separately, and optimum designs were found for each situation. The first mode of the adjacent building model corresponded to the first mode of the flexible structure, while the second mode of the coupled system together corresponded to the first mode of the other structure. In fact, the design according to the first and second modes mentioned here defined the design according to flexible and more rigid structures.
Figure 11.
Optimal distribution of dampers added between floors of two five-story adjacent buildings according to period ratio Ta/Tp = 9.7 (Tp = 0.1 s) under El Centro earthquake. (a) 1st mode with total damping , (b) 2nd mode with total damping , (c) 1st mode with total damping , and (d) 2nd mode with total damping
For two five-story adjacent buildings, when the period of structure p was selected as 0.1 s and the critical period ratio is Ta/Tp = 9.7 as shown in Figure 6a, optimal damper distribution cases using the aforementioned method are shown in Figure 11. The damper distribution found using the first mode of the structure with a total damping coefficient of W = is shown in Figure 11a. When this graph is examined in detail, it is seen that the optimum designs were the same according to the first mode behavior in both the rigid case and the three different sandy soil cases. The damper distribution found using the second mode of the structure with a total damping coefficient of W= is shown in Figure 11b. While it showed a decreasing trend from the top to the 3rd floor in the rigid case, the opposite situation was observed in the loose sand and medium-dense sand cases. In the dense sand case, it is seen that the amount of damper was distributed to more floors. The damper distribution calculated using the first mode of the structure with a total damping coefficient of W = is shown in Figure 11c. If the distributions are examined according to the increase in the total amount of dampers, it can be clearly seen that the dampers were placed in more floors towards the lower floors in the loose sand and medium-dense sand cases in Figure 11c. The increase in the amount of total dampers was characterized by a distribution to more floors and downwards under the effect of the first mode behavior in the loose sand case. The damper placement calculated using the second mode of the structure with a total damping coefficient of W = is shown in Figure 11d. It is seen that in the case of loose soil and 2nd mode behavior, the placement of the dampers was concentrated on the intermediate floors, unlike other designs.
For each model mentioned above, time history analyses were performed under El Centro earthquake and the results are shown in Figure 12. The performances of the optimum designs were found according to the first and second mode behaviors separately, and the changes in the total amount of dampers and the comparison of the earthquake performances of the designs presented for rigid and three different sandy soil conditions can be seen in Figure 12. The performance examined here is the peak relative displacements at the floor levels between adjacent buildings. It can be said that the relative displacements in the damper cases were reduced quite effectively compared to the cases without dampers. Moreover, in the damper cases, all the different ground conditions exhibited very similar performance in terms of relative displacement behavior. The dampers placed optimally between the buildings improved the behavior of different ground conditions such as sandy soil and rigid soil on the structure by making them very similar to each other. In addition to the peak values of relative displacements between adjacent buildings, time histories are also plotted in Figure 13. If these graphs are observed in detail, it can be clearly seen that the relative displacement performance in the case of dampers was quite good.
Figure 12.
Relative displacement variation between floors of two five-story adjacent buildings according to period ratio Ta/Tp = 9.7 (Tp = 0.1 s) under El Centro earthquake. (a) 1st mode with total damping , (b) 2nd mode with total damping , (c) 1st mode with total damping , and (d) 2nd mode with total damping .
Figure 13.
Time variation of relative displacement at the 5th floor between two five-story adjacent buildings according to period ratio Ta/Tp = 9.7 (Tp = 0.1 s) under El Centro earthquake. (a) 1st mode with total damping , (b) 2nd mode with total damping , (c) 1st mode with total damping , and (d) 2nd mode with total damping .
For two five-story adjacent buildings, when the period of structure p is selected as 0.3 s (Figure 6b) and the period ratio is Ta/Tp = 3.5, damper distribution cases using beforementioned method are shown in Figure 14. The damper distribution found using the first mode of the structure with a total damping coefficient of W = is shown in Figure 14a,c. The damper distribution found using the second mode of the structure with the total damping coefficients is shown in Figure 14b,d. As can be seen in Figure 14, in this period ratio, as in the other critical period ratio mentioned above, the damper distribution is the same in all the different ground conditions mentioned here, even in the W = case. As can be understood from Figure 14, with the increase in the total damping coefficient, although the floors where the dampers are distributed were similar for different ground conditions, their amounts in the floors differ. In Figure 14b, while the design in the medium-dense sand case in the second mode appeared different from the others, the other designs are like the distribution in the first mode. As can be seen from Figure 14d, by increasing the total damper coefficient in the second mode design, dampers were placed in larger amounts at the intermediate floors in sand soil conditions.
Figure 14.
Optimal distribution of dampers added between floors of two five-story adjacent buildings according to period ratio Ta/Tp = 3.5 (Tp = 0.3 s) under El Centro earthquake. (a) 1st mode with total damping , (b) 2nd mode with total damping , (c) 1st mode with total damping , and (d) 2nd mode with total damping .
The profile of the peak relative displacement values on the floors as a result of the time history analyses performed under the influence of the El Centro earthquake, where Tp is 0.3 s and the critical period ratio is 3.5, is plotted in Figure 15. Similar situations seen in other period ratios mentioned above are also valid here. Adding dampers resulted in significant improvement in relative displacement behavior in all ground conditions. It is said that this situation is clearly seen in all designs made according to both the first and second modes. While the peak values of relative displacement were reduced, the results of different sandy soils and rigid cases also came very close to each other. Adding dampers reduced the effects of different sandy soils on the behavior of the structure and made them very close to each other. This response was minimized by increasing the total amount of dampers. A similar situation can be clearly seen in the time history analyses in Figure 16: the positive effect of the increase in the amount of dampers, the fact that the optimum addition of dampers affected the behavior of the structure very positively in all ground conditions, and the results found for different modes caused structural responses close to each other.
Figure 15.
Time history of relative displacement between floors of two five-story adjacent buildings according to period ratio Ta/Tp = 3.5 (Tp = 0.3 s) under El Centro earthquake. (a) 1st mode with total damping , (b) 2nd mode with total damping , (c) 1st mode with total damping , and (d) 2nd mode with total damping .

Figure 16.
Time variation of relative displacement at the 5th floor between two five-story adjacent buildings according to period ratio Ta/Tp = 3.5 (Tp = 0.3 s) under El Centro earthquake. (a) 1st mode with total damping , (b) 2nd mode with total damping , (c) 1st mode with total damping , and (d) 2nd mode with total damping .
According to the relative displacement spectrum seen in Figure 6c, the critical period ratio was determined as 2.0, and the models selected in accordance with this period ratio showing the most negative situation were analyzed. For two five-story adjacent buildings, when the period of structure p was selected as 0.5 s and the period ratio was Ta/Tp = 2.0, the damper distribution is shown in Figure 17. The damper designs found for all rigid and sandy soil conditions were the same for W = 2 × 106 and when the first mode of the flexible structure is considered (Figure 17a). For the same amount of damper, the damper designs made according to the rigid structure, that is, the second mode of the system, were again the same, as seen in Figure 17b. In this design earthquake, the optimal designs were the same for both the first mode and the second mode for this period ratio. Thus, the designer can choose the basic mode of either the flexible or the rigid structure for the damper design. As can be seen in Figure 17c,d, the increase in the amount of damper partially changed the designs according to the first and second mode behavior.
Figure 17.
Optimal distribution of dampers added between floors of two 5-story adjacent buildings according to period ratio Ta/Tp = 2.0 (Tp = 0.5 s) under El Centro earthquake. (a) 1st mode with total damping , (b) 2nd mode with total damping , (c) 1st mode with total damping , and (d) 2nd mode with total damping .
Ta/Tp = 2.0 (Tp = 0.5 s) Under El Centro Earthquake
The performance of all damper designs found for this earthquake and this period ratio were considerably better than the case without dampers (Figure 18). As can be seen from all the graphs in Figure 18, when the models without dampers are examined, it is seen that the worst performance was in the dense sand and medium-dense sand cases. With the addition of optimal dampers, the performance of all designs became quite close to each other, which is quite useful in terms of approximating the performance of models in different ground conditions. This situation can be clearly seen in the relative displacement time history of the models in Figure 19.
Figure 18.
Relative displacement variation between floors of two five-story adjacent buildings according to period ratio Ta/Tp = 2.0 (Tp = 0.5 s) under El Centro earthquake. (a) 1st mode with total damping , (b) 2nd mode with total damping , (c) 1st mode with total damping , and (d) 2nd mode with total damping .

Figure 19.
Time variation of relative displacement at the 5th floor between two 5-story adjacent buildings according to period ratio Ta/Tp = 2.0 (Tp = 0.5 s) under El Centro earthquake. (a) 1st mode with total damping , (b) 2nd mode with total damping , (c) 1st mode with total damping , and (d) 2nd mode with total damping .
In the case of the selection of the initial total damper amount, the damper distributions in both the rigid foundation and three different sandy foundation cases were the same at the first period ratio (9.7) in design according to flexible building. For the same period ratio and design according to flexible structure, it is seen that designs in loose sand and medium-dense sand soil responded more sensitively to this change with the increase in the total amount of damper, and in these designs, dampers were distributed downwards to more floors. Designing according to the second mode, that is, the mode of the more rigid structure, shows that the damper designs were much more sensitive than those for sandy soil and were realized differently for each case. The damper coefficient distribution, which followed a decreasing trend from top to bottom for rigid, dense, and medium-dense sand, was different from the loose sand case. An increase in the total damping coefficient made this distribution even more sensitive.
In the second period ratio (3.5), while all designs were the same as each other in the initial total damping amount situation and the modal behavior of the flexible structure, the increase in the damper amount resulted in more damper placement for all of them. In this design, the differences were in the designs found by considering the modal behavior of the more rigid structure. In this case, the distribution of the design according to medium-dense sand soil appears differently from the others. When the results of the design according to the increase in the damper amount and the rigid structure are examined, the designs corresponding to the soiled situations appear to be different from the designs according to the rigid structure.
In the case where the period ratio is 2.0, it is seen that the designs for both the flexible structure and the more rigid structure were the same for all ground conditions in the first total damper case, while with the increase in the amount of damper, a difference occurred in the design for the loose sandy soil case according to the first mode. When the mode of the more rigid structure is taken into account, all designs were the same as each other.
In the design of the damper to be placed between two adjacent structures with different dynamic characteristics, i.e., not only the different sandy ground conditions of the ground, but all parameters, such as the period ratios of the structures and the total amount of damper, have an effect on the design. Evaluating all of these parameters together and reaching a conclusion brings a more holistic view to the problem. When the relevant figures are examined, sometimes medium-dense sandy soil or dense sandy soil shows a different distribution than the others, and the distribution for loose sandy soil bears small differences. What is important in the design here is the relative displacement between the floors, the damper is focused more on the floors where the relative displacement increases, and the distribution continues by decreasing from high relative displacement to low relative displacement.
4. Conclusions
In large and crowded cities, collision during earthquakes that occurs due to construction of buildings with very different dynamic properties in proximity emerges as a situation that needs to be considered in earthquake-resistant building design. In adjacent buildings, the risk of collision can be reduced by viscous dampers placed between the buildings. For this purpose, relative displacement spectra are created for earthquake design by defining relative displacement between structures. Risky period ratios found from the created relative displacement spectra are selected. Two adjacent buildings compatible with these selected period ratios are modeled, and the riskiest situation is identified. Viscous dampers are optimally placed between the modeled structures. Here, Fourier transform is applied to the equation of motion to transition to the frequency domain, and frequency-dependent relative displacement transfer functions are derived. Based on these transfer functions, an optimization problem is defined using equations expressing the structural response. In the optimization problem, the transfer function amplitude of the relative displacement at the top of buildings of the same height is selected as the objective function to be minimized.
According to the results, loose sandy soil needs more damper distribution, but it has a greater response at optimization. As for medium-dense soil, it needs less distribution than loose soil and the response is lessened at optimization. The dense type needs more damper distribution, and its response is lessened at optimization.
When damper placements are examined, in the initial total damper selection and designs made by taking into account the mode of the flexible structure, the designs are generally close to each other in terms of the rigid and other three sandy soils. In the designs found according to the increase in the total damper amount and the mode of the other more rigid structure, the dampers are distributed to far more floors in the sandy case, and the distributions change according to the rigid case. The results clearly show the effect of the structure ground effect on the damper distribution. It is an important clue for designers that the effect of sandy ground should be taken into account in the damper design.
The results obtained from this study show that, regardless of whether the design is for a flexible or rigid building, the collisions of adjacent buildings can be prevented with dampers, the relative displacements can be minimized, the amount of dampers and the period ratios of the building models are important in the design, and collision can be prevented with these technological elements placed between buildings that are close to each other in regions affected by earthquakes. It is also clear that the displacement and rotation movements of the buildings on sandy soils are reduced, and this situation not only improves the collision of the structures, but also their earthquake performance. In earthquake-resistant structure design, regulations generally recommend leaving enough space, and preventing this situation with dampers can be a very good solution for existing structures.
Through the proposed method in this study, seismic safety in densely built environments can be improved as follows:
- Using viscous dampers in places where they need to be added between adjacent buildings.
- Determining the distance between adjacent buildings, if possible, before construction, to be within a safe distance from collision during earthquakes.
- Studying the type of soil in these areas to determine the extent of the susceptibility of buildings to vibration on these types of soil.
- Knowing the types of neighboring buildings built in these dense areas to determine the extent of the safety of these buildings from collision.
The buildings considered as adjacent are modeled as five stories in the numerical example. The ground under the buildings is taken as rigid, dense sand, medium-dense sand, and loose sand soil, and earthquake analyses are performed in the time domain for models with and without optimal dampers. The summary of results obtained from these analyses is listed below:
- Collision can be prevented by optimally placing viscous dampers between adjacent structures. The relative displacement measured between the floor levels of the buildings is considered to be minimized as a design parameter. The risk of collision can be eliminated by optimally placing viscous dampers, which are known to increase the performance of structures under dynamic loads, to prevent the collision of adjacent structures.
- The relative displacement spectrum to be generated under a design earthquake can be created by first selecting the period of one of the structures, and the risky period ratio to be used to minimize the relative displacement is revealed.
- It is possible to design the dampers that will be placed optimally between two adjacent buildings with the same number of floors according to the flexible or the more rigid of the structures. In this study, the first mode of the coupled model of the adjacent buildings is the first mode of the flexible building, and the second mode of the coupled model is the first mode of the more rigid building, so that the damper design can be made by considering both of them separately. Although the optimum designs found according to the first and second modes are not exactly the same in general, their earthquake performances are quite close.
- In cases where the ground on which the buildings sit is medium-dense sand, dense sand, and loose sand, the relative displacements between the adjacent buildings increase compared to the rigid case. With the optimal use of dampers, these negative effects in the case of sandy ground are considerably minimized.
Author Contributions
Software, A.A.A.F.; Formal analysis, A.A.A.F.; Investigation, E.A.; Data curation, A.A.A.F.; Writing—original draft, A.A.A.F.; Writing—review & editing, E.A.; Supervision, E.A. All authors have read and agreed to the published version of the manuscript.
Funding
This research received no external funding.
Data Availability Statement
Data are contained within the article.
Conflicts of Interest
The authors declare no conflict of interest.
References
- Takeyama, K. Earthquake response of a building collided with a neighboring building. In Proceedings of the 5th World Conference on Earthquake Engineering, Rome, Italy, 25–29 June 1973. [Google Scholar]
- Meli, R.; Rosenblueth, E. The 1985 Earthquake: Causes and Effects in Mexico City; Concrete International American Concrete Institute: Detroit, MI, USA, 1986. [Google Scholar]
- Kasai, K.; Maison, B.F. Building Pounding Damage During The 1989 Loma Prieta Earthquake. Eng. Struct. 1997, 19, 195–207. [Google Scholar] [CrossRef]
- Vasilliadis, L.; Elenas, A. A performance of school buildings during the Athens earthquake of 7 September 1999. In Proceedings of the 12th European Conference on Earthquake Engineering, London, UK, 9–13 September 2002. [Google Scholar]
- Muthukumar, S. A Contact Element Approach with Hysteresis Damping for the Analysis and Design of Pounding in Bridges. Ph.D. Thesis, Georgia Institute of Technology, Atlanta, GA, USA, 2003. [Google Scholar]
- Garcia, D.L. Separation Distance Necessary to Prevent Seismic Pounding Between Adjacent Structures. Ph.D. Thesis, University of New York at Buffalo, Getzville, NY, USA, 2004. [Google Scholar]
- DBYBHY 2007; Regulation on Buildings to be Constructed in Earthquake Zones. Republic of Turkey Official Gazette: Ankara, Turkey, 2007.
- Önen, Y.H.; Dindar, A.A.; Coşgun, C.; Seçki, E. 23 Ekim ve 9 Kasım 2011 Tarihli Van Depremleri Yerinde Yapılan İnceleme ve Değerlendirme Raporu; Site Assessment Report; Istanbul Kultur University: Istanbul, Turkey, 2012. (In Turkish) [Google Scholar]
- Ehab, M.; Salem, H.; Mostafa, H.; Yehia, N. Earthquake pounding effect on adjacent reinforced concrete buildings. Int. J. Comput. Appl. 2014, 106, 27–34. [Google Scholar]
- Bayraktar, A.; Taş, Y.; Akköse, M.; Hökelekli, E.; Ventura, C.E.; Yang, T.Y. Seismic Performance of Bridge Expansion Joints with and without Viscous Dampers during the 6 February 2023 Kahramanmaraş Earthquakes. Buildings 2024, 14, 2538. [Google Scholar] [CrossRef]
- Papadrakakis, M.; Mouzakis, H. Earthquake simulator testing of pounding between adjacent buildings. Earthq. Eng. Struct. Dyn. 1995, 24, 811–834. [Google Scholar] [CrossRef]
- Filiatrault, A.; Wagner, P.; Cherry, S. Analytical prediction of experimental building pounding. Earthq. Eng. Struct. Dyn. 1995, 24, 1131–1154. [Google Scholar] [CrossRef]
- Xu, Y.L.; Zhan, S.; Ko, J.M.; Zhang, W.S. Experimental investigation of adjacent buildings connected by fluid damper. Earthq. Eng. Struct. Dyn. 1999, 28, 609–631. [Google Scholar] [CrossRef]
- Chau, K.T.; Wei, X.X.; Guo, X.; Shen, C.Y. Experimental and theoretical simulations of seismic pounding between two adjacent structures. Earthq. Eng. Struct. Dyn. 2003, 32, 537–554. [Google Scholar] [CrossRef]
- Yang, Z.; Xu, Y.L.; Lu, X.L. Experimental seismic study of adjacent buildings with fluid dampers. J. Struct. Eng. ASCE 2003, 129, 197–205. [Google Scholar] [CrossRef]
- Takabatake, H.; Yasui, M.; Nakagawa, Y.; Kishida, A. Relaxation method for pounding action between adjacent buildings at expansion joint. Earthq. Eng. Struct. Dyn. 2014, 43, 1381–1400. [Google Scholar] [CrossRef]
- Khatiwada, S.; Larkin, T.; Chouw, N. Influence of mass and contact surface on pounding response of RC structures. Earthq. Struct. 2014, 7, 385–400. [Google Scholar] [CrossRef]
- Kebeli, Y.E.; Aydın, E.; Öztürk, B.; Çetin, H. Experimental Comparison of the Performance of Shear Frame with TLD and TLCD Under Harmonic Ground Motion. Buildings 2024, 14, 3843. [Google Scholar] [CrossRef]
- Anagnastopoulos, S.A. Pounding of Buildings in Series During Earthquakes. Earthq. Eng. Struct. Dyn. 1988, 16, 443–456. [Google Scholar] [CrossRef]
- Stavroulakis, G.E.; Abdalla, K.A. Contact between adjacent structures. J. Struct. Eng. 1991, 117, 2838–2850. [Google Scholar] [CrossRef]
- Anagnostopoulos, S.A.; Spiliopoulos, K.V. An investigation of earthquake induced pounding between adjacent buildings. Earthq. Eng. Struct. Dyn. 1992, 21, 289–302. [Google Scholar] [CrossRef]
- Jeng, V.; Kasai, K.; Maison, B.F. A spectral difference method to estimate building separations to avoid pounding. Earthq. Spectra 1992, 8, 201–223. [Google Scholar] [CrossRef]
- Kumbasar, N. Deprem Kayma Çerçevelerin Kayma Problemi. Turk. J. Civ. Eng. 1993, 47, 609–617. [Google Scholar]
- Yamada, Y.; Ikawa, N.; Yokoyama, H.; Tachibana, E. Active control of structures using the joint member with negative stiffness. In Proceedings of the 1st World Conference on Structural Control, Los Angeles, CA, USA, 3–5 August 1994; International Association for Structural Control: Los Angeles, CA, USA. [Google Scholar]
- Seto, K.; Matsumoto, Y. A structural vibration control method of flexible buildings in response to large earthquakes and strong winds. In Proceedings of the 2nd International Workshop on Structural Control, Hong Kong, China, 18–21 December 1996. [Google Scholar]
- Christenson, R.E.; Spencer, B.F.; Johnson, E.A. Coupled building control using active and smart damping strategies. In Proceedings of the 5th International Conference on Application of Artificial Intelligence to Civil and Structural Engineering, Oxford, UK, 1–9 September 1999. [Google Scholar]
- Lin, J.H. Seperation distance to avoid seismic pounding of adjacent buildings. Earthq. Eng. Struct. Dyn. 1997, 26, 395–403. [Google Scholar] [CrossRef]
- Kasai, K.; Jagiasi, A.R.; Jeng, V. Inelastic vibration phase theory for seismic pounding mitigation. J. Struct. Eng. 1996, 122, 1136–1146. [Google Scholar] [CrossRef]
- Raheem, S.E.A.; Fooly, M.Y.; Shafy, A.G.A.; Taha, A.M.; Abbas, Y.A.; Latif, M.M.A. Numerical simulation of potential seismic pounding among adjacent buildings in series. Bull. Earthq. Eng. 2019, 17, 439–471. [Google Scholar] [CrossRef]
- Valles, R.E.; Reinhorn, A.M. Evaluation, preventation and mitigation of pounding effects in building structures. In Report No NCEER-97–0001; National Centre for Earthquake Engineering Research: Buffalo, NY, USA, 1997. [Google Scholar]
- Lin, H.; Weng, C.C. Probability analysis of seismic pounding adjacent buildings. Earthq. Eng. Struct. Dyn. 2001, 30, 1539–1557. [Google Scholar] [CrossRef]
- Aldemir, U.; Aydin, A. An active control algorithm to prevent the pounding of adjacent structures. In Vibration Problems, Proceedings of the Seventh International Conference on Vibration Problems ICOVP, İstanbul, Turkey, 5–9 September 2005; Springer: Dordrecht, The Netherlands, 2006. [Google Scholar]
- Doğan, M.; Günaydın, A. Pounding of Adjacent RC Buildings During Seismic Loads. J. Eng. Archit. 2009, 22, 129–145. [Google Scholar]
- Çetinkaya, G.; Akköse, M. Depreme maruz farklı yükseklikteki iki komşu betonarme binanın çarpışma analizi. In Proceedings of the 1. Türkiye Deprem Mühendisliği ve Sismoloji Konferansı, Ankara, Turkey, 11–14 October 2011. (In Turkish). [Google Scholar]
- Çetinkaya, G. Pounding Analysis of Adjacent Buildings to Earthquake Ground Motion. Master’s Thesis, Karadeniz Technical University, Trabzon, Turkey, 2011. [Google Scholar]
- Raghunandan, M.H.; Devi, S. Seismic Pounding Between Adjacent Rc Buildings with and without Base Isolation System. Int. J. Res. Eng. Technol. 2015, 4, 367–375. [Google Scholar]
- Naderpour, H.; Barros, R.C.; Khatami, S.M.; Jankowski, R. Numerical study on pounding between two adjacent buildings under earthquake excitation. Shock. Vib. 2016, 2016, 1504783. [Google Scholar] [CrossRef]
- Tekin, Ö.F. Earthquake Induced Collision Analysis of Adjacent RC Structures Which Has Vertical Irregularity. Master’s Thesis, Adıyaman Unıversıty Institute of Science, Adıyaman, Turkey, 2016. [Google Scholar]
- Tekin, Ö.F.; Pala, M. Taşıyıcı Sistemde Düşey Eleman süreksizliğinin sismik çarpışma anında yapı üzerine etkisi. In Proceedings of the 4th International Symposium on Innovative Technologies in Engineering and Science (ISITES2016) Academic Platform, Alanya/Antalya, Turkey, 3–5 November 2016. [Google Scholar]
- Dertli, H.H. Study on Pounding Response of Neighboring Reinforced Concrete Buildings According to Seismic Zones. Master’s Thesis, Karadeniz Technical University, Trabzon, Turkey, 2017. [Google Scholar]
- Ateş, S. Pounding Effect on Different STORY levels of Adjacent Structures. Master’s Thesis, Eskisehir Osmangazi University Institute of Science, Eskisehir, Turkey, 2018. [Google Scholar]
- Pala, M.; Şaşmaz, Z. The Effect of Floor Mass on the Collision Strength in Different Adjacent Structures with Different Storey Levels. Adıyaman Üniversitesi Mühendislik Bilim. Derg. 2019, 6, 47–63. [Google Scholar]
- Zhu, H.P.; Wen, Y.; Iemura, H. A study on interaction control for seismic response of parallel structures. Comput. Struct. 2001, 79, 231–242. [Google Scholar] [CrossRef]
- Kamagata, K.; Miyajima, K.; Seto, K. Optimal design of damping devices for vibration control of parallel structures. In Proceedings of the 3rd International Conference on Motion and Vibration Control, Chiba, Japan, 1–6 September 1996. [Google Scholar]
- Fukuda, Y.; Matsumoto, Y.; Seto, K. Bending and torsional vibration control of flexible structures arranged in parallel. In Proceedings of the 3rd International Conference on Motion and Vibration Control, Chiba, Japan, 1–6 September 1996. [Google Scholar]
- Gurley, K.; Kareem, A.; Bergman, L.A.; Johnson, E.A.; Klein, R.E. Coupling tall buildings for control of response to wind. In Proceedings of the ICOSSAR ’93, the 6th International Conference on Structural Safety and Reliability, Innsbruck, Austria, 9–13 August 1993. [Google Scholar]
- Luco, J.E.; De Barros, F.C.P. Optimal damping between two adjacent elastic structures. Earthq. Eng. Struct. Dyn. 1998, 27, 649–659. [Google Scholar] [CrossRef]
- Takewaki, I. Optimal Damper Placement for Planar Building Frames Using Transfer Functions. Struct. Mult. Disp. Optim. 2000, 20, 280–287. [Google Scholar] [CrossRef]
- Abdullah, M.M.; Hanif, J.H.; Richarson, A.; Sobanjo, J. Use of a shared tuned mass damper (STMD) to reduce vibration and pounding in adjacent structures. Earthq. Eng. Struct. Dyn. 2001, 30, 633–651. [Google Scholar] [CrossRef]
- Zhu, H.P.; Xu, Y.L. Optimum parameters of maxwell model defined damper used to link adjacent structures. J. Sound Vib. 2005, 279, 253–274. [Google Scholar] [CrossRef]
- Aydın, E.; Öztürk, B.; Yeşil, L. Application of viscous dampers for prevention of pounding effect in pounding effect in adjacent buildings. In Proceedings of the 14th ECEE European Conference on Earthquake Engineering, Ohrid, Macedonia, 30 August–3 September 2010. [Google Scholar]
- Aydın, E.; Güney, D. Bitişik tarz yapıların rölatif deplasman davranış spektrumları kullanılarak çarpışma riskinin azaltılması. In Proceedings of the 7th National Earthquake Engineering Conference, Istanbul, Turkey, 30 May–3 June 2011. (In Turkish). [Google Scholar]
- Lee, J.; Kim, J. Seismic performance evaluation of moment frames with slit-friction hybrid dampers. Earthq. Struct. 2015, 9, 1291–1311. [Google Scholar] [CrossRef]
- Shrimali, M.K.; Bharti, S.D.; Dumne, S.M. Seismic response analysis of coupled building involving MR damper and elastomeric base isolation. Ain Shams Eng. J. 2015, 6, 457–470. [Google Scholar] [CrossRef]
- Zhai, C.; Jiang, S.; Li, S.; Xie, L. Dimensional analysis of earthquake-induced pounding between adjacent inelastic MDOF buildings. Earthq. Eng. Eng. Vib. 2015, 14, 295–313. [Google Scholar] [CrossRef]
- Sak, Ö.F.; Beyen, K. Analysıs of The Collısıon Effect for Adjacent Structures in The Tıme-Frequency Domaın. Eskişehir Technol. Univ. J. Sci. Technol. A Appl. Sci. Eng. 2022, 23, 195–206. [Google Scholar] [CrossRef]
- Akbulut, A.U. Evaluation of Building Type Adjacent Structures Interacted and Single Seismic Performances by Fragility Curves. Ph.D. Thesis, İstanbul Technical University Institute of Science, İstanbul, Turkey, 2018. [Google Scholar]
- Çetinöz, K. Use of Seismic Base Isolators in the Building Type Adjacent Structures. Master’s Thesis, Uşak University Institute of Science, Uşak, Turkey, 2018. [Google Scholar]
- Jin, N.; Yang, Y.Q. Optimizing parameters for anticollision systems between adjacent buildings under earthquakes. Shock. Vib. 2018, 2018, 3952495. [Google Scholar] [CrossRef]
- Yerli, M. Investigation of Pounding Effects of Installation Buildings. Master’s Thesis, Eskisehir Osmangazi University Institute of Science, Eskisehir, Turkey, 2018. [Google Scholar]
- Miari, M.; Choong, K.K.; Jankowski, R. Seismic Pounding between Adjacent Buildings: Identification of Parameters, Soil İnteraction İssues and Mitigation Measures. Soil Dyn. Earthq. Eng. 2019, 121, 135–150. [Google Scholar] [CrossRef]
- Çetin, H. Optimal Placement of Multiple Tuned Mass Dampers in Structures Under Dynamic Excitations. Ph.D. Thesis, Niğde Omer Halisdemir Unıversıty Institute of Science, Niğde, Turkey, 2020. [Google Scholar]
- Dai, K.; Luo, X.; Lu, Y.; Li, B.; Zhong, J.; Zhang, S.; Ge, Q. Seismic collision potential of adjacent base-isolated buildings with corridor bridges subjected to bidirectional near-fault pulse-like ground motions. Soil Dyn. Earthq. Eng. 2020, 135, 106202. [Google Scholar] [CrossRef]
- Kang, X.; Tang, J.; Li, F.; Wu, J.; Wei, J.; Huang, Q.; Li, Z.; Zhang, F.; Sheng, Z. Optimal Tuned Inerter Dampers for Vibration Control Performance of Adjacent Building Structures. Buildings 2023, 13, 1803. [Google Scholar] [CrossRef]
- Kang, X.; Li, S.; Yan, C.; Jiang, X.; Hou, H.; Fan, Z.; Mao, D.; Huang, Q. Enhancing the Seismic Performance of Adjacent Building Structures Based on TVMD and NSAD. Buildings 2023, 13, 2049. [Google Scholar] [CrossRef]
- Mahmoud, S.; Abd-Elhamed, A.; Jankowski, R. Earthquake-induced pounding between equal height multi-storey buildings considering soil-structure interaction. Bull. Earthq. Eng. 2013, 11, 1021–1048. [Google Scholar] [CrossRef]
- Madani, B.; Behnamfar, F.; Riahi, H.T. Dynamic response of structures subjected to pounding and structure–soil–structure interaction. Soil Dyn. Earthq. Eng. 2015, 78, 46–60. [Google Scholar] [CrossRef]
- Kontoni, D.-P.N.; Farghaly, A.A. Seismic Response of Adjacent Unequal Buildings Subjected to Double Pounding Considering Soil-Structure Interaction. Computation 2018, 6, 10. [Google Scholar] [CrossRef]
- Teberik, Ş. Use of Tuned Mass Damper (Tmd) in Structures and Soil Effect. Master’s Thesis, Niğde Omer Halisdemir Unıversıty Institute of Science, Niğde, Turkey, 2019. [Google Scholar]
- Aydin, E.; Ozturk, B.; Bogdanovic, A.; Noroozinejad Farsangi, E. Influence of soil-structure interaction (SSI) on optimal design of passive damping devices. Structures 2020, 28, 847–862. [Google Scholar] [CrossRef]
- Khosravifardshirazi, A.; Tavana, B.; Javadi, A.A.; Johari, A.; Gholzom, S.; Khosravifardshirazi, B.; Akrami, M. Role of the Subgrade Reaction Modulus in the Design of Foundations for Adjacent Buildings. Buildings 2024, 14, 1804. [Google Scholar] [CrossRef]
- Aydin, E. Optimal damper placement based on base moment in steel building frames. J. Constr. Steel Res. 2012, 79, 216–225. [Google Scholar] [CrossRef]
- Turhan, Ö. Optimal Damper Placement to Prevent Pounding of Adjacent Structures. Master’s Thesis, Niğde Ömer Halisdemir Unıversıty Institute of Science, Niğde, Turkey, 2015. [Google Scholar]
- Aydın, E.; Ozturk, B.; Cetin, H.; Sımsek, T. Application of viscous dampers for prevention of pounding in adjacent reinforced concrete buildings. In Proceedings of the 16th World Conference on Earthquake, 16WCEE 2017, Santiago, Chile, 9–13 January 2017. [Google Scholar]
- Aydın, E.; Öztürk, B.; Dikmen, M. Optimal damper placement to prevent pounding of adjacent structures considering a target damping ratio and relative displacement. Omer Halisdemir Univ. J. Eng. Sci. 2017, 6, 581–592. [Google Scholar]
- Dikmen, M. Optimum Design of Viscous Dampers to Prevent Collision Effects in Adjacent Buildings Affected by Earthquakes. Master’s Thesis, Niğde Omer Halisdemir Unıversıty Institute of Science, Niğde, Turkey, 2017. [Google Scholar]
- Kandemir-Mazanoglu, E.C.; Mazanoglu, K. An optimization study for viscous dampers between adjacent buildings. Mech. Syst. Signal Process. 2017, 89, 88–96. [Google Scholar] [CrossRef]
- Roshan, A.M.; Taleshian, H.A.; Eliasi, A. Seismic pounding mitigation by using viscous and viscoelastic dampers. J. Fundam. Appl. Sci. 2017, 9, 377–390. [Google Scholar]
- Karabork, T.; Aydin, E. Optimum Design of Viscous Dampers to Prevent Pounding of Adjacent Structures. Earthq. Structures. 2019, 16, 437–453. [Google Scholar]
- Yıldırım, U. Damping of the Dynamic Effects of Adjacent Structures by Viscous Dampers. Master’s Thesis, Manisa Celal Bayar Unıversıty Institute of Science, Manisa, Turkey, 2019. [Google Scholar]
- Aydin, E.; Ozturk, B.; Dutkiewicz, M. Analysis of efficiency of passive dampers in multistorey buildings. J. Sound Vib. 2019, 439, 17–28. [Google Scholar] [CrossRef]
- Karabork, T. Optimization Damping of Viscous Dampers to Prevent Collisions Between Adjacent Structures with Unequal Heights as a Case Study. Arab. J. Sci. Eng. 2020, 45, 3901–3919. [Google Scholar] [CrossRef]
- Chen, P.; Wu, X. Investigations on the Dynamic Response of Adjacent Buildings Connected by Viscous Dampers. Buildings 2022, 12, 1480. [Google Scholar] [CrossRef]
- Xu, J.; Ma, P.; Hu, Y.; Yao, J. Discussion on Calculation Method of Magnification Factor of Toggle-Brace-Viscous Damper. Buildings 2023, 13, 2006. [Google Scholar] [CrossRef]
- Zhou, Q.; Pan, W.; Lan, X. Study on Vibration Reduction Effect of the Building Structure Equipped with Intermediate Column–Lever Viscous Damper. Buildings 2024, 14, 1881. [Google Scholar] [CrossRef]
- Cimellaro, G.P.; Marasco, S. Introduction to Dynamics of Structures and Earthquake Engineering; Springer: New York, NY, USA, 2018; Volume 45. [Google Scholar]
- Der Kiureghian, A. Structural and System Reliability; Cambridge University Press: Cambridge, UK, 2022. [Google Scholar]
- Housner, G.; Bergman, L.A.; Caughey, T.K.; Chassiakos, A.G.; Claus, R.O.; Masri, S.F.; Yao, J.T. Structural control: Past, present, and future. J. Eng. Mech. 1997, 123, 897–971. [Google Scholar] [CrossRef]
- Takewaki, I. Displacement–acceleration control via stiffness–damping collaboration. Earthq. Eng. Struct. Dyn. 1999, 28, 1567–1585. [Google Scholar] [CrossRef]
- Aydin, E. A simple damper optimization algorithm for both target added damping ratio and interstorey drift ratio. Earthq. Struct. 2013, 5, 83–109. [Google Scholar] [CrossRef]
- Kamiński, M.; Guminiak, M.; Lenartowicz, A.; Łasecka-Plura, M.; Przychodzki, M.; Sumelka, W. Stochastic nonlinear eigenvibrations of thin elastic plates resting on time-fractional viscoelastic supports. Probabilist. Eng. Mech. 2023, 74, 103522. [Google Scholar] [CrossRef]
- Liu, L.; Zheng, Y.; Pan, Z.; Lyu, Q. Energy Dissipation and Performance Assessment of the Connected Structure with a One-Side Damping Layer. Buildings 2022, 12, 1438. [Google Scholar] [CrossRef]
- El Ouni, M.H.; Abdeddaim, M.; Elias, S.; Kahla, N.B. Review of Vibration Control Strategies of High-Rise Buildings. Sensors 2022, 22, 8581. [Google Scholar] [CrossRef]
- Hatipoğlu, Y.S.; Düzgün, O.A. Investigation of the effectiveness of viscous dampers connected to adjacent buildings on dynamic behavior under soil-structure interaction effects. Sigma J. Eng. Nat. Sci. 2020, 11, 51–72. [Google Scholar]
- Lan, X.; Wei, G.; Zhang, X. Study on the Influence and Optimization Design of Viscous Damper Parameters on the Damping Efficiency of Frame Shear Wall Structure. Buildings 2024, 14, 497. [Google Scholar] [CrossRef]
- Kang, X.; Tang, J.; Wei, J.; Jiang, J.; Sheng, Z.; Shi, X. Parameter optimization of vibration control system for adjacent building structures based on negative stiffness inerter damper. Sci. Rep. 2024, 14, 8742. [Google Scholar] [CrossRef] [PubMed]
- Asgarkhani, N.; Kazemi, F.; Jankowski, R. Optimal retrofit strategy using viscous dampers between adjacent RC and SMRFs prone to earthquake-induced pounding. Archiv. Civ. Mech. Eng. 2023, 23, 7. [Google Scholar] [CrossRef]
- He, W.; Zhou, Y.; Xu, H.; Ding, Z. Multi-objective optimization and shaking table test of adjacent structure with viscous dampers. J. Build. Eng. 2024, 100, 111730. [Google Scholar] [CrossRef]
- Asher, J.W.; Young, R.P.; Ewing, R.D. Seismic isolation design of the San Bernardino Couty Medical Center replacement Project. Struct. Des. Tall Build. 1996, 9, 265–279. [Google Scholar] [CrossRef]
- Özenir, A. Retrofit of Existing Reinforced Concrete Hospital Building Using Passive Energy Dissipation Devices or Reinforced Concrete Wall Elements. Master’s Thesis, Kocaeli Unıversıty Institute of Science, Kocaeli, Turkey, 2014. [Google Scholar]
- Farhad, A.A.A.; Aydin, E. Bitişik Binalar için Rölatif Deplasman Tepki Spektrumlarının Oluşturulması ve Çarpışma Riskini Azaltmak için Viskoz Sönümleyici Tasarımı. In Proceedings of the 8th International Student Symposium, Proceedings Book–9, Kahramanmaras, Turkey, 23–25 September 2022. [Google Scholar]
Disclaimer/Publisher’s Note: The statements, opinions and data contained in all publications are solely those of the individual author(s) and contributor(s) and not of MDPI and/or the editor(s). MDPI and/or the editor(s) disclaim responsibility for any injury to people or property resulting from any ideas, methods, instructions or products referred to in the content. |
© 2025 by the authors. Licensee MDPI, Basel, Switzerland. This article is an open access article distributed under the terms and conditions of the Creative Commons Attribution (CC BY) license (https://creativecommons.org/licenses/by/4.0/).




















