Static Performance of Pre-Fabricated and Cast-in-Place Joints Formed by Inserting Steel Secondary Beam into Concrete Girder
Abstract
1. Introduction
2. Experimental Program
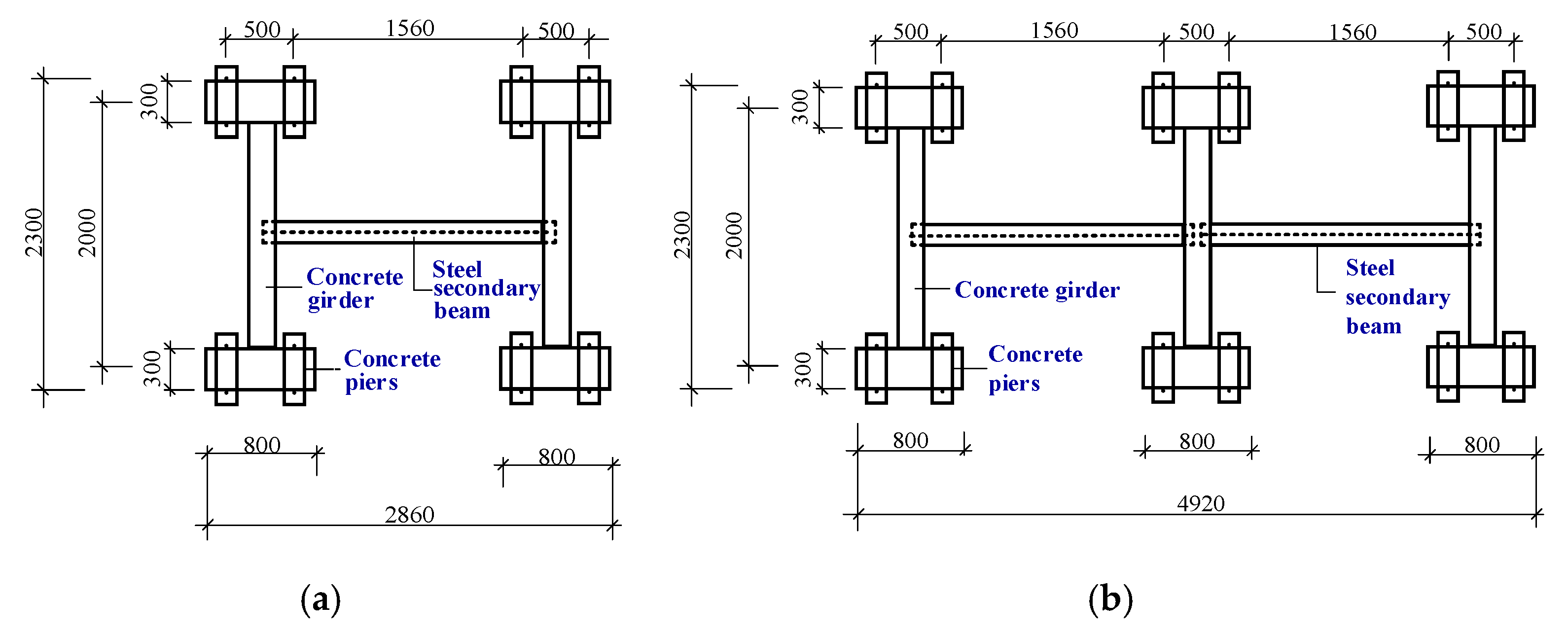
2.1. Design of Specimens
2.2. Material Properties
2.3. Test Procedure
3. Analysis of Test Results
3.1. Failure Process
3.2. Load–Displacement Curves of SSB
3.3. Load–Strain Relationship
- (1)
- Stage I: Elastic stage
- (2)
- Stage II: Cracking stage
- (3)
- Stage III: Yield stage
- (4)
- Stage IV: Ultimate stage
3.4. Displacement Ductility Coefficient
4. Prediction of Punching Shear Resistance
5. Conclusions
- (1)
- Punching failure at the bottom of the concrete girder by the inserted SSB occurred in all joint specimens. Diagonal cracks with inclination angles of 30–35° appeared between the lower flange of the SSB and the concrete girder bottom. A punching cone formed in the damaged area, and the stirrup reached its yield strain within the punching cone range.
- (2)
- The joint specimens with bilaterally inserted beams showed more obvious brittleness than those with unilateral inserted beams, and the failure mode was changed from multi-crack to single-crack. The cracks formed by punching were steeper for the case of a bilaterally inserted joint.
- (3)
- There was the limited difference in the punching capacities of prefabricated and cast-in-place joints, but the displacement ductility coefficient of the AJ-1 joint increased by 22.9% compared with the SJ-1 counterpart, and the displacement ductility coefficient of AJ-2 increased by 41.3% compared with the case of SJ-2. This indicated that the application of high-performance cement-based grout materials in the prefabricated inserted joints resulted in better deformation ability.
- (4)
- According to the punching failure mechanism of the joints formed by inserting SSB into concrete girders, design equations for the punching capacity were proposed with favorable accuracy. The equations provided a useful reference for designing this type of joint in engineering practice.
Author Contributions
Funding
Data Availability Statement
Conflicts of Interest
References
- Liu, J.; Pan, Z.; Pan, Z.; He, S.; Yu, W. Experimental Investigation on the Axial Loading Performance of Grooving-Damaged Square Hollow Concrete-Filled Steel Tube Columns. Buildings 2024, 14, 87. [Google Scholar] [CrossRef]
- Wang, Y.; Chen, G.; Wan, B.; Han, B.; Ran, J. Axial compressive behavior and confinement mechanism of circular FRP-steel tubed concrete stub columns. Compos. Struct. 2021, 256, 113082. [Google Scholar] [CrossRef]
- Chen, G.; Wang, Y.; Yu, T.; Zhang, B.; Han, B. Elliptical FRP-concrete-steel double-skin tubular columns: Axial behavior, interaction mechanism, and modeling. J. Compos. Constr. 2022, 26, 04022078. [Google Scholar] [CrossRef]
- De Souza, R.A.; Trautwein, L.M.; Ferreira, M.D. Reinforced Concrete Corbel Strengthened Using Car-bon Fiber Reinforced Polymer (CFRP) Sheets. J. Compos. Sci. 2019, 3, 26. [Google Scholar] [CrossRef]
- Sun, X.H.; Feng, X.X.; Yang, S.T.; Li, S.L.; Wang, Y.Q. Experimental Study on Joint Properties of Steel Secondary Beam Connected with Concrete Girder Using an Embedded Part. IOP Conf. Ser. Earth Environ. Sci. 2021, 719, 022065. [Google Scholar] [CrossRef]
- Yu, Q.; Lu, Z.D.; Yu, J.T.; Zhao, X.Z.; Dai, J. Experimental study on specimens of steel secondary beam embedded in reinforced concrete girder of frame structure. Adv. Mater. Res. 2011, 243, 1072–1084. [Google Scholar] [CrossRef]
- Yang, Q.F.; Qin, W.K.; Zhou, J.B. Experimental study on the joint connection of unilateral steel timbers inserted into the concrete girder. J. Civ. Eng. Manag. 2011, 28, 53–58. (In Chinese) [Google Scholar]
- Hwang, J.H.; Ock, J.H.; Kim, Y.; Mauk, J.W.; Bae, J. The Pushout Test of Seismic Reinforcement System (SRM) Connection that Respond to Earthquake Extensive Level. Int. J. Civ. Eng. 2020, 18, 1347–1363. [Google Scholar] [CrossRef]
- Farsi, A.; Keshavarzi, F.; Pouladi, P.; Mirghaderi, R. Experimental study of a replaceable steel coupling beam with an end-plate connection. J. Constr. Steel Res. 2016, 122, 138–150. [Google Scholar] [CrossRef]
- Yu, Q.; Xu, J.L.; Zhao, X.Z. Mechanical property analysis on joints of steel secondary beam inserted in reinforced concrete frame girder. Appl. Mech. Mater. 2012, 166, 3087–3094. [Google Scholar] [CrossRef]
- Yang, Q.F.; Zhou, J.B.; Qin, W.K.; Gong, T.N. The experimental study on joint’s bearing capacity of bi-lateral steel timbers inserting into frame’s concrete beam. Constr. Tech. 2011, 40, 75–78. (In Chinese) [Google Scholar]
- Hou, S.; Shi, D.; Fan, J.; Wu, T.; Sun, W.; Wu, G.; Fan, X. Comparative study on failure mechanism of full-scale precast and cast-in-place beam-column joints based on acoustic emission technology. Structures 2024, 65, 106629. [Google Scholar] [CrossRef]
- Mousavizadeh, M.M.; Ghandi, E.; Farzam, M.; Gholizad, A. An experimental and numerical study of plastic hinge relocation in the exterior RC beam-to-column joints with the implementation of the local weakening method. Eng. Struct. 2024, 317, 118696. [Google Scholar] [CrossRef]
- Xu, J.; Zhou, T.; Chen, Z.; Liu, X.; Qiao, W. Experimental research on H-section beam-square steel column joints connected by self-tapping screws. Thin-Walled Struct. 2024, 200, 111923. [Google Scholar] [CrossRef]
- Han, W.; Nie, S.; Chen, Z.; Yang, B.; Deng, Y.; Elchalakani, M. Seismic behavior of high-performance steel (HPS) weakened beam-column joints: Experimental tests and numerical analysis. J. Build. Eng. 2024, 92, 109807. [Google Scholar] [CrossRef]
- Li, R. Study on static performance of steel secondary beam-concrete main girder joints of composite structure floor. Sichuan Build. Sci. 2024, 50, 15–20. (In Chinese) [Google Scholar]
- Zhang, L.; Yao, J.; Hu, Y.; Gao, J.; Cheng, Z. Predicting shear strength of steel fiber reinforced concrete beam-column joints by modified compression field theory. Structures 2022, 41, 1432–1441. [Google Scholar] [CrossRef]
- Ke, X.; Tang, Z.; Yang, C. Shear bearing capacity of steel-reinforced recycled aggregate concrete short beams based on modified compression field theory. Structures 2022, 45, 645–658. [Google Scholar] [CrossRef]
- Xu, L.; Pan, J.L.; Cai, J.M. Seismic performance of precast RC and RC/ECC composite columns with grouted sleeve connections. Eng. Struct. 2019, 188, 104–110. [Google Scholar] [CrossRef]
- Ismail, M.K.; Abdelaleem, B.H.; Hassan, A.A.A. Effect of fiber type on the behavior of cementitious composite beam-column joints under reversed cyclic loading. Constr. Build. Mater. 2018, 186, 969–977. [Google Scholar] [CrossRef]
- Campione, G.; Cannella, F.; Ferrotto, M. Flexural Behavior for External Beam-Column SFRC Joints: Experimental Investigation and Design Suggestions. Int. J. Civ. Eng. 2024, 22, 479–490. [Google Scholar] [CrossRef]
- GB/T 228-2010; Metallic Materials-Tensile Testing—Part 1: Method of Test at Room Temperature. Standards Press of China: Beijing, China, 2010.
- GB/T 50448-2015; Technical Code for Application of Cementitious Grout. Standards Press of China: Beijing, China, 2015.
- Jalil, S.A.; Anwar, A.; Chou, S.M.; Tai, K. Material yield strain identification using energy absorption. J. Strain Anal. Eng. 2018, 53, 463–469. [Google Scholar] [CrossRef]
- Park, R. Evaluation of ductility of structures and structural assemblages from laboratory testing. Bull. N. Z. Soc. Earthq. Eng. 1989, 22, 155–166. [Google Scholar] [CrossRef]
- Yang, J.; Wang, R.; Zhang, Y. Influence of dually mixing with latex powder and polypropylene fiber on toughness and shrinkage performance of overlay repair mortar. Constr. Build. Mater. 2020, 261, 120521. [Google Scholar] [CrossRef]
- GB. 50010-2010; Code for Design of Concrete Structures. Standards Press of China: Beijing, China, 2010.














| Steel Bar/Plate | Yield Strength/MPa | Tensile Strength/MPa |
|---|---|---|
| Stirrup with diameter of 6 mm | 417 | 597 |
| Stirrup with diameter of 8 mm | 435 | 613 |
| Longitudinal bar with diameter of 12 mm | 439 | 614 |
| Longitudinal bar with diameter of 16 mm | 424 | 603 |
| Web plate with thickness of 6 mm | 363 | 542 |
| Flange plate with thickness of 9 mm | 403 | 556 |
| Initial Fluidity/mm | Fluidity after 30 min/mm | Difference of Vertical Expansion Rate between 3 h and 24 h/% | 28 d Flexural Strength/MPa | 28 d Compressive Strength/MPa |
|---|---|---|---|---|
| 322.5 | 314 | 0.4 | 15.3 | 72.0 |
| Specimen | Pcr /kN | Py /kN | Pmax /kN |
|---|---|---|---|
| SJ-1 | 80.1 | 133.2 | 146.6 |
| AJ-1 | 75.2 | 128.1 | 145.4 |
| SJ-2 | 124.9 | 230.2 | 256.4 |
| AJ-2 | 125.3 | 224.8 | 259.4 |
| Specimen | ∆y /mm | ∆u /mm | μ |
|---|---|---|---|
| SJ-1 | 6.83 | 11.7 | 1.71 |
| AJ-1 | 6.10 | 12.8 | 2.10 |
| SJ-2 | 8.60 | 11.9 | 1.38 |
| AJ-2 | 7.33 | 14.3 | 1.95 |
| Specimen | Calculated Value /kN | Experimental Value /kN | Relative Error /% |
|---|---|---|---|
| SJ-1 | 71.1 | 73.3 | 3.0 |
| AJ-1 | 71.3 | 72.7 | 1.9 |
| SJ-2 | 123.9 | 128.2 | 3.4 |
| AJ-2 | 124.1 | 129.7 | 4.3 |
Disclaimer/Publisher’s Note: The statements, opinions and data contained in all publications are solely those of the individual author(s) and contributor(s) and not of MDPI and/or the editor(s). MDPI and/or the editor(s) disclaim responsibility for any injury to people or property resulting from any ideas, methods, instructions or products referred to in the content. |
© 2024 by the authors. Licensee MDPI, Basel, Switzerland. This article is an open access article distributed under the terms and conditions of the Creative Commons Attribution (CC BY) license (https://creativecommons.org/licenses/by/4.0/).
Share and Cite
Sun, X.; Yang, S.; Chen, G.; Li, S.; Wang, Y.; Liu, Z.; Yang, Q. Static Performance of Pre-Fabricated and Cast-in-Place Joints Formed by Inserting Steel Secondary Beam into Concrete Girder. Buildings 2024, 14, 2526. https://doi.org/10.3390/buildings14082526
Sun X, Yang S, Chen G, Li S, Wang Y, Liu Z, Yang Q. Static Performance of Pre-Fabricated and Cast-in-Place Joints Formed by Inserting Steel Secondary Beam into Concrete Girder. Buildings. 2024; 14(8):2526. https://doi.org/10.3390/buildings14082526
Chicago/Turabian StyleSun, Xiaohong, Shutong Yang, Guipeng Chen, Shenglin Li, Yanqiang Wang, Zhanyu Liu, and Qi Yang. 2024. "Static Performance of Pre-Fabricated and Cast-in-Place Joints Formed by Inserting Steel Secondary Beam into Concrete Girder" Buildings 14, no. 8: 2526. https://doi.org/10.3390/buildings14082526
APA StyleSun, X., Yang, S., Chen, G., Li, S., Wang, Y., Liu, Z., & Yang, Q. (2024). Static Performance of Pre-Fabricated and Cast-in-Place Joints Formed by Inserting Steel Secondary Beam into Concrete Girder. Buildings, 14(8), 2526. https://doi.org/10.3390/buildings14082526

