Out-of-Plane Design Equations for Confined Masonry Walls
Abstract
1. Introduction
2. Methodology
2.1. Experimental Program
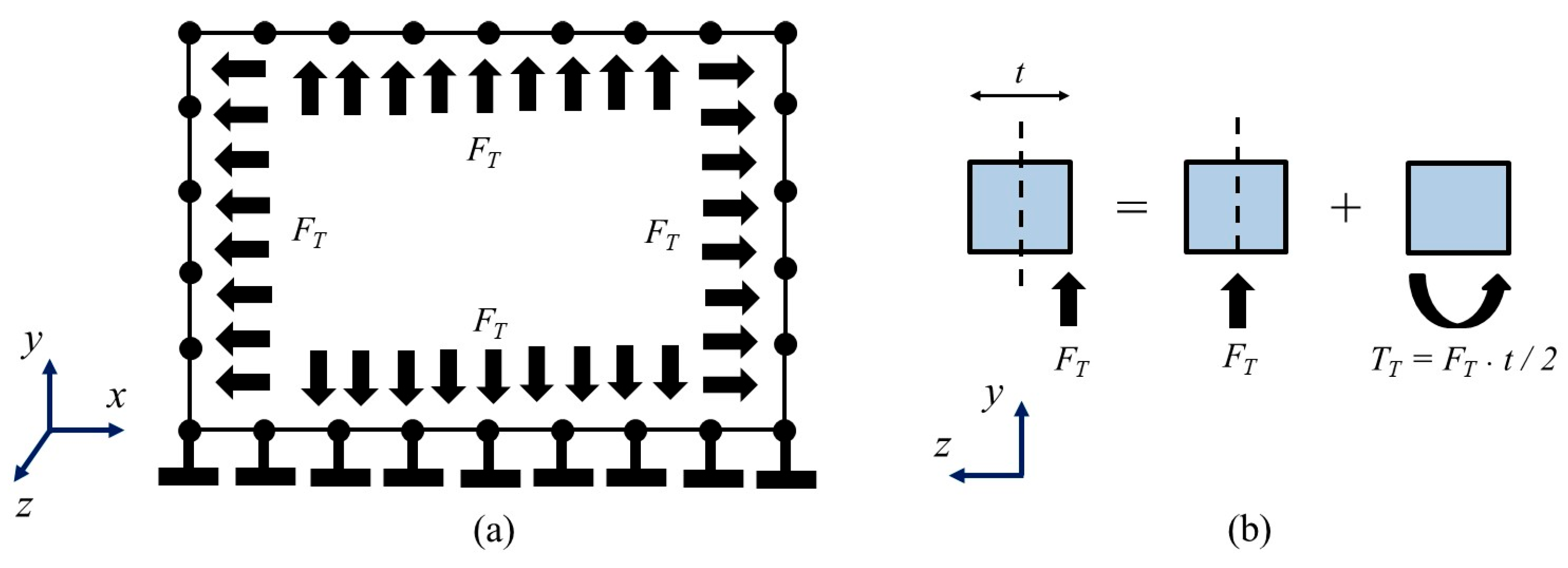
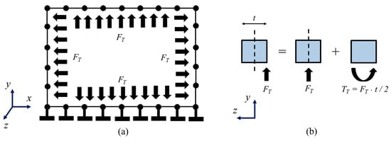
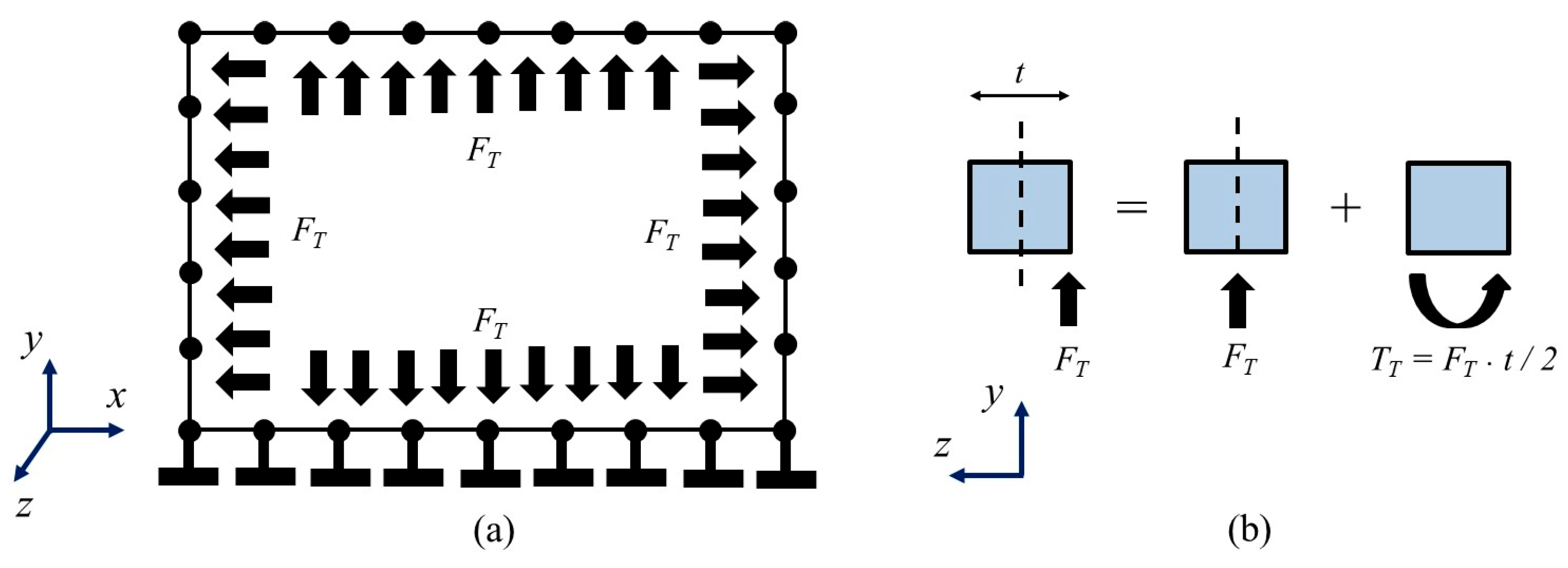
2.2. Bidirectional Strut Method
2.3. Primary and Secondary Variables
2.4. Design Equations for Out-of-Plane Strength and in-Plane Forces of Confined Walls
3. Results and Discussion
3.1. Experimental
3.1.1. Material Properties
3.1.2. Wall Test
3.2. Parametric Analysis
3.3. Design Equations
3.3.1. Out-of-Plane Strength of Confined Walls
3.3.2. In-Plane Forces
4. Conclusions
- The cracking pattern of walls was in general similar. Initially, a horizontal crack formed on the central area of wall panels. Later, diagonal cracks formed from the end of the horizontal crack to the corners of wall panels. Two horizontal cracks and two vertical cracks, located approximately around the wall panel, were observed on the wall face in contact with the airbags. The final cracking pattern of the walls was similar to those observed in previous works for corresponding walls. In addition, larger cracks were observed in the confining elements of wall M1 compared to those of M2 and walls tested in previous works. This was associated with a larger flexibility of the top horizontal confining element of wall M1 because minimum cross-section dimensions were considered.
- The experimental out-of-plane strength increased as the wall length decreased. Failure of wall M1 was related to snap through of wall segments. Failure of wall M2 was related to crushing of masonry. The change in the failure type was related to wall length and the corresponding change in the in-plane stiffness of the top horizontal confining element.
- The computational out-of-plane strength of the confined walls studied was controlled by the crushing of masonry and snap-through of wall segments at about 90% and 10%, respectively. Because of this reason, design equations were developed considering all the walls together, that is, design equations were not developed for each type of failure.
- The out-of-plane strength of confined walls increased as the compressive strength of masonry, the wall thickness, the stiffness of the confining elements, and the wall axial stress increased. On the contrary, this strength decreased as the height and length of walls increased. The parameters related to the geometry of the wall panel (thickness, length, and height) are those that have the greatest influence on the out-of-plane strength of confined masonry walls.
- The computational and experimental out-of-plane strengths of confined walls were better predicted with the first design equation. In this equation, the interaction between the properties of the wall panel and the stiffness of the confining elements was included. In addition, in this equation, the stiffness of the confining elements was calculated considering flexural and torsional effects.
- The second out-of-plane strength design equation is a simplified version of the first one, predicts well the computational and experimental out-of-plane strengths, and was developed for engineering practice.
- The design equation for the in-plane forces transferred to the confining elements predicts well the computational in-plane forces. The presence of the axial load reduces the in-plane forces because they are opposite to each other. This design equation is required to design the reinforced concrete confining elements.
Author Contributions
Funding
Data Availability Statement
Acknowledgments
Conflicts of Interest
References
- Ruggieri, S.; Liguori, F.S.; Leggieri, V.; Bilotta, A.; Madeo, A.; Casolo, S.; Uva, G. An archetype-based automated procedure to derive global-local seismic fragility of masonry building aggregates: META-FORMA-XL. Int. J. Disast. Risk Re. 2023, 95, 103903. [Google Scholar] [CrossRef]
- Shawa, O.A.; Felice, G.; Mauro, A.; Sorrentino, L. Out-of-plane seismic behaviour of rocking masonry walls. Earthq. Eng Struct Dynam 2012, 41, 949–968. [Google Scholar] [CrossRef]
- Fernandez-Baqueiro, L.; Varela-Rivera, J.; Vivas-Pereira, J.; Félix-Solís, E. Evaluación de daños causados por el huracán Wilma en la Riviera Maya. In Proceedings of the XV Congreso Nacional de Ingeniería Estructural, SMIE, Puerto Vallara, Jalisco, México, 1 November 2006. (In Spanish). [Google Scholar]
- Ferreira, T.M.; Costa, A.A.; Costa, A. Analysis of the out-of-plane seismic behavior of unreinforced masonry: A literature review. Int. J. Archit. Herit. 2015, 9, 949–972. [Google Scholar] [CrossRef]
- Costa, A.A.; Arede, A.; Costa, A.; Guedes, J.; Silva, B. Experimental testing, numerical modelling and seismic strengthening of traditional stone masonry: Comprehensive study of a real Azorian pier. Bull. Earthq. Eng. 2012, 10, 135–159. [Google Scholar] [CrossRef]
- Griffith, M.C.; Vaculik, J. Out-of-plane flexural strength of unreinforced clay brick masonry walls. TMS J. 2007, 25, 53–68. [Google Scholar]
- Derakhshan, H.; Lucas, W.; Visintin, P.; Griffith, M.C. Out-of-plane strength of existing two-way spanning solid and cavity unreinforced masonry walls. Structures 2018, 13, 88–101. [Google Scholar] [CrossRef]
- Malomo, D.; Pinho, R.; Penna, A. Numerical modelling of the out-of-plane response of full-scale brick masonry prototypes subjected to incremental dynamic shake-table tests. Eng. Struct. 2020, 209, 110298. [Google Scholar] [CrossRef]
- Dawe, J.L.; Seah, C.K. Out-of-plane resistance of concrete masonry infilled panels. Can. J. Civil Eng. 1989, 16, 854–864. [Google Scholar] [CrossRef]
- Abrams, D.P.; Angel, R.; Uzarski, J. Out-of-plane strength of unreinforced masonry infill panels. Earthq. Spectra 1996, 12, 825–844. [Google Scholar] [CrossRef]
- Klingner, R.E.; Rubiano, N.R.; Bashandy, T.R.; Sweeney, S.C. Evaluation and analytical verification of shaking table data from infilled frames Part II: Out-of-plane behavior. In Proceedings of the 7th North American Masonry Conference, Masonry Society, South Bend, IN, USA, 2 June 1996. [Google Scholar]
- Tu, Y.H.; Liu, P.M.; Lin, H.P. Out-of-plane seismic behavior of unreinforced masonry in-filled walls. In Proceedings of the Structures Congress 2007 (ASCE), Long Beach, CA, USA, 16 May 2007. [Google Scholar]
- Furtado, A.; Rodrigues, H.; Arêde, A.; Varum, H. Experimental evaluation of out-of-plane capacity of masonry infill walls. Eng. Struct. 2016, 111, 48–63. [Google Scholar] [CrossRef]
- Kazemi, M.T.; Hoseinzadeh Asl, M.; Rahimzadeh Rofooei, F. Shaking table study of a full-scale single storey confined brick masonry building. Sci. Iran 2010, 17, 184–193. [Google Scholar]
- Varela-Rivera, J.; Navarrete-Macias, D.; Fernandez-Baqueiro, L.; Moreno, E.I. Out-of-plane behaviour of confined masonry walls. Eng. Struct. 2011, 33, 1734–1741. [Google Scholar] [CrossRef]
- Varela-Rivera, J.; Moreno-Herrera, J.; Lopez-Gutierrez, I.; Fernandez-Baqueiro, L. Out-of-plane strength of confined masonry walls. J. Struct. Eng.-ASCE 2012, 138, 1331–1341. [Google Scholar] [CrossRef]
- Varela-Rivera, J.; Polanco-May, M.; Fernandez-Baqueiro, L.; Moreno, E.I. Confined masonry walls subjected to combined axial loads and out-of-plane uniform pressures. Can. J. Civil Eng. 2012, 39, 439–447. [Google Scholar] [CrossRef]
- Singhal, V.; Rai, D.C. Seismic behavior of confined masonry walls when subjected to in-plane and out-of-plane loading. In Proceedings of the 10th U.S. National Conference on Earthquake Engineering, Earthquake Engineering Research Institute, Anchorage, AK, USA, 21 July 2014. [Google Scholar]
- Varela-Rivera, J.L.; Chan-Esquivel, S.; Fernández-Baqueiro, L.E.; Moreno-Herrera, J.A. Comportamiento de muros de mampostería confinada con aberturas sujetos a cargas fuera del plano. Concreto Cem. Investig. Desarro. 2015, 7, 52–65. (In Spanish) [Google Scholar]
- Moreno-Herrera, J.; Varela-Rivera, J.; Fernandez-Baqueiro, L. Out-of-plane design procedure for confined masonry walls. J. Struct. Eng.-ASCE 2016, 142, 04015126. [Google Scholar] [CrossRef]
- Bahreini, V.; Mahdi, T.; Najafizadeh, M.M. Evaluation of brick infill walls under in-plane and out-of-plane loading. J. Vibroeng. 2017, 19, 394–408. [Google Scholar] [CrossRef]
- Varela-Rivera, J.; Moreno-Herrera, J.; Fernandez-Baqueiro, L.; Cacep-Rodriguez, J.; Freyre-Pinto, C. Out-of-plane behavior of confined masonry walls with aspect ratios greater than one. Can. J. Civil Eng. 2021, 48, 89–97. [Google Scholar] [CrossRef]
- Ridwan, M.; Yoshitake, I.; Nassif, A.Y. Two-dimensional fictitious truss method for estimation of out-of-plane strength of masonry walls. Constr. Build. Mater. 2017, 152, 24–38. [Google Scholar] [CrossRef]
- Perez Gavilan Escalante, J.J.; Brzev, S.; Espinosa Cazarin, E.F.; Ganzerli, S.; Quiun, D.; Reiter, M.T. Experimental research studies on seismic behaviour of confined masonry structures: Current status and future needs. Buildings 2023, 13, 1776. [Google Scholar] [CrossRef]
- Drysdale, R.G.; Essawy, A.S. Out-of-plane bending of concrete block walls. J. Struct. Eng. 1988, 114, 121–133. [Google Scholar] [CrossRef]
- Moreno-Herrera, J.; Varela-Rivera, J.; Fernandez-Baqueiro, L. Bidirectional strut method: Out-of-plane strength of confined masonry walls. Can. J. Civil Eng. 2014, 41, 1029–1035. [Google Scholar] [CrossRef]
- Lourenço, P.B. Anisotropic softening model for masonry plates and shells. J. Struct. Eng. ASCE 2000, 126, 1008–1016. [Google Scholar] [CrossRef]
- Milani, G.; Lourenço, P.; Tralli, A. Homogenization approach for the limit analysis of out-of-plane loaded masonry walls. J. Struct. Eng. ASCE 2006, 132, 1650–1663. [Google Scholar] [CrossRef]
- Noor-E-Khuda, S.; Dhanasekar, M.; Thambiratnam, D.P. An explicit finite element modelling method for masonry walls under out-of-plane loading. Eng. Struct 2016, 113, 103–120. [Google Scholar] [CrossRef]
- Casolo, S. Modelling the out-of-plane seismic behaviour of masonry walls by rigid elements. Earthq. Eng. Struct. Dyn. 2000, 29, 1797–1813. [Google Scholar] [CrossRef]
- De Felice, G. Out-of-plane seismic capacity of masonry depending on wall section morphology. Int. J. Archit. Herit. 2011, 5, 466–482. [Google Scholar] [CrossRef]
- Mercuri, M.; Pathirage, M.; Gregori, A.; Cusatis, G. Computational modeling of the out-of-plane behavior of unreinforced irregular masonry. Eng. Struct. 2020, 223, 111181. [Google Scholar] [CrossRef]
- Tena-Colunga, A.; Mena-Hernández, U.; Pérez-Rocha, L.; Avilés, J.; Ordaz, M.; Vilar, J. Updated Seismic Design Guidelines for Model Building Code of Mexico. Earthq. Spectra 2009, 25, 869–898. [Google Scholar] [CrossRef]
- Marques, R.; Lourenço, P.B. Structural behaviour and design rules of confined masonry walls: Review and proposals. Constr. Build. Mater. 2019, 217, 137–155. [Google Scholar] [CrossRef]
- Servicio Nacional de Capacitación para la Industria de la Construcción (SENCICO). Norma E.070—Albañilería; SENICO: Lima, Peru, 2020. (In Spanish) [Google Scholar]
- Ministerio de Ambiente, Vivienda y Desarrollo Territorial (MAVDT). NSR-10 Reglamento Colombiano de Construcción Sismo Resistente; MAVDT: Bogotá, Colombia, 2010. (In Spanish) [Google Scholar]
- Gobierno de la Ciudad de México (GCM). NTC-Mampostería Normas Técnicas Complementarias para el Diseño y Construcción de Estructuras de Mampostería; GCM: Mexico City, Mexico, 2023. (In Spanish) [Google Scholar]
- Pasca, M.; Liberatorea, L.; Masiani, R. Reliability of analytical models for the prediction of out-of-plane capacity of masonry infills. Struct. Eng. Mech. 2017, 64, 765–781. [Google Scholar]
- Organismo Nacional de Normalización y Certificación de la Construcción y la Edificación (ONNCCE). NMX-C-036-ONNCCE-2013 Industria de la Construcción—Bloques, Tabiques o Ladrillos, Tabicones y Adoquines—Resistencia a la Compresión—Método de Prueba; ONNCCE: Mexico City, Mexico, 2013. (In Spanish) [Google Scholar]
- Organismo Nacional de Normalización y Certificación de la Construcción y la Edificación (ONNCCE). NMX-C-061-ONNCCE-2015 Industria de la Construcción—Cementos Hidráulicos—Determinación de la Resistencia a la Compresión de Cementantes Hidráulicos; ONNCCE: Mexico City, Mexico, 2015. (In Spanish) [Google Scholar]
- Organismo Nacional de Normalización y Certificación de la Construcción y la Edificación (ONNCCE). NMX-C-464-ONNCCE-2010 Industria de la Construcción—Mampostería—Determinación de la Resistencia a Compresión Diagonal y Módulo de Cortante de Muretes, así como Determinación de la Resistencia a Compresión y Módulo de Elasticidad de Pilas de Mampostería de Arcilla o de Concreto—Métodos de Ensayo; ONNCCE: Mexico City, Mexico, 2010. (In Spanish) [Google Scholar]
- ASTM-E-72-2005; Standard Test Methods of Conducting Strength Tests of Panels for Building Construction. ASTM (American Standard Test Methods): West Conshohocken, PA, USA, 2005.
- Organismo Nacional de Normalización y Certificación de la Construcción y la Edificación (ONNCCE). NMX-C-083-ONNCCE-2014 Industria de la Construcción—Concreto—Determinación de la Resistencia a la Compresión de Cilindros de Concreto—Método de Prueba; ONNCCE: Mexico City, Mexico, 2014. (In Spanish) [Google Scholar]
- Moreno-Herrera, J. Propuesta de Diseño Para Muros de Mampostería Confinada Sujetos a Cargas Fuera Del Plano. Ph.D. Thesis, Engineering-Universidad Autonoma de Yucatan, Merida, Yucatan, Mexico, 2014. (In Spanish). [Google Scholar]





















| Wall | VCE | HCE | ||
|---|---|---|---|---|
| LR | TR | LR | TR | |
| M1 | 4 No. 3 | No. 2 @ 90 mm (0–0.50 m) No. 2 @ 200 mm (0.50–1.31 m) No. 2 @ 100 mm (1.31–1.81 m) No. 2 @ 50 mm (1.81–2.31 m) | 4 No. 3 | No. 2 @ 50 mm (0–0.40 m, 2.47–2.87 m) No. 2 @ 70 mm (0.40–1.10 m, 1.77–2.47 m) No. 2 @ 200 mm (1.10–1.77 m) |
| M2 | 4 No. 3 | No. 2 @ 40 mm (0–0.30 m) No. 2 @ 70 mm (0.30–0.80 m) No. 2 @ 200 mm (0.80–1.51 m) No. 2 @ 70 mm (1.51–1.91 m) No. 2 @ 40 mm (1.91–2.31 m) | 4 No. 3 | No. 2 @ 40 mm (0–0.30 m, 1.91–2.31 m) No. 2 @ 70 mm (0.30–0.80 m, 1.51–1.91 m) No. 2 @ 200 mm (0.80–1.51 m) |
| Variable | Values | |||||
|---|---|---|---|---|---|---|
| (MPa) | 2 | 4 | 6 | 10 | -- | -- |
| (mm) | 2000 | 2500 | 3000 | -- | -- | -- |
| (mm) | 1500 | 2000 | 2500 | 3000 | 3500 | 4000 |
| (mm) | 100 | 120 | 150 | 200 | -- | -- |
| (mm) | 150 | 200 | 250 | 300 | -- | -- |
| (MPa) | 0 | 0.079 | 0.157 | 0.235 | 0.314 | 0.392 |
| Constant | Intervals | ||
|---|---|---|---|
| 9.6 | 9.0 | 5.5 | |
| −0.325 | −0.305 | −0.26 | |
| 0.189 | 0.189 | 0.146 | |
| 3.41 | 3.27 | 3.34 | |
| −0.309 | −0.242 | −0.237 | |
| −0.099 | −0.029 | 0.087 | |
| −4.36 | −2.53 | 0.387 | |
| 0.639 | 0.456 | −0.122 | |
| −0.838 | −2.43 | −5.32 | |
| 0.222 | 0.204 | 0.737 | |
| Constant | Intervals | ||
|---|---|---|---|
| 14.5 | 0.20 | 0.14 | |
| −0.489 | −0.38 | −0.078 | |
| 0.184 | 0.20 | 0.136 | |
| 4.41 | 3.80 | 2.79 | |
| −0.411 | −0.344 | −0.190 | |
| −0.174 | 0.545 | 0.595 | |
| −7.14 | 0 | 0 | |
| 1.07 | 0.003 | 0.066 | |
| 0.938 | 0 | 0 | |
| −0.213 | −0.26 | −0.287 | |
| Constant | Intervals | ||
|---|---|---|---|
| 6.4 | 6.3 | 12.2 | |
| −0.676 | −0.701 | −0.961 | |
| 0.25 | 0.26 | 0.237 | |
| 0.514 | 0.418 | 0.34 | |
| −0.617 | −0.70 | −0.605 | |
| 0.281 | −0.044 | −0.059 | |
| −0.489 | 0.103 | −0.077 | |
| 1.15 | 1.37 | 1.46 | |
| −0.05 | −0.105 | −0.091 | |
| Equation | Metrics of the Multiple Linear Regression | |||
|---|---|---|---|---|
| Correlation Coefficient | Coefficient of Determination (R2) | Standard Error | Number of Observations | |
| () | 0.993 | 0.986 | 0.051 | 576 |
| () | 0.982 | 0.964 | 0.077 | 384 |
| () | 0.997 | 0.993 | 0.031 | 384 |
| () | 0.993 | 0.986 | 0.052 | 576 |
| () | 0.974 | 0.949 | 0.091 | 384 |
| () | 0.994 | 0.987 | 0.042 | 384 |
| () | 0.971 | 0.942 | 0.095 | 2879 |
| () | 0.903 | 0.817 | 0.171 | 1920 |
| () | 0.947 | 0.896 | 0.117 | 1917 |
| Equation | Metrics of the Multiple Linear Regression | |||
|---|---|---|---|---|
| Correlation Coefficient | Coefficient of Determination (R2) | Standard Error | Number of Observations | |
| () | 0.978 | 0.957 | 0.088 | 576 |
| () | 0.988 | 0.975 | 0.061 | 384 |
| () | 0.977 | 0.954 | 0.092 | 576 |
| () | 0.991 | 0.982 | 0.051 | 384 |
| () | 0.972 | 0.945 | 0.092 | 2880 |
| () | 0.904 | 0.817 | 0.164 | 2877 |
| Wall | (MPa) | (mm) | (mm) | (mm) | (kPa) | (GPa) | (mm) | (mm) | (kPa) |
|---|---|---|---|---|---|---|---|---|---|
| 1 | 4.97 | 3570 | 2710 | 143 | 0.00 | 18.46 | 150 | 150 | 7.53 |
| 2 | 4.97 | 2750 | 2710 | 143 | 0.00 | 18.08 | 150 | 150 | 11.25 |
| 3 | 6.20 | 3770 | 2760 | 113 | 78.45 | 16.79 | 250 | 250 | 8.81 |
| 4 | 6.48 | 3770 | 2760 | 115 | 81.40 | 17.90 | 250 | 250 | 10.49 |
| 5 | 6.17 | 3770 | 2760 | 120 | 79.43 | 17.37 | 250 | 250 | 11.06 |
| 6 | 4.15 | 3770 | 2760 | 114 | 80.41 | 17.90 | 250 | 250 | 7.33 |
| 7 | 6.20 | 2950 | 2760 | 113 | 87.28 | 17.19 | 250 | 250 | 13.44 |
| 8 | 6.48 | 2950 | 2760 | 115 | 92.18 | 17.81 | 250 | 250 | 17.61 |
| 9 | 6.17 | 2950 | 2760 | 120 | 78.45 | 17.64 | 250 | 250 | 18.06 |
| 10 | 4.15 | 2950 | 2760 | 114 | 85.32 | 17.59 | 250 | 250 | 14.24 |
| 11 | 5.68 | 2950 | 2720 | 144 | 0.00 | 14.66 | 250 | 250 | 16.51 |
| 12 | 4.08 | 2950 | 2720 | 116 | 0.00 | 16.37 | 250 | 250 | 14.26 |
| 13 | 5.28 | 3700 | 2700 | 144 | 65.70 | 16.39 | 200 | 200 | 14.59 |
| 14 | 5.28 | 3700 | 2700 | 144 | 196.13 | 16.99 | 200 | 200 | 15.96 |
| 15 | 6.22 | 3570 | 2710 | 144 | 0.00 | 17.13 | 150 | 170 | 10.01 |
| 16 | 6.22 | 2490 | 2710 | 144 | 151.02 | 17.13 | 150 | 170 | 18.43 |
| 17 | 6.22 | 2490 | 2710 | 144 | 0.00 | 17.13 | 150 | 170 | 14.78 |
| 18 | 6.22 | 2490 | 2710 | 144 | 0.00 | 17.13 | 150 | 170 | 15.79 |
| 19 | 5.96 | 1930 | 2710 | 145 | 0.00 | 18.19 | 150 | 150 | 19.72 |
| 20 | 5.96 | 1930 | 2710 | 145 | 340.20 | 18.32 | 150 | 150 | 24.23 |
| Wall | (mm) | (mm) | (kPa) | (kPa) | (kPa) | |||
|---|---|---|---|---|---|---|---|---|
| 1 | 3420 | 2560 | 0.75 | 7.53 | 6.27 | 6.06 | 0.83 | 0.80 |
| 2 | 2600 | 2560 | 0.98 | 11.25 | 12.43 | 11.36 | 1.10 | 1.01 |
| 3 | 3520 | 2510 | 0.71 | 8.81 | 8.63 | 8.15 | 0.98 | 0.92 |
| 4 | 3520 | 2510 | 0.71 | 10.49 | 9.70 | 9.03 | 0.93 | 0.86 |
| 5 | 3520 | 2510 | 0.71 | 11.06 | 10.38 | 9.73 | 0.94 | 0.88 |
| 6 | 3520 | 2510 | 0.71 | 7.33 | 7.50 | 7.08 | 1.02 | 0.97 |
| 7 | 2700 | 2510 | 0.93 | 13.44 | 15.30 | 14.62 | 1.14 | 1.09 |
| 8 | 2700 | 2510 | 0.93 | 17.61 | 16.80 | 16.00 | 0.95 | 0.91 |
| 9 | 2700 | 2510 | 0.93 | 18.06 | 17.85 | 17.37 | 0.99 | 0.96 |
| 10 | 2700 | 2510 | 0.93 | 14.24 | 11.98 | 12.41 | 0.84 | 0.87 |
| 11 | 2700 | 2470 | 0.91 | 16.51 | 23.84 | 24.27 | 1.44 | 1.47 |
| 12 | 2700 | 2470 | 0.91 | 14.26 | 11.93 | 12.12 | 0.84 | 0.85 |
| 13 | 3500 | 2500 | 0.71 | 14.59 | 10.54 | 10.41 | 0.72 | 0.71 |
| 14 | 3500 | 2500 | 0.71 | 15.96 | 12.53 | 12.44 | 0.79 | 0.78 |
| 15 | 3420 | 2540 | 0.74 | 10.01 | 7.53 | 7.53 | 0.75 | 0.75 |
| 16 | 2340 | 2540 | 1.09 | 18.43 | 18.98 | 15.62 | 1.03 | 0.85 |
| 17 | 2340 | 2540 | 1.09 | 14.78 | 17.53 | 14.09 | 1.19 | 0.95 |
| 18 | 2340 | 2540 | 1.09 | 15.79 | 17.53 | 14.09 | 1.11 | 0.89 |
| 19 | 1780 | 2560 | 1.44 | 19.72 | 17.16 | 17.52 | 0.87 | 0.89 |
| 20 | 1780 | 2560 | 1.44 | 24.23 | 20.78 | 21.16 | 0.86 | 0.87 |
| Average | 0.97 | 0.91 | ||||||
| CV | 0.18 | 0.17 | ||||||
| Equation | Metrics of the Multiple Linear Regression | |||
|---|---|---|---|---|
| Correlation Coefficient | Coefficient of Determination (R2) | Standard Error | Number of Observations | |
| () | 0.949 | 0.901 | 3.613 | 576 |
| () | 0.912 | 0.832 | 6.010 | 576 |
Disclaimer/Publisher’s Note: The statements, opinions and data contained in all publications are solely those of the individual author(s) and contributor(s) and not of MDPI and/or the editor(s). MDPI and/or the editor(s) disclaim responsibility for any injury to people or property resulting from any ideas, methods, instructions or products referred to in the content. |
© 2024 by the authors. Licensee MDPI, Basel, Switzerland. This article is an open access article distributed under the terms and conditions of the Creative Commons Attribution (CC BY) license (https://creativecommons.org/licenses/by/4.0/).
Share and Cite
Fernandez-Baqueiro, L.; Varela-Rivera, J.; Moreno-Herrera, J. Out-of-Plane Design Equations for Confined Masonry Walls. Buildings 2024, 14, 913. https://doi.org/10.3390/buildings14040913
Fernandez-Baqueiro L, Varela-Rivera J, Moreno-Herrera J. Out-of-Plane Design Equations for Confined Masonry Walls. Buildings. 2024; 14(4):913. https://doi.org/10.3390/buildings14040913
Chicago/Turabian StyleFernandez-Baqueiro, Luis, Jorge Varela-Rivera, and Joel Moreno-Herrera. 2024. "Out-of-Plane Design Equations for Confined Masonry Walls" Buildings 14, no. 4: 913. https://doi.org/10.3390/buildings14040913
APA StyleFernandez-Baqueiro, L., Varela-Rivera, J., & Moreno-Herrera, J. (2024). Out-of-Plane Design Equations for Confined Masonry Walls. Buildings, 14(4), 913. https://doi.org/10.3390/buildings14040913

