Economic Seismic Performance of Buildings with Peer Methodology and Fema P-58
Abstract
:1. Introduction
2. Methodology
2.1. Design of Structural Elements
2.2. Incremental Dynamic Non-linear Analysis
2.3. Economic Model
2.3.1. General Information of the Building
2.3.2. Population Model
2.3.3. Fragility Functions
2.4. Collapse Fragility Curve of the Building
3. Analysis and Discussion of Results
3.1. Repair Costs
3.2. Repair Time
3.3. Number of Deaths and Injuries
4. Conclusions
Author Contributions
Funding
Data Availability Statement
Conflicts of Interest
References
- Fierro, E.A.; Miranda, E.; Perry, C.L. Behavior of Nonstructural Components in Recent Earthquakes. In AEI 2011: Building Integrated Solutions–Proceedings of the AEI 2011 Conference; American Society of Civil Engineers: Reston, VI, USA, 2011; pp. 369–377. [Google Scholar] [CrossRef]
- Miranda, E.; Mosqueda, G.; Retamales, R. Desempeño de componentes no estructurales durante el terremoto del 27 de febrero de 2010 en Chile. Terremoto 2012, 28, S453–S471. [Google Scholar] [CrossRef]
- Guha-Sapir, D.; Vos, F.; Below, R.; Ponserre, S. Annual Disaster Statistical Review 2010: The Numbers and Trends; Centre for Research on the Epidemiology of Disasters, Catholic University of Lovaina: Brussels, Belgium, 2011. [Google Scholar]
- Guha-Sapir, D.; Vos, F.; Below, R.; Ponserre, S. Annual Disaster Statistical Review 2011: The Numbers and Trends; Centre for Research on the Epidemiology of Disasters, Catholic University of Lovaina: Brussels, Belgium, 2012. [Google Scholar]
- Ramirez, C.M.; Lignos, D.G.; Miranda, E.; Kolios, D. Fragility functions for pre-Northridge welded steel moment-resisting beam-to-column connections. Eng. Struct. 2012, 45, 574–584. [Google Scholar] [CrossRef]
- Taghavi, S.; Miranda, E. Response Assessment of Nonstructural Building Elements; Pacific Earthquake Engineering Research Center, University of California Berkeley: Berkeley, CA, USA, 2003. [Google Scholar]
- Nobahar, E.; Asgarian, B.; Mercan, O.; Soroushian, S. A post-tensioned self-centering yielding brace system: Development and performance-based seismic analysis. Struct. Infrastruct. Eng. 2021, 17, 392–412. [Google Scholar] [CrossRef]
- Bommer, J.; Bray, J.; Kyriazis, P.; Yasuda, G.S. Perspectives on European Earthquake Engineering and Seismology; Ansal, A., Ed.; Springer Science+Business Media: New York, NY, USA, 2014; Volume 1. [Google Scholar] [CrossRef]
- Del Vecchio, C.; Di Ludovico, M.; Pampanin, S.; Prota, A. Repair Costs of Existing RC Buildings Damaged by the L’Aquila Earthquake and Comparison with FEMA P-58 Predictions. Earthq. Spectra 2018, 34, 237–263. [Google Scholar] [CrossRef]
- Algermissen, S.T.; Steinbrugge, K.V. Seismic Hazard and Risk Assessment: Some Case Studies. Geneva Pap. Risk Insur. 1984, 9, 8–26. [Google Scholar] [CrossRef]
- McCann, M.W.; Sauter, F.; Shah, H.C. A technical note on PGA-intensity relations with applications to damage estimation. Bull. Seismol. Soc. Am. 1980, 70, 631–637. [Google Scholar] [CrossRef]
- Böse, M.; Sokolov, V.; Wenzel, F. Shake Map Methodology for Intermediate-Depth Vrancea (Romania) Earthquakes. Earthq. Spectra 2009, 25, 497–514. [Google Scholar] [CrossRef]
- Wald, D.J.; Quitoriano, V.; Heaton, T.H.; Kanamori, H.; Scrivner, C.W.; Worden, C.B. TriNet “ShakeMaps”: Rapid Generation of Peak Ground Motion and Intensity Maps for Earthquakes in Southern California. Earthq. Spectra 1999, 15, 537–555. [Google Scholar] [CrossRef]
- Comartin, C.; Niewiarowski, R.; Rojahn, C. Seismic Evaluation and Retrofit of Concrete Buildings ATC-40; Applied Technology Council: Redwood City, CA, USA, 1996. [Google Scholar]
- Mahoney, M.; Hanson, R.D. Seismic Performance Assessment of Buildings Volume 1-Methodology Second Edition Prepared for Federal Emergency Management Agency. Available online: https://www.atcouncil.org/docman/fema/246-fema-p-58-1-seismic-performance-assessment-of-buildings-volume-1-methodology-second-edition/file (accessed on 4 April 2023).
- Kennedy, R.P.; Ravindra, M.K. Seismic fragilities for nuclear power plant risk studies. Nucl. Eng. Des. 1984, 79, 47–68. [Google Scholar] [CrossRef]
- Akkar, S.; Sucuoǧlu, H.; Yakut, A. Displacement-based fragility functions for low- And mid-rise ordinary concrete buildings. Earthq. Spectra 2005, 21, 901–927. [Google Scholar] [CrossRef]
- Choe, D.-E.; Gardoni, P.; Rosowsky, D.; Haukass, T. Probabilistic capacity models and seismic fragility estimates for RC columns subject to corrosion. Reliab. Eng. Syst. Saf. 2008, 93, 383–393. [Google Scholar] [CrossRef]
- Yazdanpanah, O.; Mohebi, B.; Kazemi, F.; Mansouri, I.; Jankowski, R. Development of fragility curves in adjacent steel moment-resisting frames considering pounding effects through improved wavelet-based refined damage-sensitive. Mech. Syst. Signal Process. 2022, 173, 109038. [Google Scholar] [CrossRef]
- Cao, X.Y.; Feng, D.C.; Li, Y. Assessment of various seismic fragility analysis approaches for structures excited by non-stationary stochastic ground motions. Mech. Syst. Signal Process. 2023, 186, 109838. [Google Scholar] [CrossRef]
- Bozorgnia, Y.; Bertero, V.V. (Eds.) Earthquake Engineering: From Engineering Seismology to Performance-Based Engineering; CRC Press: Boca Raton, FL, USA, 2004. [Google Scholar] [CrossRef]
- Miranda, E. Use of probability-based measures for automated damage assessment. Struct. Des. Tall Spec. Build. 2006, 15, 35–50. [Google Scholar] [CrossRef]
- Jarrett, J.A.; Judd, J.P.; Charney, F.A. Comparative evaluation of innovative and traditional seismic-resisting systems using the FEMA P-58 procedure. J. Constr. Steel Res. 2015, 105, 107–118. [Google Scholar] [CrossRef]
- John, A.; Martin y Associates, Inc.; Naeim, F.; Hagie, S. PACT; Federal Emergency Management Agency: Redwood, CA, USA, 2018. [Google Scholar]
- Del Gobbo, G.M.; Williams, M.S.; Blakeborough, A. Seismic performance assessment of Eurocode 8-compliant concentric braced frame buildings using FEMA P-58. Eng. Struct. 2018, 155, 192–208. [Google Scholar] [CrossRef]
- Zeng, X.; Lu, X.; Yang, T.Y.; Xu, Z. Application of the FEMA-P58 methodology for regional earthquake loss prediction. Nat. Hazards 2016, 83, 177–192. [Google Scholar] [CrossRef]
- Zareian, F.; Krawinkler, H. Simplified Performance-Based Earthquake Engineering, Stanford University, California, USA, 2006. Available online: https://search.proquest.com/openview/2f1029b572bba391c1056c8b98822974/1?pq-origsite=gscholar&cbl=18750&diss=y (accessed on 4 April 2023).
- Aslani, H. Probabilistic Earthquake Loss Estimation and Loss Disaggregation in Buildings, Stanford University, California, USA, 2005. Available online: https://search.proquest.com/openview/e0b374032cd05de724e28c31e4e7d333/1?pq-origsite=gscholar&cbl=18750&diss=y (accessed on 4 April 2023).
- Ministerio de Desarrollo Urbano y Vivienda (MIDUVI). NEC-SE-DS; Ministerio de Desarrollo Urbano y Vivienda (MIDUVI): Quito, Ecuador, 2014. [Google Scholar]
- Comartin, C.D.; Niewiarowski, R.W.; Freeman, S.A.; Turner, F.M. Seismic Evaluation and Retrofit of Concrete Buildings: A Practical Overview of the ATC 40 Document. Earthq. Spectra 2000, 16, 241–261. [Google Scholar] [CrossRef]
- Cremen, G.; Baker, J.W. Quantifying the benefits of building instruments to FEMA P-58 rapid post-earthquake damage and loss predictions. Eng. Struct. 2018, 176, 243–253. [Google Scholar] [CrossRef]
- Papadopoulos, A.N.; Vamvatsikos, D.; Kazantzi, A.K. Development and application of FEMA P-58 compatible story loss functions. Earthq. Spectra 2019, 55, 95–112. [Google Scholar] [CrossRef]
- Ministerio de Desarrollo Urbano y Vivienda (MIDUVI). NEC-SE-CG; Ministerio de Desarrollo Urbano y Vivienda (MIDUVI): Quito, Ecuador, 2014. [Google Scholar]
- Ministerio de Desarrollo Urbano y Vivienda (MIDUVI). NEC-SE-AC; Ministerio de Desarrollo Urbano y Vivienda (MIDUVI): Quito, Ecuador, 2014. [Google Scholar]
- American Institute of Steel Construction. Seismic Provisions for Structural Steel Buildings; American Institute of Steel Construction: Chicago, IL, USA, 2010. [Google Scholar]
- American Institute of Steel Construction. Prequalified Connections for Special and Intermediate Steel Moment Frames for Seismic Applications; American Institute of Steel Construction: Chicago, IL, USA, 2011. [Google Scholar]
- American Society of Civil Engineers. Minimum Design Loads for Buildings and Other Structures (ASCE/SEI 7-10); American Society of Civil Engineers: Reston, VI, USA, 2010. [Google Scholar]
- ASCE American Society of Civil Engineers, Structural Engineering Institute. Seismic Evaluation and Retrofit of Existing Buildings; ASCE American Society of Civil Engineers, Structural Engineering Institute: Reston, VI, USA, 2014. [Google Scholar]
- Pacific Earthquake Engineering Research Center. Base de datos de Movimiento Terrestre PEER—Centro PEER. Available online: https://ngawest2.berkeley.edu/ (accessed on 9 March 2023).
- Gobierno De La Ciudad De México. Normas Técnicas Complementarias Para Diseño Por Sismo (NTC 2020); México, 2020. Available online: https://www.studocu.com/es-mx/document/universidad-autonoma-metropolitana/gramatica-normativa/normas-tecnicas-complementarias-para-el-diseno-por-sismo-9-de-junio-de-2020/17584908 (accessed on 4 April 2023).
- Mahoney, M.; Hanson, R.D. FEMA P-58-2/Seismic Performance Assessment of Buildings Volume 2-Implementation Guide, 2nd ed.; Federal Emergency Management Agency: Redwood City, CA, USA, 2018. [Google Scholar]
- Cardone, D.; Perrone, G. Damage and Loss Assessment of Pre-70 RC Frame Buildings with FEMA P-58. J. Earthq. Eng. 2016, 21, 23–61. [Google Scholar] [CrossRef]
- Cremen, G.; Baker, J.W. Improving FEMA P-58 non-structural component fragility functions and loss predictions. Bull. Earthq. Eng. 2019, 17, 1941–1960. [Google Scholar] [CrossRef]
- Xu, Z.; Zhang, H.; Lu, X.; Xu, Y.; Zhang, Z.; Li, Y. A prediction method of building seismic loss based on BIM and FEMA P-58. Autom Constr. 2019, 102, 245–257. [Google Scholar] [CrossRef]
- Majdi, A.; Vacareanu, R. Evaluation of Seismic Damage to Iraqi Educational Reinforced Building Using FEMA P-58 Methodology. Earth Environ. Sci. 2021. [Google Scholar] [CrossRef]
- Ramanathan, K.; Padgett, J.E.; DesRoches, R. Temporal evolution of seismic fragility curves for concrete box-girder bridges in California. Eng. Struct. 2015, 97, 29–46. [Google Scholar] [CrossRef]
- Shinozuka, M.; Feng, M.Q.; Kim, H.-K.; Kim, S.-H. Nonlinear Static Procedure for Fragility Curve Development. J. Eng. Mech. 2000, 126, 1287–1295. [Google Scholar] [CrossRef]
- Ministerio de Ambiente, Vivienda y Desarrollo Territorial. Reglamento Colombiano de Construcción Sismo Resistente (NSR-10); Bogotá, Colombia, 2010. Available online: https://www.andi.com.co/Uploads/Reglamento_colombiano_construccion_sismo_resistente_636536179523160220.pdf (accessed on 4 April 2023).
- Hwang, S.-H.; Lignos, D.G. Earthquake-induced loss assessment of steel frame buildings with special moment frames designed in highly seismic regions. Earthq. Eng. Struct. Dyn. 2017, 46, 2141–2162. [Google Scholar] [CrossRef]
- Beheshti Aval, S.B.; Kouhestani, H.S.; Mottaghi, L. Effectiveness of two conventional methods for seismic retrofit of steel and RC moment resisting frames based on damage control criteria. Earthq. Eng. Eng. Vib. 2017, 16, 537–555. [Google Scholar] [CrossRef]













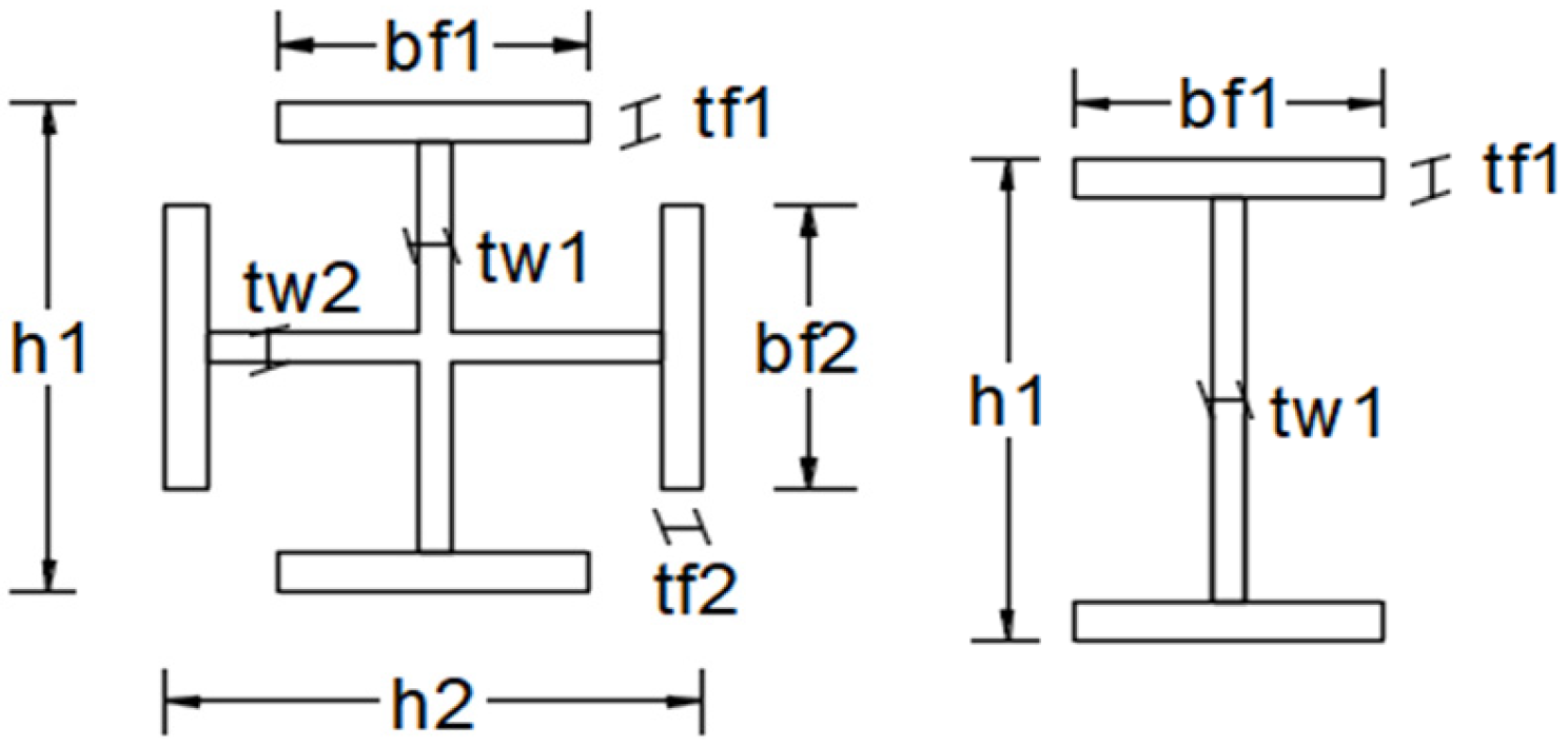
| Dimensions (mm) | |||||||||
|---|---|---|---|---|---|---|---|---|---|
| Type | Location | tf1 | tw1 | h1 | bf1 | tf2 | tw2 | h2 | bf2 |
| Column cross 600 × 500 | 1st floor, 2nd floor, 3rd floor | 30.0 | 15.5 | 600.0 | 300.0 | 28.0 | 14.5 | 500.0 | 300.0 |
| Column cross 500 × 400 | 4th floor, 5th floor, 6th floor | 24.0 | 13.5 | 400.0 | 300.0 | 28.0 | 14.5 | 500.0 | 300.0 |
| Beam IPE 360 | 1st floor, 2nd floor, 3rd floor | 12.7 | 8.0 | 360.0 | 170.0 | ||||
| Beam IPE 330 | 4th floor, 5th floor | 11.5 | 7.5 | 330.0 | 160.0 | ||||
| Beam IPE 300 | 6th Floor | 10.7 | 7.1 | 300.0 | 150.0 | ||||
| Earthquake | Year | Season | Magnitude (Mw) | Fault Type | Vs30 (m/s) |
|---|---|---|---|---|---|
| “Coalinga-01” | 1983 | “Parkfield—Cholame 2WA” | 6.36 | Reverse | 173.02 |
| “Coalinga-01” | 1983 | “Parkfield—Fault Zone 1” | 6.36 | Reverse | 178.27 |
| “Northridge-01” | 1994 | “Carson—Water St” | 6.69 | Reverse | 160.58 |
| “Chi-Chi_ Taiwan-03” | 1999 | “CHY047” | 6.20 | Reverse | 169.52 |
| “Niigata_ Japan” | 2004 | “NIG011” | 6.63 | Reverse | 149.97 |
| “Niigata_ Japan” | 2004 | “NIG013” | 6.63 | Reverse | 174.55 |
| “Chuetsu-oki_ Japan” | 2007 | “NIG010” | 6.80 | Reverse | 173.09 |
| “Chuetsu-oki_ Japan” | 2007 | “NIG013” | 6.80 | Reverse | 174.55 |
| “Iwate_ Japan” | 2008 | “AKT016” | 6.90 | Reverse | 158.16 |
| “Iwate_ Japan” | 2008 | “MYG006” | 6.90 | Reverse | 146.72 |
| “Iwate_ Japan” | 2008 | “MYG007” | 6.90 | Reverse | 166.75 |
| Element | Type | Code |
|---|---|---|
| Steel beam-column connection one direction | Structural element | B1035.001 |
| Steel beam-column connection in both directions | Structural element | B1035.011 |
| Interior plaster wall | Non-structural element | C1011.001a |
| Exterior wall of panels | Non-structural element | B2011.001b |
| Plaster ceiling | Non-structural element | C3032.001a |
| Steel drinking water pipe | Non-structural element | D2021.011a |
Disclaimer/Publisher’s Note: The statements, opinions and data contained in all publications are solely those of the individual author(s) and contributor(s) and not of MDPI and/or the editor(s). MDPI and/or the editor(s) disclaim responsibility for any injury to people or property resulting from any ideas, methods, instructions or products referred to in the content. |
© 2023 by the authors. Licensee MDPI, Basel, Switzerland. This article is an open access article distributed under the terms and conditions of the Creative Commons Attribution (CC BY) license (https://creativecommons.org/licenses/by/4.0/).
Share and Cite
Ramírez, W.; Mayacela, M.; Contreras, L.; Iza, N.; Quishpe, E.; Rentería, L. Economic Seismic Performance of Buildings with Peer Methodology and Fema P-58. Buildings 2023, 13, 2259. https://doi.org/10.3390/buildings13092259
Ramírez W, Mayacela M, Contreras L, Iza N, Quishpe E, Rentería L. Economic Seismic Performance of Buildings with Peer Methodology and Fema P-58. Buildings. 2023; 13(9):2259. https://doi.org/10.3390/buildings13092259
Chicago/Turabian StyleRamírez, Wladimir, Margarita Mayacela, Luis Contreras, Nestor Iza, Evelin Quishpe, and Leonardo Rentería. 2023. "Economic Seismic Performance of Buildings with Peer Methodology and Fema P-58" Buildings 13, no. 9: 2259. https://doi.org/10.3390/buildings13092259
APA StyleRamírez, W., Mayacela, M., Contreras, L., Iza, N., Quishpe, E., & Rentería, L. (2023). Economic Seismic Performance of Buildings with Peer Methodology and Fema P-58. Buildings, 13(9), 2259. https://doi.org/10.3390/buildings13092259

