Intelligent Modeling of Edge Components of Prefabricated Shear Wall Structures Based on BIM
Abstract
1. Introduction
2. Basic Specification Analysis of Edge Members of Prefabricated Shear Wall Structures
2.1. Classification of Edge Members of Prefabricated Shear Wall Structures
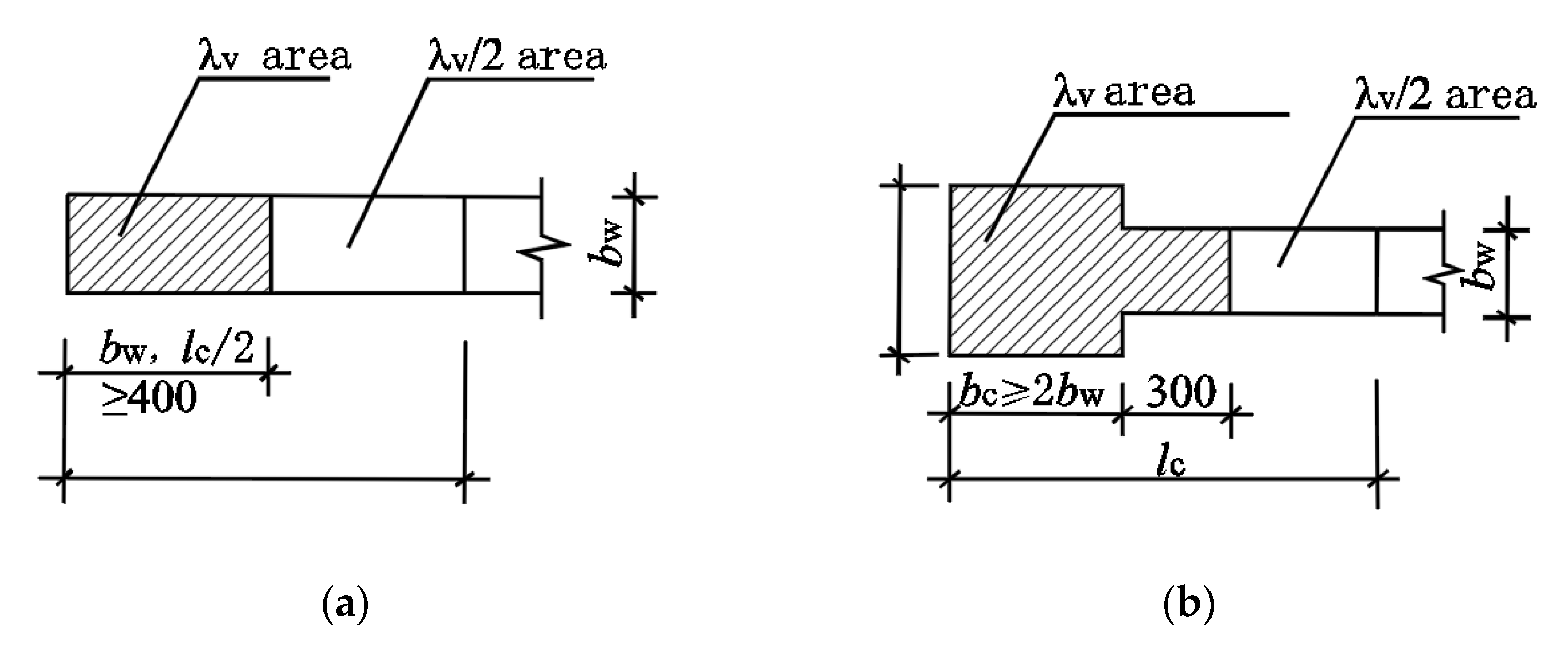
2.2. Structural Requirements of Edge Members of Prefabricated Shear Wall Structures
3. Analysis of Design Thinking of Parametric Reinforcement for Edge Members
4. Three-Dimensional Reinforcement Design Model
4.1. Model Creation
4.1.1. Reference Namespace
- TSM = Tekla.Structures.Model;
- T3D = Tekla.Structures.Geometry3d;
- TSUI = Tekla.Structures.Model.UI;
4.1.2. Creating the Model in the Tekla Spatial Coordinate System
- L.Profile.ProfileString = NEWL;//Section name
- L.Material.MaterialString = “C40”;//Strength grade of concrete material
- L.Class = “6”;//Spatial model color level
- L.Insert();//Insertion model
- myModel.CommitChanges();//Refresh space model
4.2. Get Model Object
- lengthOfXDirection = MaximumPoint.X − MinimumPoint.X;
- lengthOfYDirection = MaximumPoint.Y − MinimumPoint.Y;
- lengthOfZDirection = MaximumPoint.Z − MinimumPoint.Z;
4.3. Longitudinal Bar Creation
4.3.1. Basic Attributes and Modeling Ideas
4.3.2. Determine the Position and Length Information of Corner Reinforcement
4.3.3. Create the Middle Longitudinal Bar
4.4. Stirrup Creation
4.4.1. Basic Attributes
- StartPointOffsetValue: Sets the offset values of the stirrup start and end points of the stirrup group object;
- StartHook.Shape: Set the hook shape of the stirrup set;
- StartHook.Length: Length of the hook;
- StartHook.Radius hook Angle.
4.4.2. Modeling Idea
4.5. Tie Bar Creation
5. Program Application of Three-Dimensional Reinforcement of Edge Member
6. Case Discussion
6.1. Intelligent Rapid Modeling
6.2. Advantages and Limitations
7. Conclusions
Author Contributions
Funding
Institutional Review Board Statement
Informed Consent Statement
Data Availability Statement
Conflicts of Interest
References
- Feng, X. Application research of BIM technology in prefabricated building construction management. Build. Struct. 2018, 48 (Suppl. S1), 663–668. [Google Scholar] [CrossRef]
- Sampaio, A.Z.; Constantino, G.B.; Almeida, N.M. 8D BIM Model in Urban Rehabilitation Projects: Enhanced Occupational Safety for Temporary Construction Works. Appl. Sci. 2022, 12, 10577. [Google Scholar] [CrossRef]
- Famakin, I.O.; Othman, I.; Kineber, A.F.; Oke, A.E.; Olanrewaju, O.I.; Hamed, M.M.; Olayemi, T.M. Building Information Modeling Execution Drivers for Sustainable Building Developments. Sustainability 2023, 15, 3445. [Google Scholar] [CrossRef]
- Sadhu, A.; Peplinski, J.E.; Mohammadkhorasani, A.; Moreu, F. A Review of Data Management and Visualization Techniques for Structural Health Monitoring Using BIM and Virtual or Augmented Reality. J. Struct. Eng. 2023, 149, 03122006. [Google Scholar] [CrossRef]
- Alizadehsalehi, S.; Hadavi, A.; Huang, J.C. From BIM to extended reality in AEC industry. Autom. Constr. 2020, 116, 103254. [Google Scholar] [CrossRef]
- Fernández Rodríguez, J.F. Implementation of BIM Virtual Models in Industry for the Graphical Coordination of Engineering and Architecture Projects. Buildings 2023, 13, 743. [Google Scholar] [CrossRef]
- Hu, Y.; Xia, C.; Chen, J.; Gao, X. Clash context representation and change component prediction based on graph convolutional network in MEP disciplines. Adv. Eng. Inform. 2023, 55, 101896. [Google Scholar] [CrossRef]
- Wang, W. Automatic System Design of Assembly Building Components for Sustainable Building Projects Based on BIM Technology. Math. Probl. Eng. 2022, 2022, 4902862. [Google Scholar] [CrossRef]
- Zakeri, S.M.H.; Tabatabaee, S.; Ismail, S.; Mahdiyar, A.; Wahab, M.H. Developing an MCDM Model for the Benefits, Opportunities, Costs and Risks of BIM Adoption. Sustainability 2023, 15, 4035. [Google Scholar] [CrossRef]
- Ren, X. Application of prefabricated BIM technology in the whole life cycle of buildings. J. Railw. Eng. Soc. 2022, 39, 90–94. [Google Scholar]
- Gharaibeh, L.; Matarneh, S.T.; Eriksson, K.; Lantz, B. An Empirical Analysis of Barriers to Building Information Modelling (BIM) Implementation in Wood Construction Projects: Evidence from the Swedish Context. Buildings 2022, 12, 1067. [Google Scholar] [CrossRef]
- Cavalliere, C.; Dell’Osso, G.R.; Favia, F.; Lovicario, M. BIM-based assessment metrics for the functional flexibility of building designs. Autom. Constr. 2019, 107, 102925. [Google Scholar] [CrossRef]
- Forcael, E.; Puentes, C.; García-Alvarado, R.; Opazo-Vega, A.; Soto-Muñoz, J.; Moroni, G. Profile Characterization of Building Information Modeling Users. Buildings 2022, 13, 60. [Google Scholar] [CrossRef]
- Li, H.; Zhang, J.; Chang, S.; Sparkling, A. BIM-based object mapping using invariant signatures of AEC objects. Autom. Constr. 2023, 145, 104616. [Google Scholar] [CrossRef]
- Alizadehsalehi, S.; Yitmen, I. Digital twin-based progress monitoring management model through reality capture to extended reality technologies (DRX). Smart Sustain. Built Environ. 2021, 12, 200–236. [Google Scholar] [CrossRef]
- Honghong, S.; Gang, Y.; Haijiang, L.; Tian, Z.; Annan, J. Digital twin enhanced BIM to shape full life cycle digital transformation for bridge engineering. Autom. Constr. 2023, 147, 104736. [Google Scholar] [CrossRef]
- Hu, J. Deepening Design and Secondary Development of Assembled Shear Wall Structure Based on BIM; North China University of Water Resources and Electric Power: Zhengzhou, China, 2022. [Google Scholar] [CrossRef]
- Waqar, A.; Qureshi, A.H.; Alaloul, W.S. Barriers to Building Information Modeling (BIM) Deployment in Small Construction Projects: Malaysian Construction Industry. Sustainability 2023, 15, 2477. [Google Scholar] [CrossRef]
- Jiang, L.; Qiao, R.; Pan, H. Research on application problems and countermeasures of BIM technology in the whole life cycle of prefabricated buildings. Build. Struct. 2019, 49, 558–561. [Google Scholar] [CrossRef]
- Luo, M.; Chen, D. Application of BIM Technology in Prefabricated Building. In Proceedings of the International Conference on Construction and Real Estate Management, Charleston, SC, USA, 9–10 August 2018; pp. 263–270. [Google Scholar] [CrossRef]
- Wang, X.; Tang, Q.; Dong, Z.; Wang, R. Application research of BIM+ technology in prefabricated building construction management. Constr. Econ. 2021, 42, 19–24. [Google Scholar] [CrossRef]
- Xiao, Y.; Bhola, J. Design and optimization of prefabricated building system based on BIM technology. Int. J. Syst. Assur. Eng. Manag. 2021, 13, 111–120. [Google Scholar] [CrossRef]
- Li, Q.; Yang, W.; Kohler, N.; Yang, L.; Li, J.; Sun, Z.; Yu, H.; Liu, L.; Ren, J. A BIM–LCA Approach for the Whole Design Process of Green Buildings in the Chinese Context. Sustainability 2023, 15, 3629. [Google Scholar] [CrossRef]
- Razak, M.I.A.; Khoiry, M.A.; Badaruzzaman, W.H.W.; Hussain, A.H. DfMA for a Better Industrialised Building System. Buildings 2022, 12, 794. [Google Scholar] [CrossRef]
- Qi, B.; Costin, A. BIM and Ontology-Based DfMA Framework for Prefabricated Component. Buildings 2023, 13, 394. [Google Scholar] [CrossRef]
- Xu, Z.; Wang, J.; Zhu, H. A Semantic-Based Methodology to Deliver Model Views of Forward Design for Prefabricated Buildings. Buildings 2022, 12, 1158. [Google Scholar] [CrossRef]
- Li, Y.; Zhang, X.; Zhang, Y.; Qi, Z.; Yang, S. Application status and development trend analysis of BIM technology in prefabricated buildings. Eng. Technol. Res. 2022, 7, 76–78. [Google Scholar] [CrossRef]
- He, Z.-H.; Liu, T. Exploring Key Elements and Performance of BIM and VR Technologies in the Project Management of Assembled Buildings. Adv. Multimed. 2022, 2022, 1168953. [Google Scholar] [CrossRef]
- Xu, P.; Li, J.; Sun, J. Research and application of the whole process of prefabricated building construction based on BIM technology. Build. Struct. 2020, 50, 654–657. [Google Scholar] [CrossRef]
- Zhao, L.; Liu, Z.; Mbachu, J. Optimization of the supplier selection process in prefabrication using BIM. Buildings 2019, 9, 222. [Google Scholar] [CrossRef]
- Xu, Y.; Zhang, J.; Li, N.; Ao, C. BIM Model Integration of Concrete and Steel Structures in Assembled Substations; Atlantis Press: Amsterdam, The Netherlands, 2019; pp. 65–70. [Google Scholar] [CrossRef]
- Xu, Z.; Xie, Z.; Wang, X.; Niu, M. Automatic Classification and Coding of Prefabricated Components Using IFC and the Random Forest Algorithm. Buildings 2022, 12, 688. [Google Scholar] [CrossRef]
- Ben Mahmoud, B.; Lehoux, N.; Blanchet, P.; Cloutier, C. Barriers, Strategies, and Best Practices for BIM Adoption in Quebec Prefabrication Small and Medium-Sized Enterprises (SMEs). Buildings 2022, 12, 390. [Google Scholar] [CrossRef]
- Zhu, D.; Xie, J.; Huang, W.; Chen, Q. The application and research of Tekla in the deepening of prefabricated building technology. Guangdong Archit. Civ. Eng. 2017, 24, 68–72. [Google Scholar]
- Xie, H. Application of secondary development of Tekla Structures in GA diagram. Ind. Control Comput. 2018, 31, 91–92. [Google Scholar]
- Wang, D.; Hu, Y. Research on the Intelligent Construction of the Rebar Project Based on BIM. Appl. Sci. 2022, 12, 5596. [Google Scholar] [CrossRef]
- GB50011-2010; Code for Seismic Design of Buildings. China Architecture & Building Press: Beijing, China, 2016.



















| Difference | Revit | Tekla Secondary Development |
|---|---|---|
| Main focus of work | Establish a large family library | Parametric modeling + one build diagram |
| Modeling method | A large number of family libraries need to be created, and steel bars need to be manually arranged. Moreover, three-dimensional construction reinforcement cannot be achieved, and there is no node area reinforcement | Capable of achieving 3D deep reinforcement, considering local structural requirements, visualizing reinforcement in node areas, and directly forming a 3D reinforcement model |
| Model modification | Difficult and cumbersome | Convenient, linked, and efficient |
| Information update method | Make extensive modifications to the family library | Instant parameterization modification |
| Collision Checking | Can perform 3D collision check | 3D collision inspection of steel bars and connection nodes |
Disclaimer/Publisher’s Note: The statements, opinions and data contained in all publications are solely those of the individual author(s) and contributor(s) and not of MDPI and/or the editor(s). MDPI and/or the editor(s) disclaim responsibility for any injury to people or property resulting from any ideas, methods, instructions or products referred to in the content. |
© 2023 by the authors. Licensee MDPI, Basel, Switzerland. This article is an open access article distributed under the terms and conditions of the Creative Commons Attribution (CC BY) license (https://creativecommons.org/licenses/by/4.0/).
Share and Cite
Li, S.; Li, S.; Hu, J.; Shi, Y.; Li, H.; Chen, A.; Xie, W. Intelligent Modeling of Edge Components of Prefabricated Shear Wall Structures Based on BIM. Buildings 2023, 13, 1252. https://doi.org/10.3390/buildings13051252
Li S, Li S, Hu J, Shi Y, Li H, Chen A, Xie W. Intelligent Modeling of Edge Components of Prefabricated Shear Wall Structures Based on BIM. Buildings. 2023; 13(5):1252. https://doi.org/10.3390/buildings13051252
Chicago/Turabian StyleLi, Shushan, Siyuan Li, Jinxin Hu, Yongxin Shi, Hongmei Li, Aijiu Chen, and Wei Xie. 2023. "Intelligent Modeling of Edge Components of Prefabricated Shear Wall Structures Based on BIM" Buildings 13, no. 5: 1252. https://doi.org/10.3390/buildings13051252
APA StyleLi, S., Li, S., Hu, J., Shi, Y., Li, H., Chen, A., & Xie, W. (2023). Intelligent Modeling of Edge Components of Prefabricated Shear Wall Structures Based on BIM. Buildings, 13(5), 1252. https://doi.org/10.3390/buildings13051252

