Abstract
In the process of designing an economical structure, safety along with total cost must be balanced. This can be attained by design optimization, however the complex nature of the algorithms involved hinders its application. Further, there is a severe lack of research on the optimization of reinforced concrete (RC) isolated footings. Therefore, the main objective of this research is to develop a user-friendly tool for the optimization of RC isolated footings using advanced metaheuristic algorithms to make it more practical and convenient to adopt for design optimization. For this purpose, a spreadsheet-based interface is created in which input parameters from the original design can be entered to find the best option for the minimum cost design. The Evolutionary Algorithm (EA) and the Genetic Algorithm (GA) are used as metaheuristic techniques for optimization. The original design of four examples from the literature is compared with the optimized design obtained from the developed tool to demonstrate its efficiency. For the considered case studies, cost-saving of up to 44% has been obtained. Furthermore, a parametric investigation for the minimum cost objective using the GA has been performed through which a detailed analysis of geometric reinforcement and material strength variables is conducted. The results lead to the derivation of useful thumb rules for the economical design and proportioning of isolated footings.
1. Introduction
First safety and then economy are the two key requirements of a structure. An engineer can design, analyze, and erect structures in a variety of ways but that cannot guarantee the most economical solution. In the conventional design practice, multiple manual iterations must be executed to attain a design that is safe as well as the most economical, but it is a hectic and time taking process. Thus, the design problem should be expressed as an optimization problem that minimizes the cost while keeping in view all the safety requirements. Most of the optimization-related work in civil engineering, consulting Adeli and Sarma [], has focused on minimizing the weight of structures, benefitting the steel construction, as it comprises of a single material only. Hence, the critical goal of the reinforced concrete (RC) optimization is to minimize the material cost while following all the limitations as described by the design codes.
The extraordinary progress in technology and computational competencies in the past few decades has sparked an interest in the optimization of structural design [,,]. Optimization is the technique of finding the best solution among the set of all feasible solutions. In the field of structural engineering, it provides an opportunity to find objective-based designs for complex real-world problems in an efficient manner []. However, before the application of optimization, the design problem must be mathematically modeled into an optimization problem by defining variables, constraints, and bounds. After the problem formulation, numerous existing techniques each with unique characteristics can be applied for achieving optimality in design []. Metaheuristic techniques are considered as the most appropriate for solving non-linear and non-convex problems, such as those of RC structures [,,,,]. Design optimization has been used on every type of RC member and has been proven to be a fast and efficient tool for drastic improvement of design [,,,,,,,]. According to the critical review on RC optimization by Afzal et al. [], the dominating factor in the current era of RC optimization is the minimization of cost. The review also reveals that most of the work has been done on frames and beams, while isolated footings are the least investigated structure in this field.
Footings are among the most important and commonly designed structural members. The types of shallow foundations are Combined and Isolated footings. The Isolated footing is the most common footing type selected by a design engineer for small to medium level design projects. Footings must satisfy the serviceability and ultimate limit state conditions and must be designed to withstand three types of failures, structural failure, geotechnical failure, and loss of equilibrium. Structural failure includes shear failure, bending failure, and the failure of the bond between steel and concrete. Geotechnical failure includes sliding, settlement, and bearing failure, while the loss of equilibrium includes eccentricity problems that result in the overturning and combined failure in the structure and ground.
The majority of works on the optimization of isolated footings that have been published in the literature have focused mainly on the problem formulation and the utilization of various linear and nonlinear techniques. In 1972, Bhavikatti and Hedge [] presented an optimization model that resulted in a 8–10% cost reduction. However, the proposed model was based on linear optimization, which affects the accuracy of the results. In 1985, Namq and Al-Ani [] presented the cost optimization of spread footings subjected to eccentricities in both directions by using the graphical Rosenbrocks method. The research showed that the optimum ratio of footing length to width (/) is directly proportional to the ratio of the difference between the eccentricities in both directions to the eccentricity in the short direction and there is no such effect of steel to concrete unit cost ratio in this optimum L/B ratio. Basudhar et al. [] used nonlinear programming (NLP) to perform an optimum cost analysis of a rigid foundation and found that the variation in the cost was due to variation in area ratios. The used technique, however, does not guarantee a global optimum, as the solution is likely to get trapped in local minima. Wang and Kulhawy [] presented a design method that considered construction economics in the design of isolated footings with the objective to achieve minimum cost. Al-Douri [] presented research on the optimization of trapezoidal combined footing by using Hookes and Jeeves’ model, but this study ignores the reinforcement as a design variable. Rizwan et al. [] presented a combined footing optimization using a modified complex method. This model was only limited to a property line, and the reinforcement area and the cost function calculations were not comprehensive. Luevanos-Rojas et al. [] and Lopez-Chavarria et al. [] presented the numerical modeling for optimization of RC isolated footings and corner combined footings, respectively, considering real soil pressure. But the model was based on optimizing the contact area with the soil and does not necessarily reflect cost optimization. Santillán et al. [] presented numerical experimentation on the optimization of eccentrically loaded footings based on real soil pressures and under varying loading conditions. The model was limited in capacity to the property line and foundation type, where one of the columns lies on the property line. The constraints did not account for the spacing limitations for steel reinforcement, and the cost function was only limited to concrete and steel reinforcement costs. Solorzano and Plevris [] utilized the Genetic Algorithm (GA) to optimize the material cost and reduce the design time. They did not consider the eccentric shear in the design of the RC isolated footings. The cost of formwork and the effect of material strength on the optimized cost was also ignored. Chaudhuri and Maity [] used Unified Particle Swarm Optimization (UPSO) and a binary coded GA and concluded that UPSO shows faster convergence than binary coded GA but that the GA was much more suitable to fulfill both the conservative and economic design of the footings. Single objectives, such as least cost, carbon emissions and weight have been successfully implemented using the algorithms mentioned so far. However, a Pareto front must be established to deal with many objectives at once and only particular algorithms can achieve this. Using the Hybrid Big Bang-Big Crunch Algorithm (BB-BC), Camp and Assadollahi [] investigated the minimum cost and minimum carbon emission by using weighted cost and carbon emissions as objective functions. Using Multi-Integer Non-Linear Programming (MINLP) and Discrete Continuous Optimizer (DICOPT), Jelušič and Žlender [] studied the least production cost including the cost of each material and activity. All the works mentioned above have developed a particular framework and articulated metaheuristics as a superior technique for non-linear and non-convex design optimization problems.
Even though these previous studies have shown the efficiency of optimization techniques, still their use in the construction industry is rare. This is because these techniques can only be used if the designer has a thorough understanding of problem formulation, optimization techniques and the ability to computer code the design problems in complex programming languages, such as C++, MATLAB, and Fortran. To solve this problem, Rawat and Mittal [] developed a spreadsheet tool based on the “Generalized Reduced Gradient” (GRG) algorithm. However, just like any other non-linear programming technique, their proposed tool only provides the local minimum at best. Hence, the primary goal of this research was to develop a spreadsheet-based tool for optimizing the design of isolated footings for the lowest cost using advanced metaheuristic techniques. This has been achieved by using the Evolutionary Algorithm (EA) and the Genetic Algorithm (GA). A spreadsheet program is used as an interface. It accepts the original design as input and calculates the important data for optimizing the design in compliance with ACI 318-14 []. After this process, the algorithm of choice can be applied for optimization. The obtained results from this research using the EA and the GA are then compared with the findings of Rawat and Mittal []. Further, as a novel objective, this study also proposes a unique solution for easier and practical application of optimization by developing ranges for economical proportioning of RC isolated pad footings. This was achieved by doing an in-depth parametric investigation for cost optimization using GA. The parametric analysis was divided into three sections namely, the effects of geometric parameters (Length , Width and Thickness of footing), structural parameters (Area of steel along length and width of the footing), and the effects of material strength parameters (concrete compressive strength and steel yield strength with varying cost) on isolated footings. The results yielded optimized ranges for different variables for cost-effective designs. To establish the variables, constraints, and feasible ranges, the research paper first presents the optimization problem modeling and formation of spreadsheet-based tool based on a comprehensive review of the literature in methodology. Then case studies are discussed, followed by the results and discussion sections, which evaluate the developed tool’s efficiency, ease of use, and effectiveness. Lastly, the parametric investigation is presented in detail.
2. Methodology
The main objective of this study was to develop a spreadsheet-based tool for optimization of RC isolated footings. However, optimization can only be applied after formulating the problem in a specific format. This includes mathematically modeling the design problem and then converting it into an optimization problem. The development of the design and optimization problem is detailed in following sections.
2.1. Modeling of the Design Problem
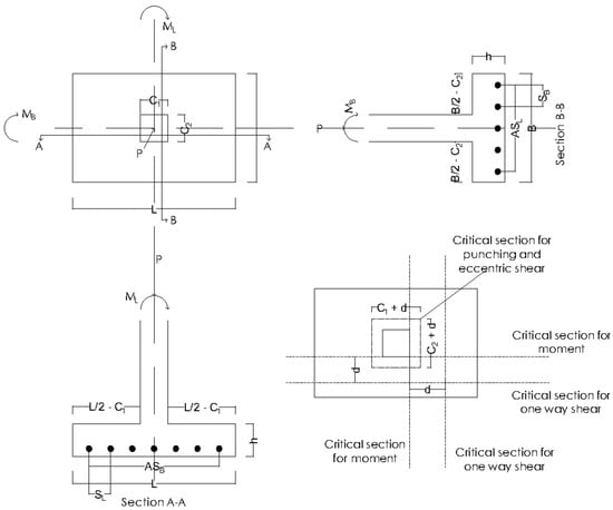
The most important factors considered while designing an isolated footing are soil pressure, depth of footing, flexural requirements, shear requirements, spacing, and development length of steel reinforcements. The ACI 318-14 [] provides provisions for each factor, which are summarized as following. Figure 1 shows the plan view of typical isolated footing along with two elevational views (section A-A, B-B) along both the directions.

Figure 1.
Reinforced concrete isolated footing sections and critical sections for moments, one way, punching and eccentric shear.
2.1.1. Soil Pressure
The net allowed bearing pressure (), applied dead and live loads (), and the service load moments (, ) are used to calculate area of the footing ( × ). After that, the limit-state conditions are applied, and the structural design of the footing for the factored loads and the factored moments (, are completed. Furthermore, a factored soil pressure is considered for the calculation of factored shear and bending moment along the critical sections of the isolated footing as shown in Figure 1.
2.1.2. Depth of Footing
The depth of footing () is generally determined by shear and flexure criteria by considering critical section near the column face and generally, the shear criterion dominates the flexural criterion. According to clause C1.13.3.1.2 of ACI 318-14 [], the minimum depth of the bottom reinforcement for a shallow foundation is 150 mm (6 in).
2.1.3. Design for Shear
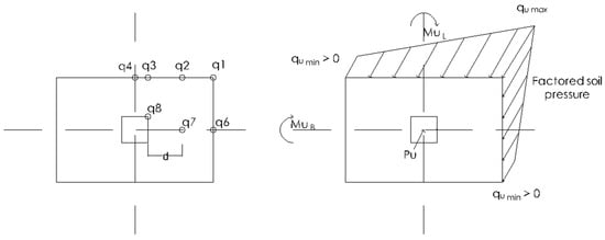
According to clause C1.8.4.3 and 8.4.4 of ACI 318-14 [], one-way shear ( in both directions and two-way i.e., punching shear ( are required for the design. In this study, an eccentric punching shear ( was also used to build the footing in compliance with clause C1.8.4.4.2 of the same code. The critical section for one-way shear is at distance from the column face in both directions, where is the effective depth of the footing. Similarly, for punching and eccentric shear, the critical section is considered at distance ) from the edge of the column (Figure 1). The pressure distribution under the footing is shown in Figure 2, where are the contact pressures under factored loading and is the ultimate factored soil pressure. The effective depth () of the footing is computed as per clause C1.22.6.2 of ACI 318-14 [].

Figure 2.
Pressure distribution diagram of eccentrically loaded footing subjected to bi-axial bending.
2.1.4. Design for Flexure
According to clause C1.13.2.7.1 of ACI 318-14 [], the base slab of the footing is designed for flexure by considering the bending moment at the critical section passing through the face of the column in both the directions (Figure 1). Clause C1.8.6.1.1 of ACI 318-14 [] defines the minimum limitations on flexural reinforcement based on the yield strength of the steel bar to account for shrinkage or temperature effects.
2.1.5. Spacing Criteria of Reinforcement
The maximum spacing of the reinforcement should be the smaller of 450 mm or three times the thickness of the footing. According to clause C1.7.7.2.3 and C1.25.2.1 of ACI 318-14 [], the minimum clear spacing for parallel non-prestressed reinforcement in a horizontal layer should be the highest of the diameter of the longitudinal bar (), 4/3 , and 25 mm, where is the maximum aggregate size used in concrete.
2.1.6. Development Length Criteria
The reinforcing bars must have sufficient development length () to develop the necessary tensile forces to resist slippage and bending moments. According to clause C1.13.2.8.3 of ACI 318-14 [], the critical section for verifying the development length is the same as for the bending moments.
2.2. Modeling of Optimization Problem
The next necessity for the development of the tool and the application of optimization is to express the design problem mathematically as an optimization problem []. For this purpose, an objective function f(x) is generated using the design variables (xn), as indicated in Equation (1).
As indicated in Equations (2) and (3), this function is subject to inequality or equality constraints provided by hj (x) and gk (x), respectively, whereas Equation (4) gives upper (xiU) and lower (xiL) bounds on variables. In Equations (2)–(4), (p), (m), and (n) represent the total number of inequality constraints, equality constraints, and variables to be applied to the function respectively.
The above equations only represent the general formulation of an optimization problem. In actuality, all the above parameters must be molded specifically for the unique design problem. The objective function, variables and constraints for RC isolated footing as used in the spreadsheet-tool are defined as following.
2.2.1. Objective Function
Three elements that affect the cost of a RC footing are represented as (volume of concrete), (area of formwork), and (weight of steel). Then the footing’s total cost is calculated using the cost function as defined in Equation (5), where , and are the unit cost of steel, concrete, and formwork, respectively. The cost can be increased to include the cost of formwork labor, transportation, earth removal, vibration, and backfill as the material cost is provided as an input function in the tool.
2.2.2. Variables
In total seven variables are considered, three of which are related to the concrete geometric section, two are related to the steel area in both directions of the footing, and the remaining two variables are related to the change in concrete and steel strengths. All these variables must have upper and lower constraints. Although they can be applied without bounds by using a penalty function, this could result in an infeasible section violating the requirements of the code. Minimum permitted thickness of footing () and bounds on steel areas (, ) were obtained from the ACI 318-14 [] provisions. The bounds on geometric variables (, ), on the other hand, are based on engineering judgment. In Figure 1, the variables are graphically represented, and their bounds are listed in Table 1. In the first phase of this study, the material strength parameters were kept the same as used in the examples studied by Rawat and Mittal []. These were then treated as variables in the parametric investigation to show their effect on the optimized cost.

Table 1.
Variable Bounds used in Spreadsheet.
2.2.3. Constraints
The constraints are the specific conditions that are imposed on the design variables to keep them in the limits defined by the code. These ensure that the strength and serviceability of the structure are not compromised. In total, 18 constraints i.e., – related to geometric feasibility, internal capacity, external stability, eccentricity, development lengths and permissible reinforcement were considered in this study. To make sure that the optimization tool does not disrupt them, they must be applied with inequality or equality equations. Table 2 summarizes these constraints.

Table 2.
Constraints used in spreadsheet.
2.3. Optimization Technique
The design optimization of RC structures is a complex non-linear problem, hence linear programming techniques are incompatible. Although NLP techniques can be used, they cannot obtain a global solution as the problem is also non-convex and discrete in nature. It means that gradient-based methods like GRG for such problems are not suitable as they guarantee a local solution in a finite solution space. It also requires continuous solutions, while most engineering problems have discrete search space. To deal with this situation, the metaheuristic techniques (EA and GA) that are probabilistic in nature were employed. They can easily deal with discrete variables, solve non-convex problems and can attain global solution in a much more efficient computational behavior without any requirement of continuous bound or gradients [,]. These methods utilize diversification and intensification to determine which solution is to be examined next and how it will be produced. This approach does not let them get stuck in local minima and can lead them to the global optimal solution.
2.3.1. Evolutionary Algorithm (EA)
The Evolutionary Algorithm (EA) is a metaheuristic technique that is not only excellent for RC design optimization, but it is also one of the few techniques that can be easily integrated with a spreadsheet []. The flow chart describing the process of the EA is shown in Figure 3. The EA can be applied using Solver, a simple add-in plugin program for the familiar Microsoft Excel [], as long as the spreadsheet is modeled according to the formulation outlined in previous sections.

Figure 3.
Flow chart showing the steps involved in evolutionary algorithm.
2.3.2. Genetic Algorithm (GA)
This study also uses the Genetic Algorithm, which is one of the oldest and widely used metaheuristic optimization algorithms. The GA has gone through multiple advancements over the past years and has proven to be an effective and flexible algorithm for the optimization of structures [,]. It was developed by Holland in 1975 [] with reference to the biological concepts of evolution and survival of the fittest. It is strongly influenced by the initial parametric values. It follows a five-step cycle of mating, reproduction, cloning, crossover, and mutation, as presented in Figure 4. The three components of a successful metaheuristic algorithm i.e., diversification, intensification, and learning, are all implemented in the above five-step process making the Genetic Algorithm the most effective algorithm. The GA can also be very easily integrated with the spreadsheet using an add-in tool called Evolver [].

Figure 4.
Flowchart showing the steps involved in the Genetic Algorithm.
2.4. Spreadsheet Interface
A compact and user-friendly spreadsheet interface is developed which takes the original length , original width original thickness and the original areas of steel along both length and width of the footing , ) concrete cover (), net soil pressure (), service axial loads (, ), moments along both axis (, , , ), cross-sectional dimensions of column (, ) and the rates of the materials as input values and gives the optimized length , optimized width optimized thickness and the optimized areas of steel along both length and width of the footing , ) as output. The optimization is carried out on the RC isolated footing problems studied by Rawat and Mittal [] using the objectives, variables, and constraints described in the previous sections. All units are in the SI system, and the beginning values are the same as in the source text for each example studied. Figure 5 shows the input and output parameters used in the optimization sheet.

Figure 5.
Spreadsheet-based interface for the developed optimization tool.
Figure 6 depicts the constraints that were applied. To make the developed tool easy to use, back-end calculations were done on a separate sheet for design and then referencing of the objective functions for the optimized total cost, constraints and the adjustable variables were made into the solver and evolver programs. Then the results were displayed on a separate sheet. Re-running the EA as well as the GA will allow the algorithm to backtrack automatically and achieve a solution within defined bounds if a constraint is violated. It is also to be noted that settings can be tampered with, or bounds can be relaxed, by seeing their sensitivity to achieve further optimization depending on the requirements of the designer.

Figure 6.
Constraint’s data sheet with single and both sided limits.
3. Case Studies
Four design examples from the publication titled “Optimization of Eccentrically Loaded RC Isolated Footings” by Rawat and Mittal [] were taken to be designed and optimized in the developed spreadsheet. These examples incorporated both the concentric and eccentric loading conditions. The input parameters for the four examples are shown in Table 3.

Table 3.
Input parameters for Examples 1–4.
Example 1 [] and example 2 [] are eccentrically loaded footing cases incorporating moments while example 3 [] and example 4 [] design concentrically loaded footings. The total costs were calculated based on the same unit rates as used in the reference [] for accurate comparison and to show the effectiveness of the developed tool and its superiority in terms of percentage optimization over the approach used in the reference study []. The rates are repeated here as Rs. 6296.15 per cubic meter for concrete (, Rs. 68 per kg for reinforcing bars (, and Rs. 196 per square meter for formwork . The conventional calculations mentioned in the source texts of the four examples were then compared with their optimized counterparts obtained from spreadsheet tool using the EA and the GA algorithms and with the results of Rawat and Mittal [] who used the GRG algorithm, to measure the tool’s effectiveness and for cost comparison. Lengths and widths for examples 1, 3 and 4 were obtained from service loads and moments, whereas in example 2, the factored load and moments were used as was done by Shah and Jain [] in the published conventional design. This convention was not changed here so that the results can be compared more accurately. Further, in example 1, a difference in the total cost obtained by Rawat and Mittal [] appears from the cost mentioned here. This is possibly due to the reason that no steel was provided in the transverse direction by Rawat and Mittal [], whereas in order to meet the requirements prescribed by the code, the minimum steel in this direction was provided in the current study.
4. Results and Discussion
The geometric parameters (, and ) and the reinforcement parameters ( and ) were obtained as results from the developed tool by the run of algorithms. The results for the four examples considered are presented in Table 4, Table 5, Table 6 and Table 7. Material strength parameters , ) were kept the same as used in the conventional design. The setting used in the solver includes a mutation rate of 0.075 and a population size of 50. Variables were bounded and the stopping criterion was “30 s without improvement”. Because of the random seed, different results can be attained for each run, so numerous runs were made to get the utmost optimized results. Here, the random seed value was set to zero, which means that the obtained solution can either be worse or better than the earlier solution. Other settings include convergence rate, which can further improve the degree of optimization, but it will increase the computational time. The EA is highly dependent on starting input values, so at first conventionally designed values were taken as input values. The stopping criterion used for this study was 30 s without improvement at a convergence rate of 0.000001.

Table 4.
Optimum values obtained for example 1.

Table 5.
Optimum values obtained for example 2.

Table 6.
Optimum values obtained for example 3.

Table 7.
Optimum values obtained for example 4.
The GA is implemented by using the spreadsheet tool by simply inputting the variables and parameters of an isolated footings and using the Evolver add-in tool. The GA must be run separately from the Evolver Table. The setting used for the GA in the spreadsheet includes a population size of 50, mutation rate of 0.075, and a cross over rate of 0.5. The maximum rate of change of 0.01% in 20,000 trails was set as the stopping criteria for optimization in the settings. The “Recipe method” was used in the adjustable group setting. In this method, all adjustable variables are varied independently of each other keeping them in their specified bounds to obtain the best mixed solution space.
Figure 7 graphically compares the cost obtained using the EA and the GA algorithms in the developed spreadsheet tool with the cost obtained from the conventional design and the optimized design using GRG as obtained by Rawat and Mittal [].

Figure 7.
Comparison of obtained cost for examples 1–4.
Table 4, Table 5, Table 6 and Table 7 represent the values of the variables obtained for examples 1–4 along with the percentage optimization achieved from the conventional design cost.
In example 1, by using the EA, two successive runs were made. Run one of 31.953 s with 1188 sub-problems and run two of 32.046 s with 1119 sub-problems. The original volume of concrete was 7.45 m3, while the optimized quantity was 4.83 m3. The original quantity of steel was 208.48 kg while the optimized quantity was 165.47 kg. This resulted in the optimization of overall cost by 31.63%. By using the GA, one run of 54 s with total of 20,095 trials was made. This further reduced steel weight to 165.45 kg but without a change in concrete volume. This resulted in an optimization of overall cost by 31.65%.
In example 2, by using the EA, the original volume of concrete of 15.7 m3 was optimized to 8.22 m3 and the total quantity of steel of 452.59 kg was optimized to 316.87 kg. This resulted in an optimization of overall cost by 43.01% by the two succeeding runs; run one of 31.797 s with 1160 sub-problems and run two of 32.434 s with 1292 sub-problems. By using the GA, one run of 56 s with total of 20,387 trials was made. This further reduced the concrete volume to 8.2 m3 and steel weight to 306.8 kg. This resulted in an optimization of overall cost by 44.04%
In example 3, by using the EA, two consecutive runs were made. Run one of 32.047 s with 1212 sub-problems and run two of 88.25 s with 3125 sub-problems. The original volume of concrete of 10.18 m3 was optimized to 8.19 m3 and the original quantity of steel of 364.95 kg was optimized to 307.65 kg. This resulted in an optimization of overall cost by 18.4%. By using the GA, one run of 53 s with total of 20,001 trials was made which further reduced steel weight to 294.19 kg without a change in concrete volume resulting in an optimization of overall cost by 19.41%.
In example 4, the EA reduced the original volume of concrete of 2.54 m3 to 1.8 m3 and the quantity of steel from 83.92 kg to 66.42 kg, which resulted in an optimization of overall cost by 26.45% by the two consecutive runs; run one of 57.157 s with 2874 sub-problems and run two of 31.625 s with 994 sub-problems. By using the GA, one run of 99 s with total of 32,222 trials was made. This further reduced steel weight to 53.91 kg but without a change in concrete volume. This resulted in an optimization of overall cost by 28.14%.
The results showed that the optimization algorithms have tried to reduce both steel and concrete quantity. The reduction of steel has played a vital role in cost reduction. as it is more expensive material. Figure 8, Figure 9 and Figure 10 further illustrate the effects of optimization and the distribution of costs of each cost component. By using the EA optimization for examples 1–4, the volume of concrete decreased by 35.12%, 47.62%, 19.54% and 23.32%, the area of footing decreased by 27.17%, 42.86%, 15.68% and 14.38% and the steel weight decreased by 20.63%, 28.24% 15.7% and 35.77 %, respectively. By using the GA optimization for examples 1–4, the volume of concrete decreased by 35.14%, 47.76%, 19.54% and 26.01%, the area of footing decreased by 27.17%, 43.05%, 15.69% and 17.32%, and the steel weight decreased by 20.64%, 32.21% 19.39% and 35.76 %, respectively. This trend provides an indication of the complex non-linear characteristic of the RC isolated footing design and hence, the reason to prefer the superior metaheuristic techniques for the optimization.

Figure 8.
Comparison of area of the footing for examples 1–4.

Figure 9.
Comparison of concrete volume for examples 1–4.

Figure 10.
Comparison of weight of steel for examples 1–4.
Two reports can be generated at the end of the algorithm. The answer report presents the non-binding and binding nature of each constraint and variable. The constraints with no slack are considered of a binding nature, as they limit the optimization of the variables. The population report describes the standard deviations of the mean value in each run. In example 4, soil pressure against the service load is of a binding nature for calculating the area of the footing. Relaxation of this constraint could result in more optimization. The tool has been modeled as a continuous problem and not as a discrete problem, because it was developed for achieving the highest percentage of optimization possible. This requires that the attained values of design variables undergo an engineer’s examination before practical implementation.
5. Parametric Investigation
A detailed parametric investigation was performed as part of this study to establish the optimized ranges of design variables for the economical design of reinforced concrete isolated footings. The case studies presented before were subjected to numerous optimization runs using the GA while keeping the variable under inspection as a constant. The effect of reinforcement, material strength and geometric parameters on the total cost is presented. General trends are drawn, effectiveness of each parameter is detailed, and the optimal ranges are extracted. For the sake of brevity, the detailed results of this investigation are presented in tabular form for example 1 only.
5.1. Effect of Geometric Parameters
The parametric investigation of geometric properties was carried out to check the effect on the optimized cost. In this case, an additional constraint of aspect ratio (/) was introduced in the spreadsheet tool with an equality bound to its input value, which varied from 0.5 to 1.5. The GA was then run to obtain the optimized cost for each input value of /. Figure 11 shows the trend obtained by varying the aspect ratio on the optimized cost.

Figure 11.
Effect of aspect ratio on cost.
Aspect ratio of 1 has proven to be the optimal ratio. A ratio below and above this leads to more cost. The reason to this is that the pressure at the ultimate shear failure of the footing with aspect ratio from 0.9 to 1.1 is least compared to the other / ratios, hence resulting in the most optimized cost. From the aspect ratios of 0.5 to 1, for examples 1–4, the cost decreases by 41.52%, 35.67%, 32.94% and 33.73%, respectively. Table 8 shows the values of the variables (, , , ) obtained by the run of the GA for each aspect ratio ranging from 0.5 to 1.5 for example 1. Both and were kept constant here.

Table 8.
Variables obtained for example 1 by varying aspect ratio.
It can be observed from Table 8 that summation of areas of steel along both the directions is a minimum in the range of 0.9 to 1.1 for the aspect ratio. This is because the area of steel increases as the cantilever length of the footing increases.
5.2. Effect of Reinforcement Parameters
The parametric investigation in this case involves the variation effects of steel reinforcement ratios () on the optimized cost. Figure 12 shows the disparity in the obtained cost as the reinforcement ratio is varied from 0.002 to 0.008.

Figure 12.
Effect of reinforcement ratio on cost by the GA.
A ratio of 0.0025 to 0.003 has proven to be the optimal range for the reinforcement ratio (). The , calculated using the depth from the optimized geometric dimensions, is considered sufficient for initial design proportioning. An increase above the minimum required reinforcement resulted in an increase in cost because any capacity failure was economically handled by increasing the concrete section. For the 0.004 to 0.008 ratio, the cost of the footing increased by 30.67%, 31.50%, 31.08% and 30.59%, respectively for examples 1–4. Table 9 shows the values of the variables (, , , ) obtained by the run of GA for each reinforcement ratio ) ranging from 0.002 to 0.008 for example 1. Material strengths ( and ) were kept constant here and the same reinforcement ratio ) was provided in both the directions.

Table 9.
Variables obtained for example 1 by varying steel ratio.
It can be observed from the Table 9 that the depth of the footing ceases to decrease with increase in the reinforcement ratio to satisfy the shear requirements. Hence, a range of 0.0025 to 0.003 was considered optimal. A ratio below this range leads to insufficient flexural capacity, which leads to an increase in the thickness of footing.
5.3. Effect of Material Strength
The material strength parameters considered are the compressive strength of concrete and the yield strength of steel . The material strengths differ in unit rates, which were obtained from a local contractor and presented in Table 10. Theoretically, higher strength materials should yield sleeker sections but the variability in cost for each case makes it a topic of attention for this examination. For this purpose, the above four examples were optimized again for cost minimization. The results were obtained by varying the concrete strength for examples 1–4 while keeping constant. Similarly, when varying steel yield strength, was kept constant as given in the literature to form a benchmark for analyzing the effect of steel strength.

Table 10.
Rates of materials used for parametric study.
The optimized costs obtained for examples 1–4 from the GA optimization for concrete variation are presented in Figure 13. This analysis is evidence that the effect of composite structures on cost minimization is highly dependent on the unit rates of each material. In the above examples, concrete was the cheaper material but increasing material strength leads to costlier unit rates that reverses this trend. The optimizer prefers steel as a comparatively cheaper alternative that leads to sleeker sections with heavier reinforcement, which indirectly leads to higher costs from 20 MPa to 40 MPa.

Figure 13.
Effect of concrete compressive strength on cost.
On the other hand, the grade of steel had a positive effect on optimization, as the cost difference between the grades was not high. Figure 14 shows the optimized costs obtained due to steel yield strength variations for each case. Despite the marginally lower cost of 275 MPa reinforcement, it leads to an increase in reinforcement area, which increases the cost. The 500 MPa reinforcement had only a fraction higher unit rate while also having greater yield strength that decreased reinforcement area required leading to the significant improvement in cost with a higher grade of steel. Table 11 presents the variables obtained for example 1 due to the effects of varying the steel yield and concrete strength.

Figure 14.
Effect of steel yield strength on cost.

Table 11.
Variables obtained for example 1 by varying material strength properties.
It can be observed from Table 11 that with the increase in concrete compressive strength () the required area of steel along both the directions of the footing also increases. From 20 MPa to 40 MPa for examples 1–4, the cost increased by 19.79%, 19.88%, 19.26% and 22.80%, respectively. From 275 MPa to 500 MPa for examples 1–4, the cost decreased by 18.34%, 30.5%, 19.58% and 19.5%, respectively.
6. Conclusions
A user-friendly spreadsheet-based tool for the optimization of RC isolated footings in terms of the least cost was developed by the utilization of the EA and the GA, while satisfying all the safety and strength requirements imposed by the ACI 318-14 code, making it more practical and more convenient so, engineers can move towards objective-based design in their practice. The results obtained with this tool were also compared with the results of the research of Rawat and Mittal, which utilized the linearly programmed tool of Generalized Reduced Gradient (GRG). Moreover, a parametric study tried to present useful trends for the initial designing and proportioning of isolated footing using the vastly superior metaheuristic techniques. The following conclusions were drawn:
- The developed tool is not only a user-friendly and simple way of finding the most efficient designs with high computational efficiency compared to conventional methods, but it can also save up to 44% of the cost for the examples considered in this study. It does not get trapped in localized minimum solutions and can reach a global optimum solution for complex and non-linear problems.
- The cost analysis results show that optimization tends to increase the cheaper material, i.e., concrete, if required, and reduce the more costly material, i.e., steel, in such a way that all the constraints for design variables remain within the limits defined by the code, making this tool more efficient in terms of material usage.
- The parametric analysis suggested an optimal range of 0.9 to 1.1 for the aspect ratio of footings, 0.0025 to 0.003 for the reinforcement ratio, and the use of less compressive strength of concrete with high yielding strength of steel for a cost-effective design.
The developed tool is also able to generate reports on the non-binding and binding nature, and the standard deviation and mean values for each constraint and variable. This can help in carrying out sensitivity analysis for more effective application of optimization. In a continuation of this study, this tool can be generalized to consider the stepped footing, which is likely to generate even more optimized results compared to the pad footing. Further, multi-objective optimization can be integrated with this tool to treat factors other than cost as an objective function.
Author Contributions
Conceptualization, R.A. and M.R.R.; methodology, R.A. and J.W.; software, J.W. and M.S.; validation, R.A., J.W. and M.S.; formal analysis, J.W.; investigation, M.R.R.; writing—original draft preparation, J.W. and M.S.; writing—review and editing, R.A. and M.R.R.; visualization, A.M. and E.A.; supervision, R.A., A.M. and E.A.; project administration, R.A. All authors have read and agreed to the published version of the manuscript.
Funding
This research received no external funding.
Institutional Review Board Statement
Not applicable.
Informed Consent Statement
Not applicable.
Conflicts of Interest
The authors declare no conflict of interest.
References
- Adeli, H.; Sarma, K.C. Cost Optimization of Structures: Fuzzy Logic, Genetic Algorithms, and Parallel Computing; John Wiley & Sons: Chichester, UK, 2006; ISBN 978-0-470-86734-1. [Google Scholar]
- Gan, V.J.L.; Lo, I.M.C.; Ma, J.; Tse, K.T.; Cheng, J.C.P.; Chan, C.M. Simulation optimisation towards energy efficient green buildings: Current status and future trends. J. Clean. Prod. 2020, 254, 120012. [Google Scholar] [CrossRef]
- Afzal, M.; Liu, Y.; Cheng, J.C.P.; Gan, V.J.L. Reinforced concrete structural design optimization: A critical review. J. Clean. Prod. 2020, 260, 120623. [Google Scholar] [CrossRef]
- Mei, L.; Wang, Q. Structural Optimization in Civil Engineering: A Literature Review. Buildings 2021, 11, 66. [Google Scholar] [CrossRef]
- Arora, J. Introduction to Optimum Design, 3rd ed.; Academic Press: Waltham, MA, USA, 2012; ISBN 978-0-12-381375-6. [Google Scholar]
- Rajput, P.S.; Datta, S. A review on optimization techniques used in civil engineering material and structure design. Mater. Today Proc. 2020, 26, 1482–1491. [Google Scholar] [CrossRef]
- Kaveh, A.; Eslamlou, A.D. Metaheuristic Optimization Algorithms in Civil Engineering: New Applications, 1st ed.; Springer International Publishing: Cham, Switzerland, 2020; ISBN 978-3-030-45472-2. [Google Scholar]
- Rahmanian, I.; Lucet, Y.; Tesfamariam, S. Optimal design of reinforced concrete beams: A review. Comput. Concr. 2014, 13, 457–482. [Google Scholar] [CrossRef]
- Dede, T.; Kripka, M.; Togan, V.; Yepes, V.; Rao, R.V. Usage of optimization techniques in civil engineering during the last two decades. Curr. Trends Civ. Struct. Eng. 2019, 2, 1–17. [Google Scholar] [CrossRef]
- Stochino, F.; Lopez Gayarre, F. Reinforced Concrete Slab Optimization with Simulated Annealing. Appl. Sci. 2019, 9, 3161. [Google Scholar] [CrossRef] [Green Version]
- Bekdaş, G.; Nigdeli, S.M.; Kim, S.; Geem, Z.W. Modified Harmony Search Algorithm-Based Optimization for Eco-Friendly Reinforced Concrete Frames. Sustainability 2022, 14, 3361. [Google Scholar] [CrossRef]
- Chutani, S.; Singh, J. Design Optimization of Reinforced Concrete Beams. J. Inst. Eng. India Ser. 2017, 98, 429–435. [Google Scholar] [CrossRef]
- Konstandakopoulou, F.; Tsimirika, M.; Pnevmatikos, N.; Hatzigeorgiou, G.D. Optimization of Reinforced Concrete Retaining Walls Designed According to European Provisions. Infrastructures 2020, 5, 46. [Google Scholar] [CrossRef]
- Pires, S.L.; Silva, M.C.A.T. Optimization of slender reinforced concrete columns subjected to biaxial bending using genetic algorithms. Rev. IBRACON Estrut. Mater. 2021, 14, e14610. [Google Scholar] [CrossRef]
- Atabay, S. Cost optimization of three-dimensional beamless reinforced concrete shear-wall systems via genetic algorithm. Expert Syst. Appl. 2009, 36, 3555–3561. [Google Scholar] [CrossRef]
- Bhavikatti, S.S.; Hegde, V.S. Optimum design of column footing using sequential linear programming. In Proceedings of the International Conference on Computer Applications in Civil Engineering, Roorkee, India, 23–25 October 1979; pp. 245–252. [Google Scholar]
- Namiq, L.I.; Al-Ani, M.M. Optimum design of spread footings subjected to axial and biaxial moments. ICE 1985, 1, 8–12. [Google Scholar]
- Basudhar, P.K.; Das, A.; Das, S.K.; Dey, A.; Deb, K.; De, S. Optimal cost design of rigid raft foundation. In Proceedings of the 10th East Asia-Pacific Conference on Structural Engineering and Construction (EASEC-10), Bangkok, Thailand, 3–5 August 2006; pp. 39–44. [Google Scholar]
- Wang, Y.; Kulhawy, F.H. Economic design optimization of foundations. J. Geotech. Geoenviron. Eng. 2008, 134, 1097–1105. [Google Scholar] [CrossRef]
- Al-Douri, E.M.F. Optimum design of trapizoidal combined footings. Tikrit J. Eng. Sci. 2007, 14, 85–115. [Google Scholar]
- Rizwan, M.; Alam, B.; Rehman, F.; Masud, N.; Shahzada, K.; Masud, T. Cost optimization of combined footings using modified complex method of box. Int. J. Adv. Struct. Geotech. Eng. 2012, 1, 24–28. [Google Scholar]
- Luévanos-Rojas, A.; López-Chavarría, S.; Medina-Elizondo, M. Optimal design for rectangular isolated footings using the real soil pressure. Ing. E Investig. 2017, 37, 25–33. [Google Scholar] [CrossRef]
- Lopez-Chavarria, S.; Luevanos-Rojas, A.; Medina-Elizondo, M. Optimal dimensioning for the corner combined footings. Adv. Comput. Des. 2017, 2, 169–183. [Google Scholar] [CrossRef]
- Velazquez-Santilla, F.; Luevanos-Rojas, A.; Lopez-Chavarria, S.; Medina-Elizondo, M.; Sandoval-Rivas, R. Numerical experimentation for the optimal design for reinforced concrete rectangular combined footings. Adv. Comput. Des. 2018, 3, 49–69. [Google Scholar] [CrossRef]
- Solorzano, G.; Plevris, V. Optimum design of RC footings with genetic algorithms according to ACI 318-19. Buildings 2020, 10, 110. [Google Scholar] [CrossRef]
- Chaudhuri, P.; Maity, D. Cost optimization of rectangular RC footing using GA and UPSO. Soft Comput. 2020, 24, 709–721. [Google Scholar] [CrossRef]
- Camp, C.V.; Assadollahi, A. CO2 and cost optimization of reinforced concrete footings using a hybrid big bang-big crunch algorithm. Struct. Multidiscip. Optim. 2013, 48, 411–426. [Google Scholar] [CrossRef]
- Jelušič, P.; Žlender, B. Optimal design of pad footing based on MINLP optimization. Soils Found. 2018, 58, 277–289. [Google Scholar] [CrossRef]
- Rawat, S.; Mittal, R.K. Optimization of eccentrically loaded reinforced-concrete isolated footings. Pract. Period. Struct. Des. Constr. 2018, 23, 06018002. [Google Scholar] [CrossRef]
- ACI 318-14: Building Code Requirements for Structural Concrete and Commentary; American Concrete Institute: Farmington Hills, MI, USA, 2014.
- Slowik, A.; Kwasnicka, H. Evolutionary algorithms and their applications to engineering problems. Neural Comput. Appl. 2020, 32, 12363–12379. [Google Scholar] [CrossRef] [Green Version]
- Nature-Inspired Algorithms and Applied Optimization; Yang, X. (Ed.) Springer International Publishing: Cham, Switzerland, 2018; ISBN 978-3-319-67668-5. [Google Scholar]
- Shakeel, M.; Azam, R.; Riaz, M.R. A spreadsheet-based tool for optimal design of reinforced concrete cantilever retaining walls. Innov. Infrastruct. Solut. 2022, 7, 109. [Google Scholar] [CrossRef]
- Microsoft Corporation. Microsoft Excel. Available online: https://www.microsoft.com/en-ww/microsoft-365/excel (accessed on 3 March 2022).
- Sivanandam, S.N.; Deepa, S.N. Introduction to Genetic Algorithms; Springer: Berlin/Heidelberg, Germany, 2008; ISBN 978-3-540-73189-4. [Google Scholar]
- Kramer, O. Genetic Algorithm Essentials, 1st ed.; Springer International Publishing: Cham, Switzerland, 2017; ISBN 978-3-319-52155-8. [Google Scholar]
- Holland, J.H. Adaptation in Natural and Artificial Systems: An Introductory Analysis with Applications to Biology, Control, and Artificial Intelligence; University of Michigan Press: Ann Arbor, MI, USA, 1975. [Google Scholar]
- Palisade Corporation. Evolver. Available online: https://www.palisade.com/evolver/default.asp (accessed on 3 March 2022).
- Wight, J.K.; MacGregor, J.G. Reinforced Concrete: Mechanics and Design, 6th ed.; Prentice Hall: Upper Saddle River, NJ, USA, 2011; ISBN 978-0-13-217652-1. [Google Scholar]
- Shah, H.J.; Jain, S.K. Design Example of a Six Storey Building; Indian Institute of Technology: Kanpur, India, 2009. [Google Scholar]
- Kamara, M.E.; Novak, L.C. Notes on ACI 318-11 Building Code Requirements for Structural Concrete with Design Applications; Portland Cement Association: Skokie, IL, USA, 2013. [Google Scholar]
- ACI Design Handbook: Design of Structural Reinforced Concrete Elements in Accordance with ACI 318M-05, 7th ed.; American Concrete Institute: Farmington Hills, MI, USA, 2015; ISBN 978-0-87031-352-3.
Publisher’s Note: MDPI stays neutral with regard to jurisdictional claims in published maps and institutional affiliations. |
© 2022 by the authors. Licensee MDPI, Basel, Switzerland. This article is an open access article distributed under the terms and conditions of the Creative Commons Attribution (CC BY) license (https://creativecommons.org/licenses/by/4.0/).