Hybrid Krill Herd-ANN Model for Prediction Strength and Stiffness of Bolted Connections
Abstract
1. Introduction
- Complex 3-D loading scenarios (axial loads, biaxial and shear, and torsional effects)
 - Residual stresses as a result of welding, geometric imperfections, and strain hardening of column shear-panel zones, etc.
 - Differences in weld quality and details (thickness, number of weld passes, and weld material)
 - Post-weld treatment (removal, backing bar detail, heat treatment, and grinding)
 
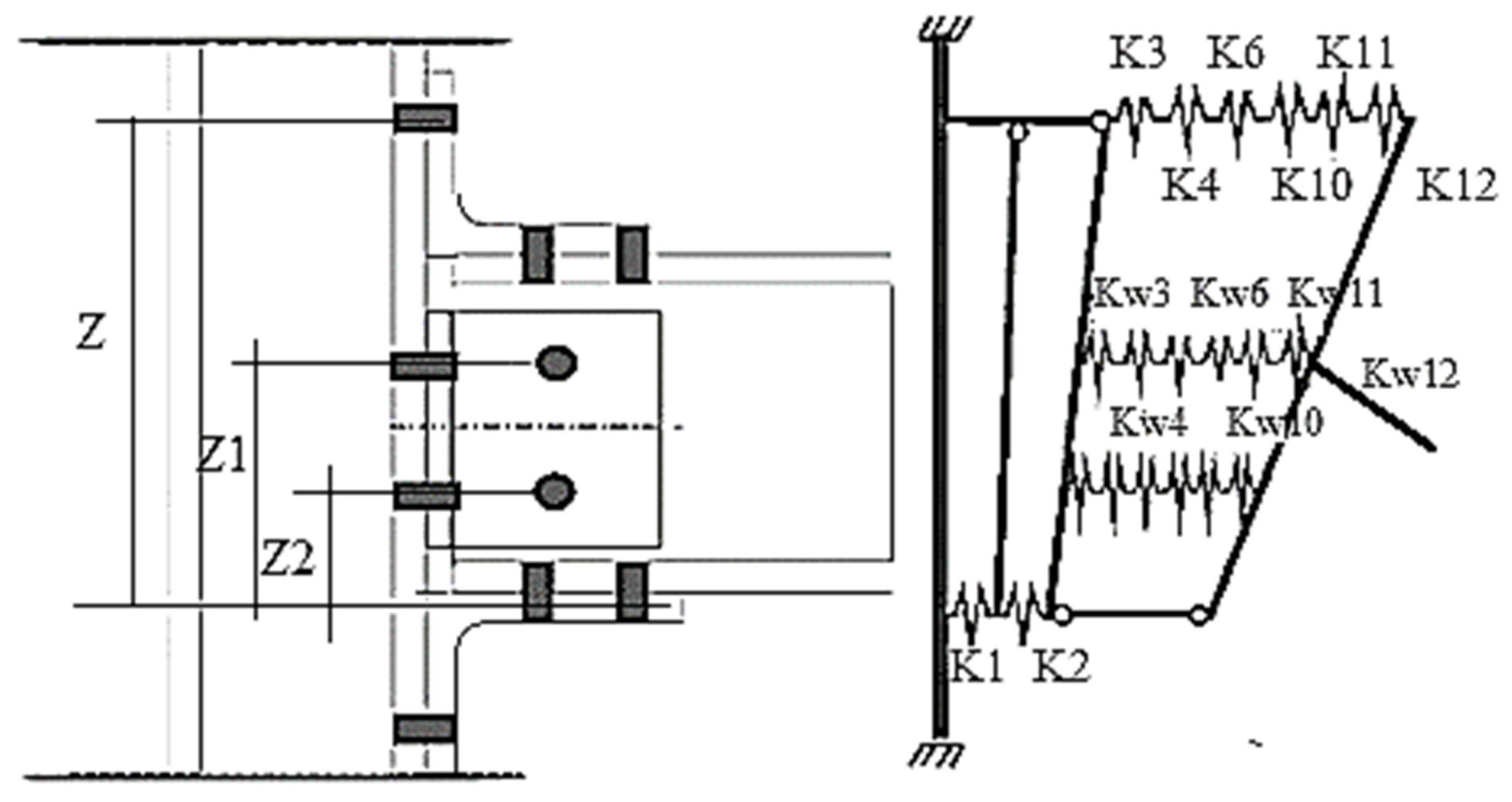
2. Databank Development
3. Component-Based Mechanical Methods
4. Informational Approach
4.1. Krill Herd Algorithm
4.2. Training the KHA-ANN Model
- Number of krill: the required number of krill for starting the optimization;
 - Minimum number of krill herd: the minimum number of required krill in each group;
 - Maximum iteration: maximum interaction between krill in one group or one group with another group;
 - Maximum induced speed: maximum induced speed between the two groups;
 - D max: maximum radius in each group.
 
4.3. Multiple Linear Regression and Genetic Algorithm
5. Accuracy of Proposed KHA-ANN-Model
6. Comparison and Discussion of the Mechanical and Informational Approaches
7. Concluding Remarks
- The proposed simplified mechanical models have sufficient accuracy in estimating the mechanical properties of bolted beam-to-column connections. This method’s main challenge is defining a sufficient number of components and conceptualization from physical behavior to analytical equations. The component-based mechanical models can be applied to different connection configurations, provided that the fundamental components with their non-linear response are accurately identified.
 - The novel hybrid KHA-ANN model established an excellent agreement with the experimental database. The results suggest that the informational model may be a reliable alternative to the mechanical model for estimating the mechanical properties of bolted beam-to-column connections. Although this method has the valuable characteristic of being user-friendly, it was limited to only presenting the global response including the contribution of all components. Therefore, it does not offer an insight into the underlying mechanisms of individual components.
 - The results of the ANN model optimized by the krill herd algorithm acknowledged that this algorithm is quite successful in finding the optimal point of functions. This model has good potential compared to multilinear regression and genetic algorithm models where AAE, VAF, and EF statistical coefficients have higher values, indicating a lower error of this model. The maximum and average ratios of the test to theoretical Sj,ini, and Mn parameters estimated by the KHA-ANN model were the closest to unity, indicating robust predictive capability.
 
Author Contributions
Funding
Institutional Review Board Statement
Informed Consent Statement
Data Availability Statement
Conflicts of Interest
References
- Alwanas, A.A.H.; Al-Musawi, A.A.; Salih, S.Q.; Tao, H.; Ali, M.; Yaseen, Z.M. Load-carrying capacity and mode failure simulation of beam-column joint connection: Application of self-tuning machine learning model. Eng. Struct. 2019, 194, 220–229. [Google Scholar] [CrossRef]
 - Lian, M.; Zhang, H.; Cheng, Q.; Su, M. Finite element analysis for the seismic performance of steel frame-tube structures with replaceable shear links. Steel Compos. Struct. 2019, 30, 365–382. [Google Scholar] [CrossRef]
 - Bayat, M.; Zahrai, S.M. Seismic performance of mid-rise steel frames with semi-rigid connections having different moment capacity. Steel Compos. Struct. 2017, 25, 1–17. [Google Scholar] [CrossRef]
 - Lian, M.; Cheng, Q.; Zhang, H.; Su, M. Numerical study of the seismic behavior of steel frame-tube structures with bolted web-connected replaceable shear links. Steel Compos. Struct. 2020, 35, 305–325. [Google Scholar] [CrossRef]
 - Wang, J.; Uy, B.; Li, D.; Song, Y. Progressive collapse analysis of stainless steel composite frames with beam-to-column endplate connections. Steel Compos. Struct. 2020, 36, 427–446. [Google Scholar] [CrossRef]
 - Pnevmatikos, N.; Konstandakopoulou, F.; Blachowski, B.; Papavasileiou, G.; Broukos, P. Multifractal analysis and wavelet leaders for structural damage detection of structures subjected to earthquake excitation. Soil Dyn. Earthq. Eng. 2020, 139, 106328. [Google Scholar] [CrossRef]
 - En, B. Eurocode 3: Design of Steel Structures—Part 1–8: Design of Joints; British Standards Institution: London, UK, 2005; pp. 1–8. [Google Scholar]
 - Nakashima, M.; Inoue, K.; Tada, M. Classification of damage to steel buildings observed in the 1995 Hyogoken-Nanbu earthquake. Eng. Struct. 1998, 20, 271–281. [Google Scholar] [CrossRef]
 - Lopez, A.; Puente, I.; Aizpurua, H. Experimental and analytical studies on the rotational stiffness of joints for single-layer structures. Eng. Struct. 2011, 33, 731–737. [Google Scholar] [CrossRef]
 - Elghazouli, A.; Málaga-Chuquitaype, C.; Castro, J.; Orton, A. Experimental monotonic and cyclic behaviour of blind-bolted angle connections. Eng. Struct. 2009, 31, 2540–2553. [Google Scholar] [CrossRef]
 - Guan, D.; Yang, S.; Jia, L.-J.; Guo, Z. Development of miniature bar-type structural fuses with cold formed bolted connections. Steel Compos. Struct. 2020, 34, 53–73. [Google Scholar] [CrossRef]
 - Wang, J.; Wang, J.; Wang, H. Seismic behavior of blind bolted CFST frames with semi-rigid connections. In Structures; Elsevier: Amsterdam, The Netherlands, 2017; pp. 91–104. [Google Scholar]
 - Abolmaali, A.; Kukreti, A.; Motahari, A.; Ghassemieh, M. Energy dissipation characteristics of semi-rigid connections. J. Constr. Steel Res. 2009, 65, 1187–1197. [Google Scholar] [CrossRef]
 - Oskouei, A.V.; Fard, S.S.; Aksogan, O. Using genetic algorithm for the optimization of seismic behavior of steel planar frames with semi-rigid connections. Struct. Multidiscip. Optim. 2012, 45, 287–302. [Google Scholar] [CrossRef]
 - Pirmoz, A.; Liu, M.M. Direct displacement-based seismic design of semi-rigid steel frames. J. Constr. Steel Res. 2017, 128, 201–209. [Google Scholar] [CrossRef]
 - Hassan, E.M.; Admuthe, S.; Mahmoud, H. Response of semi-rigid steel frames to sequential earthquakes. J. Constr. Steel Res. 2020, 173, 106272. [Google Scholar] [CrossRef]
 - Abdollahzadeh, G.; Shabanian, S.M. Experimental and numerical analysis of beam to column joints in steel structures. Front. Struct. Civ. Eng. 2018, 12, 642–661. [Google Scholar] [CrossRef]
 - He, M.; Luo, J.; Tao, D.; Li, Z.; Sun, Y.; He, G. Rotational behavior of bolted glulam beam-to-column connections with knee brace. Eng. Struct. 2020, 207, 110251. [Google Scholar] [CrossRef]
 - Sadeghi, S.N.; Heidarpour, A.; Zhao, X.-L.; Al-Mahaidi, R. A component-based model for innovative prefabricated beam-to-hybrid tubular column connections. Thin Walled Struct. 2018, 132, 265–275. [Google Scholar] [CrossRef]
 - Abdolahzadeh, G.; Shabanian, S.M.; Tavakol, A. Experimental and numerical evaluation of rigid column to baseplate connection under cyclic loading. Struct. Des. Tall Spec. Build. 2019, 28, e1596. [Google Scholar] [CrossRef]
 - Özkılıç, Y.O. A new replaceable fuse for moment resisting frames: Replaceable bolted reduced beam section connections. Steel Compos. Struct. 2020, 35, 353–370. [Google Scholar] [CrossRef]
 - Blachowski, B.; Pnevmatikos, N. Neural network based vibration control of seismically excited civil structures. Period. Polytech. Civ. Eng. 2018, 62, 620–628. [Google Scholar] [CrossRef]
 - Chen, W.-F.; Kishi, N. Semirigid steel beam-to-column connections: Data base and modeling. J. Struct. Eng. 1989, 115, 105–119. [Google Scholar] [CrossRef]
 - Wales, M.W.; Rossow, E.C. Coupled moment-axial force behavior in bolted joints. J. Struct. Eng. 1983, 109, 1250–1266. [Google Scholar] [CrossRef]
 - Tschemmernegg, F.; Humer, C. The design of structural steel frames under consideration of the nonlinear behaviour of joints. J. Constr. Steel Res. 1988, 11, 73–103. [Google Scholar] [CrossRef]
 - Madas, P.J.; Elnashai, A.S. A component-based model for beam-column connections. Proc. Tenth World Conf. Earthq. Eng. 1992, 8, 4495–4499. [Google Scholar]
 - De Stefano, M.; De Luca, A.; Astaneh-Asl, A. Modeling of cyclic moment-rotation response of double-angle connections. J. Struct. Eng. 1994, 120, 212–229. [Google Scholar] [CrossRef]
 - Shen, J.; Astaneh-Asl, A. Hysteresis model of bolted-angle connections. J. Constr. Steel Res. 2000, 54, 317–343. [Google Scholar] [CrossRef]
 - Díaz, C.; Victoria, M.; Querin, O.M.; Martí, P. FE model of three-dimensional steel beam-to-column bolted extended end-plate joint. Int. J. Steel Struct. 2018, 18, 843–867. [Google Scholar] [CrossRef]
 - Shabanian, S.M.; Abdollahzadeh, G.; Davoodi, M. Evaluation of the moment–rotation curve of steel beam-to-column joints with flange-plate. Asian J. Civ. Eng. 2019, 21, 517–531. [Google Scholar] [CrossRef]
 - Soleimani, E.; Behnamfar, F. New moment-rotation equation for welded steel beam-to-column connections. Int. J. Steel Struct. 2017, 17, 389–411. [Google Scholar] [CrossRef]
 - Xing, Y.; Zhao, Y.; Guo, Q.; Jiao, J.-F.; Chen, Q.-W.; Fu, B.-Z. Static behavior of bolt connected steel-concrete composite beam without post-cast zone. Steel Compos. Struct. 2021, 38, 365. [Google Scholar] [CrossRef]
 - Kong, Z.; Kim, S.-E. Moment-rotation behavior of top-and seat-angle connections with double web angles. J. Constr. Steel Res. 2017, 128, 428–439. [Google Scholar] [CrossRef]
 - Pucinotti, R. Top-and-seat and web angle connections: Prediction via mechanical model. J. Constr. Steel Res. 2001, 57, 663–696. [Google Scholar] [CrossRef]
 - Azizinamini, A.; Bradburn, J.; Radziminski, J. Initial stiffness of semi-rigid steel beam-to-column connections. J. Constr. Steel Res. 1987, 8, 71–90. [Google Scholar] [CrossRef]
 - Weynand, K.; Huter, M.; Kirby, P.; Simões da Silva, L.; Cruz, P. SERICON—Databank on Joints in Building Frames. In Proceedings of the 1st COST C1 Workshop, Strasbourg, France, 28–30 October 1992. [Google Scholar]
 - Kishi, N.; Chen, W.-F. Data Base of Steel Beam-to-Column Connections; Structural Engineering Area, School of Civil Engineering, Purdue University: West Lafayette, IN, USA, 1986. [Google Scholar]
 - Málaga-Chuquitaype, C.; Elghazouli, A. Component-based mechanical models for blind-bolted angle connections. Eng. Struct. 2010, 32, 3048–3067. [Google Scholar] [CrossRef]
 - Hasan, M.J.; Ashraf, M.; Uy, B. Moment-rotation behaviour of top-seat angle bolted connections produced from austenitic stainless steel. J. Constr. Steel Res. 2017, 136, 149–161. [Google Scholar] [CrossRef]
 - Ma, L.; Bocchini, P. Hysteretic Model of Single-Bolted Angle Connections for Lattice Steel Towers. J. Eng. Mech. 2019, 145, 04019052. [Google Scholar] [CrossRef]
 - Anwar, G.A.; Dinu, F.; Ahmed, M. Numerical Study on Ultimate Deformation and Resistance Capacity of Bolted T-Stub Connection. Int. J. Steel Struct. 2019, 19, 970–977. [Google Scholar] [CrossRef]
 - Hantouche, E.G.; Sleiman, S.A. Response of double angle and shear endplate connections at elevated temperatures. Int. J. Steel Struct. 2016, 16, 489–504. [Google Scholar] [CrossRef]
 - Kishi, N.; Chen, W.-F. Moment-rotation relations of semirigid connections with angles. J. Struct. Eng. 1990, 116, 1813–1834. [Google Scholar] [CrossRef]
 - Pucinotti, R. Cyclic mechanical model of semirigid top and seat and double web angle connections. Steel Compos. Struct. 2006, 6, 139–157. [Google Scholar] [CrossRef]
 - Ghaboussi, J.; Garrett, J., Jr.; Wu, X. Knowledge-based modeling of material behavior with neural networks. J. Eng. Mech. 1991, 117, 132–153. [Google Scholar] [CrossRef]
 - Ghaboussi, J.; Sidarta, D. New nested adaptive neural networks (NANN) for constitutive modeling. Comput. Geotech. 1998, 22, 29–52. [Google Scholar] [CrossRef]
 - Gawin, D.; Lefik, M.; Schrefler, B. ANN approach to sorption hysteresis within a coupled hygro-thermo-mechanical FE analysis. Int. J. Numer. Methods Eng. 2001, 50, 299–323. [Google Scholar] [CrossRef]
 - Abdollahzadeh, G.; Hashemi, S.M.; Tavakoli, H.; Rahami, H. Determination of hysteretic behavior of steel end-plate beam-to-column connection with mechanical and neural network modeling. Arab. J. Sci. Eng. 2014, 39, 7661–7671. [Google Scholar] [CrossRef]
 - Shah, S.; Sulong, N.R.; El-Shafie, A. New approach for developing soft computational prediction models for moment and rotation of boltless steel connections. Thin Walled Struct. 2018, 133, 206–215. [Google Scholar] [CrossRef]
 - Stavroulakis, G.; Avdelas, A.; Abdalla, K.; Panagiotopoulos, P. A neural network approach to the modelling, calculation and identification of semi-rigid connections in steel structures. J. Constr. Steel Res. 1997, 44, 91–105. [Google Scholar] [CrossRef]
 - Cao, Y.; Wakil, K.; Alyousef, R.; Jermsittiparsert, K.; Ho, L.S.; Alabduljabbar, H.; Alaskar, A.; Alrshoudi, F.; Mohamed, A.M. Application of extreme learning machine in behavior of beam to column connections. In Structures; Elsevier: Amsterdam, The Netherlands, 2020; pp. 861–867. [Google Scholar]
 - Iman Faridmehr, M.N. Raffaele Pucinotti and Chiara Bedon. Application of Component-Based Mechanical Models and Artificial Intelligence to Bolted Beam-to-Column Connections. Appl. Sci. 2021, 11, 2297. [Google Scholar] [CrossRef]
 - Hasanzade-Inallu, A.; Zarfam, P.; Nikoo, M. Modified imperialist competitive algorithm-based neural network to determine shear strength of concrete beams reinforced with FRP. J. Cent. South Univ. 2019, 26, 3156–3174. [Google Scholar] [CrossRef]
 - Kotsovou, G.M.; Cotsovos, D.M.; Lagaros, N.D. Assessment of RC exterior beam-column Joints based on artificial neural networks and other methods. Eng. Struct. 2017, 144, 1–18. [Google Scholar] [CrossRef]
 - DmitriyTarkhov, A. 3-Methods for the selection of parameters and structure of the neural network model. In Semi-Empirical Neural Network Modeling and Digital Twins Development; Elsevier: Amsterdam, The Netherlands, 2020; pp. 73–103. [Google Scholar] [CrossRef]
 - Asteris, P.G.; Nozhati, S.; Nikoo, M.; Cavaleri, L.; Nikoo, M. Krill herd algorithm-based neural network in structural seismic reliability evaluation. Mech. Adv. Mater. Struct. 2019, 26, 1146–1153. [Google Scholar] [CrossRef]
 - Bolaji, A.L.a.; Al-Betar, M.A.; Awadallah, M.A.; Khader, A.T.; Abualigah, L.M. A comprehensive review: Krill Herd algorithm (KH) and its applications. Appl. Soft Comput. 2016, 49, 437–446. [Google Scholar] [CrossRef]
 - Faridmehr, I.; Bedon, C.; Huseien, G.F.; Nikoo, M.; Baghban, M.H. Assessment of Mechanical Properties and Structural Morphology of Alkali-Activated Mortars with Industrial Waste Materials. Sustainability 2021, 13, 2062. [Google Scholar] [CrossRef]
 - Nikoo, M.; Torabian Moghadam, F.; Sadowski, Ł. Prediction of concrete compressive strength by evolutionary artificial neural networks. Adv. Mater. Sci. Eng. 2015, 2015, 849126. [Google Scholar] [CrossRef]
 - Kim, J.; Ghaboussi, J.; Elnashai, A.S. Mechanical and informational modeling of steel beam-to-column connections. Eng. Struct. 2010, 32, 449–458. [Google Scholar] [CrossRef]
 

















| Test | Beam | Column | Size of Bolts (mm)  | Top Cleat (mm)  | Web Cleat (mm)  | Yield Stress of Angle (N/mm2)  | 
|---|---|---|---|---|---|---|
| 8S1 | H210 × 134 × 6.4 × 10.2 | H310 × 254 × 9.1 × 16.3 | 19.1 | L152 × 89 × 7.9 | L102 × 89 × 6.4 | 285.4 | 
| 8S2 | H210 × 134 × 6.4 × 10.2 | H310 × 254 × 9.1 × 16.3 | 19.1 | L152 × 89 × 9.5 | L102 × 89 × 6.4 | 285.4 | 
| 8S3 | H210 × 134 × 6.4 × 10.2 | H310 × 254 × 9.1 × 16.3 | 19.1 | L152 × 89 × 7.9 | L102 × 89 × 6.4 | 285.4 | 
| 8S4 | H210 × 134 × 6.4 × 10.2 | H310 × 254 × 9.1 × 16.3 | 19.1 | L152 × 152 × 9.5 | L102 × 89 × 6.4 | 285.4 | 
| 8S5 | H210 × 134 × 6.4 × 10.2 | H310 × 254 × 9.1 × 16.3 | 19.1 | L152 × 102 × 9.5 | L102 × 89 × 6.4 | 285.4 | 
| 8S6 | H210 × 134 × 6.4 × 10.2 | H310 × 254 × 9.1 × 16.3 | 19.1 | L152 × 102 × 7.9 | L102 × 89 × 6.4 | 285.4 | 
| 8S7 | H210 × 134 × 6.4 × 10.2 | H310 × 254 × 9.1 × 16.3 | 19.1 | L152 × 102 × 9.5 | L102 × 89 × 6.4 | 285.4 | 
| 8S8 | H210 × 134 × 6.4 × 10.2 | H310 × 254 × 9.1 × 16.3 | 22.2 | L152 × 89 × 7.9 | L102 × 89 × 6.4 | 277 | 
| 8S9 | H210 × 134 × 6.4 × 10.2 | H310 × 254 × 9.1 × 16.3 | 22.2 | L152 × 89 × 9.5 | L102 × 89 × 6.4 | 277 | 
| 8S10 | H210 × 134 × 6.4 × 10.2 | H310 × 254 × 9.1 × 16.3 | 22.2 | L152 × 89 × 12.7 | L102 × 89 × 6.4 | 277 | 
| 14S1 | H358 × 172 × 7.9 × 13.1 | H323 × 310 × 14 × 22.9 | 19.1 | L152 × 102 × 9.5 | L102 × 89 × 6.4 | 285 | 
| 14S2 | H358 × 172 × 7.9 × 13.1 | H323 × 310 × 14 × 22.9 | 19.1 | L152 × 102 × 12.7 | L102 × 89 × 6.4 | 365 | 
| 14S3 | H358 × 172 × 7.9 × 13.1 | H323 × 310 × 14 × 22.9 | 19.1 | L152 × 102 × 9.5 | L102 × 89 × 6.4 | 285 | 
| 14S4 | H358 × 172 × 7.9 × 13.1 | H323 × 310 × 14 × 22.9 | 19.1 | L152 × 102 × 9.5 | L102 × 89 × 9.5 | 285 | 
| 14S5 | H358 × 172 × 7.9 × 13.1 | H323 × 310 × 14 × 22.9 | 19.1 | L152 × 102 × 9.5 | L102 × 89 × 6.4 | 277 | 
| 14S6> | H358 × 172 × 7.9 × 13.1 | H323 × 310 × 14 × 22.9 | 19.1 | L152 × 102 × 12.7 | L102 × 89 × 6.4 | 277 | 
| 14S8 | H358 × 172 × 7.9 × 13.1 | H323 × 310 × 14 × 22.9 | 19.1 | L152 × 102 × 15.9 | L102 × 89 × 6.4 | 277 | 
| 14S9 | H358 × 172 × 7.9 × 13.1 | H323 × 310 × 14 × 22.9 | 19.1 | L152 × 102 × 12.7 | L102 × 89 × 6.4 | 277 | 
| Parameter | Type | Max | Min | Average | STD | 
|---|---|---|---|---|---|
| Ratio of moment inertia of column/beam | Input | 20.00 | 0.30 | 2.60 | 3.96 | 
| Thickness of top flange cleat (mm) | Input | 15.90 | 0.00 | 8.11 | 4.79 | 
| Thickness of bottom flange cleat (mm) | Input | 15.90 | 0.00 | 8.70 | 4.46 | 
| Max thickness of right/left web cleat (mm) | Input | 15.00 | 0.00 | 6.17 | 4.51 | 
| bolt size (mm) | Input | 24.00 | 16.00 | 19.51 | 1.70 | 
| Ratio of Fy column/Fy beam | Input | 1.13 | 0.80 | 1.00 | 0.09 | 
| Sj,ini (kNm/rad) | Output | 36,365.00 | 1633.00 | 12,021.75 | 9108.08 | 
| Mn/Mp beam | Output | 0.95 | 0.13 | 0.43 | 0.20 | 
| Type | Statistical Index | Sj,ini (kNm/rad) | Mn/Mp beam | 
|---|---|---|---|
| Train | AAE | 0.260 | 0.107 | 
| EF | 0.903 | 0.877 | |
| VAF% | 90% | 88% | |
| Test | AAE | 0.085 | 0.095 | 
| EF | 0.993 | 0.890 | |
| VAF% | 99% | 75% | |
| All | AAE | 0.226 | 0.104 | 
| EF | 0.920 | 0.880 | |
| VAF% | 92% | 88% | 
| No | Name | Features of Neural Network | ||||||
|---|---|---|---|---|---|---|---|---|
| Number of Input | Number of Output | Neural Network  | Hidden Layer  | Node | Learning Role | Transfer Function | ||
| 2 | KHA-ANN-M | 6 | 1 | Feedforward | 2 | 7-6 | Levenberg–Marquardt | Tansig | 
| 3 | KHA-ANN-S | 6 | 1 | Feedforward | 2 | 7-6 | Levenberg–Marquardt | Tansig | 
| No. | Name | Features of KHA | |||||
|---|---|---|---|---|---|---|---|
| Number of Krills  | Minimum Number of Krill Herd | Maximum Iteration | Maximum Induced Speed | D Max | |||
| 1 | KHA-ANN-MS | KHA-Model 1 | 10 | 2 | 200 | 0.01 | 0.005 | 
| 2 | KHA-ANN-M | KHA-Model 2 | 5 | 2 | 200 | 0.01 | 0.005 | 
| 3 | KHA-ANN-S | KHA-Model 3 | 5 | 2 | 100 | 0.01 | 0.004 | 
| Parameter Name | Value | 
|---|---|
| Selection mode | 3 | 
| Population size | 150 | 
| Maximum generations | 250 | 
| Recommendation percentage | 0.15 | 
| Cross percentage | 0.15 | 
| Mutation percentage | 0.7 | 
| Test | Sj,ini (kN·m/rad)  | Test/EC3 | Test/Kong and Kim | Test/ Pucinotti  | Test/ KHA-ANN  | Test/ Multiple Linear Regression  | Test/ Genetic Algorithm  | 
|---|---|---|---|---|---|---|---|
| 8S1 | 6000 | 0.62 | 0.81 | 1.09 | 1.07 | 0.70 | 0.82 | 
| 8S2 | 13,846 | 0.44 | 1.49 | 1.21 | 1.10 | 1.31 | 1.45 | 
| 8S3 | 10,099 | 0.49 | 1.03 | 1.35 | 1.15 | 1.17 | 1.39 | 
| 8S4 | 1633 | 1.32 | 1.34 | 0.83 | 1.19 | 0.16 | 0.17 | 
| 8S5 | 8089 | 1.65 | 1.26 | 1.07 | 1.08 | 0.77 | 0.85 | 
| 8S6 | 4490 | 1.80 | 1.13 | 0.79 | 1.20 | 0.52 | 0.62 | 
| 8S7 | 4638 | 1.17 | 0.96 | 1.24 | 1.22 | 0.44 | 0.48 | 
| 8S8 | 6060 | 1.50 | 1.43 | 1.41 | 1.35 | 1.35 | 1.31 | 
| 8S9 | 10,029 | 1.61 | 1.94 | 1.13 | 1.06 | 0.69 | 0.81 | 
| 8S10 | 30,222 | 2.74 | 4.09 | 0.95 | 0.98 | 1.65 | 1.58 | 
| 14S1 | 21,623 | 1.74 | 0.99 | 1.08 | 0.93 | 1.64 | 1.84 | 
| 14S2 | 26,919 | 1.05 | 0.87 | 1.05 | 1.06 | 1.59 | 1.44 | 
| 14S3 | 11,022 | 0.87 | 0.51 | 1.12 | 1.15 | 0.92 | 1.21 | 
| 14S4 | 23,852 | 1.67 | 1.07 | 1.02 | 1.02 | 1.81 | 2.03 | 
| 14S5 | 22,672 | 1.78 | 0.97 | 1.03 | 0.97 | 1.72 | 1.93 | 
| 14S6 | 25,247 | 0.97 | 0.76 | 1.08 | 0.99 | 1.49 | 1.35 | 
| 14S8 | 58,679 | 1.43 | 1.27 | 1.05 | 0.96 | 0.28 | 0.24 | 
| 14S9 | 24,169 | 0.93 | 0.72 | 1.09 | 0.95 | 1.42 | 1.29 | 
| Avg. | 1.32 | 1.25 | 1.08 | 1.07 | 1.09 | 1.17 | |
| STD | 0.56 | 0.78 | 0.15 | 0.11 | 0.54 | 0.55 | 
| Test | Mn (kN·m)  | Test/EC3 | Test/Kong and Kim | Test/Pucinotti | Test/ KHA-ANN  | Test/Multiple Linear Regression | Test/ Genetic Algorithm  | 
|---|---|---|---|---|---|---|---|
| 8S1 | 43.6 | 1.11 | 1.22 | 1.14 | 1.00 | 1.11 | 1.11 | 
| 8S2 | 44.9 | 0.93 | 0.95 | 0.76 | 1.03 | 1.04 | 1.02 | 
| 8S3 | 54.2 | 1.11 | 1.22 | 1.13 | 1.25 | 1.38 | 1.35 | 
| 8S4 | 21.7 | 1.17 | 1.21 | 1.09 | 1.15 | 0.50 | 0.69 | 
| 8S5 | 43.3 | 1.02 | 1.09 | 1.26 | 0.99 | 1.00 | 0.99 | 
| 8S6 | 33.1 | 1.25 | 1.37 | 1.33 | 1.23 | 0.84 | 0.94 | 
| 8S7 | 47.4 | 1.34 | 1.47 | 0.75 | 1.09 | 1.09 | 1.08 | 
| 8S8 | 50.4 | 1.87 | 2.07 | 0.92 | 0.95 | 1.25 | 1.15 | 
| 8S9 | 54.6 | 1.56 | 1.67 | 1.19 | 0.99 | 1.30 | 1.39 | 
| 8S10 | 74.7 | 1.35 | 1.37 | 0.70 | 1.00 | 1.50 | 1.55 | 
| 14S1 | 83.7 | 1.08 | 1.11 | 1.12 | 0.93 | 0.61 | 0.63 | 
| 14S2 | 168.8 | 0.75 | 1.12 | 0.83 | 1.02 | 0.80 | 0.90 | 
| 14S3 | 80.9 | 1.30 | 1.31 | 1.29 | 1.25 | 1.35 | 1.30 | 
| 14S4 | 101.3 | 1.03 | 1.06 | 1.18 | 1.00 | 0.74 | 0.76 | 
| 14S5 | 119.9 | 1.22 | 1.57 | 1.66 | 1.21 | 0.90 | 0.93 | 
| 14S6 | 127.4 | 1.00 | 1.03 | 0.88 | 1.03 | 0.81 | 0.91 | 
| 14S8 | 186.9 | 1.045 | 1.07 | 0.875 | 1.04 | 1.04 | 1.01 | 
| 14S9 | 123.8 | 0.97 | 1.00 | 0.9 | 1.00 | 0.79 | 0.78 | 
| Avg. | 1.17 | 1.27 | 1.05 | 1.06 | 1.00 | 1.03 | |
| STD | 0.25 | 0.28 | 0.24 | 0.10 | 0.28 | 0.25 | 
| Theoretical Models | Minimum | Maximum | Average | CoVtest/CoVtheoretical | 
|---|---|---|---|---|
| Sj,ini/Sj,ini,theoretical | ||||
| EC3 | 0.44 | 2.74 | 1.32 | 1.02 | 
| Kong and Kim | 0.51 | 4.09 | 1.25 | 0.97 | 
| Pucinotti | 0.79 | 1.41 | 1.08 | 0.96 | 
| Genetic algorithm | 0.17 | 2.03 | 1.17 | 0.35 | 
| MLR | 0.16 | 1.81 | 1.11 | 0.39 | 
| KHA-ANN | 0.93 | 1.35 | 1.07 | 0.97 | 
| Mn/Mn,theoretical | ||||
| EC3 | 0.75 | 1.87 | 1.17 | 0.77 | 
| Kong and Kim | 0.95 | 2.07 | 1.27 | 0.85 | 
| Pucinotti | 0.7 | 1.66 | 1.05 | 0.84 | 
| Genetic algorithm | 0.63 | 1.55 | 1.02 | 0.87 | 
| MLR | 0.50 | 1.50 | 1.00 | 0.86 | 
| KHA-ANN | 0.93 | 1.25 | 1.06 | 0.98 | 
| IW | b1 | ||||||
| 0.7514 | 0.0535 | 0.0958 | −0.0792 | −0.1804 | −0.6325 | −0.2747 | |
| 0.4097 | 0.2051 | −0.0213 | 0.0424 | 0.1579 | 0.1816 | −0.0143 | |
| −0.6575 | 0.4321 | −0.2058 | −0.0650 | 0.3990 | −0.2737 | 0.1995 | |
| 0.2339 | −0.8016 | −0.4855 | −0.1924 | −0.3408 | −0.1798 | −0.0717 | |
| −0.1071 | 0.4356 | 0.9440 | −0.3874 | −0.0518 | 0.2166 | 0.0639 | |
| −0.0276 | 0.0805 | −0.3331 | −0.1355 | −0.1292 | −0.1902 | 0.7536 | |
| 0.1837 | 0.1549 | −0.3965 | 0.2715 | 0.0351 | −0.0581 | 0.1724 | |
| LW1 | b2 | ||||||
| 0.486836 | 0.232199 | 0.178818 | 0.19609 | 0.19983 | 0.204216 | −0.0893 | 0.5233 | 
| −0.35536 | −0.71724 | −0.64976 | −0.788 | −0.54886 | 0.606369 | −0.1354 | 0.1026 | 
| 0.438549 | 0.307981 | −0.07002 | 0.099073 | −0.68334 | 0.244562 | 0.2810 | 0.7008 | 
| 0.822261 | 0.257671 | −0.2456 | 0.064399 | −0.00797 | 0.5287 | −0.4390 | −0.3015 | 
| 0.638967 | 0.347942 | −0.51478 | 0.230256 | 0.122677 | 0.141804 | −0.7414 | 0.3832 | 
| −0.26656 | −0.25888 | −0.15317 | 0.300429 | 0.455593 | −0.03802 | −0.1338 | −0.1351 | 
| LW2 | b3 | ||||||
| 0.9681 | −0.6657 | −0.7876 | −0.2552 | −0.6038 | −0.0206 | −0.3210 | |
| IW | b1 | ||||||
| 0.4909 | 0.0796 | −0.2764 | −0.5954 | 0.0284 | −0.2423 | −0.0895 | |
| 0.4492 | −0.0926 | −0.1428 | 0.0302 | −0.3488 | 0.3437 | 0.1813 | |
| −0.1479 | 0.0582 | −0.2119 | −0.2836 | 0.2420 | 0.0284 | 0.4236 | |
| −0.2780 | −0.4243 | −0.5634 | −0.0486 | 0.1429 | −0.4097 | 0.1867 | |
| −0.1867 | −0.1417 | 0.2382 | −0.1349 | 0.4164 | 0.5311 | −0.3966 | |
| 0.3095 | 0.0664 | −0.3421 | 0.0480 | −0.1781 | −0.4250 | 0.0680 | |
| 0.0033 | −0.1334 | −0.4464 | 0.0177 | −0.3164 | −0.2103 | −0.1803 | |
| LW1 | b2 | ||||||
| 0.0471 | 0.3241 | 0.4336 | −0.2665 | 0.3534 | 0.2147 | −0.3209 | −0.0945 | 
| −0.5778 | −0.1768 | −0.1420 | −0.0004 | −0.5863 | 0.0144 | 0.3295 | 0.1550 | 
| 0.3186 | −0.3091 | 0.0413 | −0.2326 | 0.1294 | −0.3266 | 0.2789 | 0.1893 | 
| 0.5598 | 0.2860 | −0.5133 | −0.1338 | 0.0662 | 0.3885 | −0.0985 | −0.2359 | 
| −0.0901 | 0.5717 | −0.3920 | −0.1306 | 0.3884 | −0.0880 | 0.1531 | 0.0450 | 
| 0.3889 | 0.4165 | −0.4297 | −0.0532 | 0.2369 | 0.5079 | −0.0817 | 0.4104 | 
| LW2 | b3 | ||||||
| 0.9681 | −0.6657 | −0.7876 | −0.2552 | −0.6038 | −0.0206 | −0.3210 | |
Publisher’s Note: MDPI stays neutral with regard to jurisdictional claims in published maps and institutional affiliations.  | 
© 2021 by the authors. Licensee MDPI, Basel, Switzerland. This article is an open access article distributed under the terms and conditions of the Creative Commons Attribution (CC BY) license (https://creativecommons.org/licenses/by/4.0/).
Share and Cite
Faridmehr, I.; Nikoo, M.; Baghban, M.H.; Pucinotti, R. Hybrid Krill Herd-ANN Model for Prediction Strength and Stiffness of Bolted Connections. Buildings 2021, 11, 229. https://doi.org/10.3390/buildings11060229
Faridmehr I, Nikoo M, Baghban MH, Pucinotti R. Hybrid Krill Herd-ANN Model for Prediction Strength and Stiffness of Bolted Connections. Buildings. 2021; 11(6):229. https://doi.org/10.3390/buildings11060229
Chicago/Turabian StyleFaridmehr, Iman, Mehdi Nikoo, Mohammad Hajmohammadian Baghban, and Raffaele Pucinotti. 2021. "Hybrid Krill Herd-ANN Model for Prediction Strength and Stiffness of Bolted Connections" Buildings 11, no. 6: 229. https://doi.org/10.3390/buildings11060229
APA StyleFaridmehr, I., Nikoo, M., Baghban, M. H., & Pucinotti, R. (2021). Hybrid Krill Herd-ANN Model for Prediction Strength and Stiffness of Bolted Connections. Buildings, 11(6), 229. https://doi.org/10.3390/buildings11060229
        
                                                