Effect of Pre-Stretching on Microstructures and Mechanical Behaviors of Creep-Aged 7055 Al Alloy and Its Constitutive Modeling
Abstract
1. Introduction
2. Experimental Programme
2.1. Test Materials
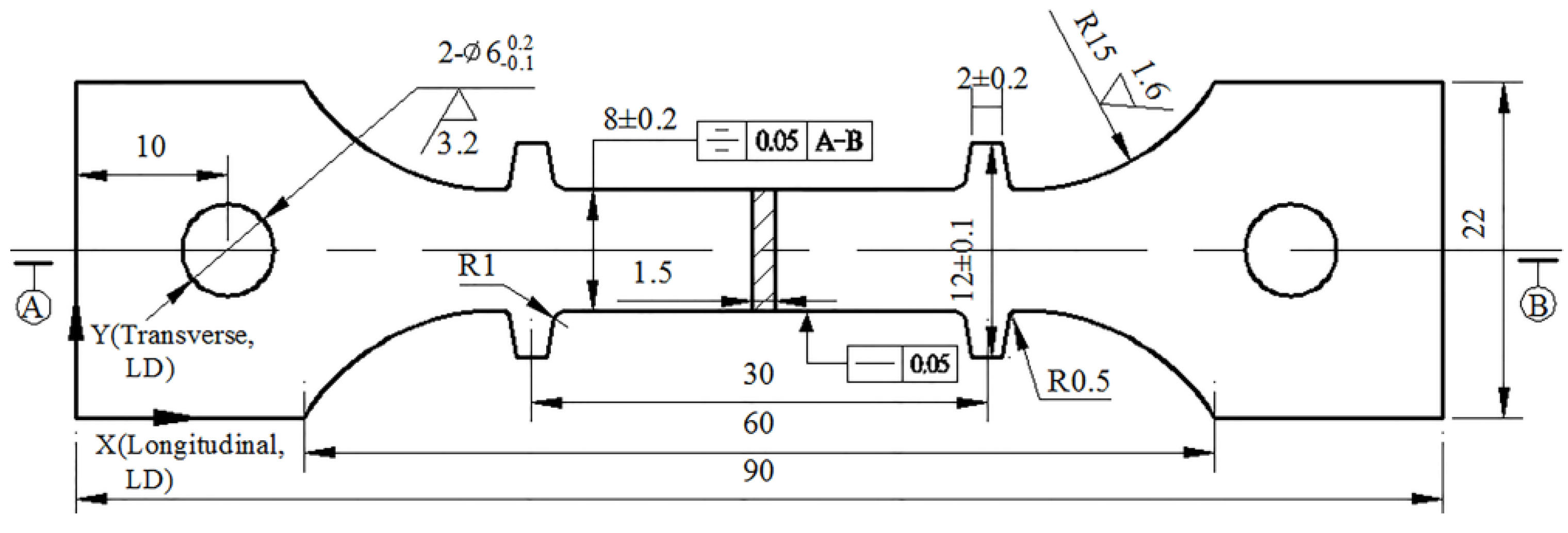
2.2. The Overall Test Programme and Microstructure Description
- First of all, the pre-stretched specimen was fixed and aligned in the middle of the furnace, and three thermocouples were respectively wired in the middle and two ends of the specimen gauge length.
- Next, the furnace door was closed, the top and bottom of furnace were covered using thermal cotton and was heated until the temperature rose and reached a steady 155 °C before the extensometers were calibrated and the load was applied. The elongation of the specimen was measured every 0.5 h by the data logger.
- Finally, when the creep time reached 12 h, heating switch was turned off, then the furnace door was opened and the load was removed.
3. Experimental Results and Discussion
3.1. Effect of Heat Treatment State on Creep Behaviors for 7055 Alloy
3.2. Effect of Pre-Stretching on the Creep and Mechanical Properties for 7055-T6 Alloy
3.3. Effect of Pre-Stretching on Microstructures on 7055 Alloy
4. Unified Creep-Aging Constitutive Model with Pre-Stretching
4.1. Establishment of Material Model
4.2. Description of State Control Variables
4.3. Determination of Material Constants for 7055-T6 Alloy
5. Conclusions
Author Contributions
Funding
Acknowledgments
Conflicts of Interest
References
- Yan, L.M.; Shen, J.; Li, Z.B.; Li, J.P. Effect of deformation temperature on microstructure and mechanical properties of 7055 aluminum alloy after heat treatment. Trans. Nonferrous Met. Soc. China 2013, 23, 625–630. [Google Scholar] [CrossRef]
- Schreiber, J.M.; Omcikus, Z.R.; Eden, T.J.; Sharma, M.M.; Champagne, V.; Patankar, S.N. Combined effect of hot extrusion and heat treatment on the mechanical behavior of 7055 AA processed via spray metal forming. J. Alloy. Compd. 2014, 617, 135–139. [Google Scholar] [CrossRef]
- Rodgers, B.I.; Cinderey, R.J.; Prangnell, P.B. The influence of extended and variable pre-Stretching on the strength of AA2195 alloy taper-rolled plates. Mater. Sci. Forum 2016, 877, 205–210. [Google Scholar] [CrossRef]
- Cao, C.; Zhang, D.; Zhuang, L.Z.; Zhang, J.S. Improved age-hardening response and altered precipitation behavior of Al-5.2Mg-0.45Cu-2.0Zn (wt%) alloy with pre-aging treatment. J. Alloy. Compd. 2017, 691, 40–43. [Google Scholar] [CrossRef]
- Zhan, L.H.; Ma, Z.Y.; Zhang, J.; Tan, J.S.; Yang, Z.; Heng, L. Stress relaxation ageing behaviour and constitutive modelling of a 2219 aluminium alloy under the effect of an electric pulse. J. Alloy. Compd. 2016, 679, 316–323. [Google Scholar] [CrossRef]
- Lin, Y.C.; Zhang, J.L.; Liu, G.; Liang, Y.J. Effects of pre-treatments on aging precipitates and corrosion resistance of a creep-aged Al–Zn–Mg–Cu alloy. Mater. Des. 2015, 83, 866–875. [Google Scholar] [CrossRef]
- He, Y.S.; Chang, J.C.; Lee, J.Y.; Shin, K.S. Effect of aging on the creep properties and microstructural evolution of P92 steel. Key Eng. Mater. 2017, 727, 52–58. [Google Scholar] [CrossRef]
- Lin, J.; Ho, K.C.; Dean, T.A. An integrated process for modelling of precipitation hardening and springback in creep age-forming. Int. J. Mach. Tool. Manuf. 2006, 46, 1266–1270. [Google Scholar] [CrossRef]
- Mehmanparast, A.; Davies, C.M.; Dean, D.W.; Nikbin, K. Effects of plastic pre-straining level on the creep deformation, crack initiation and growth behavior of 316H stainless steel. Int. J. Press. Vessel. Pip. 2016, 141, 1–10. [Google Scholar] [CrossRef]
- Yang, Y.L.; Zhan, L.H.; Ma, Q.Q.; Feng, J.W.; Li, X.M. Effect of pre-deformation on creep age forming of AA2219 plate: Springback, microstructures and mechanical properties. J. Mater. Process. Technol. 2016, 229, 697–702. [Google Scholar] [CrossRef]
- Zuo, X.J.; Li, J.C.; Liu, D.H.; Zheng, L.F. Establishment of an ANSYS-based constitutive modeling for age forming of aluminum alloy. Appl. Mech. Mater. 2012, 217–219, 1497–1500. [Google Scholar] [CrossRef]
- Zuo, D.Q.; Ma, G.L.; Deng, Z.H.; Luo, J.J.; Wang, H.B. Research on the improved Graham model for aluminum-based alloy stiffened panel under the whole creep aging process. Chin. J. Appl. Mech. 2018, 35, 894–899. [Google Scholar]
- Li, Y.; Shi, Z.; Lin, J.; Yang, Y.L.; Huang, B.M.; Chung, T.F.; Yang, J.R. Experimental investigation of tension and compression creep-ageing behaviour of AA2050 with different initial tempers. Mat. Sci. Eng. A 2016, 657, 299–308. [Google Scholar] [CrossRef]
- Liu, S.D.; Wang, S.L.; Ye, L.Y.; Deng, Y.L.; Zhang, X.M. Flow behavior and microstructure evolution of 7055 aluminum alloy impacted at high strain rates. Mater. Sci. Eng. A 2016, 667, 203–210. [Google Scholar] [CrossRef]
- Rodgers, B.I.; Prangnell, P.B. Quantification of the influence of increased pre-stretching on microstructure strength relationships in the Al–Cu–Li alloy AA2195. Acta Mater. 2016, 108, 55–67. [Google Scholar] [CrossRef]
- Cassada, W.A.; Shiflet, G.J.; Starke, E. The effect of plastic deformation on Al 2 CuLi (T1) precipitation, Metall. Mater. Trans. A 1991, 22, 299–306. [Google Scholar] [CrossRef]
- Zuo, J.R.; Hou, L.G.; Shi, J.T.; Cui, H.; Zhuang, L.Z.; Zhang, J.S. The mechanism of grain refinement and plasticity enhancement by an improved thermo-mechanical treatment of 7055 Al alloy. Mater. Sci. Eng. A 2017, 702, 42–53. [Google Scholar] [CrossRef]
- Zuo, J.R.; Hou, L.G.; Shi, J.T.; Cui, H.; Zhuang, L.Z.; Zhang, J.S. Effect of deformation induced precipitation on grain refinement and improvement of mechanical properties AA 7055 aluminum alloy. Mater. Charact. 2017, 130, 123–134. [Google Scholar] [CrossRef]
- Wang, T.; Yin, Z.M.; Shen, K.; Li, J.; Huang, J.W. Single-aging characteristics of 7055 aluminum alloy. Trans. Nonferrous Met. Soc. China 2007, 17, 548–552. [Google Scholar] [CrossRef]
- Mondal, C.; Mukhopadhyay, A.K.; Raghu, T.; Varma, V.K. Tensile properties of peak aged 7055 aluminum alloy extrusions. Mat. Sci. Eng. A 2007, 454–455, 673–678. [Google Scholar] [CrossRef]
- Lei, C.; Li, H.; Zheng, G.W.; Fu, J. Thermal-mechanical loading sequences related creep aging behaviors of 7050 aluminum alloy. J. Alloy. Compd. 2018, 731, 90–99. [Google Scholar] [CrossRef]
- Yang, Y.L.; Zhan, L.H.; Shen, R.L.; Yin, X.N.; Li, X.C.; Li, W.K.; Huang, M.H.; He, D.Q. Effect of pre-deformation on creep age forming of 2219 aluminum alloy: Experimental and constitutive modeling. Mat. Sci. Eng. A 2017, 683, 227–235. [Google Scholar] [CrossRef]
- Kowalewski, Z.L.; Hayhurst, D.R.; Dyson, B.F. Mechanism-based creep constitutive equations for an aluminum alloy. J. Strain Anal. Eng. Des. 1994, 29, 309–316. [Google Scholar] [CrossRef]
- Mirzadeh, H. Constitutive description of 7075 aluminum alloy during hot deformation by apparent and physically-based approaches. J. Mater. Eng. Perform. 2015, 24, 1095–1099. [Google Scholar] [CrossRef]
- Sket, F.; Dzieciol, K.; Isaac, A.; Borbély, A.; Pyzalla, A.R. Tomographic method for evaluation of apparent activation energy of steady-state creep. Mater. Sci. Eng. A 2010, 527, 2112–2120. [Google Scholar] [CrossRef]
- Li, Y.; Langdon, T.G. A unified interpretation of threshold stresses in the creep and high strain rate superplasticity of metal matrix composites. Acta Mater. 1999, 47, 3395–3403. [Google Scholar] [CrossRef]
- Zheng, J.H.; Lin, J.G.; Lee, J.Y.; Pan, R.; Li, C.; Davies, C.M. A novel constitutive model for multi-step stress relaxation ageing of a pre-strained 7xxx series alloy. Int. J. Plast. 2018, 106, 31–47. [Google Scholar] [CrossRef]









| Zn | Mg | Cu | Zr | Fe | Mn | Si | Ti | Cr | Al |
|---|---|---|---|---|---|---|---|---|---|
| 7.9 | 2.1 | 2.3 | 0.05 | 0.15 | 0.05 | 0.1 | 0.06 | 0.001 | Bal. |
| Parameters | Values | Parameters | Values | Parameters | Values |
|---|---|---|---|---|---|
| α | 3.062 | n0 | 1420 | H* | 0.237 |
| h | 216.473 | m0 | 2.406 | G* | 0.214 |
| β | 0.108 | Q (KJ/mol) | 88.351 | m1 | 1.462 |
| σ0 (MPa) | 167,000 | n1 | 2.038 | - | - |
© 2019 by the authors. Licensee MDPI, Basel, Switzerland. This article is an open access article distributed under the terms and conditions of the Creative Commons Attribution (CC BY) license (http://creativecommons.org/licenses/by/4.0/).
Share and Cite
Zuo, D.; Cao, Z.; Cao, Y.; Zheng, G. Effect of Pre-Stretching on Microstructures and Mechanical Behaviors of Creep-Aged 7055 Al Alloy and Its Constitutive Modeling. Metals 2019, 9, 584. https://doi.org/10.3390/met9050584
Zuo D, Cao Z, Cao Y, Zheng G. Effect of Pre-Stretching on Microstructures and Mechanical Behaviors of Creep-Aged 7055 Al Alloy and Its Constitutive Modeling. Metals. 2019; 9(5):584. https://doi.org/10.3390/met9050584
Chicago/Turabian StyleZuo, Duquan, Zengqiang Cao, Yuejie Cao, and Guo Zheng. 2019. "Effect of Pre-Stretching on Microstructures and Mechanical Behaviors of Creep-Aged 7055 Al Alloy and Its Constitutive Modeling" Metals 9, no. 5: 584. https://doi.org/10.3390/met9050584
APA StyleZuo, D., Cao, Z., Cao, Y., & Zheng, G. (2019). Effect of Pre-Stretching on Microstructures and Mechanical Behaviors of Creep-Aged 7055 Al Alloy and Its Constitutive Modeling. Metals, 9(5), 584. https://doi.org/10.3390/met9050584

