Laminated TRIP/TWIP Steel Composites Produced by Roll Bonding
Abstract
:1. Introduction
2. Materials and Methods
2.1. Materials and Manufacturing
2.2. Microstructural Investigations
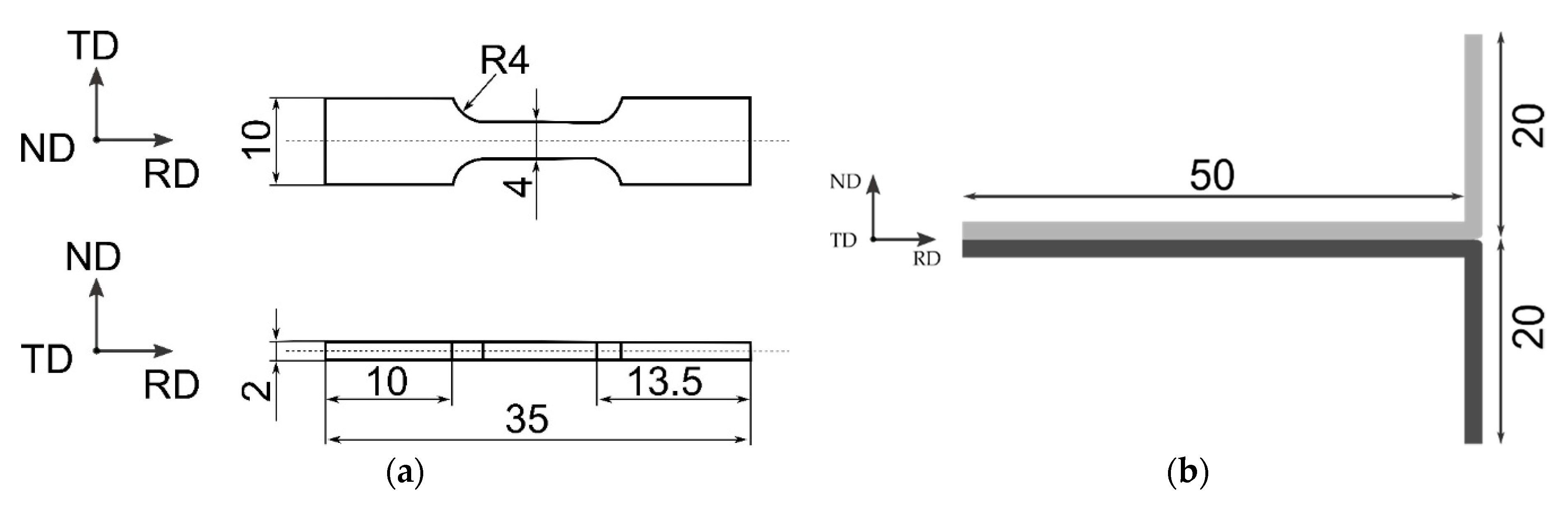
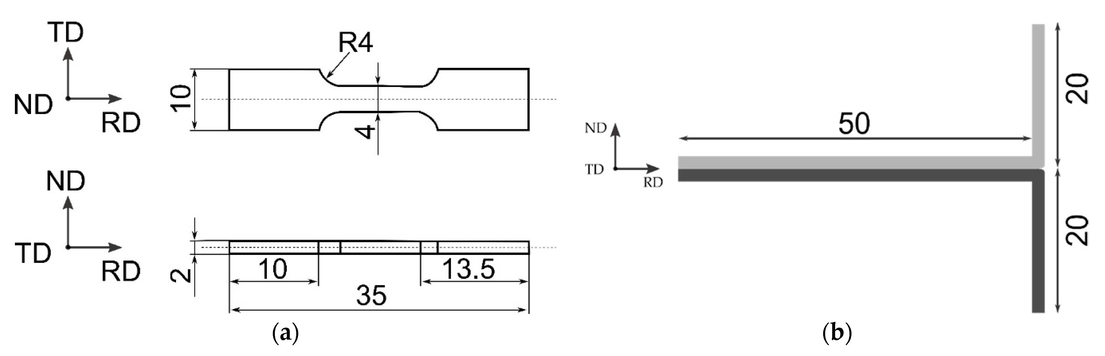
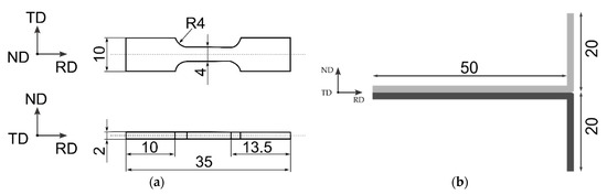
2.3. Investigation of Hardness, Tensile Properties, and Peel Strength
3. Results and Discussion
3.1. Microstructural Characterization
3.1.1. Hot-Rolled State
3.1.2. Brushed State
3.1.3. Roll-Bonded State
3.2. Hardness Measurements and Tensile Properties
3.2.1. Hardness
3.2.2. Tensile Properties
3.3. Bond Strength
4. Conclusions
Author Contributions
Funding
Acknowledgments
Conflicts of Interest
References
- Cheng, X.; Petrov, R.; Zhao, L.; Janssen, M. Fatigue crack growth in TRIP steel under positive R-ratios. Eng. Fract. Mech. 2008, 75, 739–749. [Google Scholar] [CrossRef]
- Martin, S.; Wolf, S.; Decker, S.; Krüger, L.; Martin, U. Deformation Bands in High-Alloy Austenitic 16Cr6Mn6Ni TRIP Steel: Phase Transformation and Its Consequences on Strain Hardening at Room Temperature. Steel Res. Int. 2015, 86, 1187–1196. [Google Scholar] [CrossRef]
- Kalidindi, S.R. Modeling the strain hardening response of low SFE FCC alloys. Int. J. Plast. 1998, 14, 1265–1277. [Google Scholar] [CrossRef]
- Gutierrez-Urrutia, I.; Raabe, D. Grain size effect on strain hardening in twinning-induced plasticity steels. Scr. Mater. 2012, 66, 992–996. [Google Scholar] [CrossRef]
- Biermann, H.; Glage, A.; Droste, M. Influence of Temperature on Fatigue-Induced Martensitic Phase Transformation in a Metastable CrMnNi-Steel. Metall. Mater. Trans. A 2016, 47, 84–94. [Google Scholar] [CrossRef]
- Martin, S.; Fabrichnaya, O.; Rafaja, D. Prediction of the local deformation mechanisms in metastable austenitic steels from the local concentration of the main alloying elements. Mater. Lett. 2015, 159, 484–488. [Google Scholar] [CrossRef]
- Sardar, S.; Mandal, A.; Pal, S.K.; Singh, S.B. Solid-State Joining by Roll Bonding and Accumulative Roll Bonding. In Advances in Material Forming and Joining; Narayanan, R.G., Dixit, U.S., Eds.; Springer: New Delhi, India, 2015; pp. 351–377. [Google Scholar]
- Saito, Y.; Utsunomiya, H.; Tsuji, N.; Sakai, T. Novel ultra-high straining process for bulk materials—Development of the accumulative roll-bonding (ARB) process. Acta Mater. 1999, 47, 579–583. [Google Scholar] [CrossRef]
- Azushima, A.; Kopp, R.; Korhonen, A.; Yang, D.Y.; Micari, F.; Lahoti, G.D.; Groche, P.; Yanagimoto, J.; Tsuji, N.; Rosochowski, A.; et al. Severe plastic deformation (SPD) processes for metals. CIRP Ann. 2008, 57, 716–735. [Google Scholar] [CrossRef]
- Jamaati, R.; Toroghinejad, M.R.; Amirkhanlou, S.; Edris, H. On the Achievement of Nanostructured Interstitial Free Steel by Four-Layer Accumulative Roll Bonding Process at Room Temperature. Metall. Mater. Trans. A 2015, 46, 4013–4019. [Google Scholar] [CrossRef]
- Krallics, G.; Lenard, J.G. An examination of the accumulative roll-bonding process. J. Mater. Process. Technol. 2004, 152, 154–161. [Google Scholar] [CrossRef]
- Tsuji, N.; Kamikawa, N.; Ueji, R.; Takata, N.; Koyama, H.; Terada, D. Managing Both Strength and Ductility in Ultrafine Grained Steels. ISIJ Int. 2008, 48, 1114–1121. [Google Scholar] [CrossRef]
- Vaidyanath, L.R.; Nicholas, M.G.; Milner, D.R. Pressure welding by rolling. Br. Weld. J. 1959, 6, 13–28. [Google Scholar]
- Bay, N. Mechanism Producing Metallic Bonds in Cold Welding: Scanning electron microscope investigation shows two coalescence mechanisms are involved in the cold welding of aluminum to aluminum. Weld. J. 1983, 62, 137–142. [Google Scholar]
- Madaah-Hosseini, H.R.; Kokabi, A.H. Cold roll bonding of 5754-aluminum strips. Mater. Sci. Eng. A 2002, 335, 186–190. [Google Scholar] [CrossRef]
- Reichelt, S.; Saleh, H.; Schmidtchen, M.; Kawalla, R. On the Bonding Strength of Mg-Mg and Mg-Al Material Compounds. Mater. Sci. Forum 2014, 783–786, 455–460. [Google Scholar] [CrossRef]
- Chen, C.-Y.; Chen, H.-L.; Hwang, W.-S. Influence of Interfacial Structure Development on the Fracture Mechanism and Bond Strength of Aluminum/Copper Bimetal Plate. Mater. Trans. 2006, 47, 1232–1239. [Google Scholar] [CrossRef]
- Wright, P.K.; Snow, D.A.; Tay, C.K. Interfacial conditions and bond strength in cold pressure welding by rolling. Met. Technol. 1978, 24, 24–31. [Google Scholar] [CrossRef]
- Akramifard, H.R.; Mirzadeh, H.; Parsa, M.H. Cladding of aluminum on AISI 304L stainless steel by cold roll bonding: Mechanism, microstructure, and mechanical properties. Mater. Sci. Eng. A 2014, 613, 232–239. [Google Scholar] [CrossRef]
- Gao, C.; Li, L.; Chen, X.; Zhou, D.; Tang, C. The effect of surface preparation on the bond strength of Al-St strips in CRB process. Mater. Des. 2016, 107, 205–211. [Google Scholar] [CrossRef]
- Jindal, V.; Srivastava, V.C. Growth of intermetallic layer at roll bonded IF-steel/aluminum interface. J. Mater. Process. Technol. 2008, 195, 88–93. [Google Scholar] [CrossRef]
- Kümmel, F.; Diepold, B.; Sauer, K.F.; Schunk, C.; Prakash, A.; Höppel, H.W.; Göken, M. High Lightweight Potential of Ultrafine-Grained Aluminum/Steel Laminated Metal Composites Produced by Accumulative Roll Bonding. Adv. Eng. Mater. 2018, 6. [Google Scholar] [CrossRef]
- Movahedi, M.; Kokabi, A.H.; Seyed Reihani, S.M. Investigation on the bond strength of Al-1100/St-12 roll bonded sheets, optimization and characterization. Mater. Des. 2011, 32, 3143–3149. [Google Scholar] [CrossRef]
- Akdesir, M.; Zhou, D.; Foadian, F.; Palkow, H. Study of Different Surface Pre-treatment Methods on Bonding Strength of Multilayer Aluminium Alloys/Steel Clad Material. Int. J. Eng. Res. Sci. 2016, 2, 169–177. [Google Scholar]
- Buchner, M.; Buchner, B.; Buchmayr, B.; Kilian, H.; Riemelmoser, F. Investigation of different parameters on roll bonding quality of aluminium and steel sheets. Int. J. Mater. Form. 2008, 1, 1279–1282. [Google Scholar] [CrossRef]
- Soltan Ali Nezhad, M.; Haerian Ardakani, A. A study of joint quality of aluminum and low carbon steel strips by warm rolling. Mater. Des. 2009, 30, 1103–1109. [Google Scholar] [CrossRef]
- Manesh, H.D.; Taheri, A.K. Study of mechanisms of cold roll welding of aluminium alloy to steel strip. Mater. Sci. Technol. 2004, 20, 1064–1068. [Google Scholar] [CrossRef]
- Wang, C.; Jiang, Y.; Xie, J.; Zhou, D.; Zhang, X. Effect of the steel sheet surface hardening state on interfacial bonding strength of embedded aluminum–steel composite sheet produced by cold roll bonding process. Mater. Sci. Eng. A 2016, 652, 51–58. [Google Scholar] [CrossRef]
- Wang, C.; Jiang, Y.; Xie, J.; Zhou, D.; Zhang, X. Interface formation and bonding mechanism of embedded aluminum-steel composite sheet during cold roll bonding. Mater. Sci. Eng. A 2017, 708, 50–59. [Google Scholar] [CrossRef]
- Tang, C.; Liu, Z.; Zhou, D.; Wu, S. Surface Treatment with the Cold Roll Bonding Process for an Aluminum Alloy and Mild Steel. Strength Mater. 2015, 47, 150–155. [Google Scholar] [CrossRef]
- Yang, X.; Weng, H.; Tang, C.-L. Interfacial Bonding Mechanism of Aluminum and Steel Composites. Adv. Compos. Lett. 2018, 27, 71–76. [Google Scholar]
- Jamaati, R.; Toroghinejad, M.R.; Edris, H. Comparison of Microparticles and Nanoparticles Effects on the Bonding of Roll Bonded IF Steel. Trans. Indian Inst. Met. 2014, 67, 659–665. [Google Scholar] [CrossRef]
- Kubina, T.; Gubiš, J. Potential for obtaining an ultrafine microstructure of low-carbon steel using accumulative roll bonding. Mater. Technol. 2015, 49, 521–525. [Google Scholar] [CrossRef]
- Costa, A.L.M.; Reis, A.C.C.; Kestens, L.; Andrade, M.S. Ultra grain refinement and hardening of IF-steel during accumulative roll-bonding. Mater. Sci. Eng. A 2005, 406, 279–285. [Google Scholar] [CrossRef]
- Kamikawa, N.; Sakai, T.; Tsuji, N. Effect of redundant shear strain on microstructure and texture evolution during accumulative roll-bonding in ultralow carbon IF steel. Acta Mater. 2007, 55, 5873–5888. [Google Scholar] [CrossRef]
- Kamikawa, N.; Tsuji, N.; Minamino, Y. Microstructure and texture through thickness of ultralow carbon IF steel sheet severely deformed by accumulative roll-bonding. Sci. Technol. Adv. Mater. 2016, 5, 163–172. [Google Scholar] [CrossRef]
- Hagemann, P.; Schmidtchen, M.; Rafaja, D.; Kawalla, R. Investigation of production technologies for sub-microcrystalline materials with a special emphasis on accumulative roll bonding (ARB). Steel Res. Int. 2011, 82, 713–718. [Google Scholar]
- Cruz-Gandarilla, F.; Salcedo-Garrido, A.M.; Bolmaro, R.E.; Baudin, T.; de Vincentis, N.S.; Avalos, M.; Cabañas-Moreno, J.G.; Mendoza-Leon, H. Microstructural evolution and mechanical properties on an ARB processed IF steel studied by X-ray diffraction and EBSD. Mater. Charact. 2016, 118, 332–339. [Google Scholar] [CrossRef]
- Cruz-Gandarilla, F.; Salcedo-Garrido, A.M.; Avalos, M.; Bolmaro, R.; Baudin, T.; Cabañas-Moreno, J.G.; Dorantes-Rosales, H.J. EBSD characterization of an IF steel processed by Accumulative Roll Bonding. IOP Conf. Ser. Mater. Sci. Eng. 2015, 82, 12077. [Google Scholar] [CrossRef]
- Kaya, Y.; Kahraman, N. An investigation into the explosive welding/cladding of Grade A ship steel/AISI 316L austenitic stainless steel. Mater. Des. 2013, 52, 367–372. [Google Scholar] [CrossRef]
- Zhao, G.; Li, Y.; Li, J.; Huang, Q.; Ma, L. Experimental analysis of two-layered dissimilar metals by roll bonding. Mater. Res. Express 2018, 5. [Google Scholar] [CrossRef]
- Dhib, Z.; Guermazi, N.; Ktari, A.; Gasperini, M.; Haddar, N. Mechanical bonding properties and interfacial morphologies of austenitic stainless steel clad plates. Mater. Sci. Eng. A 2017, 696, 374–386. [Google Scholar] [CrossRef]
- Bouaziz, O.; Masse, J.P.; Petitgand, G.; Huang, M.X. A Novel Strong and Ductile TWIP/Martensite Steel Composite. Adv. Eng. Mater. 2016, 18, 56–59. [Google Scholar] [CrossRef]
- Park, J.; Kim, J.-S.; Kang, M.; Sohn, S.S.; Cho, W.T.; Kim, H.S.; Lee, S. Tensile property improvement of TWIP-cored three-layer steel sheets fabricated by hot-roll-bonding with low-carbon steel or interstitial-free steel. Sci. Rep. 2017, 7, 40231. [Google Scholar] [CrossRef] [PubMed]
- Park, J.; Kang, M.; Sohn, S.S.; Kim, J.-S.; Kim, H.S.; Cho, W.T.; Lee, S. Tensile properties of cold-rolled TWIP-cored three-layer steel sheets. Mater. Sci. Eng. A 2017, 686, 160–167. [Google Scholar] [CrossRef]
- Jafarian, H. Characteristics of nano/ultrafine-grained austenitic TRIP steel fabricated by accumulative roll bonding and subsequent annealing. Mater. Charact. 2016, 114, 88–96. [Google Scholar] [CrossRef]
- Jafarian, H.R.; Anijdan, S.M.; Eivani, A.R.; Park, N. A comprehensive study of microstructure development and its corresponding tensile properties in nano/ultrafine-grained metastable austenitic steel during accumulative roll bonding (ARB). Mater. Sci. Eng. A 2017, 703, 196–204. [Google Scholar] [CrossRef]
- Li, L.; Nagai, K.; Yin, F. Progress in cold roll bonding of metals. Sci. Technol. Adv. Mater. 2008, 9. [Google Scholar] [CrossRef] [PubMed]
- Schmidtchen, M. Mehrskalige Modellierung des Walzplattierens und Walzens von Werkstoffverbunden; Technische Universität Bergakademie Freiberg: Freiberg, Germany, 2017; ISBN 978-3-86012-566-3. (In German) [Google Scholar]
- Martin, S.; Wolf, S.; Martin, U.; Krüger, L.; Rafaja, D. Deformation Mechanisms in Austenitic TRIP/TWIP Steel as a Function of Temperature. Metall. Mater. Trans. A 2016, 47, 49–58. [Google Scholar] [CrossRef]
- Ackermann, S.; Martin, S.; Schwarz, M.R.; Schimpf, C.; Kulawinski, D.; Lathe, C.; Henkel, S.; Rafaja, D.; Biermann, H.; Weidner, A. Investigation of Phase Transformations in High-Alloy Austenitic TRIP Steel Under High Pressure (up to 18 GPa) by In Situ Synchrotron X-ray Diffraction and Scanning Electron Microscopy. Metall. Mater. Trans. A 2016, 47, 95–111. [Google Scholar] [CrossRef]
- Eckner, R.; Krüger, L.; Motylenko, M.; Savinykh, A.S.; Razorenov, S.V.; Garkushin, G.V.; Buzaud, E.; Cosculluela, A.; Couque, H.; Cadoni, E. Deformation mechanisms and microplasticity of austenitic TRIP/TWIP steel under flyer plate impact. EPJ Web Conf. 2018, 183. [Google Scholar] [CrossRef]
- Droste, M.; Ullrich, C.; Motylenko, M.; Fleischer, M.; Weidner, A.; Freudenberger, J.; Rafaja, D.; Biermann, H. Fatigue behavior of an ultrafine-grained metastable CrMnNi steel tested under total strain control. Int. J. Fatigue 2018, 106, 143–152. [Google Scholar] [CrossRef]
- Weidner, A.; Müller, A.; Weiss, A.; Biermann, H. Ultrafine grained high-alloyed austenitic TRIP steel. Mater. Sci. Eng. A 2013, 571, 68–76. [Google Scholar] [CrossRef]
- Weiß, A.; Gutte, H.; Jahn, A.; Scheller, P.R. Nichtrostende Stähle mit TRIP/TWIP/SBIP-Effekt. Mater. Sci. Eng. Technol. 2009, 40, 606–611. [Google Scholar] [CrossRef]
- Dai, Q.-X.; Wang, A.-D.; Cheng, X.-N.; Luo, X.-M. Stacking fault energy of cryogenic austenitic steels. Chin. Phys. 2002, 11, 596–600. [Google Scholar]
- Jahn, A.; Kovalev, A.; Weiß, A.; Scheller, P.R. Influence of Manganese and Nickel on the α´ Martensite Transformation Temperatures of High Alloyed Cr-Mn-Ni Steels. Steel Res. Int. 2011, 82, 1108–1112. [Google Scholar] [CrossRef]
- Jahn, A.; Kovalev, A.; Weiß, A.; Wolf, S.; Krüger, L.; Scheller, P.R. Temperature Depending Influence of the Martensite Formation on the Mechanical Properties of High-Alloyed Cr-Mn-Ni As-Cast Steels. Steel Res. Int. 2011, 82, 39–44. [Google Scholar] [CrossRef]
- Jamaati, R.; Toroghinejad, M.R. Cold roll bonding bond strengths: Review. Mater. Sci. Technol. 2013, 27, 1101–1108. [Google Scholar] [CrossRef]
- Talonen, J.; Aspegren, P.; Hänninen, H. Comparison of different methods for measuring strain induced α-martensite content in austenitic steels. Mater. Sci. Technol. 2013, 20, 1506–1512. [Google Scholar] [CrossRef]
- D14 Committee. Test Method for Peel Resistance of Adhesives (T-Peel Test); ASTM International: West Conshohocken, PA, USA, 2015. [Google Scholar]
- Wainstein, D.; Kovalev, A. Design Simulation of Kinetics of Multicomponent Grain Boundary Segregations in the Engineering Steels Under Quenching and Tempering. In Modeling and Simulation for Material Selection and Mechanical Design; Totten, G., Xie, L., Funatani, K., Eds.; CRC Press: Boca Raton, FL, USA, 2003. [Google Scholar]
- Bagheri, A.; Toroghinejad, M.R.; Taherizadeh, A. Effect of Roughness and Surface Hardening on the Mechanical Properties of Three-Layered Brass/IF Steel/Brass Composite. Trans. Indian Inst. Met. 2018, 24, 617. [Google Scholar] [CrossRef]
- Du, Y.; Zhang, P.; Zhang, J.; Yao, S. Radial Distribution of SiC Particles in Mechanical Stirring of A356–SiCp Liquid. J. Mater. Sci. Technol. 2012, 28, 951–955. [Google Scholar] [CrossRef]
- Tohidi, A.A.; Ketabchi, M.; Hasannia, A. Nanograined Ti–Nb microalloy steel achieved by Accumulative Roll Bonding (ARB) process. Mater. Sci. Eng. A 2013, 577, 43–47. [Google Scholar] [CrossRef]
- Springer, H.; Tasan, C.; Raabe, D. A novel roll-bonding methodology for the cross-scale analysis of phase properties and interactions in multiphase structural materials. Int. J. Mater. Res. 2015, 106, 3–14. [Google Scholar] [CrossRef]
- Jin, H.R.; Zhang, L.; Dai, C.; Yi, Y.L. Numerical Simulation and Experimental Study on the Interface Bonding of Stainless Steel Clad Plate. Strength Mater. 2018, 50, 29–40. [Google Scholar] [CrossRef]
- Milner, D.R.; Rowe, G.W. Fundamentals of Solid-Phase Welding. Metall. Rev. 1962, 7, 433–480. [Google Scholar] [CrossRef]
- Mohamed, H.A.; Washburn, J. Mechanism of Solid State Pressure Welding. Weld. J. 1975, 54, 302–310. [Google Scholar]
- Zhang, W.; Bay, N. A Numerical Model for Cold Welding of Metals. CIRP Ann. 1996, 45, 215–220. [Google Scholar] [CrossRef]
- Gilbreath, W.P.; Sumsion, H.T. Solid-phase welding of metals under high vacuum. J. Spacecraft Rockets 1966, 3, 674–679. [Google Scholar] [CrossRef]













| Material | Fe | Cr | Mn | Ni | Si | N | C | SFE | Ms |
|---|---|---|---|---|---|---|---|---|---|
| 7Ni-0.07C | bal. | 15.7 | 5.95 | 6.66 | 0.75 | 0.041 | 0.066 | 13.0–19.0 | −39 |
| 9Ni-0.04C | bal. | 15.8 | 6.08 | 9.38 | 0.86 | 0.040 | 0.043 | 17.4–23.4 | −41 |
| Material | State | Ra (µm) | Rz (µm) |
|---|---|---|---|
| 7Ni-0.07C | hot-rolled | 5.0 | 32.5 |
| single-step brushed | 3.8 | 28.1 | |
| two-step brushed | 3.8 | 27.0 | |
| 9Ni-0.04C | hot-rolled | 6.7 | 42.1 |
| single-step brushed | 5.4 | 37.1 | |
| two-step brushed | 5.5 | 34.9 |
| Material | State | Rp,0.2 (MPa) | Rm (MPa) | Martensite Content (wt%) |
|---|---|---|---|---|
| 7Ni-0.07C | hot-rolled | 600 | 892 | 36 (±5.6) |
| 9Ni-0.04C | hot-rolled | 550 | 769 | 2 (±0.2) |
| 9Ni-0.04C/9Ni-0.04C | roll-bonded | 875 | 912 | 1 (±0.1) |
| 7Ni-0.07C/9Ni-0.04C | roll-bonded | 950 | 1005 | 15 (±0.8) |
| 3 (±0.5) |
| Material | Maximum Peel Strength (N/mm) | Average Peel Strength (N/mm) |
|---|---|---|
| 7Ni-0.07C/7Ni-0.07C | not joined | not joined |
| 9Ni-0.04C/9Ni-0.04C | 22.5 | 3.8 |
| 7Ni-0.07C/9Ni-0.04C | 13.8 | 3.1 |
© 2019 by the authors. Licensee MDPI, Basel, Switzerland. This article is an open access article distributed under the terms and conditions of the Creative Commons Attribution (CC BY) license (http://creativecommons.org/licenses/by/4.0/).
Share and Cite
Qiu, Y.; Kaden, N.; Schmidtchen, M.; Prahl, U.; Biermann, H.; Weidner, A. Laminated TRIP/TWIP Steel Composites Produced by Roll Bonding. Metals 2019, 9, 195. https://doi.org/10.3390/met9020195
Qiu Y, Kaden N, Schmidtchen M, Prahl U, Biermann H, Weidner A. Laminated TRIP/TWIP Steel Composites Produced by Roll Bonding. Metals. 2019; 9(2):195. https://doi.org/10.3390/met9020195
Chicago/Turabian StyleQiu, Yangxi, Nico Kaden, Matthias Schmidtchen, Ulrich Prahl, Horst Biermann, and Anja Weidner. 2019. "Laminated TRIP/TWIP Steel Composites Produced by Roll Bonding" Metals 9, no. 2: 195. https://doi.org/10.3390/met9020195
APA StyleQiu, Y., Kaden, N., Schmidtchen, M., Prahl, U., Biermann, H., & Weidner, A. (2019). Laminated TRIP/TWIP Steel Composites Produced by Roll Bonding. Metals, 9(2), 195. https://doi.org/10.3390/met9020195

