Laser Welding Dissimilar High-Strength Steel Alloys with Complex Geometries
Abstract
1. Introduction
2. Materials, Sample Geometries and Experimental Procedures
2.1. Material Types
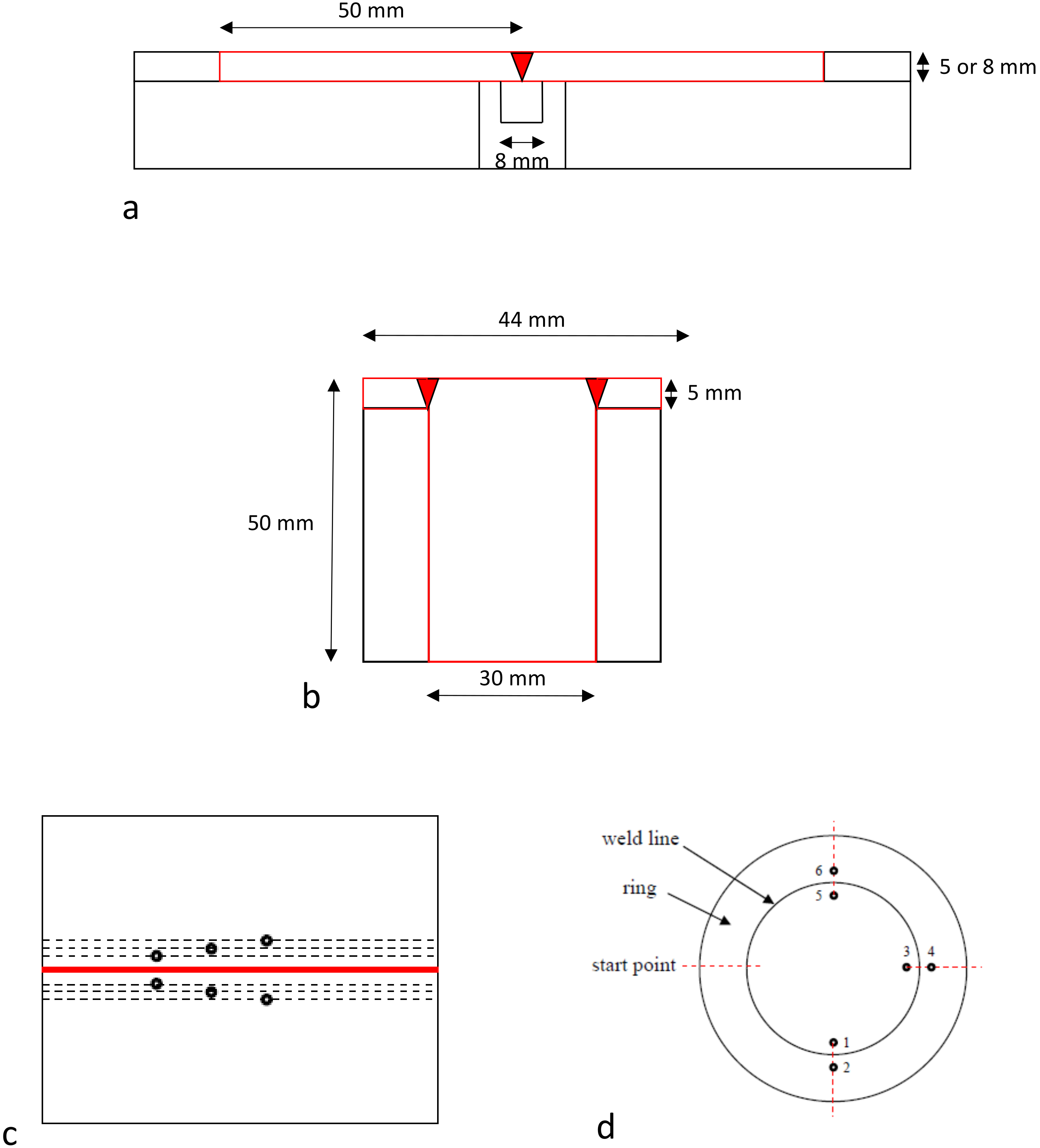
2.2. Experimental Geometries for Laser Welding, Welding Systems and Thermocouple Measurements
3. Experimental Results
3.1. Experimental Flow Diagram
3.2. Flat Samples
3.2.1. Process Stability and Weld Profiles
3.2.2. Weld Cross Sections, Metallurgical Investigations & Mechanical Properties
3.2.3. CCT-Phase Transformation Study
3.3. Circular Geometries
3.3.1. Effect of Component Geometry on Weldability
3.3.2. Conventional Laser Welding Trials
3.3.3. Modified Laser Welding Trials
3.4. Comparison between Flat and Circular Geometries: The Effect of Component Geometry on Cooling Rate
4. Discussion
4.1. Process Stability & Metallurgical Investigation for the Flat Samples
4.2. Laser Welding Circular Geometries
4.3. Temperature Distributions and CCT Diagrams upon Laser Welding
5. Conclusions
- ▪
- In all welds mixing occurred, as shown from the hardness profiles.
- ▪
- The hardness profile had a step-like profile, increasing through the HAZ of the low carbon side to a moderate hardness inside the weld pool, while the highest hardness occurred in the HAZ of the higher carbon side.
- ▪
- Bainitic and martensitic microstructures were revealed in the weld region depending on the material combination.
- ▪
- In the HAZ of the medium or high carbon side pearlitic microstructures were obtained, whilst in the HAZ of the low carbon side martensitic microstructures were revealed.
- ▪
- Cracks formed only for the 16MnCr5-1070 material combination due to the high carbon content. Fracture occurred in all of the samples in the HAZ of the 1070 side when welded with the Nd:YAG laser, 20–40 mins after welding. Smaller cracks were found for the same material combination welded with the fiber laser due to the minimization of the thermal stresses, and several cracks were also found inside the weld region.
- ▪
- For all the welding systems, Nd:YAG, CO2 and fiber laser, an increase in the welding speed within the stable conditions resulted in a decrease in the number of pores found inside the weld.
- ▪
- The welds for the circular geometry showed quite different results compared to the flat samples. For the same material combinations, the quality of the welds was much worse compared to the welds made on the flat samples under nominally identical conditions. Increased porosity was obtained and the amount of cracking was remarkable, while at the top, significant material loss occurred.
- ▪
- Thermocouple measurements were obtained both for the flat samples and circular geometry.
- ▪
- The existence of specific microstructures was verified by neural network-simulated CCT diagrams.
Author Contributions
Funding
Acknowledgments
Conflicts of Interest
References
- Efthymiadis, P. Laser Welding of high Carbon Steels. Literature Review; Delft University of Technology: Delft, The Netherlands, 2006. [Google Scholar]
- Efthymiadis, P. Laser Welding High Carbon Steels. Master’s Thesis, Delft University of Technology, Delft, The Netherlands, 26 October 2007. [Google Scholar]
- Fotovvati, B.; Wayne, S.F.; Lewis, G.; Asadi, E. A review on melt-pool characteristics in laser welding of metals. Adv. Mater. Sci. Eng. 2018, 2018, 1–18. [Google Scholar] [CrossRef]
- Ng, E.S.; Watson, I. Post-Heat Treatment of Nd:YAG Laser Welded High Carbon Steels. In Proceedings of the International Conference on Applications of Lasers and Electro-Optics (ICALEO ’97), San Diego, CA, USA; 1997; pp. 238–247. [Google Scholar]
- Ng, E.S.; Watson, I.A. Characteristics of CO2 laser welded high carbon steel gauge plate. J. Laser Appl. 1997, 9, 15–21. [Google Scholar] [CrossRef]
- Ng, E.S.; Watson, I.A. Characterization of CO2 and diode laser welding of high carbon steels. Laser Appl. 1999, 11, 273–278. [Google Scholar] [CrossRef]
- Svenungsson, J.; Choquet, I.; Kaplan, A.F.H. Laser welding process-a review of keyhole welding modelling. Phys. Procedia 2015, 78, 182–191. [Google Scholar] [CrossRef]
- Xie, J. Dual beam laser welding. Weld. J. 2002, 81, 223–230. [Google Scholar]
- Elmer, J.; Palmer, T.; DebRoy, T. In-situ observations of phase transformations during welding of 1045 steel using spatially resolved and time resolved X-ray diffraction. In Modelling of Casting, Welding and Advanced Solidification Processes XI; Lawrence Livermore National Lab. (LLNL): Livermore, CA, USA, 2005. [Google Scholar]
- Paleocrassas, A.G. Feasibility Investigation of Laser Welding Aluminum Alloy 7075-T6 Through the Use of a 300 W, Single-Mode, Ytterbium Fiber Optic Laser. Master’s Thesis, NC State University, Raleigh, NC, USA, 7 August 2005. [Google Scholar]
- Matsuda, F.; Wu Shyuan, L. Cooling time parameter and hardenability estimation of HAZ in welding of medium, high carbon machine structural steels: Toughness improvement of the HAZ for machine structural carbon and low alloy steels. Trans. JWRI 1990, 19, 207–214. [Google Scholar]
- Bhadeshia, H.K.D.H. Neural networks in materials science. ISIJ Int. 1999, 39, 966–979. [Google Scholar] [CrossRef]
- Casalino, G.; Minutolo, F.M.C. A model for evaluation of laser welding efficiency and quality using an artificial neural network and fuzzy logic. Proc. Inst. Mech. Eng. B: J. Eng. Manuf. 2004, 218, 641–646. [Google Scholar] [CrossRef]
- De, A.; DebRoy, T. Improving reliability of heat and fluid flow calculation during conduction mode laser spot welding by multivariable optimisation. Sci. Technol. Weld. Join. 2006, 11, 143–153. [Google Scholar] [CrossRef]
- Ki, H.; Mazumder, J.; Mohanty, P.S. Modeling of laser keyhole welding: Part I. mathematical modeling, numerical methodology, role of recoil pressure, multiple reflections, and free surface evolution. Metall. Mater. Trans. A 2002, 33, 1817–1830. [Google Scholar] [CrossRef]
- Ki, H.; Mazumder, J.; Mohanty, P.S. Modeling of laser keyhole welding: Part II. simulation of keyhole evolution, velocity, temperature profile, and experimental verification. Metall. Mater. Trans. A 2002, 33, 1831–1842. [Google Scholar] [CrossRef]
- Otto, A.; Koch, H.; Vazquez, R.G. Multiphysical simulation of laser material processing. Physics Procedia 2012, 39, 843–852. [Google Scholar] [CrossRef]
- Rai, R.; Elmer, J.W.; Palmer, T.A.; DebRoy, T. Heat transfer and fluid flow during keyhole mode laser welding of tantalum, Ti-6Al-4V, 304L stainless steel and vanadium. J. Phys. D Appl. Phys. 2007, 40, 5753. [Google Scholar] [CrossRef]
- Rai, R.; Roy, G.G.; DebRoy, T. A computationally efficient model of convective heat transfer and solidification characteristics during keyhole mode laser welding. J. Appl. Phys. 2007, 101, 054909. [Google Scholar] [CrossRef]
- Ribic, B.; Palmer, T.A.; DebRoy, T. Problems and issues in laser-arc hybrid welding. Int. Mater. Rev. 2009, 54, 223–244. [Google Scholar] [CrossRef]
- Wenda, T.; Neil, S.B.; Yung, C.S. Investigation of keyhole plume and molten pool based on a three-dimensional dynamic model with sharp interface formulation. J. Phys. D Appl. Phys. 2013, 46, 055501. [Google Scholar]
- Xu, G.X.; Wu, C.S.; Qin, G.L.; Wang, X.Y.; Lin, S.Y. Adaptive volumetric heat source models for laser beam and laser + pulsed GMAW hybrid welding processes. Int. J. Adv. Manuf. Technol. 2011, 57, 245–255. [Google Scholar] [CrossRef]
- Zhou, J.; Tsai, H.L. Modeling of transport phenomena in hybrid laser-MIG keyhole welding. Int. J. Heat Mass Transf. 2008, 51, 4353–4366. [Google Scholar] [CrossRef]
- Hafez, K.M.; Katayama, S. Fiber laser welding of AISI 304 stainless steel plates. Q. J. Jpn. Weld. Soc. 2009, 27, 69s–73s. [Google Scholar] [CrossRef]
- Hussain, A.; Hamdani, A.H.; Akhter, R. CO2 laser welding of AISI 321stainless steel. IOP Conf. Ser. Mater. Sci. Eng. 2014, 60, 012042. [Google Scholar] [CrossRef]
- Rémy, F.; Frédéric, C.; Dominique, G.; Mathieu, K. Study of CW Nd-Yag laser welding of Zn-coated steel sheets. J. Phys. D Appl. Phys. 2006, 39, 401. [Google Scholar]
- Vision for Welding Industry, American Welding Society. Available online: https://www.aws.org/resources/detail/vision-for-welding-industry (accessed on 29 August 2018).
- Besnea, D.; Dontu, O.; Avram, M.; Spânu, A.; Rizescu, C.; Pascu, T. Study on laser welding of stainless steel/copper dissimilar materials. IOP Conf. Ser. Mater. Sci. Eng. 2016, 147, 012047. [Google Scholar] [CrossRef]
- Casalino, G.; Angelastro, A.; Perulli, P.; Casavola, C.; Moramarco, V. Study on the fiber laser/TIG weldability of AISI 304 and AISI 410 dissimilar weld. J. Manuf. Process. 2018, 35, 216–225. [Google Scholar] [CrossRef]
- Lahdo, R.; Springer, A.; Meier, O.; Kaierle, S.; Overmeyer, L. Investigations on laser welding of dissimilar joints of steel and aluminum using a high-power diode laser. J. Laser Appl. 2018, 30, 032422. [Google Scholar] [CrossRef]
- Meco, S.; Pardal, G.; Ganguly, S.; Williams, S.; McPherson, N. Application of laser in seam welding of dissimilar steel to aluminium joints for thick structural components. Opt. Lasers Eng. 2015, 67, 22–30. [Google Scholar] [CrossRef]
- Zeng, Z.; Panton, B.; Oliveira, J.P.; Han, A.; Zhou, Y.N. Dissimilar laser welding of NiTi shape memory alloy and copper. Smart Mater. Struct. 2015, 24, 125036. [Google Scholar] [CrossRef]
- Ashby, M.F. Materials selection in mechanical design. MRS Bull. 2005, 30, 995. [Google Scholar] [CrossRef]
- Mujica, L.; Weber, S.; Pinto, H.; Thomy, C.; Vollertsen, F. Microstructure and mechanical properties of laser-welded joints of TWIP and TRIP steels. Mater. Sci. Eng. A 2010, 527, 2071–2078. [Google Scholar] [CrossRef]
- Van der Wolk, P.J. Modelling CCT-Diagrams for Engineering Steels under Neural Networks; Delft University Press: Delft, The Netherlands, 2001. [Google Scholar]
- Wolk, P.W.; Wang, J.; Sietsma, J.; Zwaag, S.Z. Modelling the continuous cooling transformation diagram of engineering steels using neural networks. Z. Metall. 2002, 93, 1199–1207. [Google Scholar] [CrossRef]
- Dimitriu, R.C.; Bhadeshia, H.K.D.H. Fatigue crack growth rate model for metallic alloys. Mater. Des. 2010, 31, 2134–2139. [Google Scholar] [CrossRef]
- Casalino, G.; Hu, S.J.; Hou, W. Deformation prediction and quality evaluation of the gas metal arc welding butt weld. Proc. Inst. Mech. Eng. B J. Eng. Manuf. 2003, 217, 1615–1622. [Google Scholar] [CrossRef]
- Bhadeshia, H.K.D.D. Bainite in Steels, 5th ed.; IOM Communications: London, UK, 1992. [Google Scholar]
- Bayraktar, E.; Hugele, D.; Jansen, J.P.; Kaplan, D. Evaluation of pipeline laser girth weld properties by Charpy (V) toughness and impact tensile tests. J. Mater. Process. Technol. 2004, 147, 155–162. [Google Scholar] [CrossRef]
- Han, H.N.; Lee, J.K.; Kim, H.J.; Jin, Y.-S. A model for deformation, temperature and phase transformation behavior of steels on run-out table in hot strip mill. J. Mater. Process. Technol. 2002, 128, 216–225. [Google Scholar] [CrossRef]
- Lee, K.J.; Han, H.N. Analysis of heat transfer during cooling of plain carbon steels. Scr. Mater. 1999, 40, 683–689. [Google Scholar] [CrossRef]
- Lee, K.J. Characteristics of heat generation during transformation in carbon steels. Scr. Mater. 1999, 40, 735–742. [Google Scholar] [CrossRef]
- Lee, W.H.; Shiue, R.K.; Chen, C. Mechanical properties of modified 9Cr-1Mo steel welds with notches. Mater. Sci. Eng. A 2003, 356, 153–161. [Google Scholar] [CrossRef]
- ASM International. Properties and Selection: Iron, Steels, and High Performance Alloys; ASM International: Geauga County, OH, USA, 1990. [Google Scholar]














| Material Code | Composition (wt.%) | |||||||
|---|---|---|---|---|---|---|---|---|
| C | Si | Mn | P | S | Cr | Mo | Ni | |
| 16MnCr5 | 0.183 | 0.29 | 1.09 | 0.021 | 0.035 | 0.92 | 0.02 | 0.16 |
| 41Cr4 | 0.455 | 0.27 | 0.76 | 0.012 | 0.022 | 1.12 | 0.03 | 0.1 |
| 42CrMo4 | 0.363 | 0.27 | 0.69 | 0.012 | 0.030 | 1.04 | 0.19 | 0.09 |
| SAE 1055 | 0.594 | 0.20 | 0.69 | 0.013 | 0.024 | 0.14 | 0.0 | 0.12 |
| SAE 1070 | 0.69 | 0.19 | 0.99 | 0.019 | 0.026 | 0.12 | 0.0 | 0.11 |
| Materials Investigated | Carbon Equivalent (wt.%) | Sample Thickness (mm) |
|---|---|---|
| 16MnCr5/16MnCr5 | 0.56/0.56 | 5 + 8 |
| 16MnCr5/42CrMo4 | 0.56/0.73 | 8 |
| 16MnCr5/41Cr4 | 0.56/0.82 | 8 |
| 16MnCr5/1055 | 0.56/0.75 | 5 + 8 |
| 16MnCr5/1070 | 0.56/0.89 | 5 + 8 |
© 2018 by the authors. Licensee MDPI, Basel, Switzerland. This article is an open access article distributed under the terms and conditions of the Creative Commons Attribution (CC BY) license (http://creativecommons.org/licenses/by/4.0/).
Share and Cite
Efthymiadis, P.; Nor, K. Laser Welding Dissimilar High-Strength Steel Alloys with Complex Geometries. Metals 2018, 8, 792. https://doi.org/10.3390/met8100792
Efthymiadis P, Nor K. Laser Welding Dissimilar High-Strength Steel Alloys with Complex Geometries. Metals. 2018; 8(10):792. https://doi.org/10.3390/met8100792
Chicago/Turabian StyleEfthymiadis, Panos, and Khalid Nor. 2018. "Laser Welding Dissimilar High-Strength Steel Alloys with Complex Geometries" Metals 8, no. 10: 792. https://doi.org/10.3390/met8100792
APA StyleEfthymiadis, P., & Nor, K. (2018). Laser Welding Dissimilar High-Strength Steel Alloys with Complex Geometries. Metals, 8(10), 792. https://doi.org/10.3390/met8100792
