The Effect of Two-Step Heat Treatment Parameters on Microstructure and Mechanical Properties of 42SiMn Steel
Abstract
:1. Introduction
2. Materials and Methods
2.1. Material Characterisation
2.2. Evaluation Methods
2.3. Heat Treatment
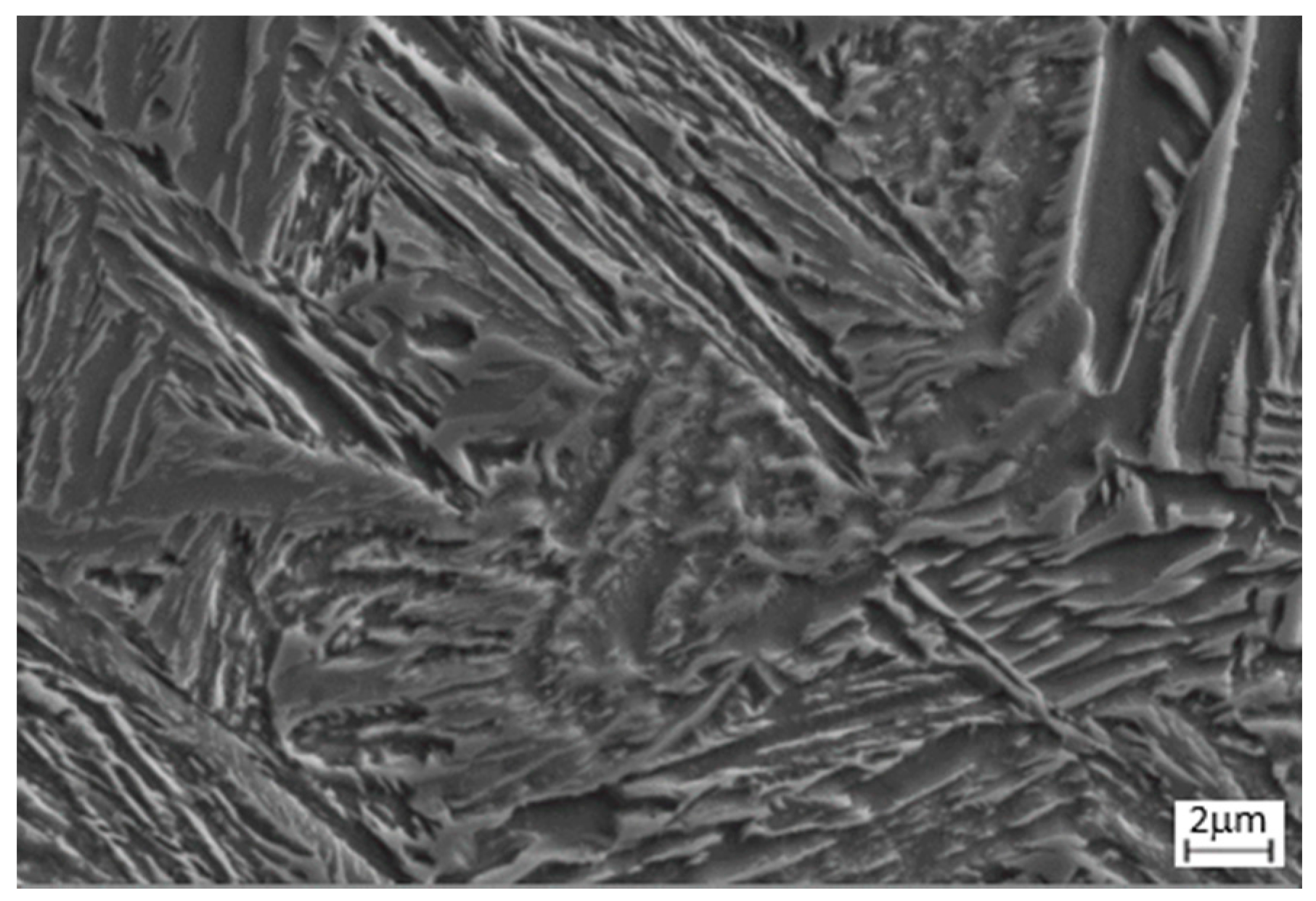
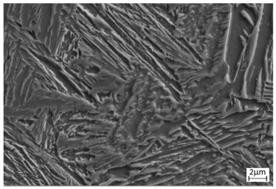
3. Results and Discussion
3.1. Effect of Heating Temperature
3.2. Effect of Cooling Rate
3.3. Effect of Bainitic Hold Temperature
3.4. Effect of Processing Parameters on Carbon Content in the Retained Austenite and the Retained Austenite Stability
4. Conclusions
Acknowledgments
Conflicts of Interest
References
- Chiang, J.; Boyd, J.D.; Pilkey, A.K. Effect of microstructure on retained austenite stability and tensile behaviour in an aluminum-alloyed TRIP steel. Mater. Sci. Eng. A 2015, 638, 132–142. [Google Scholar] [CrossRef]
- Girault, E.; Jacques, P.; Ratchev, P.; Van Humbeeck, J.; Verlinden, B.; Aernoudt, E. Study of the temperature dependence of the bainitic transformation rate in a multiphase TRIP-assisted steel. Mater. Sci. Eng. A 1999, 273–275, 471–474. [Google Scholar] [CrossRef]
- Kučerová, L.; Jirková, H.; Mašek, B. Continuous Cooling of CMnSi TRIP Steel. Mater. Today 2014, 2, 677–680. [Google Scholar] [CrossRef]
- De Cooman, B.C. Structure-properties relationship in TRIP steels containing carbide-free bainite. Curr. Opin. Solid State Mater. Sci. 2004, 8, 285–303. [Google Scholar] [CrossRef]
- Jacques, P.J.; Furnémont, Q.; Lani, F.; Pardoen, T.; Delannay, F. Multiscale mechanics of TRIP-assisted multiphase steels: I. Characterization and mechanical testing. Acta Mater. 2007, 55, 3681–3693. [Google Scholar] [CrossRef]
- Timokhina, I.B.; Hodgson, P.D.; Pereloma, E.V. Effect of microstructure on the stability of retained austenite in transformation-induced-plasticity steels. Metall. Mater. Trans. A 2004, 35, 2331–2341. [Google Scholar] [CrossRef]
- Kučerová, L.; Jirková, H.; Mašek, B. The Effect of Alloying Elements on Microstructure of 0.2%C TRIP Steel. Mater. Sci. Forum 2017, 891, 209–213. [Google Scholar] [CrossRef]
- Verlinden, B.; Driver, J.; Samajdar, I.; Doherty, R. Thermo-Mechanical Processing of Metallic Materials; Elsevier Science: Amsterdam, The Netherlands, 2007; Volume 11, pp. 129–149. ISBN 9780080544489. [Google Scholar]
- Han, I.; Kwiatkowski da Silva, A.; Ponge, D.; Raabe, D.; Lee, S.-M.; Lee, Y.-K.; Lee, S.-I.; Hwang, B. The effects of prior austenite grain boundaries and microstructural morphology on the impact toughness of intercritically annealed medium Mn steel. Acta Mater. 2017, 122, 199–206. [Google Scholar] [CrossRef]
- Matsumura, O.; Sakuma, Y.; Takechi, H. Trip and its kinetic aspects in austempered 0.4C-1.5Si-0.8Mn steel. Scr. Metall. 1987, 21, 1301–1306. [Google Scholar] [CrossRef]
- Seol, J.-B.; Raabe, D.; Choi, P.-P.; Im, Y.-R.; Park, C.-G. Atomic scale effects of alloying, partitioning, solute drag and austempering on the mechanical properties of high-carbon bainitic-austenitic TRIP steels. Acta Mater. 2012, 60, 6183–6199. [Google Scholar] [CrossRef]
- Busuki, A.; Aernoudt, E. Effect of deformation in the intercritical area on the grain refinement of retained austenite of 0.4C trip steel. Scr. Mater. 1999, 40, 1003–1008. [Google Scholar] [CrossRef]
- Godet, S.; Harlet, P.; Delannay, F.; Jacques, P.J. Effect of hot-rolling conditions on the tensile properties of multiphase steels exhibiting a TRIP effect. In Proceedings of the International conference on TRIP-Aided High Strength Ferrous Alloy, Gent, Belgium, 19–21 June 2002; De Cooman, D.C., Ed.; Wissenschaftsverlag Mainz: Aachen, Germany, 2002; pp. 135–138. [Google Scholar]
- Verlinden, B.; Bocher, P.; Girault, E.; Aernoudt, E. Austenite texture and bainite/austenite orientation relationships in TRIP steel. Scr. Mater. 2001, 45, 909–916. [Google Scholar] [CrossRef]
- Grajcar, A.; Kwaśny, W.; Zalecki, W. Microstructure–property relationships in TRIP aided medium-C bainitic steel with lamellar retained austenite. Mater. Sci. Technol. 2015, 31, 781–794. [Google Scholar] [CrossRef]
- Masoud, M.I.; Tashkandi, M.; Al-Jarrah, J.; Farahat, A.I.Z. Behavior of triplex steel containing different aluminum contents. Adv. Mater. Sci. Eng. 2017, 17, 34–43. [Google Scholar] [CrossRef]
- Kokosza, A.; Pacyna, J. Formation of medium carbon TRIP steel microstructure during annealing in the intercritical temperature range. Arch. Metall. Mater. 2014, 59, 1017–1022. [Google Scholar] [CrossRef]
- Grajcar, A.; Opiela, M. Diagrams of supercooled austenite transformations of low-carbon and medium-carbon TRIP-steels. Arch. Mater. Sci. Eng. 2008, 32, 13–16. [Google Scholar]
- Kučerová, L.; Bystrianský, M.; Jeniček, Š. High ductility of bainite-based microstructure of middle carbon steel 42SiMn. In IOP Conference Series: Materials Science and Engineering; IOP Publishing: Bristol, UK, 2017; Volume 179, pp. 1–7. [Google Scholar] [CrossRef]
- Hausmann, K.; Krizana, D.; Spiradek-Hahnb, K.; Pichlera, A.; Wernerc, E. The influence of Nb on transformation behavior and mechanical properties of TRIP-assisted bainitic–ferritic sheet steels. Mater. Sci. Eng. A 2013, 588, 142–150. [Google Scholar] [CrossRef]
- Krizan, D.; De Cooman, B.C. Analysis of the Strain-Induced Martensitic Transformation of Retained Austenite in Cold Rolled Micro-Alloyed TRIP Steel. Steel Res. Int. 2008, 79, 513–522. [Google Scholar] [CrossRef]
- Grajcar, A. Thermodynamic analysis of precipitation processes in Nb–Ti-microalloyed Si–Al TRIP steel. J. Therm. Anal. Calorim. 2014, 118, 1011–1020. [Google Scholar] [CrossRef]
- Hong, S.C.; Lim, S.H.; Hong, H.S.; Lee, K.J.; Shin, D.H.; Lee, K.S. Effects of Nb on strain induced ferrite transformation in C–Mn steel. Mater. Sci. Eng. A 2003, 355, 241–248. [Google Scholar] [CrossRef]
- Kučerová, L.; Jirková, H.; Mašek, B. Influence of Nb Micro-alloying on TRIP Steels Treated by Continuous Cooling Process. Manuf. Technol. 2016, 16, 145–149. [Google Scholar]
- Jacques, P.; Girault, E.; Catlin, T.; Geerlofs, N.; Kop, T.; Van der Zwaag, S.; Delannay, F. Bainite transformation of low carbon Mn–Si TRIP-assisted multiphase steels: Influence of silicon content on cementite precipitation and austenite retention. Mater. Sci. Eng. A 1999, 273–275, 475–479. [Google Scholar] [CrossRef]
- Hanzaki, A.Z.; Hodgson, P.D.; Yue, S. The Influence of Bainite on Retained Austenite Characteristics in Si−Mn TRIP Steels. ISIJ Int. 1995, 35, 324–331. [Google Scholar] [CrossRef]
- Bellhouse, E.; Mc Dermid, J. Effect of Continuous Galvanizing Heat Treatments on the Microstructure and Mechanical Properties of High Al-Low Si Transformation Induced Plasticity Steels. Metall. Mater. Trans. A 2010, 41, 1460–1473. [Google Scholar] [CrossRef]
- Thompson, S.W.; Colvin, D.J.; Krauss, G. Continuous cooling transformations and microstructures in a low-carbon, high-strength low-alloy plate steel. Metall. Trans. A 1990, 21, 1493–1507. [Google Scholar] [CrossRef]
- Zajac, S.; Schwinn, V.; Tacke, K.H. Characterisation and quantification of complex bainitic microstructures in high and ultra-high strength linepipe steels. Mater. Sci. Forum 2005, 500–501, 387–394. [Google Scholar] [CrossRef]
- Pereloma, E.; Al-Harbi, F.; Gazder, A. The crystallography of carbide-free bainites in thermo-mechanically processed low Si transforation-induced plasticity steels. J. Alloys Compd. 2014, 615, 96–110. [Google Scholar] [CrossRef]
- Xiong, Z.P.; Kostryzhev, A.G.; Saleh, A.A.; Chen, L.; Pereloma, E.V. Microstructures and mechanical properties of TRIP steel produced by strip casting simulated in the laboratory. Mater. Sci. Eng. A 2016, 664, 26–42. [Google Scholar] [CrossRef]
- Pereloma, E.V.; Timikhina, I.B.; Miller, M.K.; Hodgson, P.D. Three-dimensional atom probe analysis of solute distribution in thermomechanically processed TRIP steels. Acta Mater. 2007, 55, 2587–2598. [Google Scholar] [CrossRef]
- Sugimoto, K.I.; Murata, M.; Song, S.M. Formability of Al–Nb Bearing Ultra High-strength TRIP-aided Sheet Steels with Bainitic Ferrite and/or Martensite Matrix. ISIJ Int. 2010, 50, 162–168. [Google Scholar] [CrossRef]
- Xiong, Z.P.; Kostryzhev, A.G.; Chen, L.; Pereloma, E.V. Microstructure and mechanical properties of strip cast TRIP steel subjected to thermo-mechanical simulation. Mater. Sci. Eng. A 2016, 677, 356–366. [Google Scholar] [CrossRef]
- Wang, J.; Van der Zwaag, S. Stabilization mechanisms of retained austenite in transformation-induced plasticity steel. Metall. Mater. Trans. A 2001, 32, 1527–1539. [Google Scholar] [CrossRef]
- Pereloma, E.V.; Gazder, A.A.; Timokhina, I.B. Addressing retained austenite stability in advanced high strength steels. Mater. Sci. Forum 2013, 738–739, 212–216. [Google Scholar] [CrossRef]














| C | Mn | Si | P | S | Al | Nb | Mo |
|---|---|---|---|---|---|---|---|
| 0.43 | 0.59 | 2.03 | 0.01 | 0.011 | 0.008 | 0.03 | 0.03 |
| Soaking (°C/s) | Re (MPa) | Rm (MPa) | A (%) | RmxA (MPa%) | RA (%) | Ferrite (%) |
|---|---|---|---|---|---|---|
| 850/100 | 624 ± 8 | 934 ± 7 | 47 ± 0 | 43,898 | 16 | 21 ± 3 |
| 900/100 | 677 ± 0 | 962 ± 2 | 33 ± 0 | 31,746 | 12 | 4 ± 2 |
| 1000/100 | 881 ± 7 | 1068 ± 1 | 26 ± 1 | 27,768 | 14 | 1 ± 0.6 |
| Cooling Rate (°C/s) | Re (MPa) | Rm (MPa) | A (%) | RmxA (MPa%) | RA (%) | Ferrite (%) |
|---|---|---|---|---|---|---|
| 15 | 588 ± 3 | 869 ± 3 | 34 ± 0 | 29,546 | 5 | 39 ± 3 |
| 30 | 624 ± 8 | 934 ± 7 | 47 ± 0 | 43,898 | 16 | 21 ± 3 |
| 50 | 602 ± 5 | 905 ± 4 | 41 ± 1 | 37,105 | 16 | 16 ± 1 |
| Bainitic Hold (°C/s) | Re (MPa) | Rm (MPa) | A (%) | RmxA (MPa%) | RA (%) | Ferrite (%) |
|---|---|---|---|---|---|---|
| 375/600 | 534 ± 12 | 939 ± 2 | 38 ± 2 | 35,628 | 15 | 24 ± 1 |
| 400/600 | 624 ± 8 | 934 ± 7 | 47 ± 0 | 43,898 | 16 | 21 ± 3 |
| 425/600 | 633 ± 1 | 932 ± 4 | 45 ± 1 | 41,940 | 16 | 20 ± 2 |
| 450/600 | 610 ± 8 | 918 ± 12 | 33 ± 1 | 30,294 | 4 | 11 ± 4 |
| 500/600 | 645 ± 15 | 887 ± 5 | 31 ± 1 | 27,497 | - | 38 ± 3 |
© 2017 by the author. Licensee MDPI, Basel, Switzerland. This article is an open access article distributed under the terms and conditions of the Creative Commons Attribution (CC BY) license (http://creativecommons.org/licenses/by/4.0/).
Share and Cite
Kučerová, L. The Effect of Two-Step Heat Treatment Parameters on Microstructure and Mechanical Properties of 42SiMn Steel. Metals 2017, 7, 537. https://doi.org/10.3390/met7120537
Kučerová L. The Effect of Two-Step Heat Treatment Parameters on Microstructure and Mechanical Properties of 42SiMn Steel. Metals. 2017; 7(12):537. https://doi.org/10.3390/met7120537
Chicago/Turabian StyleKučerová, Ludmila. 2017. "The Effect of Two-Step Heat Treatment Parameters on Microstructure and Mechanical Properties of 42SiMn Steel" Metals 7, no. 12: 537. https://doi.org/10.3390/met7120537
APA StyleKučerová, L. (2017). The Effect of Two-Step Heat Treatment Parameters on Microstructure and Mechanical Properties of 42SiMn Steel. Metals, 7(12), 537. https://doi.org/10.3390/met7120537

