The Characterization of Curved Grain Boundary in Nickel-Based Superalloy Formed During Heat Treatment
Abstract
1. Introduction
2. Quantitative Analysis Method of Curved Grain Boundary
2.1. Image Preprocessing
2.2. Grain Boundary Geometry Information Data Extraction
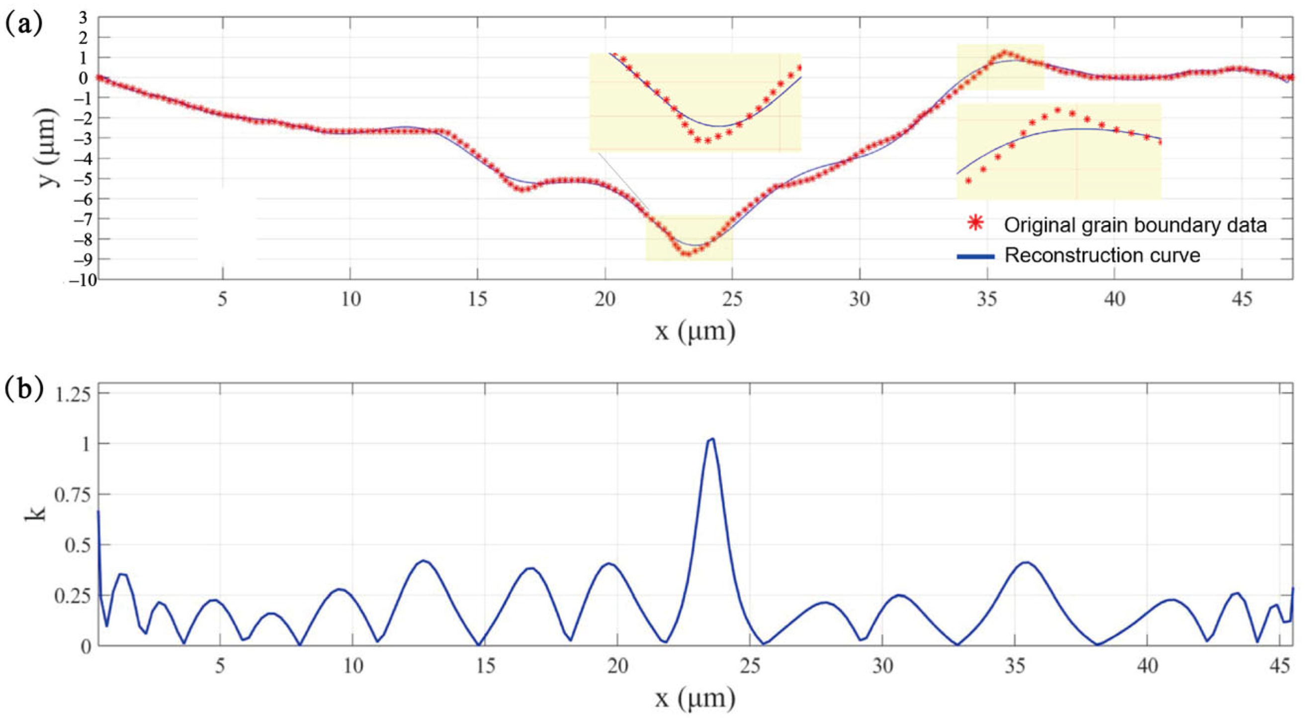
2.3. Curvature Variance Filtering Method to Reconstruct the Discrete Curve
2.4. U-Chord Curvature to Calculate the Discrete Curvature of Grain Boundaries
3. Experimental Materials and Methods
3.1. Experimental Materials
3.2. Grain Boundary Bending via Heat Treatment
3.3. Scanning Electron Microscopy-Based Characterization
- (1)
- Mean curvature of grain boundaries (MC)
- (2)
- Length ratio of grain boundaries
4. Results and Discussion
4.1. Examples of Grain Boundary Curvature Calculation
4.2. Effect of Heat Treatment Process Type on Grain Boundary Morphology
5. Conclusions
- The proposed framework combining curvature variance filtering with U-chord curvature calculation enables automated and accurate grain boundary characterization. The curvature variance filtering adaptively smooths data while preserving corner features, and the U-chord curvature ensures rotational invariance and noise resistance. Validation demonstrates that calculated angles agree with measured values within approximately 10° deviation, confirming the method’s reliability.
- The four heat treatment processes produced distinctly quantifiable grain boundary morphologies. Controlled cooling (Process A) yielded MC = 0.0625 with 91.06% straight boundaries. Isothermal treatment (Process B) and combined treatment (Process C) achieved MC = 0.1056 and 0.1112, respectively, with Process B producing predominantly wavy boundaries and Process C generating more serrated features. Re-dissolution treatment (Process D) was most effective, achieving MC = 0.1252 with 3.53% serrated regions.
- Grain boundary morphology is governed by δ-phase precipitation characteristics. Dispersed δ-phase precipitates create discrete pinning points that produce serrated grain boundaries, while dense, parallel δ-phase precipitation at specific angles results in wavy morphologies.
Author Contributions
Funding
Data Availability Statement
Conflicts of Interest
References
- Hong, H.U.; Kim, I.S.; Choi, B.G.; Kim, M.Y.; Jo, C.Y. The Effect of Grain Boundary Serration on Creep Resistance in a Wrought Nickel-Based Superalloy. Mater. Sci. Eng. A 2009, 517, 125–131. [Google Scholar] [CrossRef]
- Hong, S.; Dongjoon, M.; Fleury, E. Effect of Grain Boundary Serration on the Tensile Properties of the Super 304H Heat Resistant Austenitic Stainless Steel. Mater. Sci. Forum 2010, 654–656, 170–173. [Google Scholar] [CrossRef]
- Smith, W.E.; Donachie, M.J.; Johnson, J.L. Relationship of Prior Creep Exposure to Strength of Wrought Udimet 700 Nickel-Base Alloy. J. Fluids Eng. 1966, 88, 4. [Google Scholar] [CrossRef]
- Davies, P.W.; Dennison, J.P. The Use of Heat-Treatment to Recover the Creep Properties of Nimonic 115 After High-Temperature Creep. Met. Sci. 2013, 9, 319–323. [Google Scholar] [CrossRef]
- Terner, M.; Lee, J.-W.; Kim, J.-H.; Hong, H.-U. First Evidence of Grain Boundary Serration in a Specifically Heat Treated Wrought Alloy 625 Ni-Based Superalloy. Int. J. Mater. Res. 2018, 109, 803–810. [Google Scholar] [CrossRef]
- Kim, K.J.; Ginsztler, J.; Nam, S.W. The Role of Carbon on the Occurrence of Grain Boundary Serration in an AISI 316 Stainless Steel during Aging Heat Treatment. Mater. Lett. 2005, 59, 1439–1443. [Google Scholar] [CrossRef]
- Jiang, L.; Hu, R.; Kou, H.; Li, J.; Bai, G.; Fu, H. The Effect of M23C6 Carbides on the Formation of Grain Boundary Serrations in a Wrought Ni-Based Superalloy. Mater. Sci. Eng. A 2012, 536, 37–44. [Google Scholar] [CrossRef]
- Tang, Y.T.; Wilkinson, A.J.; Reed, R.C. Grain Boundary Serration in Nickel-Based Superalloy Inconel 600: Generation and Effects on Mechanical Behavior. Met. Mater. Trans. A 2018, 49, 4324–4342. [Google Scholar] [CrossRef]
- Tang, Y.T.; Karamched, P.; Liu, J.; Haley, J.C.; Reed, R.C.; Wilkinson, A.J. Grain Boundary Serration in Nickel Alloy Inconel 600: Quantification and Mechanisms. Acta Mater. 2019, 181, 352–366. [Google Scholar] [CrossRef]
- Ye, R.; Xu, Z.; Ge, Z.; Gao, L.; Yu, T.; Zhang, R.; Li, L.; Zhang, P. Mechanism of Ziggag Grain Boundary Formation in Wrought Nickelbase Superalloys. Chin. J. Eng. 1985, 7, 29–39. [Google Scholar] [CrossRef]
- Luengo, J.; Moreno, R.; Sevillano, I.; Charte, D.; Peláez-Vegas, A.; Fernández-Moreno, M.; Mesejo, P.; Herrera, F. A Tutorial on the Segmentation of Metallographic Images: Taxonomy, New MetalDAM Dataset, Deep Learning-Based Ensemble Model, Experimental Analysis and Challenges. Inf. Fusion 2022, 78, 232–253. [Google Scholar] [CrossRef]
- Elmadagli, M.; Alpas, A.T. Metallographic Analysis of the Deformation Microstructure of Copper Subjected to Orthogonal Cutting. Mater. Sci. Eng. A 2003, 355, 249–259. [Google Scholar] [CrossRef]
- Yang, Z.; Li, X.; Catherine Brinson, L.; Choudhary, A.N.; Chen, W.; Agrawal, A. Microstructural Materials Design via Deep Adversarial Learning Methodology. J. Mech. Des. 2018, 140, 111416. [Google Scholar] [CrossRef]
- Ryan, K.; Lengyel, J.; Shatruk, M. Crystal Structure Prediction via Deep Learning. J. Am. Chem. Soc. 2018, 140, 10158–10168. [Google Scholar] [CrossRef]
- Ma, W.; Kautz, E.J.; Baskaran, A.; Chowdhury, A.; Joshi, V.; Yener, B.; Lewis, D.J. Image-Driven Discriminative and Generative Machine Learning Algorithms for Establishing Microstructure–Processing Relationships. J. Appl. Phys. 2020, 128, 134901. [Google Scholar] [CrossRef]
- Hecht, M.D.; Webler, B.A.; Picard, Y.N. Digital Image Analysis to Quantify Carbide Networks in Ultrahigh Carbon Steels. Mater. Charact. 2016, 117, 134–143. [Google Scholar] [CrossRef]
- Azimi, S.M.; Britz, D.; Engstler, M.; Fritz, M.; Mücklich, F. Advanced Steel Microstructural Classification by Deep Learning Methods. Sci. Rep. 2018, 8, 2128. [Google Scholar] [CrossRef]
- Wang, X.; Zhang, B.; Xu, Z.; Qin, Y.; Philip Chen, C.L. An Exploration of Deep Learning for Decision Making: Methods, Applications, and Challenges. Expert Syst. Appl. 2025, 289, 128406. [Google Scholar] [CrossRef]
- Nakamura, K.; Sadakane, K. A Space-Efficient Algorithm for the Dynamic DFS Problem in Undirected Graphs. In Proceedings of the WALCOM: Algorithms and Computation, Chengdu, China, 28 February–2 March 2025; Poon, S.-H., Rahman, M.S., Yen, H.-C., Eds.; Springer International Publishing: Cham, Switzerland, 2017; pp. 295–307. [Google Scholar]
- Ray, B.K.; Pandyan, R. ACORD—An Adaptive Corner Detector for Planar Curves. Pattern Recognit. 2003, 36, 703–708. [Google Scholar] [CrossRef]
- Medioni, G.; Yasumoto, Y. Corner Detection and Curve Representation Using Cubic B-Splines. Comput. Vis. Graph. Image Process. 1987, 39, 267–278. [Google Scholar] [CrossRef]
- Liu, G.H.; Wong, Y.S.; Zhang, Y.F.; Loh, H.T. Adaptive Fairing of Digitized Point Data with Discrete Curvature. Comput.-Aided Des. 2002, 34, 309–320. [Google Scholar] [CrossRef]
- Zhong, B.; Li, C.; Wang, Z. Curvature Product Corner Detection in Direct Curvature Scale Space. Phys. Commun. 2011, 4, 237–243. [Google Scholar] [CrossRef]
- Guo, J.-J.; Zhong, B.-J. U-Chord Curvature: A Computational Method of Discrete Curvature. Moshi Shibie Yu Rengong Zhineng/Pattern Recognit. Artif. Intell. 2014, 27, 683–691. [Google Scholar] [CrossRef]
- Azadian, S.; Wei, L.-Y.; Warren, R. Delta Phase Precipitation in Inconel 718. Mater. Charact. 2004, 53, 7–16. [Google Scholar] [CrossRef]
- Shi, Q.; Zhang, S.; Dong, X.; Li, D.; Zhao, H.; Lin, X.; Huang, W. Achieving Superior Resistance to High–Temperature Creep in Laser Powder Bed Fusion of Inconel 718 via Grain Boundaries Serration. J. Mater. Res. Technol. 2024, 33, 7534–7545. [Google Scholar] [CrossRef]
- Liu, L.; Tan, Y.; Wang, Y.; Li, P.; Gao, Y. Effect of Heat Treatment on the Formation of Serrated Grain Boundary and Secondary Γ′ Phase in a High Γ′ Phase Superalloy. J. Alloys Compd. 2025, 1027, 180489. [Google Scholar] [CrossRef]
- Chen, T.-W.; Wu, B.-C.; Kang, Y.-C.; Murakami, H.; Toda, Y.; Chung, T.-F.; Kumar Misra, R.D.; Yeh, A.-C. The Impact of Grain Boundary Serration Treatments on the Creep Deformation of Udimet-720Li Superalloy. Mater. Sci. Eng. A 2025, 924, 147729. [Google Scholar] [CrossRef]
- Hu, H.; Zhao, M.; Song, Y.; Rong, L. Serrated Grain Boundary Formation and Its Effect on the Hydrogen Embrittlement of Fe-Ni Based Alloy. Mater. Sci. Eng. A 2025, 921, 147582. [Google Scholar] [CrossRef]
- Wu, Y.; Zhao, H.; Li, J.; Zhang, Y.; Liu, J.; Liu, T. An Innovative Approach towards Forming the Serrated Grain Boundaries and Refining the Γ′ Precipitates in Nickel-Based Superalloys. J. Alloys Compd. 2022, 908, 164570. [Google Scholar] [CrossRef]


















| Cr | Co | Mo | Ti | Al | Cu | P | Nb | C | Ta | S | Fe |
|---|---|---|---|---|---|---|---|---|---|---|---|
| 18.11 | 0.18 | 3.09 | 0.98 | 0.58 | 0.031 | 0.012 | 5.47 | 0.022 | <0.01 | <0.002 | Et.al |
| Solution °C & h | Cooling Rate °C/min | Slow Cooling Termination Temperature °C | Isothermal Treatment °C & h | Re-Dissolution Treatment °C & h | Cooling Method | |
|---|---|---|---|---|---|---|
| A | 1040 °C-1 h | 1 | 900 | — | — | AC |
| B | — | — | 900 °C-1 h | — | AC | |
| C | 1 | 900 | 900 °C-1 h | — | AC | |
| D | 1 | 720 | — | 960 °C-1 h | AC |
| Position | Actual Measurement Angle (°) | Curvature Calculation Value | Calculation Angle (°) |
|---|---|---|---|
| A | 104.78 | 0.54 | 114.63 |
| B | 83.51 | 0.67 | 95.87 |
| C | 130.60 | 0.25 | 151.04 |
| D | 99.42 | 0.57 | 110.50 |
| E | 144.88 | 0.22 | 154.58 |
| Image Resolution (Pixels) | Serrated Proportion | Curved Proportion | Straight Proportion |
|---|---|---|---|
| 1028 × 888 | 0.0367 | 0.3863 | 0.5770 |
| 2134 × 1851 | 0.0314 | 0.3846 | 0.5841 |
| 4267 × 3701 | 0.0348 | 0.3787 | 0.5866 |
| Sample | Straight (κ = 0.135) | Straight (κ = 0.15) | Straight (κ = 0.165) |
|---|---|---|---|
| A | 89.13% | 91.06% | 91.52% |
| B | 68.42% | 71.90% | 74.03% |
| C | 67.17% | 70.30% | 72.97% |
| D | 54.26% | 58.81% | 62.11% |
Disclaimer/Publisher’s Note: The statements, opinions and data contained in all publications are solely those of the individual author(s) and contributor(s) and not of MDPI and/or the editor(s). MDPI and/or the editor(s) disclaim responsibility for any injury to people or property resulting from any ideas, methods, instructions or products referred to in the content. |
© 2026 by the authors. Licensee MDPI, Basel, Switzerland. This article is an open access article distributed under the terms and conditions of the Creative Commons Attribution (CC BY) license.
Share and Cite
Zhang, Y.; Wang, J.; Liu, D.; Huang, J.; Wang, M.; Rao, H.; Nan, J.; Lai, Y. The Characterization of Curved Grain Boundary in Nickel-Based Superalloy Formed During Heat Treatment. Metals 2026, 16, 68. https://doi.org/10.3390/met16010068
Zhang Y, Wang J, Liu D, Huang J, Wang M, Rao H, Nan J, Lai Y. The Characterization of Curved Grain Boundary in Nickel-Based Superalloy Formed During Heat Treatment. Metals. 2026; 16(1):68. https://doi.org/10.3390/met16010068
Chicago/Turabian StyleZhang, Yu, Jianguo Wang, Dong Liu, Junwei Huang, Minqing Wang, Haodong Rao, Jungang Nan, and Yaqi Lai. 2026. "The Characterization of Curved Grain Boundary in Nickel-Based Superalloy Formed During Heat Treatment" Metals 16, no. 1: 68. https://doi.org/10.3390/met16010068
APA StyleZhang, Y., Wang, J., Liu, D., Huang, J., Wang, M., Rao, H., Nan, J., & Lai, Y. (2026). The Characterization of Curved Grain Boundary in Nickel-Based Superalloy Formed During Heat Treatment. Metals, 16(1), 68. https://doi.org/10.3390/met16010068

