Mechanical Testing Methods for Assessing Hydrogen Embrittlement in Pipeline Steels: A Review
Abstract
1. Introduction
2. Pipeline Steels
3. Standards
- ASME VIII Div. 3 “Rules for Construction of Pressure Vessels”, in particular section KD10 “Special Requirements for Vessels in Hydrogen Service” [29].
- ASME B31-12 “Hydrogen Piping and Pipelines” [8].
- ANSI/CSA CHMC 1-2014 “Test Methods for Evaluating Material Compatibility in Compressed Hydrogen Applications—Metals” [34].
- EIGA IGC Doc 100/03/E “Hydrogen Cylinders and Transport Vessels” [35].
- EIGA IGC Doc 121/14 “Hydrogen Pipeline Systems” [36].
- Design parameters to be used when designing a structure that must withstand loads in the presence of pressurized hydrogen, such as pipelines or pressure vessels.
- Qualitative parameters that allow for easier and quicker comparison among different materials to assess their potential suitability for hydrogen service, without providing further information potentially relevant to the component design.
3.1. ISO 11114-4
- (1)
- Method A: Disk-rupture test.
- (2)
- Method B: Fracture mechanics test, used to determine a threshold value for the stress intensity factor in a gaseous hydrogen environment, KIH.
- (3)
- Method C: Test for determining the resistance of a metallic material to hydrogen assisted fracture.
- The sample dimension is 0.75 mm, not representative of the thickness of the real manufactured products.
- The test is performed on a smooth sample and plasticization takes place over the whole sample surface; no engineering parameter is obtained through this test.
- The threshold value 2 for the PrHe/PrH2 ratio is empirical and hold no theoretical background.
- The average crack propagation does not surpass 0.25 mm.
- The average crack propagation surpasses 0.25 mm, but the final measured KI is at least equal to 60/950 × UTS MPa√m.
3.2. ASME VIII Div 3 (+ASME B31-12)
- The crack does not propagate more than 0.25 mm average, and the test has been conducted at constant load; then KIH = applied KI.
- The crack does not propagate more than 0.25 mm average, and the test has been conducted at constant displacement; then, KIH = ½ applied KI.
- The crack does propagate more than 0.25 mm average; the KIH is measured according to ASTM E1681 [46] par.9.21 and 9.22.
3.3. ANSI/CSA CHMC 1
- (1)
- Slow Strain Rate Tensile Test: Conducted on smooth or notched specimens. The strain rate is specified as 10−5 s−1 for smooth specimens and 10−6 s−1 as nominal strain rate measured over a 25.4 mm gauge length across the notch for notched specimens.
- (2)
- Measurement of the Threshold Value for Hydrogen-Assisted Fracture: Conducted under linear elastic fracture mechanics (KIH) or elastic–plastic fracture mechanics (JIH) conditions in a hydrogen environment.
- (3)
- Fatigue Crack Growth Rate Test (da/dN vs. ΔK): Performed at a frequency of 1 Hz, with a load ratio R = 0.1.
- (4)
- Fatigue Life Testing (S-N Curve): Conducted under load-controlled conditions, or under strain-controlled conditions. The load ratio is R = 0.1, and the testing frequency is set at 1 Hz for low-cycle fatigue (number of cycles to failure < 105) or 20 Hz for high-cycle fatigue (number of cycles to failure > 105), followed by statistical analysis of the resulting data.
4. Tensile, Fracture Toughness, and Fatigue Tests
4.1. Tensile Tests
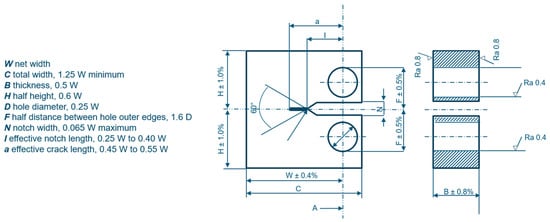
4.2. Smooth Specimens
- ▪
- parameter acquired in inert environment;
- ▪
- parameter acquired in hydrogen environment.
4.2.1. Effect of Hydrogen Partial Pressure
4.2.2. Effect of the Strain Rate
4.3. Notched Specimens
- -
- NTSHe is the NTS measured in He environment.
- -
- NTSH is the NTS measured in hydrogen environment.
4.4. Fracture Toughness Tests
- -
- JIc is the critical value of J that also includes the plastic strain energy and the energy required for the initial tearing of the specimen from the fatigue crack.
- -
- E is Young’s modulus.
- -
- ν is Poisson’s modulus.
4.5. Fracture Mechanics Fatigue Tests
4.5.1. Effect of Hydrogen Partial Pressure
4.5.2. Effect of the Frequency
4.5.3. Effect of R
5. Discussion and Concluding Remarks
5.1. Trends in Hydrogen Pressure Effects
5.2. Strain Rate and Frequency as Rate-Controlling Parameters
5.3. Influence of Steel Grade
5.4. Standards and Research
5.5. Implications and Knowledge Gaps
- The mechanistic origin of scatter in FCGR–pressure correlations, particularly the relation between R-ratio and ΔK.
- Quantitative correlation between laboratory-measured degradation indices (RAloss, KIH reduction) and in-service defect tolerance.
- Standardized approaches for including weldments and heat-affected zones in HE qualification, as ASME requires but ISO omits.
- Harmonization of strain rate/frequency regimes to capture diffusion-controlled embrittlement without unrealistic test durations.
Author Contributions
Funding
Data Availability Statement
Acknowledgments
Conflicts of Interest
Abbreviations
| Acronym | Full Form | 
| API | American Petroleum Institute | 
| ASME | American Society of Mechanical Engineers | 
| ASTM | American Society for Testing and Materials | 
| BM | Base Metal | 
| CT | Compact Tension | 
| DH | Hydrogen Diffusion Coefficient | 
| EGIG | European Gas Pipeline Incident data Group | 
| El | Elongation at break | 
| EIGA | European Industrial Gases Association | 
| FCGR | Fatigue Crack Growth Rate | 
| HA-FCG | Hydrogen-Assisted Fatigue Crack Growth | 
| HE | Hydrogen Embrittlement | 
| JIC | J-integral-based critical fracture toughness | 
| JIH | J-integral-based critical fracture toughness in a hydrogen environment | 
| KI | Stress Intensity Factor | 
| KIC | Critical Stress Intensity Factor | 
| KIH | Critical stress intensity factor in a hydrogen environment | 
| KJIc | KIC calculated from JIC | 
| Kt | Stress Concentration Factor | 
| NG | Natural Gas | 
| NTS | Notched Tensile Strength | 
| NTSH | Notched Tensile Strength in Hydrogen | 
| NTSR | Notched Tensile Strength in Reference/Inert Environment | 
| NTSloss | Loss in Notched Tensile Strength due to Hydrogen | 
| pH2 | Partial Pressure of Hydrogen | 
| PrH2 | Disk rupture pressure in H2 | 
| PrHe | Disk rupture pressure in He | 
| RA | Reduction in Area at Fracture | 
| RAR | Reduction in Area in Reference/Inert Environment | 
| RAH | Reduction in Area in Hydrogen Environment | 
| RNTS | Ratio of NTSH to NTSR | 
| RRA | Reduction in Area Ratio | 
| R | Load ratio in fatigue testing | 
| SMYS | Specified Minimum Yield Strength | 
| UTS | Ultimate Tensile Strength | 
| WM | Weld Metal | 
| WOL | Wedge-Opening Load | 
| YS | Yield Strength | 
References
- Crolet, J.L. Analysis of the various processes downstream cathodic hydrogen charging, I: Diffusion, laboratory permeation and measurement of hydrogen content and diffusion coefficient. Mater. Tech. 2016, 104, 205. [Google Scholar] [CrossRef]
- Pisarev, A.A. Hydrogen adsorption on the surface of metals. In Gaseous Hydrogen Embrittlement of Materials in Energy Technologies; Elsevier: Amsterdam, The Netherlands, 2012; pp. 3–26. [Google Scholar] [CrossRef]
- Lynch, S.P. Hydrogen embrittlement (HE) phenomena and mechanisms. Stress Corros. Crack. Theory Pract. 2011, 30, 90–130. [Google Scholar] [CrossRef]
- Gangloff, R.P. Hydrogen-assisted Cracking. Compr. Struct. Integr. Nine Vol. Set 2003, 1–9, 31–101. [Google Scholar] [CrossRef]
- Sergeev, N.N.; Sergeev, A.N.; Kutepov, S.N.; Kolmakov, A.G.; Gvozdev, A.E. Mechanism of the Hydrogen Cracking of Metals and Alloys, Part II (Review). Inorg. Mater. Appl. Res. 2019, 10, 32–41. [Google Scholar] [CrossRef]
- Chen, Y.-S.; Huang, C.; Liu, P.-Y.; Yen, H.-W.; Niu, R.; Burr, P.; Moore, K.L.; Martínez-Pañeda, E.; Atrens, A.; Cairney, J.M. Hydrogen trapping and embrittlement in metals—A review. Int. J. Hydrogen Energy 2025, 136, 789–821. [Google Scholar] [CrossRef]
- Parliament, E. Directive (EU) 2018/2001 of the European Parliament and of the Council of 11 December 2018 on the promotion of the use of energy from renewable sources (recast). Off. J. Eur. Union 2018, 2018, 82–209. [Google Scholar]
- ASME B31.12-2023; Hydrogen Piping and Pipelines. The American Society of Mechanical Engineers: New York, NY, USA, 2023.
- Hayden, L.; Douglas, S. Hydrogen piping and pipeline code design rules and their interaction with pipeline material concerns, issues and research. In Proceedings of the ASME 2009 Pressure Vessels and Piping Division Conference, Prague, Czech Republic, 26–30 July 2009; pp. 1–7. [Google Scholar]
- Duprez, L.; Leunis, E.; Güng, Ö.E.; Claessens, S. Hydrogen embrittlement of high strength, low alloy (HSLA) steels and their welds. In Gaseous Hydrogen Embrittlement of Materials in Energy Technologies; Woodhead Publishing: Sawston, UK, 2012. [Google Scholar] [CrossRef]
- Johnson, W. On some remarkable Changes produced in Iron and Steel by the action of Hydrogen and Acids. R. Soc. 1875, 11, 168–179. [Google Scholar] [CrossRef]
- Bhadeshia, H.K.D.H. Prevention of hydrogen embrittlement in steels. ISIJ Int. 2016, 56, 24–36. [Google Scholar] [CrossRef]
- Nanninga, N.; Levy, Y.; Drexler, E.; Condon, R.; Stevenson, A.; Slifka, A. Tensile Behavior of Pipeline Steels in High Pressure Gaseous Hydrogen Environments. pp. 1–33. Available online: https://tsapps.nist.gov/publication/get_pdf.cfm?pub_id=907912 (accessed on 24 August 2025).
- Amaro, R.L.; Drexler, E.S.; Slifka, A.J. Fatigue crack growth modeling of pipeline steels in high pressure gaseous hydrogen. Int. J. Fatigue 2014, 62, 249–257. [Google Scholar] [CrossRef]
- Meng, B.; Gu, C.; Zhang, L.; Zhou, C.; Li, X.; Zhao, Y.; Zheng, J.; Chen, X.; Han, Y. Hydrogen effects on X80 pipeline steel in high-pressure natural gas/hydrogen mixtures. Int. J. Hydrogen Energy 2017, 42, 7404–7412. [Google Scholar] [CrossRef]
- Valentini, R.; Bacchi, L.; Biagini, F.; Mastroianni, M. Application of laboratory and on field techniques to determine the risk of hydrogen embrittlement in gaseous hydrogen and relative mixtures transport and storage. Matériaux Tech. 2023, 111, 202. [Google Scholar] [CrossRef]
- Venezuela, J.; Gray, E.; Liu, Q.; Zhou, Q.; Tapia-Bastidas, C.; Zhang, M.; Atrens, A. Equivalent hydrogen fugacity during electrochemical charging of some martensitic advanced high-strength steels. Corros. Sci. 2017, 127, 45–58. [Google Scholar] [CrossRef]
- Koren, E.; Hagen, C.M.H.; Wang, D.; Lu, X.; Johnsen, R.; Yamabe, J. Experimental comparison of gaseous and electrochemical hydrogen charging in X65 pipeline steel using the permeation technique. Corros. Sci. 2023, 215, 111025. [Google Scholar] [CrossRef]
- Rahimi, S.; Verbeken, K.; Depover, T.; Proverbio, E. Hydrogen embrittlement of pipeline steels under gaseous and electrochemical charging: A comparative review on tensile properties. Eng. Fail. Anal. 2025, 167, 108956. [Google Scholar] [CrossRef]
- Álvarez, G.; Peral, L.B.; Rodríguez, C.; García, T.E.; Belzunce, F.J. Hydrogen embrittlement of structural steels: Effect of the displacement rate on the fracture toughness of high-pressure hydrogen pre-charged samples. Int. J. Hydrogen Energy 2019, 44, 15634–15643. [Google Scholar] [CrossRef]
- Nguyen, T.T.; Park, J.; Nahm, S.H.; Tak, N.; Baek, U.B. Ductility and fatigue properties of low nickel content type 316L austenitic stainless steel after gaseous thermal pre-charging with hydrogen. Int. J. Hydrogen Energy 2019, 44, 28031–28043. [Google Scholar] [CrossRef]
- Colombo, C.; Fumagalli, G.; Bolzoni, F.; Gobbi, G.; Vergani, L. Fatigue behavior of hydrogen pre-charged low alloy Cr-Mo steel. Int. J. Fatigue 2015, 83, 2–9. [Google Scholar] [CrossRef]
- Paterlini, L.; Vergani, L.; Ormellese, M.; Curia, A.; Re, G.; Bolzoni, F. Hydrogen Embrittlement of a T95 Low-Alloy Steel Charged by Electrochemical Method. Materials 2025, 18, 1047. [Google Scholar] [CrossRef]
- Li, X.; Zhang, J.; Cui, Y.; Djukic, M.B.; Feng, H.; Wang, Y. Review of the hydrogen embrittlement and interactions between hydrogen and microstructural interfaces in metallic alloys: Grain boundary, twin boundary, and nano-precipitate. Int. J. Hydrogen Energy 2024, 72, 74–109. [Google Scholar] [CrossRef]
- API 5L-2018; Specification for Line Pipe. American Petroleum Institute: New York, NY, USA, 2018.
- ISO 3183; Petroleum and Natural Gas Industries—Steel Pipe for Pipeline Transportation Systems. International Organization for Standardization: Geneva, Switzerland, 2019.
- Stalheim, D.; Barnes, K.; McCutcheon, D. Alloy Designs for High Strength Oil and Gas Transmission Linepipe Steels. In International Symposium Microalloyed Steels for the Oil and Gas Industry; TMS: Pittsburgh, PA, USA, 2007; pp. 73–108. [Google Scholar]
- European Gas Pipeline Incident Data Group. 12th Report of EGIG, GAS PIPELINE INCIDENTS. 2023. Available online: https://www.EGIG.eu (accessed on 23 August 2025).
- ASME VIII Div. 3; Rules for Construction of Pressure Vessels, Article KD10 “Special Requirements for Vessels in Hydrogen Service”. The American Society of Mechanical Engineers: New York, NY, USA, 2023.
- ISO 11114-2023; Gas Cylinders—Compatibility of Cylinder and Valve Materials with Gas Content—Part 1 Metallic Materials. International Organization for Standardization: Geneva, Switzerland, 2023.
- ISO 11114-2017; Gas Cylinders—Compatibility of Cylinder and Valve Materials with Gas Content—Part 4 “Test Methods for Selecting Steels Resistant to Hydrogen Embrittlement”. International Organization for Standardization: Geneva, Switzerland, 2017.
- ANSI/AIAA G-095A; Guide to “Safety of Hydrogen and Hydrogen Systems”. American National Standard Institute: Washington, DC, USA, 2017.
- NASA NSS 1740-16; Safety Standard for Hydrogen and Hydrogen Systems. National Aeronautics and Space Administration: Washington, DC, USA, 1997.
- ANSI/CSA CHMC 1; Test Methods for Evaluating Material Compatibility in Compressed Hydrogen Applications—Metals. American National Standards Institute: Washington, DC, USA, 2014.
- EIGA IGC Doc 100/03/E; Hydrogen Cylinders and Transport Vessels. European Industrial Gases Association: Brussels, Belgium, 2003.
- EIGA IGC Doc 121/14; Hydrogen Pipeline Systems. European Industrial Gases Association: Brussels, Belgium, 2014. Available online: https://www.eiga.eu (accessed on 19 August 2025).
- ASTM F1459-06; Test Method for Determination of the Susceptibility of Metallic Materials to Hydrogen Gas Embrittlement (HGE). American Society for Testing and Materials, ASTM International: West Conshohocken, PA, USA, 2006. [CrossRef]
- Komoda, R.; Kubota, M.; Staykov, A.; Ginet, P.; Barbier, F.; Furtado, J. Inhibitory effect of oxygen on hydrogen-induced fracture of A333 pipe steel. Fatigue Fract. Eng. Mater. Struct. 2019, 42, 1387–1401. [Google Scholar] [CrossRef]
- Michler, T.; Boitsov, I.E.; Malkov, I.L.; Yukhimchuk, A.A.; Naumann, J. Assessing the effect of low oxygen concentrations in gaseous hydrogen embrittlement of DIN 1.4301 and 1.1200 steels at high gas pressures. Corros. Sci. 2012, 65, 169–177. [Google Scholar] [CrossRef]
- Zhang, R.; Yuan, C.; Liu, C.; Wang, C.; Xu, X.; Zhang, J.; Li, Y. Effects of natural gas impurities on hydrogen embrittlement susceptibility and hydrogen permeation of X52 pipeline steel. Eng. Fail. Anal. 2024, 159, 108111. [Google Scholar] [CrossRef]
- Louthan, M.R.; Swanson, R.E. Material Defects, Gas Purity and Hydrogen Embrittlement. Int. J. Hydrogen Energy 1985, 10, 551–554. [Google Scholar] [CrossRef]
- Deimel, P.; Leonhard, H.; Sattler, E. Characterization of the Influence of High-Pressure Hydrogen Gas on the Ductility of the Steel 15 MnNi 6 3. Int. J. Hydroqen Energy 1993, 18, 313–318. [Google Scholar] [CrossRef]
- Zhou, C.; Zhou, H.; Zhang, L. The Impact of Impurity Gases on the Hydrogen Embrittlement Behavior of Pipeline Steel in High-Pressure H2 Environments. Materials 2024, 17, 2157. [Google Scholar] [CrossRef] [PubMed]
- ISO 7539-1; Corrosion of Metals and Alloys—Stress Corrosion Testing—Parti 1: General Guidance on Testing Procedures. International Organization for Standardization: Geneva, Switzerland, 2012.
- ISO 7539-6; Corrosion of Metals and Alloys—Stress Corrosion Testing—Part 6: Preparation and Use of Precracked Specimens for Tests Under Constant Load or Constant Displacement. International Organization for Standardization: Geneva, Switzerland, 2018. Available online: https://standards.iteh.ai/catalog/standards/sist/81596795-66e4-438a-9c03- (accessed on 19 August 2025).
- ASTM E1681-03; Standard Test Method for Determining Threshold Stress Intensity Factor for Environment-Assisted Cracking of Metallic Material. American Society for Testing and Materials: West Conshohocken, PA, USA, 2020. [CrossRef]
- Moro, I.; Briottet, L.; Lemoine, P.; Andrieu, E.; Blanc, C.; Odemer, G. Hydrogen embrittlement susceptibility of a high strength steel X80. Mater. Sci. Eng. A 2010, 527, 7252–7260. [Google Scholar] [CrossRef]
- Marchi, C.S.; Somerday, B.P. Technical Reference for Hydrogen Compatibility of Materials; Sandia National Laboratories (SNL): Albuquerque, NM, USA, 2012. [Google Scholar]
- Hejazi, D.; Calka, A.; Dunne, D.; Pereloma, E. Materials Science and Technology Effect of gaseous hydrogen charging on the tensile properties of standard and medium Mn X70 pipeline steels Effect of gaseous hydrogen charging on the tensile properties of standard and medium Mn X70 pipeline steels. Mater. Sci. Technol. 2016, 32, 675–683. [Google Scholar] [CrossRef]
- Nanninga, N.E.; Levy, Y.S.; Drexler, E.S.; Condon, R.T.; Stevenson, A.E.; Slifka, A.J. Comparison of hydrogen embrittlement in three pipeline steels in high pressure gaseous hydrogen environments. Corros. Sci. 2012, 59, 1–9. [Google Scholar] [CrossRef]
- Duncan, A.; Lam, P.S.; Adams, T. Tensile testing of carbon steel in high pressure hydrogen. Am. Soc. Mech. Eng. Press. Vessel. Pip. Div. (Publ.) PVP 2008, 6, 519–525. [Google Scholar] [CrossRef]
- Boukortt, H.; Amara, M.; Meliani, M.H.; Bouledroua, O.; Muthanna, B.; Suleiman, R.; Sorour, A.; Pluvinage, G. Hydrogen embrittlement effect on the structural integrity of API 5L X52 steel pipeline. Int. J. Hydrogen Energy 2018, 43, 19615–19624. [Google Scholar] [CrossRef]
- Stalheim, D.; Bogges, T.; Marchi, C.S.; Somerday, B.; Boggess, T.; Jansto, S. Microstructure and Mechanical Property Performance of Commercial Grade Api. In Proceedings of the 8th International Pipeline Conference, Calgary, AB, Canada, 27 September–1 October 2010; pp. 1–9. [Google Scholar]
- Trautmann, A.; Mori, G.; Oberndorfer, M.; Bauer, S.; Holzer, C.; Dittmann, C. Hydrogen uptake and embrittlement of carbon steels in various environments. Materials 2020, 13, 3604. [Google Scholar] [CrossRef]
- Li, Q.; Ghadiani, H.; Jalilvand, V.; Alam, T.; Farhat, Z.; Islam, M.A. Hydrogen Impact: A Review on Diffusibility, Embrittlement Mechanisms, and Characterization. Materials 2024, 17, 965. [Google Scholar] [CrossRef]
- Venezuela, J.; Tapia-Bastidas, C.; Zhou, Q.; Depover, T.; Verbeken, K.; Gray, E.; Liu, Q.; Liu, Q.; Zhang, M.; Atrens, A. Determination of the equivalent hydrogen fugacity during electrochemical charging of 3.5NiCrMoV steel. Corros. Sci. 2018, 132, 90–106. [Google Scholar] [CrossRef]
- Nguyen, T.T.; Park, J.; Kim, W.S.; Nahm, S.H.; Beak, U.B. Effect of low partial hydrogen in a mixture with methane on the mechanical properties of X70 pipeline steel. Int. J. Hydrogen Energy 2020, 45, 2368–2381. [Google Scholar] [CrossRef]
- Bertini, L.; De Sanctis, M.; Lovicu, G.; Santus, C.; Valentini, R. Metodologia per lo studio dell’infragilimento da idrogeno in lamiere sottili di acciai duttili. In Proceedings of the I Congresso Nazionale del Coordinamento della Meccanica Italiana, Palermo, PA, Italy, 20–22 June 2010; pp. 1–10. [Google Scholar]
- API Spec 5CT; Specification for Casing and Tubing. American Petroleum Institute: Singapore, 2019.
- Chen, J.; Wu, J. Hydrogen Diffusion Through Copper-Plated AISI 4140 STEELS. Corros. Sci. 1992, 33, 657–666. [Google Scholar] [CrossRef]
- Souza, R.C.; Pereira, L.R.; Starling, L.M.; Pereira, J.N.; Simões, T.A.; Gomes, J.A.C.P.; Bueno, A.H.S. Effect of Microstructure on Hydrogen Diffusion in Weld and API X52 Pipeline Steel Base Metals under Cathodic Protection. Int. J. Corros. 2017, 2017, 1–14. [Google Scholar] [CrossRef]
- Mohtadi-Bonab, M.A.; Masoumi, M. Different aspects of hydrogen diffusion behavior in pipeline steel. J. Mater. Res. Technol. 2023, 24, 4762–4783. [Google Scholar] [CrossRef]
- Parvathavarthini, N.; Saroja, S.; Dayal, R.K.; Khatak, H.S. Studies on hydrogen permeability of 2.25% Cr-1% Mo ferritic steel: Correlation with microstructure. J. Nucl. Mater. 2001, 288, 187–196. [Google Scholar] [CrossRef]
- ASTM G129–21; Practice for Slow Strain Rate Testing to Evaluate the Susceptibility of Metallic Materials to Environmentally Assisted Cracking. American Society for Testing and Materials, ASTM International: West Conshohocken, PA, USA, 2021. [CrossRef]
- Song, E.J.; Baek, S.W.; Nahm, S.H.; Baek, U.B. Notched-tensile properties under high-pressure gaseous hydrogen: Comparison of pipeline steel X70 and austenitic stainless type 304L, 316L steels. Int. J. Hydrogen Energy 2017, 42, 8075–8082. [Google Scholar] [CrossRef]
- Nguyen, T.T.; Heo, H.M.; Park, J.; Nahm, S.H.; Beak, U.B. Stress concentration affecting hydrogen-assisted crack in API X70 pipeline base and weld steel under hydrogen/natural gas mixture. Eng. Fail. Anal. 2021, 122, 105242. [Google Scholar] [CrossRef]
- Nguyen, T.T.; Tak, N.; Park, J.; Nahm, S.H.; Beak, U.B. Hydrogen embrittlement susceptibility of X70 pipeline steel weld under a low partial hydrogen environment. Int. J. Hydrogen Energy 2020, 45, 23739–23753. [Google Scholar] [CrossRef]
- ASTM E1820-20; Test Method for Measurement of Fracture Toughness. American Society for Testing and Materials: West Conshohocken, PA, USA, 2020.
- Steiner, M.; Marewski, U.; Silcher, H. DVGW Project SyWeSt H2—Investigation of Steel Materials for Gas Pipelines and Plants for Assessment of their Sustainability with Hydrogen; DeutscherVerein des Gas und Wasserfaches: Bonn, Germany, 2023. [Google Scholar]
- Marchi, C.S.; Shrestha, R.; Ronevich, J. Hydrogen compatibility of structural materials in natural gas networks. In Proceedings of the International Conference on Hydrogen Safety, Edinburgh, Scotland, 21–24 September 2021. [Google Scholar] [CrossRef]
- Briottet, L.; Batisse, R.; Dinechin, G.; Langlois, P.; Thiers, L. Recommendations on X80 steel for the design of hydrogen gas transmission pipelines. Int. J. Hydrogen Energy 2012, 37, 9423–9430. [Google Scholar] [CrossRef]
- Martin, M.; Connolly, M.; Buck, Z.; Bradley, P.; Lauria, D. Evaluating a natural gas pipeline steel for blended hydrogen service. J. Nat. Gas Sci. Eng. 2022, 101, 104529. [Google Scholar] [CrossRef]
- Keller, J.; Somerday, B.; Marchi, C.S. Annual Progress Report “Enabling Hydrogen Embrittlement Modeling of Structural Steels”. Sandia National Laboratories: Livermore, CA, USA, 2008; pp. 412–414. Available online: https://www.hydrogen.energy.gov/docs/hydrogenprogramlibraries/pdfs/progress08/iii_11_keller.pdf?sfvrsn=eac30fe9_1 (accessed on 23 August 2025).
- Briottet, L.; Moro, I.; Lemoine, P. Quantifying the hydrogen embrittlement of pipeline steels for safety considerations. Int. J. Hydrogen Energy 2012, 37, 17616–17623. [Google Scholar] [CrossRef]
- Nykyforchyn, H.; Tsyrulnyk, O.; Venhryniuk, O.; Zvirko, O. Techniques for investigation of hydrogen influence on fracture toughness and embrittlement of pipeline steels. Procedia Struct. Integr. 2024, 59, 125–130. [Google Scholar] [CrossRef]
- Nanninga, N.; Slifka, A.; Levy, Y.; White, C. A review of fatigue crack growth for pipeline steels exposed to hydrogen. J. Res. Natl. Inst. Stand. Technol. 2010, 115, 437–452. [Google Scholar] [CrossRef]
- Amaro, R.L.; White, R.M.; Looney, C.P.; Drexler, E.S.; Slifka, A.J. Development of a Model for Hydrogen-Assisted Fatigue Crack Growth of Pipeline Steel1. J. Press. Vessel. Technol. 2018, 140, 021403. [Google Scholar] [CrossRef]
- Suresh, S.; Ritchie, R.O. Mechanistic dissimilarities between environmentally-influenced fatigue-crack propagation at near-threshold and higher growth rates in lower-strength steels. Met. Sci. 1982, 16, 529–538. [Google Scholar] [CrossRef]
- Amaro, R.L.; Rustagi, N.; Drexler, E.S.; Slifka, A.J. Sensitivity Analysis of Fatigue Crack Growth Model for API Steels in Gaseous Hydrogen. J. Res. Natl. Inst. Stand. Technol. 2014, 119, 6–14. [Google Scholar] [CrossRef]
- Amaro, R.L.; Rustagi, N.; Findley, K.O.; Drexler, E.S.; Slifka, A.J. Modeling the fatigue crack growth of X100 pipeline steel in gaseous hydrogen. Int. J. Fatigue 2014, 59, 262–271. [Google Scholar] [CrossRef]
- Slifka, A.J.; Drexler, E.S.; Nanninga, N.E.; Levy, Y.S.; McColskey, J.D.; Amaro, R.L.; Stevenson, A.E. Fatigue crack growth of two pipeline steels in a pressurized hydrogen environment. Corros. Sci. 2014, 78, 313–321. [Google Scholar] [CrossRef]
- Slifka, A.J.; Drexler, E.S.; Amaro, R.L.; Hayden, L.E.; Stalheim, D.G.; Lauria, D.S.; Hrabe, N.W. Fatigue Measurement of Pipeline Steels for the Application of Transporting Gaseous Hydrogen. J. Press. Vessel. Technol. 2018, 140, 011407. [Google Scholar] [CrossRef]
- Marchi, C.S.; Somerday, B.P.; Nibur, K.A.; Stalheim, D.G.; Boggess, T.; Jansto, S. Fracture and Fatigue of Commercial Grade API Pipeline Steels in Gaseous Hydrogen. In Proceedings of the ASME 2010 Pressure Vessels and Piping Conference: Volume 6, Parts A and B, ASMEDC, Bellevue, WA, USA, 18–22 July 2010; pp. 939–948. [Google Scholar] [CrossRef]
- Xu, K. Hydrogen embrittlement of carbon steels and their welds. In Gaseous Hydrogen Embrittlement of Materials in Energy Technologies; Elsevier: Amsterdam, The Netherlands, 2012; pp. 526–561. [Google Scholar] [CrossRef]
- Chen, Y.; Wang, Y.Y. Performance Evaluation of High-Strength Steel Pipelines for High-Pressure Gaseous Hydrogen Transport; United States. Office of Pipeline Safety: Washington, DC, USA, 2013. [Google Scholar]
- Nibur, K.A.; Somerday, B.P. Fracture and fatigue test methods in hydrogen gas. In Gaseous Hydrogen Embrittlement of Materials in Energy Technologies; Elsevier: Amsterdam, The Netherlands, 2012; pp. 195–236. [Google Scholar] [CrossRef]
- Walter, R.J.; Chandler, W.T. Crack Growth in Asme SA-105S Grade II Steel in Hydrogen at Ambient Temperature. Rockwell International Corp.: Cenoga Park, CA, USA, 1975. Available online: https://ntrs.nasa.gov/api/citations/19750011340/downloads/19750011340.pdf (accessed on 24 August 2025).
- Dadfarnia, M.; Sofronis, P.; Brouwer, J.; Sosa, S. Assessment of resistance to fatigue crack growth of natural gas line pipe steels carrying gas mixed with hydrogen. Int. J. Hydrogen Energy 2019, 44, 10808–10822. [Google Scholar] [CrossRef]
- Marchi, C.S.; Ronevich, J.; Bortot, P.; Wada, Y.; Felbaum, J.; Rana, M. Technical Basis for Master Curve for Fatigue Crack Growth of Ferritic Steels in High-Pressure Gaseous Hydrogen in ASME Section VIII-3 Code. In Volume 1: Codes and Standards, Proceedings of the ASME 2019 Pressure Vessels & Piping Conference, San Antonio, TX, USA, 14–19 July 2019; American Society of Mechanical Engineers: New York, NY, USA, 2019. [Google Scholar] [CrossRef]





















| Material | Testing da/dN & KIC | H2 Test Pressure [MPa] | R-Value | 
|---|---|---|---|
| L290 NE | BM, SAWL | 10 | 0.5 | 
| Grade A | BM, SAWL | ||
| St35 | BM | ||
| 15 k (St35) | BM, SAWL, GW | ||
| X42 | BM, ERW, GW, HAZ | ||
| RR St 43.7 | BM | ||
| P355 NH | BM | ||
| L360 NE | BM | ||
| StE 360.7 | SAWL, BM | ||
| L360 NB | SAWL, BM | ||
| 14 HGS | BM, LW, GW | ||
| TStE 355 N | BM | ||
| WSTE 420 | BM | ||
| St53.7 | GW, BM | ||
| X56.7 | BM, SAWL, GW | ||
| St60.7 | BM, GW | ||
| P460 NH | SAWL, BM | ||
| X70 | BM, SAWH, HAZ | ||
| X70 | BM, GW, HAZ | ||
| L485 | BM, SAWH, HAZ | ||
| GRS550/X80 | BM, SAWL | ||
| L485 (HV high/low) | BM, GW, HAZ | ||
| L415 (curve) | BM, SAWL | ||
| P355 NL1 (Valve) | BM | ||
| GJS 400 (Valve) | BM | ||
| C223 (Valve) | BM | ||
| GS C25 N (Valve) | BM | ||
| P460 QL1 (Valve) | BM | ||
| St35 | BM | 0/0.02/0.1/0.2/0.5/1/2/10 | |
| L485 | BM | ||
| L360 NB | BM, WM | 1/10 | |
| StE 320.7 | BM, GW | ||
| StE 480.7 TM | BM, SAWL, GW | ||
| L485 | BM | 10 | 0.1/0.5/0.7 | 
| L360 | BM | 
| Material Constant | Values | |
|---|---|---|
| SI | U.S. Measurement Units | |
| a1 | 4.0812 × 10−9 | 2.1746 × 10−10 | 
| b1 | 3.2106 | 3.2106 | 
| a2 | 4.0862 × 10−11 | 2.9627 × 10−12 | 
| b2 | 6.4822 | 6.4822 | 
| a3 | 4.8810 × 10−8 | 2.7018 × 10−9 | 
| b3 | 3.6147 | 3.6147 | 
| Disclaimer/Publisher’s Note: The statements, opinions and data contained in all publications are solely those of the individual author(s) and contributor(s) and not of MDPI and/or the editor(s). MDPI and/or the editor(s) disclaim responsibility for any injury to people or property resulting from any ideas, methods, instructions or products referred to in the content. | 
© 2025 by the authors. Licensee MDPI, Basel, Switzerland. This article is an open access article distributed under the terms and conditions of the Creative Commons Attribution (CC BY) license (https://creativecommons.org/licenses/by/4.0/).
Share and Cite
Paterlini, L.; Re, G.; Curia, A.; Ormellese, M.; Bolzoni, F. Mechanical Testing Methods for Assessing Hydrogen Embrittlement in Pipeline Steels: A Review. Metals 2025, 15, 1123. https://doi.org/10.3390/met15101123
Paterlini L, Re G, Curia A, Ormellese M, Bolzoni F. Mechanical Testing Methods for Assessing Hydrogen Embrittlement in Pipeline Steels: A Review. Metals. 2025; 15(10):1123. https://doi.org/10.3390/met15101123
Chicago/Turabian StylePaterlini, Luca, Giorgio Re, Arianna Curia, Marco Ormellese, and Fabio Bolzoni. 2025. "Mechanical Testing Methods for Assessing Hydrogen Embrittlement in Pipeline Steels: A Review" Metals 15, no. 10: 1123. https://doi.org/10.3390/met15101123
APA StylePaterlini, L., Re, G., Curia, A., Ormellese, M., & Bolzoni, F. (2025). Mechanical Testing Methods for Assessing Hydrogen Embrittlement in Pipeline Steels: A Review. Metals, 15(10), 1123. https://doi.org/10.3390/met15101123
 
        


 
       