Next Article in Journal
The Role of La–Ti–Al–O Complex Inclusions in Microstructure Refinement and Toughness Enhancement of the Coarse-Grained Heat-Affected Zone in High-Heat-Input Welding
Previous Article in Journal
Predictive Modeling of Shear Strength for Lotus-Type Porous Copper Bonded to Alumina
 
 
Font Type:
Arial Georgia Verdana
Font Size:
Aa Aa Aa
Line Spacing:
Column Width:
Background:
Article

Study on the Strength Characteristics of Ion-Adsorbed Rare Earth Ore Under Chemical Leaching and the Duncan–Chang Model Parameters

by
Zhongqun Guo
1,2,*,
Xiaoming Lin
1,
Haoxuan Wang
1,
Qiqi Liu
1 and
Jianqi Wu
1
1
School of Civil Engineering and Surveying & Mapping Engineering, Jiangxi University of Science and Technology, Ganzhou 341000, China
2
Key Laboratory of Ionic Rare Earth Resources and Environment, Ministry of Natural Resources, Ganzhou 341000, China
*
Author to whom correspondence should be addressed.
Metals 2025, 15(10), 1104; https://doi.org/10.3390/met15101104
Submission received: 1 September 2025 / Revised: 28 September 2025 / Accepted: 2 October 2025 / Published: 3 October 2025
(This article belongs to the Special Issue Metal Leaching and Recovery)

Abstract

Ionic rare earths are extracted from primary sources by the in situ chemical leaching method, where the type and concentration of leaching agents significantly affect the mechanical properties and microstructure of the ore body. In this study, MgSO4 and Al2(SO4)3 solutions of varying concentrations were used as leaching agents to investigate the evolution of shear strength, the characteristics of Duncan–Chang hyperbolic model parameters, and the changes in microstructural pore characteristics of rare earth samples under different leaching conditions. The results show that the stress–strain curves of all samples consistently exhibit strain-hardening behavior under all leaching conditions, and shear strength is jointly influenced by confining pressure and the chemical interaction between the leaching solution and the soil. The samples leached with MgSO4 exhibited higher shear strength than those treated with water. The samples leached with 3% and 6% Al2(SO4)3 showed increased strength, while 9% Al2(SO4)3 caused a slight decrease. With increasing leaching agent concentration, the cohesion of the samples significantly declined, whereas the internal friction angle remained relatively stable. The Duncan–Chang model accurately described the nonlinear deformation behavior of the rare earth samples, with the model parameter b markedly decreasing as confining pressure increased, indicating that confining stress plays a dominant role in governing the nonlinear response. Under the coupled effects of chemical leaching and mechanical stress, the number and size distribution of pores of the rare earth samples underwent a complex multiscale co-evolution. These results provide theoretical support for the green, efficient, and safe exploitation of ionic rare earth ores.

1. Introduction

Due to their unique physical and chemical properties, rare earth elements are known as “industrial gold” and possess significant strategic value in fields such as new materials, electronic, and the defense technologies [1,2]. China has abundant reserves of rare earth resources and is one of the world’s major producers [3]. Among them, ionic rare earth ores are rich in medium and heavy rare earth elements and are mainly distributed in seven southern provinces of China [4,5]. The mining process of ionic rare earth ores has experienced three generations of technological advancements: pond leaching, heap leaching, and in situ leaching, with the in situ leaching method currently the predominant method [6,7]. This method involves injecting a leaching solution into the ore body to initiate ion exchange reactions within the ore body, allowing for direct extraction of rare earth elements [8]. However, under long-term leaching, the ore body is subjected to multiple coupled effects, including high saturation, elevated ion concentrations, and continuous chemical reactions, which progressively weaken its structural integrity and reduce mechanical strength, thereby increasing the risk of slope instability and landslides in mining areas [9,10]. In addition, ion exchange reactions alter the surface charge distribution of particles and the pore structure within the ore body, exerting a significant influence on the redistribution of effective stress and the evolution of strength [11]. Therefore, a systematic study of the strength characteristics, constitutive model, and microstructural mechanisms of ionic rare earth ores under different leaching conditions is of great theoretical significance and engineering value for safe and sustainable mining practices.
In recent years, numerous researchers have conducted extensive studies on the mechanical properties of rare earth ores. Yin et al. [12] elucidated the mechanisms by which void ratio affects cohesion and internal friction angle using direct shear tests. Luo et al. [13] demonstrated that (NH4)2SO4 leaching altered the particle size distribution and strength of ionic rare earth ores, reducing cohesion by approximately 50% but increasing the internal friction angle by 15%. Li et al. [14] performed strength and permeability tests on remolded rare earth samples, showing that cohesion decreased as permeability increased following (NH4)2SO4 leaching. Chen et al. [15] employed a simulated leaching device to prepare rare earth samples with varying leaching durations and then conducted direct shear tests to evaluate the effects of leaching agents on shear strength and the role of leaching time in modifying cohesion and internal friction angle. Rao et al. [16] combined column leaching with direct shear tests to establish a correlation between particle gradation and shear strength, concluding that particle breakage and a higher proportion of fine particles were responsible for the marked decline in shear strength.
In terms of constitutive models, the Duncan–Chang hyperbolic model is widely employed to characterize the stress–strain relationship of geomaterials owing to its concise parameters, well-defined physical significance, and broad applicability [17]. Zhao et al. [18] conducted triaxial compression tests to investigate the stress–strain behavior of fiber-reinforced soils and demonstrated that the Duncan–Chang model effectively captures their stress–strain characteristics. They further proposed methods for calculating the initial tangent modulus and the ultimate deviator stress parameter. Zhou et al. [19] established the stress–strain constitutive model of rare earth samples through triaxial tests and, combined with nuclear magnetic resonance (NMR) technology, analyzed the evolution of pore structures in the ore body, revealing the weakening effect of internal particle migration on ore strength.
In terms of microstructure, Wu et al. [20] employed NMR to investigate the internal structure and interparticle flow velocity distribution in porous media, experimental results acquired velocity field images at three flow rates, and pore parameters were quantified via image processing techniques. Yin et al. [21] used computed tomography (CT) nondestructive detection and image analysis software to study the microscopic characteristics and evolution of pore structures before and after rare earth ore leaching, and obtained the changes in porosity at different segments of the vertical section. Luo et al. [22] used CT three-dimensional imaging technology to reveal the differences in pore connectivity and permeability across different weathered layers and pointed out that pore throat blockage caused by clay colloid migration is the main mechanism for the reduction in permeability.
To address the ammonia-nitrogen pollution in traditional leaching processes, many researchers have recently proposed greener and more efficient leaching technologies. Huang et al. [23] proposed replacing (NH4)2SO4 with MgSO4 to reduce environmental pollution. Li et al. [24] pioneered the use of Al2(SO4)3 as a leaching agent and demonstrating that it could not only enhance the leaching efficiency of ionic rare earths but also mitigate tailings landslide risks and hazardous emissions. Although the above studies have provided technical support for the development of green leaching technologies, current research on the effects of leaching agents such as MgSO4 and Al2(SO4)3 at different concentrations on ore strength characteristics, constitutive model features, and microstructural changes remains incomplete and needs further investigation. Under ion exchange reactions, active cations such as Mg2+ and Al3+ can displace rare earth ions adsorbed on the surface of clay minerals into the solution. The simplified reaction can be expressed as follows:
2[Al2Si2O5(OH)4]m·nRe3+(s) + 3n·Mg2+(aq) ⇌ [Al2Si2O5(OH)4]2m·3nMg2+(s) + 2nRe3+(aq)
[Al2Si2O5(OH)4]m·nRe3+(s) + nAl3+ (aq)⇌ [Al2Si2O5(OH)4]m·nAl3+(s) + nRe3+(aq)
In this study, ionic rare earth ores from southern China were selected as the research object. MgSO4 and Al2(SO4)3 were used as leaching agents, and solutions of different concentrations were designed. Consolidated drained triaxial shear tests were conducted to systematically analyze the evolution of shear strength and the variation in Duncan–Chang model parameters of remolded samples under different leaching conditions. At the same time, based on scanning electron microscopy (SEM) image analysis, the evolution characteristics of pore structure under different types and concentrations of leaching agents were investigated. To promote green, efficient, and safe in situ leaching of ionic rare earth ores, it is of significant engineering importance to reveal the deterioration mechanism of ore body strength and the evolution of its microstructure under chemical leaching conditions. This study comprehensively analyzes the coupled effects of pressure, chemical reactions, and structural changes on the mechanical behavior of rare earth ores, theoretically uncovering the weakening mechanisms induced by ionic solutions. The findings can provide theoretical guidance and parameter support for optimizing leaching agent selection, injection pressure control, and injection–production strategies in practical field operations, thereby offering high practical value for engineering applications.

2. Experimental Materials and Design

2.1. Ore Sample Analysis

The ore samples were collected from a rare earth mining area in Longyan City, Fujian Province. The original samples were sealed and preserved, and basic physical properties and chemical composition tests were conducted. The results are shown in Table 1. The natural water content of the samples is approximately 17.9%, the density is 1.78 g/cm3, and the plasticity index is 12.6. According to the engineering classification method specified in the Standard for Soil Test Methods of China (GB/T 50123-2019) [25], the samples are classified as low-plasticity silty clay. The results of X-ray fluorescence (XRF) (Axios max, PANalytical, Netherlands) analysis show that the main components of the ore are O, Si, and Al, with mass fractions of 41.899%, 30.964%, and 16.610%, respectively. The total content of rare earth elements (RE) is 0.108%.
The particle size distribution was determined using a combination of sieve analysis and laser particle size analysis (Bettersize Instruments Ltd., Dandong, China), with the results shown in Figure 1. The limiting particle size d60 is 0.345, the effective particle size d10 is 0.013, and the continuous particle size d30 is 0.083. The uniformity coefficient of the sample is Cu = d60/d10 = 26.54 (>5), and the curvature coefficient is Cc = d302 / (d10 × d60) = 1.53 (>1). Therefore, it can be concluded that the particle size distribution of the ore sample is relatively uniform, and the grading is good.

2.2. Sample Preparation

The sample preparation process followed the Standard for Soil Test Methods of China (GB/T 50123-2019) [25] and adopted the Proctor compaction method to prepare the remolded soil specimens. According to the particle size distribution and moisture content of the undisturbed soil, remolded soil was designed. First, the air-dried and sieved soil samples were uniformly mixed with deionized water so that the water content of the specimens was controlled at about 17.9%, and then sealed and left standing for 24 h. Subsequently, 350 g of the mixed wet soil was weighed and placed into a metal specimen cylinder with dimensions of Φ50 mm × 100 mm in five layers, compacted layer by layer. After each layer was compacted, the surface was scarified to enhance the bonding between the upper and lower soil layers and to prevent stratification of the specimen. After compaction, filter paper and porous stones were placed at the upper and lower ends of the specimen to limit volumetric deformation during the saturation process.

2.3. Simulated Leaching

To simulate the action of chemical leaching agents on the ore body during in situ leaching, a self-designed laboratory leaching device was used to pretreat the remolded specimens. The device consisted of a solution reservoir, a peristaltic pump, a specimen support platform, and a collection unit. The peristaltic pump steadily controlled the flow, delivering the solution continuously at a constant rate of about 1.5 mL/min onto the porous stone surface at the top of the specimen. The porous stone served as a distributor, allowing the solution to infiltrate uniformly into the specimen below and avoiding local scouring and uneven seepage. The solution used was pre-prepared MgSO4 or Al2(SO4)3, with concentrations of 3%, 6%, and 9%, and the treatment lasted for 48 h to simulate the seepage–reaction coupling process of in situ leaching. Following the leaching process, the specimens were saturated in a vacuum saturation apparatus under a vacuum pressure of −0.1 MPa for 48 h, ensuring that the subsequent consolidated drained triaxial shear tests accurately reflected the mechanical behavior post-chemical leaching. The entire process was conducted at room temperature.

2.4. Consolidated Drained Triaxial Test Method and Equipment

In this study, consolidated drained shear tests (CD tests) were carried out. After the specimen was mounted, backpressure saturation was applied, with the confining pressure maintained 20 kPa higher than the backpressure throughout the process to prevent specimen deformation. According to the Mohr–Coulomb strength theory, axial pressure was applied at a constant shear strain rate of 0.01 mm/min under different confining pressures (50 kPa, 100 kPa, and 150 kPa), and the test was terminated when the axial strain reached 15%, thereby obtaining the strength parameters of the specimens. The tests were conducted using a GDS stress-path triaxial apparatus(P.A.T. Testing Instruments (China) Ltd., Guangzhou, China). The test instrument and main testing procedures are shown in Figure 2.

2.5. SEM Analyses and Image Analysis Principles

The micro-pore structure characteristics of the specimens were analyzed using an MLA650F field-emission scanning electron microscope (FEI, Hillsboro, OR, USA). Conventional SEM sample preparation and imaging procedures were performed, including fixing the dried samples on copper stubs, sputter-coating with gold to enhance conductivity, and imaging under vacuum conditions. For each experimental condition, three SEM images were obtained, and quantitative analysis was carried out at a magnification of 8000×. The average value of the results from the three images under the same condition was then calculated to improve the representativeness and reliability of the data.
The original SEM images were grayscale images and were processed using the Pore and Crack Analysis System (PCAS) software (version 2.3). PCAS is a professional commercial software widely applied in geotechnical engineering and materials science, integrating multiple image-processing algorithms such as binarization, boundary detection, and fractal analysis. In this study, the image threshold was determined using a segmentation method equivalent to Otsu’s method to ensure clear separation and identification of particles and pores, as shown in Figure 3. After binarization, the black areas represent mineral particles, while the white areas represent pores [26,27].
All SEM images were acquired at the same magnification (8000×) and with a uniform image size of 1536 × 1103 pixels. According to the scale bar of the SEM images, the actual dimensions correspond to 51.2 µm × 36.8 µm, with an image resolution of 30 pixels/µm. After regional binarization, the pores were classified based on the pixel scale. The classification criteria adopted the commonly used micrometer-scale method in geotechnical engineering and soil science, as summarized in Table 2 [28].

3. Analysis of Shear Strength of Samples Under Different Leaching Conditions

3.1. Stress–Strain Curves of the Samples

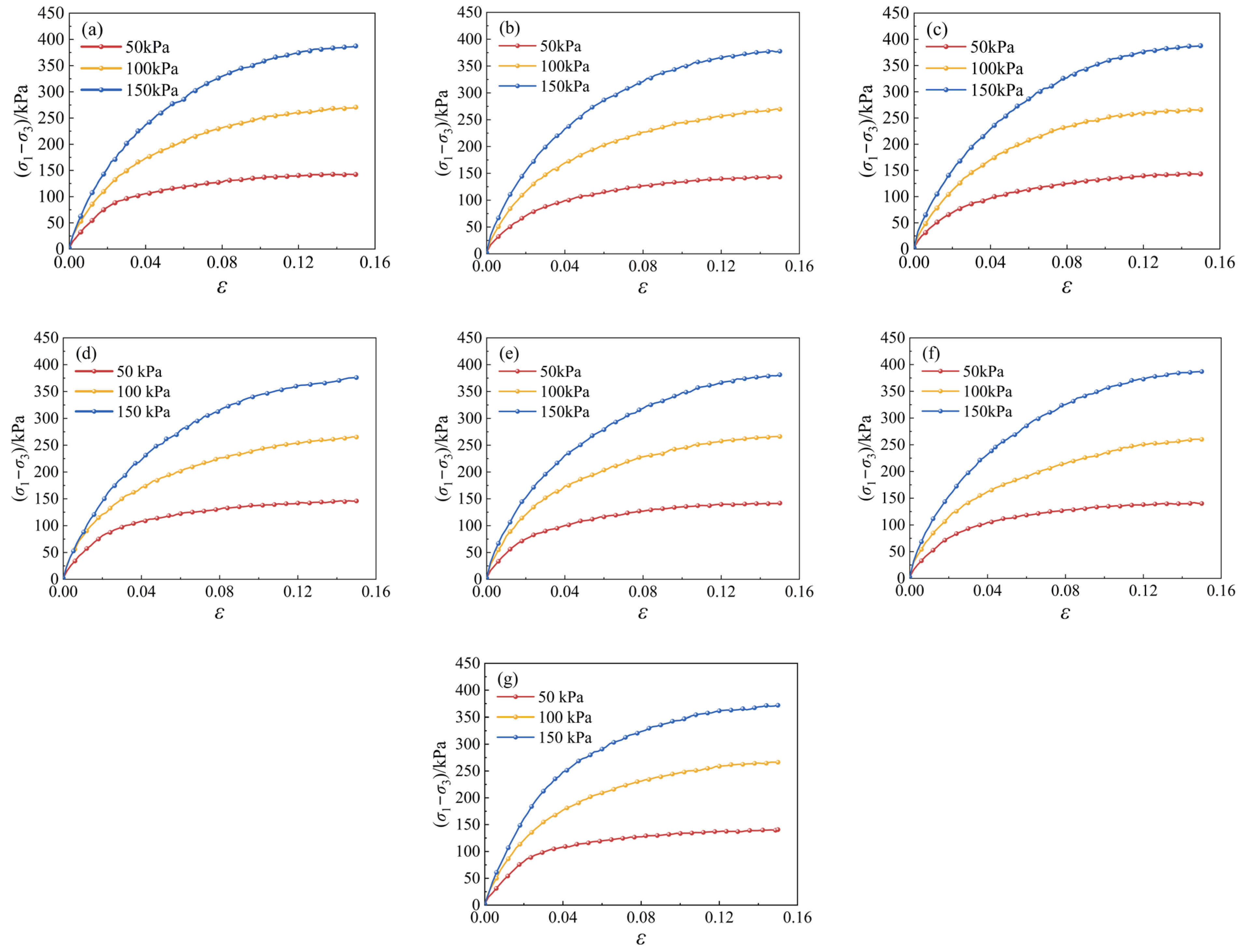
During the tests, the deviatoric stress (σ1σ3) and axial strain (ε) were measured using a pressure transducer and displacement sensors, with data recorded and processed in real time by a computer. The relationships between deviatoric stress (σ1σ3) and axial strain (ε) under different types and concentrations of leaching agents are shown in Figure 4.
Overall, the stress–strain curves under all conditions exhibited the typical strain-hardening behavior of cohesive soils, characterized by a nonlinear increase with strain. With increasing confining pressure, the deviatoric stress rose significantly, and the stress–strain response became steeper, indicating that confining pressure plays a dominant role in controlling soil strength and deformation. The tests were terminated when the axial strain reached approximately 15%; at this point, the specimens still maintained a strain-hardening trend without any obvious strain-softening. Mechanistically, increasing confining pressure restricted the expansion of pores and the development of cracks, leading to tighter interparticle contacts and enhanced load-bearing capacity of the cemented structure, thereby improving the overall shear strength.
In addition, Figure 4 show that the overall curve shapes were highly similar, all following a monotonic hardening pattern. This similarity arises because all specimens were remolded cohesive soils with consistent initial structural characteristics. The leaching process mainly altered strength parameters such as cohesion through ion exchange and changes in the pore fluid chemistry, but it did not trigger new deformation mechanisms (e.g., strain softening or pronounced dilatancy). As a result, the overall variations in the stress–strain curves were relatively limited, with similar macroscopic forms. The differences caused by different chemical environments were instead concentrated in quantitative parameters such as peak deviatoric stress, cohesion, and internal friction angle.

3.2. Variation in Shear Strength Under Different Types of Leaching Agents

For the strain-hardening type stress–strain curves, since the tests were terminated at an axial strain of 15% before the peak strength was reached, the deviatoric stress corresponding to this strain was taken as a conservative lower bound of the shear strength, which was then used for relative comparative analysis under different conditions. The shear strength results of specimens subjected to deionized water, 3% MgSO4, and 3% Al2(SO4)3 leaching conditions are presented in Figure 5. It can be seen that under all leaching agent conditions, the shear strength of the samples increases significantly with increasing confining pressure, exhibiting a clear stress dependency.
Compared with the deionized water condition, the shear strength of samples leached with MgSO4 and Al2(SO4)3 was improved. Specifically, under MgSO4 leaching, the average shear strength increased by 2.33% across all confining pressures, while under Al2(SO4)3 leaching, it increased by 1.48% on average. Compared to deionized water leaching, MgSO4 demonstrated a better enhancement effect on shear strength than Al2(SO4)3. Notably, under a confining pressure of 150 kPa, the shear strength increased by 4.17% under MgSO4 leaching, whereas the increase was only 1.1% under Al2(SO4)3 leaching.

3.3. Variation in Shear Strength Under Different Concentrations of Leaching Agents

To investigate the effect of leaching agent concentration on the shear strength of the specimens, consolidated drained shear tests were conducted under a confining pressure of 50 kPa with MgSO4 and Al2(SO4)3 solutions at concentrations of 3%, 6%, and 9%. The shear strength results are shown in Figure 6. The results indicate that both ion species and concentration exert significant influences on the strength behavior of the rare earth samples. In the MgSO4 system, the shear strength of the specimens increased with concentration initially and then tended to stabilize. Compared with the deionized water condition, the shear strength increased by 1.21% and 1.92% under 3% and 6% MgSO4 leaching, respectively, and stabilized at 143.5 kPa at 9%. This suggests that Mg2+ ions formed stable ionic bridges and localized cementation on particle surfaces, thereby maintaining structural stability at medium to high concentrations.
In contrast, under Al2(SO4)3 leaching conditions, the shear strength exhibited an initial increase followed by a decline. At 3% concentration, the shear strength reached 146.1 kPa, representing a 3.76% increase compared with deionized water. However, as the concentration further increased, the shear strength gradually declined to 140.1 kPa, which was slightly lower than that of deionized water. This reduction may be attributed to the enhanced acidity caused by hydrolysis of Al3+ at high concentrations, which damages the cementation structure of the soil matrix, weakens interparticle bonding, increases porosity, and disrupts pore structure, ultimately leading to reduced overall strength.
Overall, MgSO4 demonstrates a positive effect on shear strength at medium-to-high concentrations, whereas Al2(SO4)3 enhances strength only at low concentrations but causes strength deterioration at higher concentrations due to acid-induced structural damage and pore degradation. These results reveal the coupled mechanisms of ion exchange, cementation enhancement, and acid-induced weakening under different leaching systems.

3.4. Variation in Shear Strength Parameters Under Different Leaching Conditions

The internal friction angle and cohesion are the primary indicators for analyzing the shear strength of soils. According to the Mohr–Coulomb strength theory, the deviator stress corresponding to 15% axial strain was conservatively adopted as the lower bound for constructing Mohr’s stress circles under different conditions, thereby deriving the shear strength parameters cohesion (c) and internal friction angle (φ). Their variations are shown in Figure 7.
The results indicate that with increasing leaching agent concentration, the cohesion of the specimens exhibited a pronounced overall decline, with the reduction caused by Al2(SO4)3 being substantially greater than that of MgSO4. At concentrations of 6% and 9% Al2(SO4)3, the cohesion decreased by approximately 33.2% and 55.1%, respectively, demonstrating the stronger destructive effect of high-concentration Al3+ on the cementation of soil structure. In contrast, the internal friction angle slightly increased with rising leaching agent concentration under all conditions. The internal friction angle was (32.5 ± 0.2)° under the deionized water condition, while values of (33.7 ± 0.1)° and (33.5 ± 0.2)° were obtained under 9% MgSO4 and 9% Al2(SO4)3 conditions, respectively, reflecting only minor overall variations. This suggests that the type and concentration of leaching agents have limited influence on the internal friction angle. Although leaching may induce particle displacement and rearrangement, leading to slight fluctuations in internal friction angle, its overall correlation with leaching agent type and concentration is not significant.

4. Analysis of Duncan–Chang Hyperbolic Model Parameters Under Different Leaching Conditions

4.1. Duncan–Chang Hyperbolic Model

The Duncan–Chang hyperbolic model is used to describe the nonlinear stress–strain behavior of soils and is applicable for predicting the compressive and shear response of soil under various loading conditions. The model fits the stress–strain relationship in the form of a hyperbola, with parameters derived from triaxial test data, allowing the analysis of soil behavior under different stress conditions. The mathematical expression of the Duncan–Chang hyperbolic model is as follows [29]:
σ 1 σ 3 = ε 1 a + b ε 1
In the equation, σ1 is the major principal stress, σ3 is the minor principal stress, ε1 is the axial strain in the direction of the major principal stress, and a and b are model parameters.
Equation (1) can be transformed into the linear form y = bx + a, where a represents the intercept and b is the slope, yielding:
ε 1 σ 1 σ 3 = b ε 1 + a
Since 2 = 3 = 0, the tangent modulus is given by:
E t = d σ 1 σ 3 d ε 1 = a b ε 1 + a 2
At the beginning of the test, when ε1 = 0, Et = Ei; thus:
E i = 1 a
The parameter a represents the reciprocal of the initial tangent modulus Ei obtained from direct shear tests. In Equation (1), when ε1→∞, then:
b = 1 σ 1 σ 3 u l t
The parameter b is the reciprocal of the ultimate deviatoric stress corresponding to the asymptote of the hyperbolic curve, reflecting the strength characteristics associated with nonlinear stress–strain behavior of soils. The b value is closely related to soil compressibility, shear strength, and stress–strain responses [30]. A smaller b value indicates higher ultimate strength and more stable deformation, suggesting weaker nonlinearity, whereas a larger b value implies earlier stress saturation and more pronounced nonlinear deformation behavior. As a key parameter in soil constitutive models, analyzing its variations under different leaching and stress conditions helps provide a theoretical foundation for modeling ion-adsorption rare earth ores.

4.2. Analysis of Hyperbolic Model Parameters Under MgSO4 Leaching Conditions

The Duncan–Chang hyperbolic model parameters were analyzed based on the triaxial test data under different concentrations of MgSO4, as shown in Figure 8. The correlation coefficients R2 for model fitting of each sample are summarized in Table 3. All samples showed R2 values greater than 0.994, indicating that the stress–strain relationships under MgSO4 leaching at various confining pressures were highly consistent with the hyperbolic model.
Under the influence of MgSO4, the b values decreased with increasing confining pressure, indicating that the nonlinear compressibility of the soil weakened gradually as confining pressure increased, and the shear path tended to become more linear. This confirms that confining pressure plays a dominant role in controlling the nonlinear constitutive response. At the 9% concentration level, the stress–strain curve showed a slightly flatter trend, reflected in a slight decrease in the b value. This suggests that high concentrations of MgSO4 may enhance the strength potential of the sample while reducing its deformation modulus, which is consistent with the earlier observation of a slight increase in shear strength.

4.3. Analysis of Hyperbolic Model Parameters Under Al2(SO4)3 Leaching Conditions

The Duncan–Chang hyperbolic model parameters were analyzed based on the triaxial test data under different concentrations of Al2(SO4)3, as shown in Figure 9. The correlation coefficients R2 for model fitting of each sample are summarized in Table 4. All samples exhibited R2 values exceeding 0.996, indicating that the model also shows excellent applicability under Al2(SO4)3 leaching conditions.
At the same concentration, the b values consistently decreased with increasing confining pressure, showing a trend similar to that observed under MgSO4 conditions. This further confirms that confining pressure plays a dominant role in controlling the nonlinear constitutive response. Under constant confining pressure, the hyperbolic parameter b was relatively insensitive to changes in Al2(SO4)3 concentration, except under 150 kPa, where b showed a slight decrease with increasing concentration.
At low to medium confining pressures, the chemical action of Al3+ did not significantly affect the peak strength of the soil. However, under high confining pressure, 9% Al2(SO4)3 may have induced structural compaction or cementation breakdown in the soil, slightly increasing its ultimate strength.

5. Evolution of Microscopic Pore Structure

5.1. Variation in Pore Quantity

The number of pores in the samples exhibited a clear nonlinear response under different types and concentrations of leaching agents and confining pressure conditions, as shown in Figure 10.
In the MgSO4 leaching system, under confining pressures of 50 kPa and 100 kPa, the number of pores decreased continuously with increasing MgSO4 concentration, indicating that high concentrations of MgSO4 have a significant pore-inhibiting effect under low to medium confining pressures. However, under a confining pressure of 150 kPa, the pore quantity first decreased and then increased with increasing concentration, suggesting that high-concentration MgSO4 may promote pore generation under high confining pressure.
In the Al2(SO4)3 leaching system, under a confining pressure of 100 kPa, the number of pores increased consistently with increasing concentration, suggesting that Al2(SO4)3 promotes pore structure development at medium confining pressures. In contrast, under 150 kPa, the number of pores generally decreased with increasing concentration, indicating that high concentrations of Al2(SO4)3 exhibit a certain inhibitory effect on pore formation under high confining pressure.
Both leaching systems demonstrate that the type and concentration of the leaching agent, as well as confining pressure, exert a complex influence on pore quantity. This reflects the fact that the evolution of microscopic pore structure is jointly governed by chemical environment and stress conditions.

5.2. Characteristics of Pore Size Distribution

According to the pore size classification criteria, the pore size distribution of the samples under different leaching conditions is shown in Figure 11. In the MgSO4 leaching system, under confining pressures of 50 kPa and 100 kPa, the proportion of large and extra-large pores gradually increased with increasing leaching agent concentration, while the proportion of fine pores significantly decreased, indicating an overall coarsening of the pore structure. However, under a confining pressure of 150 kPa, the proportion of extra-large pores decreased with increasing concentration, with pores mainly concentrated in the medium and large pore size ranges. This suggests that under high confining pressure, the pore expansion effect induced by the leaching agent is inhibited, leading to a concentration of pores in the medium size range.
In the Al2(SO4)3 leaching system, under confining pressures of 50 kPa and 100 kPa, the proportion of fine pores increased overall with increasing concentration. This is speculated to be related to the formation of colloidal substances during Al3+ hydrolysis, where localized flocculation or cementation effects may promote the dispersion of fine particles and the retention of fine pores. Conversely, under a confining pressure of 150 kPa, the proportion of fine pores significantly decreased with increasing concentration, dropping to approximately 65% at 9% concentration. This indicates that the combined effect of high confining pressure and high concentration results in densification and coarsening of the pore structure.
The variation in pore size distribution is jointly controlled by the type and concentration of the leaching agent and the confining pressure, exhibiting significant system-specific differences.

5.3. Fractal Dimension Analysis of Pore Scale

To quantitatively characterize the complexity of pore structures under different leaching conditions, the pore-scale fractal dimension (Dp) was calculated based on fractal theory using the box-counting method. After binarization of the original SEM images, the pore skeleton was extracted, and the fractal dimension was obtained from the logarithmic relationship between pore number and pore radius [31], as expressed in Equation (6). In this study, fractal fitting was performed within the pore radius range of 4–256 μm, which covers the micropore to macropore intervals listed in Table 2. The fitting results showed that all regression coefficients (R2) were greater than 0.95, indicating high reliability of the fractal characterization. In addition, threshold sensitivity analysis demonstrated that variations in fractal dimension caused by different reasonable threshold settings were all less than 2%, confirming the stability and robustness of the results. A larger fractal dimension indicates a more complex and heterogeneous pore structure.
Dp = lim ln N ( r ) ln r
where: r is the pore radius, and N(r) is the number of pores with sizes smaller than radius r.
The Dp values of samples under different leaching conditions are shown in Figure 12. Under MgSO4 leaching, the Dp values were all lower than those under pure water leaching, and the Dp exhibited a decreasing trend with increasing concentration, indicating a more uniform pore distribution. In contrast, the Dp changes under Al2(SO4)3 leaching were more complex: at confining pressures of 50 kPa and 100 kPa, the Dp increased with increasing concentration, indicating a more discrete and uneven pore distribution, whereas at 150 kPa confining pressure, the Dp decreased with increasing concentration, indicating a reduction in complexity.
These trends are consistent with the changes in the proportion of fine pores shown in Figure 11, suggesting that the uniformity of the pore scale is primarily controlled by the proportion of fine pores. The higher the proportion of fine pores, the greater the Dp, and the more complex and uneven the pore structure distribution.

6. Conclusions

(1)
Results from the consolidated drained triaxial shear tests demonstrate that under various leaching conditions, the stress–strain curves of the samples exhibit typical strain-hardening behavior. The shear strength increases significantly with rising confining pressure. After leaching, the shear strength of the samples follows the order: MgSO4 > Al2(SO4)3 > pure water.
(2)
As the concentration of the leaching agent increases, the shear strength of samples under MgSO4 conditions continuously improves. Under Al2(SO4)3 conditions, the shear strength shows significant enhancement at 3% and 6% concentrations compared to deionized water but slightly decreases at 9%. For both MgSO4 and Al2(SO4)3 systems, cohesion decreases significantly with increasing concentration, with a more pronounced reduction observed under Al2(SO4)3. In contrast, the internal friction angle remains relatively stable, indicating that leaching agent type and concentration have limited impact on this parameter.
(3)
The Duncan–Chang hyperbolic model effectively captures the nonlinear stress–strain responses of the samples under different leaching conditions, with correlation coefficients (R2) exceeding 0.99, indicating high model reliability. The model parameter b decreases markedly with increasing confining pressure, suggesting that confining pressure plays a dominant role in governing nonlinear deformation behavior, while the effect of ion concentration on b is comparatively minor.
(4)
Under the combined influence of chemical leaching and mechanical stress, pore quantity and pore size distribution exhibit complex multiscale co-evolution. In MgSO4 conditions, pore development is suppressed at low to medium confining pressures but promoted at high pressures, resulting in overall pore coarsening and a more uniform distribution. In Al2(SO4)3 conditions, pore formation is enhanced at medium confining pressures but inhibited under low and high pressures. At high concentrations of Al2(SO4)3 coupled with high confining pressure, the proportion of fine pores decreases notably with increasing concentration, leading to a more homogeneous pore structure.
(5)
This study investigated the mechanical response and microstructural evolution of ionic rare earth ores under different leaching conditions using samples from a typical deposit and laboratory testing. However, due to the limited geological representation and the absence of field-scale environmental complexities, the applicability of the findings remains constrained. Future work should involve cross-regional validation, in situ experiments, and coupled multi-physics modeling to enhance the generalizability and practical relevance of the conclusions.

Author Contributions

Contributions: Z.G.: Conceptualization, Methodology, Writing—Review and Editing, Project Administration, Funding Acquisition. X.L.: Software, Investigation, Writing—Original Draft. H.W.: Methodology, Formal Analysis, Writing—Original Draft. Q.L.: Investigation, Supervision. J.W.: Software, Investigation. All authors have read and agreed to the published version of the manuscript.

Funding

This research was funded by the National Natural Science Foundation of China (52364012), Natural Science Foundation of Jiangxi Province of China (20224BAB214035), Key Laboratory of Ionic Rare Earth Resources and Environment, Ministry of Natural Resources of the People’s Republic of China (2023IRERE403).

Data Availability Statement

The original contributions presented in this study are included in the article. Further inquiries can be directed to the corresponding author.

Conflicts of Interest

The authors declare no conflicts of interest.

References

  1. Wang, G.F.; Zhu, J.X.; Liang, X.L.; Ling, B.W.; Xu, J.; Yang, Y.Q.; Kang, S.C.; Tan, W.; Xu, Y.J.; Zou, X.S.; et al. Industrial-scale sustainable rare earth mining enabled by electrokinetics. Nat. Sustain. 2025, 8, 182–189. [Google Scholar] [CrossRef]
  2. Balaram, V. Rare earth elements: A review of applications, occurrence, exploration, analysis, recycling, and environmental impact. Geosci. Front. 2019, 10, 1285–1303. [Google Scholar] [CrossRef]
  3. Zhao, L.S.; Huang, X.W.; Feng, Z.Y.; Liu, D.P.; Zheng, X.D.; Yin, W.Q. Current Status and Trends of Pollution Prevention and Control Technologies in Mining of Weathered Crust Elution-Deposited Rare Earth Ores. Chin. J. Rare Earths 2022, 40, 988–997. [Google Scholar]
  4. Zhang, Z.Y.; He, Z.Y.; Zhou, F.; Zhong, C.B.; Sun, N.J.; Chi, R.A. Swelling of clay minerals in ammonium leaching of weathered crust elution-deposited rare earth ores. Rare Met. 2018, 37, 72–78. [Google Scholar] [CrossRef]
  5. Zhang, Z.Y.; He, Z.Y.; Yu, J.X.; Xu, Z.G.; Chi, R.A. Novel solution injection technology for in-situ leaching of weathered crust elution-deposited rare earth ores. Hydrometallurgy 2016, 164, 248–256. [Google Scholar] [CrossRef]
  6. Guo, Z.Q.; Lai, Y.M.; Jin, J.F.; Zhou, J.R.; Sun, Z.; Zhao, K. Effect of Particle Size and Solution Leaching on Water Retention Behavior of Ion-Absorbed Rare Earth. Geofluids 2020, 2020, 1–14. [Google Scholar] [CrossRef]
  7. Luo, X.P.; Zhang, Y.B.; Zhou, H.P.; He, K.Z.; Luo, C.G.; Liu, Z.S.; Tang, X.K. Review on the Development and Utilization of Ionic Rare Earth Ore. Minerals 2022, 12, 554. [Google Scholar] [CrossRef]
  8. Liu, Y.Z.; Ding, Z.X.; Kong, W.C.; Wang, K.; Wang, B.; Wan, X.M.; Liu, L.H.; Zhao, Q.; Li, D.P.; Li, Y.X. Evolution of Leaching Reagents and Enrichment Recovery Technologies for Ion-Adsorbed Rare Earth—From Impurity Suppression Leaching to Enhanced Leaching and Stage-Selective Enhanced Leaching. Chin. J. Rare Earths 2023, 41, 610–622. [Google Scholar]
  9. Guo, Z.Q.; Liu, Y.S.; Liu, Q.Q.; Zhong, M.Q.; Liu, Q.Q. Model Test and Numerical Analysis of Landslides in Layered Ion-Type Rare Earth Ore Under Rainfall and Mineral Leaching Conditions. Water 2025, 17, 1469. [Google Scholar] [CrossRef]
  10. Guo, Z.Q.; Zhou, J.R.; Zhou, K.F.; Jin, J.F.; Wang, X.J.; Zhao, K. Soil-water characteristics of weathered crust elution-deposited rare earth ores. Trans. Nonferrous Met. Soc. China 2021, 31, 1452–1464. [Google Scholar] [CrossRef]
  11. Zhong, W.; Zhu, W.T.; Zeng, P.; Huang, Z.; Wang, X.J.; Guo, Z.Q.; Hu, K.J. Study on the Influence of Leaching Mining on the Mechanical Properties of Ionic Rare Earth Bedrock. Rock Soil Mech. 2022, 43, 1481–1492. [Google Scholar]
  12. Yin, S.H.; Qi, Y.; Xie, F.F.; Chen, X.; Wang, L.M. Strength Characteristics of Weathered Crust Elution-Deposited Rare Earth Ores under Different Porosity Ratios. J. Eng. Sci. 2018, 40, 159–166. [Google Scholar]
  13. Luo, S.H.; Yuan, L.; Wang, G.S.; Hu, S.L.; Wang, X.L. Experimental Study on the Influence of Leaching on the Strength of Ion-Type Rare Earth Ores. Sci. Eng. Nonferrous Met. 2013, 4, 58–61. [Google Scholar]
  14. Li, Y.X.; Wang, X.J.; Huang, G.L.; Zhou, L.B.; Liao, S.Y. Study on the Relationship between Permeability and Cohesion during Leaching of Ion-Type Rare Earth. Min. Res. Dev. 2018, 38, 24–27. [Google Scholar]
  15. Chen, X.; Qi, Y.; Yin, S.H.; Li, X.W.; Xie, F.F.; Liu, J.W.; Chen, W.; Yan, R.F. Law of weakening mechanical properties of rare earth ore with leaching. J. Cent. South Univ. Sci. Technol. 2019, 50, 939–945. [Google Scholar]
  16. Rao, Y.Z.; Jiang, F.C.; Chen, J.L.; Yu, B. Fractal Characteristics Study on the Shear Strength of Ion-Type Rare Earth Ore Columns under Leaching Tests. Min. Res. Dev. 2018, 38, 35–39. [Google Scholar]
  17. Qiu, E.X.; He, Q.L.; Sun, X.W.; Lu, J.G.; Zhang, R.; Wan, X.S.; Qu, M.F. Experimental Study on Shear Mechanical Properties of Southeastern Tibetan Moraine Soil under Freeze-Thaw Cycles. J. Disaster Prev. Mitig. Eng. 2022, 42, 1267–1279. [Google Scholar]
  18. Zhao, Y.Y.; Ling, X.Z.; Gong, W.G.; Li, P.; Li, G.Y.; Wang, L.N. Mechanical Properties of Fiber-Reinforced Soil under Triaxial Compression and Parameter Determination Based on the Duncan-Chang Model. Appl. Sci. 2020, 10, 9043. [Google Scholar] [CrossRef]
  19. Zhou, L.B.; Wang, X.J.; Zhuo, Y.L.; Hu, K.J.; Zhong, W.; Huang, G.L. Dynamic pore structure evolution of the ion adsorbed rare earth ore during the ion exchange process. R. Soc. Open Sci. 2019, 6, 191107. [Google Scholar] [CrossRef] [PubMed]
  20. Wu, A.X.; Liu, C.; Yin, S.H.; Xue, Z.L.; Chen, X. Pore structure and liquid flow velocity distribution in water-saturated porous media probed by MRI. Trans. Nonferrous Met. Soc. China 2016, 26, 1403–1409. [Google Scholar] [CrossRef]
  21. Yin, S.H.; Qi, Y.; Xie, F.F.; Chen, X.; Wang, L.M.; Shao, Y.J. Characteristics of Pore Structure of Weathered Crust Elution-Deposited Rare Earth Ores before and after Leaching. China Nonferrous Met. 2018, 28, 2112–2119. [Google Scholar]
  22. Luo, X.P.; Zhang, Y.B.; Zhou, H.P.; He, K.Z.; Zhang, B.Y.; Zhang, D.M.; Xiao, W.J. Pore structure characterization and seepage analysis of ionic rare earth orebodies based on computed tomography images. Int. J. Min. Sci. Technol. 2022, 32, 411–421. [Google Scholar] [CrossRef]
  23. Xiao, Y.F.; Chen, Y.Y.; Feng, Z.Y.; Huang, X.W.; Huang, L.; Long, Z.Q.; Cui, D.L. Leaching characteristics of ion-adsorption type rare earths ore with magnesium sulfate. Trans. Nonferrous Met. Soc. China 2015, 25, 3784–3790. [Google Scholar] [CrossRef]
  24. Yang, L.F.; Li, C.C.; Wang, D.S.; Li, F.Y.; Liu, Y.Z.; Zhou, X.Z.; Liu, M.B.; Wang, X.F.; Li, Y.X. Leaching ion adsorption rare earth by aluminum sulfate for increasing efficiency and lowering the environmental impact. J. Rare Earths 2019, 37, 429–436. [Google Scholar] [CrossRef]
  25. GB/T 50123-2019; Standard for geotechnical testing method. Ministry of Housing and Urban-Rural Development of the People’s Republic of China: Beijing, China, 2019.
  26. Liu, C.; Shi, B.; Zhou, J.; Tang, C.S. Quantification and characterization of microporosity by image processing, geometric measurement and statistical methods: Application on SEM images of clay materials. Appl. Clay Sci. 2011, 54, 97–106. [Google Scholar] [CrossRef]
  27. Liu, C.; Tang, C.S.; Shi, B.; Suo, W.B. Automatic quantification of crack patterns by image processing. Comput. Geosci. 2013, 57, 77–80. [Google Scholar] [CrossRef]
  28. Guo, Z.Q.; Wang, H.X.; Liu, Q.Q.; Luo, F.Y.; Liu, Y.S. Microstructure Evolution Law of Ionic Rare Earth at Different Depths in In Situ Leaching Mine Site. Minerals 2024, 14, 570. [Google Scholar] [CrossRef]
  29. Li, J.W.; Zhang, Y.; Lin, L.; Zhou, Y. Study on the shear mechanics of gas hydrate-bearing sand-well interface with different roughness and dissociation. Bull. Eng. Geol. Environ. 2023, 82, 464–467. [Google Scholar] [CrossRef]
  30. Wu, X.Q.; Shao, L.T.; Tian, X.J.; Xia, P.X. Hyperbolic Evolutionary Model for Equivalent Modulus of Sand and Characterization of Its Cyclic Hardening Properties. Processes 2024, 12, 2550. [Google Scholar] [CrossRef]
  31. Meng, T.; Xie, J.; Li, X.M.; Ma, J.W.; Yue, Y. Experimental study on the evolutional trend of pore structures and fractal dimension of low-rank coal rich clay subjected to a coupled thermo-hydro-mechanical-chemical environment. Energy 2020, 203, 117838. [Google Scholar]
Figure 1. Particle size distribution of undisturbed soil.
Figure 1. Particle size distribution of undisturbed soil.
Metals 15 01104 g001
Figure 2. GDS stress-path triaxial apparatus and experimental procedure.
Figure 2. GDS stress-path triaxial apparatus and experimental procedure.
Metals 15 01104 g002
Figure 3. SEM images prior to and after binarization processing.
Figure 3. SEM images prior to and after binarization processing.
Metals 15 01104 g003
Figure 4. Stress–strain curves under different leaching conditions. (a) 3% MgSO4; (b) 6% MgSO4; (c) 9% MgSO4; (d) 3% Al2(SO4)3; (e) 6% Al2(SO4)3; (f) 9% Al2(SO4)3; (g) pure water.
Figure 4. Stress–strain curves under different leaching conditions. (a) 3% MgSO4; (b) 6% MgSO4; (c) 9% MgSO4; (d) 3% Al2(SO4)3; (e) 6% Al2(SO4)3; (f) 9% Al2(SO4)3; (g) pure water.
Metals 15 01104 g004
Figure 5. Shear strength of samples under different leaching agents.
Figure 5. Shear strength of samples under different leaching agents.
Metals 15 01104 g005
Figure 6. Effect of leaching agent concentration on sample shear strength.
Figure 6. Effect of leaching agent concentration on sample shear strength.
Metals 15 01104 g006
Figure 7. Influence of leaching agent type and concentration on shear strength parameters of samples.
Figure 7. Influence of leaching agent type and concentration on shear strength parameters of samples.
Metals 15 01104 g007
Figure 8. Duncan–Chang model fitting results under different concentrations of MgSO4. (a) Pure water; (b) 3% MgSO4; (c) 6% MgSO4; (d) 9% MgSO4.
Figure 8. Duncan–Chang model fitting results under different concentrations of MgSO4. (a) Pure water; (b) 3% MgSO4; (c) 6% MgSO4; (d) 9% MgSO4.
Metals 15 01104 g008
Figure 9. Duncan–Chang model fitting results under different concentrations of Al2(SO4)3. (a) Pure water; (b) 3% Al2(SO4)3; (c) 6% Al2(SO4)3; (d) 9% Al2(SO4)3.
Figure 9. Duncan–Chang model fitting results under different concentrations of Al2(SO4)3. (a) Pure water; (b) 3% Al2(SO4)3; (c) 6% Al2(SO4)3; (d) 9% Al2(SO4)3.
Metals 15 01104 g009
Figure 10. Variation in total pore number under different conditions. (a) MgSO4 Condition; (b) Al2(SO4)3 Condition.
Figure 10. Variation in total pore number under different conditions. (a) MgSO4 Condition; (b) Al2(SO4)3 Condition.
Metals 15 01104 g010
Figure 11. Pore size distribution characteristics under different conditions. (a) MgSO4 Condition; (b) Al2(SO4)3 Condition.
Figure 11. Pore size distribution characteristics under different conditions. (a) MgSO4 Condition; (b) Al2(SO4)3 Condition.
Metals 15 01104 g011
Figure 12. Evolution of pore size fractal dimension under different conditions. (a) MgSO4 Condition; (b) Al2(SO4)3 Condition.
Figure 12. Evolution of pore size fractal dimension under different conditions. (a) MgSO4 Condition; (b) Al2(SO4)3 Condition.
Metals 15 01104 g012
Table 1. Basic Physical Properties and Chemical Composition of Ion-Adsorption Rare Earth Ore.
Table 1. Basic Physical Properties and Chemical Composition of Ion-Adsorption Rare Earth Ore.
PropertyWater
Content/%
Density
(g·cm−3)
Dry Density
(g·cm−3)
Liquid Limit
(WL)/%
Plastic Limit
(WP)/%
Plasticity Index
(IP)
Value17.91.781.5141.8329.2312.60
ElementOSiAlKFeCuMnRbPbThRE *Other
Content (%)41.89930.96416.6104.7381.1350.1800.1150.1130.0420.0050.1084.091
* RE represents the total rare earth element content measured by XRF.
Table 2. Classification criteria of pore size.
Table 2. Classification criteria of pore size.
Pore Size ClassesNanoporesMicroporesMesoporesMacroporesLarge Pore
Size Range<4 μm4 μm~16 μm16 μm~64 μm64 μm~256 μm>256 μm
Pixel Range<120120~480480~19201920~7680>7680
Table 3. Hyperbolic model parameter b and correlation coefficient R2 under different MgSO4 concentrations.
Table 3. Hyperbolic model parameter b and correlation coefficient R2 under different MgSO4 concentrations.
Confining Pressure/kPaR2
Pure Water3% MgSO46% MgSO49% MgSO4
500.998590.999310.998710.99834
1000.999170.997430.997620.99701
1500.998590.998100.996670.99439
Table 4. Hyperbolic model parameter b and correlation coefficient R2 under different Al2(SO4)3 concentrations.
Table 4. Hyperbolic model parameter b and correlation coefficient R2 under different Al2(SO4)3 concentrations.
Confining Pressure/kPaR2
Pure Water3% Al2(SO4)36% Al2(SO4)39% Al2(SO4)3
500.998590.999620.998820.99942
1000.999170.996590.997280.99303
1500.998590.997010.996070.99564
Disclaimer/Publisher’s Note: The statements, opinions and data contained in all publications are solely those of the individual author(s) and contributor(s) and not of MDPI and/or the editor(s). MDPI and/or the editor(s) disclaim responsibility for any injury to people or property resulting from any ideas, methods, instructions or products referred to in the content.

Share and Cite

MDPI and ACS Style

Guo, Z.; Lin, X.; Wang, H.; Liu, Q.; Wu, J. Study on the Strength Characteristics of Ion-Adsorbed Rare Earth Ore Under Chemical Leaching and the Duncan–Chang Model Parameters. Metals 2025, 15, 1104. https://doi.org/10.3390/met15101104

AMA Style

Guo Z, Lin X, Wang H, Liu Q, Wu J. Study on the Strength Characteristics of Ion-Adsorbed Rare Earth Ore Under Chemical Leaching and the Duncan–Chang Model Parameters. Metals. 2025; 15(10):1104. https://doi.org/10.3390/met15101104

Chicago/Turabian Style

Guo, Zhongqun, Xiaoming Lin, Haoxuan Wang, Qiqi Liu, and Jianqi Wu. 2025. "Study on the Strength Characteristics of Ion-Adsorbed Rare Earth Ore Under Chemical Leaching and the Duncan–Chang Model Parameters" Metals 15, no. 10: 1104. https://doi.org/10.3390/met15101104

APA Style

Guo, Z., Lin, X., Wang, H., Liu, Q., & Wu, J. (2025). Study on the Strength Characteristics of Ion-Adsorbed Rare Earth Ore Under Chemical Leaching and the Duncan–Chang Model Parameters. Metals, 15(10), 1104. https://doi.org/10.3390/met15101104

Note that from the first issue of 2016, this journal uses article numbers instead of page numbers. See further details here.

Article Metrics

Back to TopTop