Evaluation of Shear-Punched Surface Layer Damage in Ultrahigh-Strength TRIP-Aided Steels with Bainitic Ferrite and/or Martensite Matrix Structure
Abstract
1. Introduction
2. Material and Methods
3. Results
3.1. Microstructure and Tensile Properties
3.2. Shear-Punching Properties
3.3. Strain-Induced Martensite Fraction Distribution
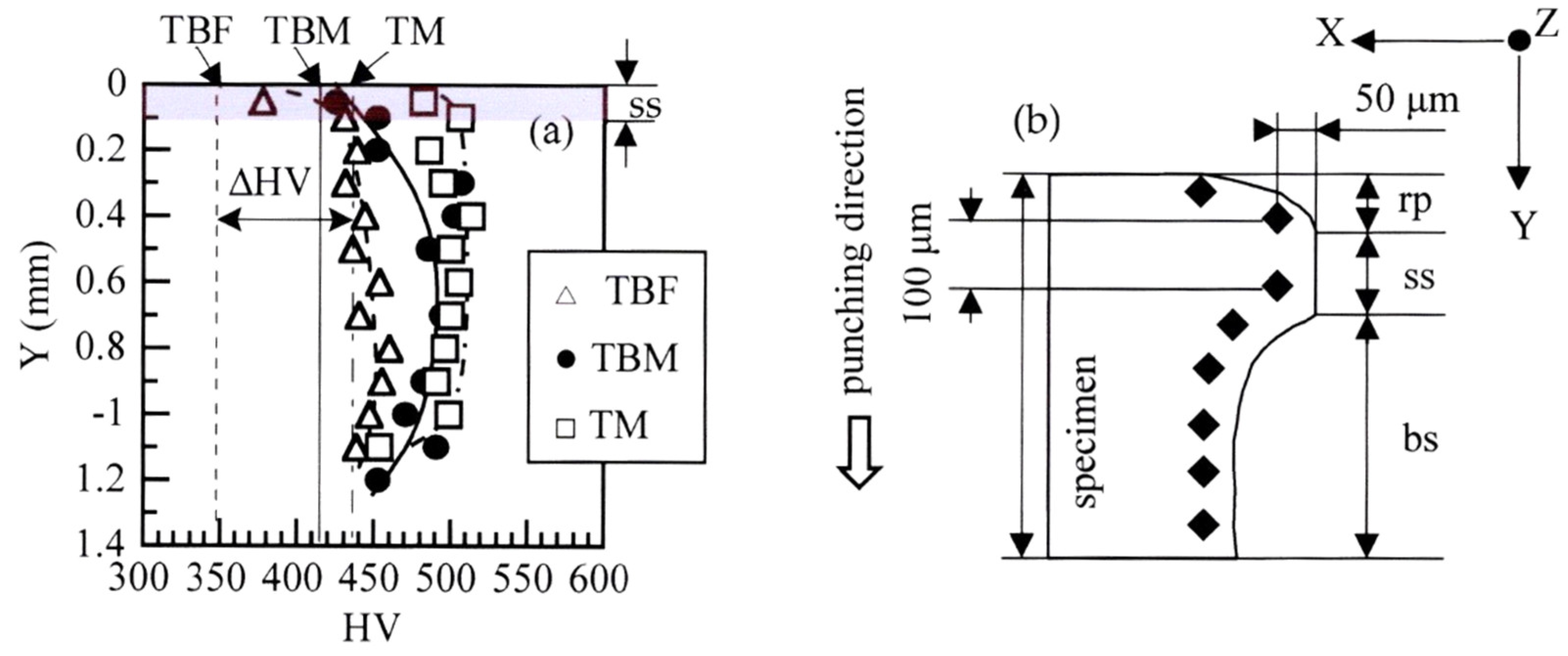
3.4. Vickers Hardness and Plastic Strain Distributions
3.5. Initiated Micro-Void Characteristics
4. Discussion
4.1. Strain-Hardening Behavior
- (i)
- “Flow stress of matrix structure”, containing strain-hardening.
- (ii)
- “Long-range internal stress hardening”, resulting from the difference in plastic strain between the matrix structure and second phase (retained austenite, strain-induced martensite, MA phase, etc.) [29].
- (iii)
- “Strain-induced transformation hardening”, resulting from an increase in strain-induced martensite fraction.
- (iv)
- “Forest dislocation hardening”, estimated from the Ashby equation [30].
4.2. Strain-Induced Martensite Transformation Behavior
4.3. Micro-Void Initiation Behavior
- (v)
- (vi)
- (vii)
- (viii)
- “Anisotropy” [32].
4.4. Relationship between Shear-Punched Surface Layer Damage and Stretch-Flangeability
5. Conclusions
- (1)
- The strain-hardening, strain-induced martensite transformation, and micro-void initiation at the break section were promoted compared to those at the shear section in the same way as an equivalent plastic strain evolution.
- (2)
- The damage of the shear-punched surface layers at the shear and break sections was produced under the mean normal stress between zero and negative.
- (3)
- The shear-punched surface damage of the TBM and TM steels was characterized by suppressed micro-void initiation, strain-induced martensite transformation, and strain-hardening behaviors compared to that of the TBF steel. This was mainly associated with a fine matrix structure and a low strength ratio, despite a lot of MA phase.
- (4)
- The excellent stretch-flangeability of the TBM and TM steels was associated with the relatively small damage of the shear-punched surface layers and high crack growth/void-connection resistance on hole expansion.
Author Contributions
Funding
Institutional Review Board Statement
Informed Consent Statement
Data Availability Statement
Conflicts of Interest
References
- Matlock, D.K.; Speer, J.G.; De Moor, E.; Gibbs, P.J. Recent developments in advanced high strength sheet steels for automotive applications: An overview. Jestech 2012, 15, 1–12. [Google Scholar]
- Uenishi, A. Development of advanced high strength sheet steel for NSafeTM-AutoConcept. Nippon Steel Tech. Rep. 2019, 122, 7–12. [Google Scholar]
- Soleimani, M.; Kalhor, A.; Mirzadeh, H. Transformation-induced plasticity (TRIP) in advanced steels: A review. Mater. Sci. Eng. A 2020, 795, 140023. [Google Scholar] [CrossRef]
- Meknassi, R.F.; Tisza, M. Recent third generations of advanced high strength sheet steels: Processing routes and properties. In Proceedings of the International Conference on Mathematics, Engineering, Natural & Medical Sciences, Karqak, Jordan, 30–31 January 2021; pp. 148–158. [Google Scholar]
- Kobayashi, J.; Pham, D.V.; Sugimoto, K. Stretch-flangeability of 1.5 GPa grade TRIP-aided martensitic cold rolled sheet steels. In Proceedings of the 10th International Conference on Technology of Plasticity (ICTP 2011), Aachen, Germany, 25–30 September 2011; pp. 598–603. [Google Scholar]
- Casellas, D.; Lara, A.; Frómeta, D.; Gutiérrez, D.; Molas, S.; Pérez, L.; Rehrl, J.; Suppan, C. Fracture toughness to understand stretch flangeability and edge cracking resistance in AHSS. Metall. Mater. Trans. A 2017, 48, 86–94. [Google Scholar] [CrossRef]
- Polatids, E.; Haidemenopoulos, G.N.; Krizan, D.; Aravas, N.; Panzner, T.; Šmíd, M.; Papadioti, I.; Casati, N.; Van Petegem, S.; Van Swygenhoven, H. The effect of stress triaxiality on the phase transformation in transformation induced plasticity steels: Experimental investigation and modeling the transformation kinetics. Mater. Sci. Eng. A 2021, 800, 140321. [Google Scholar] [CrossRef]
- Wang, Y.; Hou, X.; Guo, C.; Zhang, J.; Wang, X.; Xu, Y. Achieving an excellent balance of strength, plasticity, and stretch flangeability in a 1000 MPa grade TRIP-assisted bainitic ferrite steel. Mater. Res. Technol. 2024, 32, 2357–2369. [Google Scholar] [CrossRef]
- Rana, R.; Chen, S.; Halder, A.; Das, S. Mechanical properties of a bainitic steel producible by hot-rolling. Arch. Metall. Mater. 2017, 62, 2331–2338. [Google Scholar] [CrossRef]
- Weiβensteiner, I.; Suppan, C.; Hebesberger, T.; Winkelhofer, F.; Clemens, H.; Maier-Kiener, V. Effect of morphological differences on the cold formability of an isothermally heat-treated advanced high-strength steel. JOM 2018, 70, 1567–1575. [Google Scholar] [CrossRef]
- Jiang, H.; He, Y.; Lin, L.; Zhang, Y.; Zheng, W.; Li, L. Microstructures and properties of auto-tempering ultra-high strength automotive steel under different thermal-processing conditions. Metals 2021, 11, 1121. [Google Scholar] [CrossRef]
- Zheng, G.; Chang, Y.; Fan, Z.; Li, X.; Wang, C.; Dong, H. Study of thermal forming limit of medium-Mn steel based on finite element analysis and experiments. Int. J. Manuf. Technol. 2018, 94, 133–144. [Google Scholar] [CrossRef]
- Chang, Y.; Han, S.; Li, X.; Wang, C.; Zheng, G.; Dong, H. Effect of shearing clearance on formability of the third generation automotive medium-Mn steel with metastable austenite. J. Mater. Process. Tech. 2018, 259, 216–227. [Google Scholar] [CrossRef]
- Hernández-Rivera, J.L.; González-Castillo, A.C.; Ramos-Azpeitia, M.O.; Garay-Reyes, C.G. Effect of the intercritical annealing in the formability and microstructure of a medium Mn steel sheet. IOP Conf. Ser. Mater. Sci. Eng. 2023, 1284, 012030. [Google Scholar] [CrossRef]
- Heibel, S.; Dettinger, T.; Nester, W.; Clausmeyer, T.; Tekkaya, A.E. Damage mechanism and mechanical properties of high-strength multiphase steels. Materials 2018, 11, 761. [Google Scholar] [CrossRef] [PubMed]
- Li, Z.; Chang, Y.; Rong, J.; Min, J.; Lian, J. Edge fracture of the first and third-generation high-strength steels: DP1000 and QP1000. IOP Conf. Ser. Mater. Sci. Eng. 2023, 1284, 012021. [Google Scholar] [CrossRef]
- Toji, Y.; Nakagaito, T.; Matsuda, H.; Hasegawa, K.; Kaneko, S. Effect of microstructure on mechanical properties of quenching and partitioning steel. ISIJ Int. 2023, 63, 758–765. [Google Scholar] [CrossRef]
- Tedesco, M.M.; De Caro, D.; Rizzi, P.; Baricco, M. Effect of composition and thermal treatments on mechanical properties and applications of quenching and partitioning steels. Metals 2023, 13, 1757. [Google Scholar] [CrossRef]
- Kim, J.; Seo, E.; Kwon, M.; Kang, S.; De Cooman, B.C. Effect of quenching temperature on stretch flangeability of a medium Mn steel processed by quenching and partitioning. Mater. Sci. Eng. A 2018, 729, 276–284. [Google Scholar] [CrossRef]
- Gu, G.; Kim, J.-H.; Lee, H.-H.; Zargaran, A.; Koo, M.; Kim, S.-H.; Lee, J.-S.; Suh, D.-W. Room temperature quenching and partitioning (RT-Q&P) processed steel with chemically heterogeneous initial microstructure. Mater. Sci. Eng. A 2022, 851, 1436. [Google Scholar]
- Sugimoto, K.; Shioiri, S.; Kobayashi, J. Effects of mean normal stress and microstructural properties on ultrahigh-strength TRIP-aided steels with bainitic ferrite and martensite matrix structure. Materials 2024, 17, 3554. [Google Scholar] [CrossRef]
- Sugimoto, K.; Shioiri, S.; Kobayashi, J. Evaluation of shear-punched surface layer damage in three types of high-strength TRIP-aided steel. Metals 2024, 14, 531. [Google Scholar] [CrossRef]
- Maruyama, H. X-ray measurement of retained austenite. Jpn. Soc. Heat Treat. 1977, 17, 198–204. (In Japanese) [Google Scholar]
- Dyson, D.J.; Holmes, B. Effect of alloying additions on the lattice parameter of austenite. J. Iron Steel Inst. 1970, 208, 469–474. [Google Scholar]
- Cullity, B.D. Elements of X-Ray Diffraction, 2nd ed.; Addison-Wesley Publishing Company, Inc.: Boston, MA, USA, 1978; p. 287. [Google Scholar]
- Williamson, G.K.; Hall, W.H. X-ray line broadening from filed aluminum and wolfram. Acta Metall. 1953, 1, 22–31. [Google Scholar] [CrossRef]
- Takebayashi, S.; Kunieda, T.; Yoshinaga, N.; Ushioda, K.; Ogata, S. Comparison of the dislocation density in martensitic steels evaluated by some X-ray diffraction methods. ISIJ Int. 2010, 50, 875–882. [Google Scholar] [CrossRef]
- Iwata, K.; Ueda, K.; Yamada, Y. Study of shearing mechanism based on direct SEM observation. J. Jpn. Soc. Technol. Plast. 1979, 20, 437–443. (In Japanese) [Google Scholar]
- Mura, T.; Mori, T. Micromechanics; Baifu-kan Co., Ltd.: Tokyo, Japan, 1976; p. 23. (In Japanese) [Google Scholar]
- Sakaki, T.; Sugimoto, K.; Fukuzato, T. Role of internal stress for continuous yielding of dual-phase steels. Acta Metall. 1983, 31, 1737–1746. [Google Scholar] [CrossRef]
- Ashby, M.F. Work hardening of dispersion-hardened crystals. Philo. Mag. 1966, 14, 1157–1178. [Google Scholar] [CrossRef]
- Li, Z.; Chang, Y.; Liu, W.; Lian, J. Predicting edge fracture in dual-phase steels: Significance anisotropy-induced localization. Int. J. Mech. Sci. 2024, 274, 109255. [Google Scholar] [CrossRef]
- Takashima, K.; Hasegawa, K.; Toji, Y.; Funakawa, Y. Void generation in cold-rolled dual-phase steel sheet having excellent stretch flange formability. ISIJ Int. 2017, 57, 1289–1294. [Google Scholar] [CrossRef]
- Kobayashi, J.; Ina, D.; Futamura, A.; Sugimoto, K. Fracture toughness of an advanced ultrahigh-strength TRIP-aided steel. ISIJ Int. 2014, 54, 955–962. [Google Scholar] [CrossRef]
















| C | Si | Mn | P | S | Al | Nb | Cr | Mo | N | Fe | Ms | Mf |
|---|---|---|---|---|---|---|---|---|---|---|---|---|
| 0.18 | 1.48 | 1.49 | 0.004 | 0.003 | 0.043 | 0.05 | 1.02 | 0.20 | 0.001 | bal. | 407 | 292 |
| Steel | fγ0 (vol.%) | Cγ0 (mass%) | k | fMA (vol.%) | HV0 | YS (MPa) | UTS (MPa) | UEl (%) | TEl (%) | εf |
|---|---|---|---|---|---|---|---|---|---|---|
| TBF | 11.4 ± 1.2 | 0.65 ± 0.14 | 1.64 ± 0.82 | 2.0 ± 0.3 | 350 ± 9 | 709 ± 15 | 1276 ± 18 | 9.0 ± 0.8 | 17.7 ± 2.3 | 0.68 ± 0.06 |
| TBM | 7.2 ± 1.4 | 1.08 ± 0.22 | 2.05 ± 1.23 | 10.8 ± 1.2 | 414 ± 16 | 1058 ± 35 | 1310 ± 38 | 3.8 ± 0.5 | 14.7 ± 3.4 | 1.20 ± 0.12 |
| TM | 5.5 ± 1.5 | 0.45 ± 0.20 | 2.84 ± 1.85 | 15.8 ± 1.8 | 437 ± 18 | 1073 ± 46 | 1463 ± 52 | 4.5 ± 1.0 | 14.6 ± 3.8 | 1.01 ± 0.12 |
| Steel | τ0 (MPa) | τmax (MPa) | δu (mm) | δt (mm) | ss/t |
|---|---|---|---|---|---|
| TBF | 749 ± 22 | 860 ± 29 | 0.141 ± 0.02 | 0.222 ± 0.05 | 0.140 ± 0.03 |
| TBM | 816 ± 34 | 886 ± 45 | 0.153 ± 0.03 | 0.233 ± 0.06 | 0.148 ± 0.05 |
| TM | 923 ± 52 | 992 ± 64 | 0.151 ± 0.03 | 0.240 ± 0.07 | 0.132 ± 0.05 |
Disclaimer/Publisher’s Note: The statements, opinions and data contained in all publications are solely those of the individual author(s) and contributor(s) and not of MDPI and/or the editor(s). MDPI and/or the editor(s) disclaim responsibility for any injury to people or property resulting from any ideas, methods, instructions or products referred to in the content. |
© 2024 by the authors. Licensee MDPI, Basel, Switzerland. This article is an open access article distributed under the terms and conditions of the Creative Commons Attribution (CC BY) license (https://creativecommons.org/licenses/by/4.0/).
Share and Cite
Sugimoto, K.-i.; Shioiri, S.; Kobayashi, J.; Hojo, T. Evaluation of Shear-Punched Surface Layer Damage in Ultrahigh-Strength TRIP-Aided Steels with Bainitic Ferrite and/or Martensite Matrix Structure. Metals 2024, 14, 1034. https://doi.org/10.3390/met14091034
Sugimoto K-i, Shioiri S, Kobayashi J, Hojo T. Evaluation of Shear-Punched Surface Layer Damage in Ultrahigh-Strength TRIP-Aided Steels with Bainitic Ferrite and/or Martensite Matrix Structure. Metals. 2024; 14(9):1034. https://doi.org/10.3390/met14091034
Chicago/Turabian StyleSugimoto, Koh-ichi, Shoya Shioiri, Junya Kobayashi, and Tomohiko Hojo. 2024. "Evaluation of Shear-Punched Surface Layer Damage in Ultrahigh-Strength TRIP-Aided Steels with Bainitic Ferrite and/or Martensite Matrix Structure" Metals 14, no. 9: 1034. https://doi.org/10.3390/met14091034
APA StyleSugimoto, K.-i., Shioiri, S., Kobayashi, J., & Hojo, T. (2024). Evaluation of Shear-Punched Surface Layer Damage in Ultrahigh-Strength TRIP-Aided Steels with Bainitic Ferrite and/or Martensite Matrix Structure. Metals, 14(9), 1034. https://doi.org/10.3390/met14091034

