Influence of Inclusion Parameter and Depth on the Rotating Bending Fatigue Behavior of Bearing Steel
Abstract
1. Introduction
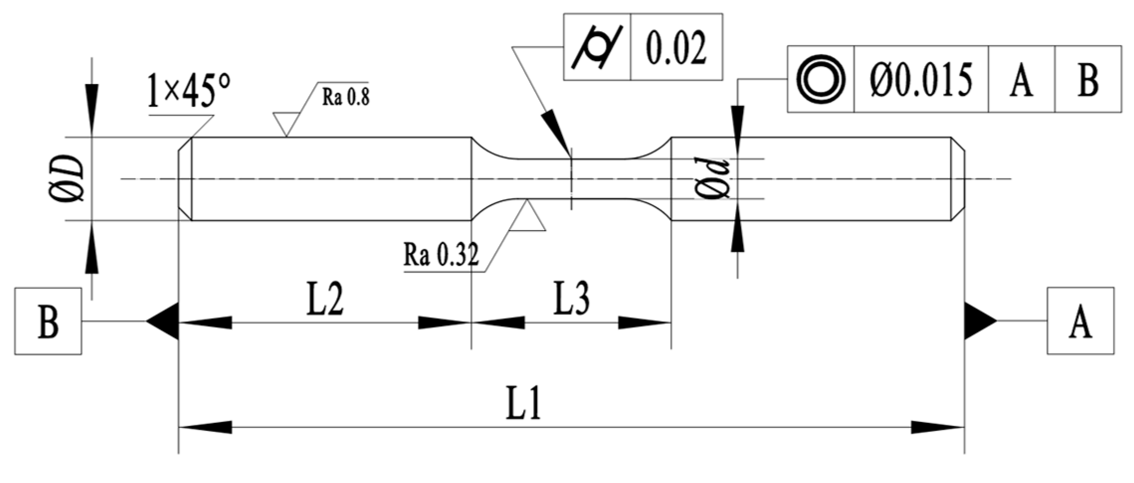
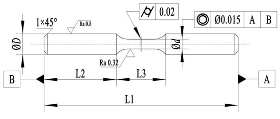
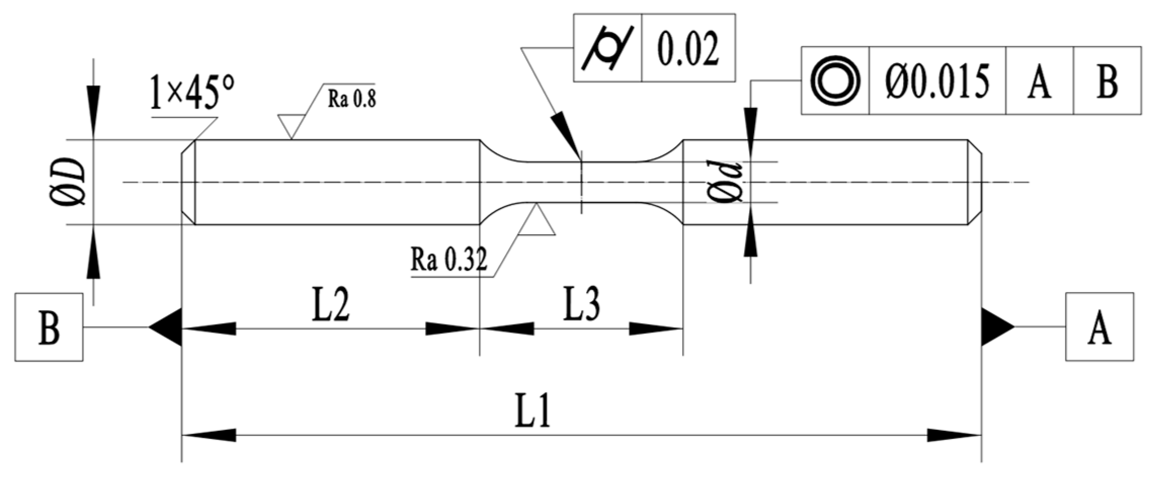
2. Experimental Section
3. Results
3.1. Inclusions
3.2. Fatigue Results
3.3. Fracture Morphology
4. Discussions
5. Conclusions
- (1)
- The inclusion type in the four kinds of bearing steel were mainly Ti carbides or nitrides, sulfides, oxides, and complexes of sulfides and oxides, respectively. For samples 1# and 2#, the inclusions were mainly sulfides and Ti-containing inclusions and its complexes. Conversely, for samples 3# and 4#, the inclusions were mainly oxides or complexes of sulfides and oxides. The inclusion quantity and maximum size of sample 2# were comparably less and smaller. This was mainly attributed to the difference in the content of Al, S, and Ca elements among the samples.
- (2)
- The rotating bending fatigue life for sample 2# was longer, which was consistent with the inclusion measurement results; the inclusion results reflect the material’s rotating bending fatigue to some extent. Compared to the inclusion depth and inclusion type, the inclusion size was the most influential factor in reducing the rotating bending fatigue life of the bearing steels.
- (3)
- A simulation was attempted based on the rotating bending fatigue test using the Python software. The results indicated that the rotating bending fatigue cycle could be simulated using polynomials. The variables were the inclusion size, inclusion depth, and stress y. The number of items was five. The coefficient was given.
Author Contributions
Funding
Data Availability Statement
Conflicts of Interest
References
- Zhao, L.H.; Feng, J.Z.; Zheng, S.L. Effect of Cyclic Stresses Below the Endurance Limit on the Fatigue Life of 40Cr Steel. Strength Mater. 2018, 50, 2–10. [Google Scholar] [CrossRef]
- Rigon, D.; Meneghetti, G.; Görtler, M.; Cozzi, D.; Waldhauser, W.; Dabalà, M. Influence of Defects on Axial Fatigue Strength of Maraging Steel Specimens Produced by Additive Manufacturing. MATEC Web Conf. 2018, 165, 02005. [Google Scholar] [CrossRef][Green Version]
- Yang, B.; Dai, S.; Wu, Y.Y.; Liao, Z.; Liang, S.; Xiao, S.N. Short Fatigue Crack Behavior of LZ50 Axle Steel Under Rotating-Bending Cyclic Loading. Strength Mater. 2018, 50, 193–202. [Google Scholar] [CrossRef]
- Kosturek, R.; Śnieżek, L.; Torzewski, J.; Wachowski, M. Low Cycle Fatigue Properties of Sc-Modified AA2519-T62 Extrusion. Materials 2020, 13, 220. [Google Scholar] [CrossRef]
- Ganti, S.; Turner, B.; Kirsch, M.; Anthony, D.; McCoy, B.; Trivedi, H.; Sundar, V. Three-Dimensional (3D) Analysis of White Etching Bands (WEBs) in AISI M50 Bearing Steel Using Automated Serial Sectioning. Mater. Charact. 2018, 138, 11–18. [Google Scholar] [CrossRef]
- Swahn, H.; Becker, P.C.; Vingsbo, O. Martensite Decay during Rolling Contact Fatigue in Ball Bearings. Met. Metall. Trans. A 1976, 7, 1099–1110. [Google Scholar] [CrossRef]
- Voskamp, A.P.; Mittemeijer, E.J. The Effect of the Changing Microstructure on the Fatigue Behaviour during Cyclic Rolling Contact Loading. Int. J. Mater. Res. 2021, 88, 310–320. [Google Scholar]
- An, X.; Shi, Z.; Xu, H.; Wang, C.; Wang, Y.; Cao, W.; Yu, J. Quantitative Examination of the Inclusion and the Rotated Bending Fatigue Behavior of SAE52100. Metals 2021, 11, 1502. [Google Scholar] [CrossRef]
- Karr, U.; Schönbauer, B.M.; Sandaiji, Y.; Mayer, H. Effects of Non-Metallic Inclusions and Mean Stress on Axial and Torsion Very High Cycle Fatigue of SWOSC-V Spring Steel. Metals 2022, 12, 1113. [Google Scholar] [CrossRef]
- Gao, Z.; Pan, G.; Wang, S.; Song, Y.; Wu, H.; Mao, X. Effect of Mg on Inclusion and High Cycle Fatigue Behavior in Titanium Microalloyed Beam Steel. Metals 2023, 13, 760. [Google Scholar] [CrossRef]
- Luo, Y.; Liu, X.; Chen, F.; Zhang, H.; Xiao, X. Numerical Simulation on Crack–Inclusion Interaction for Rib-to-Deck Welded Joints in Orthotropic Steel Deck. Metals 2023, 13, 1402. [Google Scholar] [CrossRef]
- Motte, R.; De Waele, W. An Overview of Estimations for the High-Cycle Fatigue Strength of Conventionally Manufactured Steels Based on Other Mechanical Properties. Metals 2024, 14, 85. [Google Scholar] [CrossRef]
- Nikolic, K.; De Wispelaere, J.; Ravi, G.; Hertelé, S.; Depover, T.; Verbeken, K.; Petrov, R.H. Confirming Debonding of Non-Metallic Inclusions as an Important Factor in Damage Initiation in Bearing Steel. Metals 2023, 13, 1113. [Google Scholar] [CrossRef]
- Grabulov, A.; Ziese, U.; Zandbergen, H.W. TEM/SEM Investigation of Microstructural Changes within the White Etching Area under Rolling Contact Fatigue and 3-D Crack Reconstruction by Focused Ion Beam. Scr. Mater. 2007, 57, 635–638. [Google Scholar] [CrossRef]
- Fu, H.; Galindo-Nava, E.; Rivera-Díaz-del-Castillo, P. Modelling and Characterisation of Stress-Induced Carbide Precipitation in Bearing Steels under Rolling Contact Fatigue. Acta Mater. 2017, 128, 176–187. [Google Scholar] [CrossRef]
- Wang, Z.Y.; Xing, Z.G.; Wang, H.D.; Shan, D.B.; Huang, Y.F.; Xu, Z.H.; Xie, F.K. The Relationship between Inclusions Characteristic Parameters and Bending Fatigue Performance of 20Cr2Ni4A Gear Steel. Int. J. Fatigue 2022, 155, 106594. [Google Scholar] [CrossRef]
- Zhan, Z.; Zhang, Y.; Shi, R.; Qiao, T.; Wang, G.; Cheng, G. Effect of Slag Basicity on Non-Metallic Inclusions and Cleanliness of 15-5PH Stainless Steel. Metals 2023, 13, 750. [Google Scholar] [CrossRef]
- Zhan, Z.; Zhang, W.; Zhang, Y.; Shi, R.; Cheng, G. Formation and Evolution of DS-Type Inclusions in 15-5PH Stainless Steel. Metals 2021, 11, 1129. [Google Scholar] [CrossRef]
- Zhang, W.; Wang, G.; Zhang, Y.; Cheng, G.; Zhan, Z. Formation Mechanism and Improvement of Magnetic Particle Inspection Defects in Cr5 Backup Roller Forged Ingot. Metals 2022, 12, 295. [Google Scholar] [CrossRef]
- Warhadpande, A.; Sadeghi, F.; Evans, R.D. Microstructural Alterations in Bearing Steels under Rolling Contact Fatigue Part 1-Historical Overview. Tribol. Trans. 2013, 56, 349–358. [Google Scholar] [CrossRef]
- Fu, H.W.; Rivera-Díaz-del-Castillo, P.E. A Unified Theory for Microstructural Alterations in Bearing Steels under Rolling Contact Fatigue. Acta Mater. 2018, 155, 43–55. [Google Scholar] [CrossRef]
- Brnic, J.; Krscanski, S.; Lanc, D.; Brcic, M.; Turkalj, G.; Canadija, M.; Niu, J. Analysis of the Mechanical Behavior, Creep Resistance and Uniaxial Fatigue Strength of Martensitic Steel X46Cr13. Materials 2017, 10, 388. [Google Scholar] [CrossRef]
- Xiao, N.; Hui, W.J.; Zhang, Y.J.; Zhao, X.L.; Chen, Y.; Dong, H. High Cycle Fatigue Behavior of a Low Carbon Alloy Steel: The Influence of Vacuum Carburizing Treatment. Eng. Fail. Anal. 2020, 109, 104215. [Google Scholar] [CrossRef]
- Chen, W.; He, X.F.; Yu, W.C.; Shi, J.; Wang, M.Q.; Yao, K.F. Rotating Bending Fatigue Properties of Case Carburized Steel with Different Fractions of Retained Austenite. J. Mater. Eng. Perform. 2023, 32, 7960–7968. [Google Scholar] [CrossRef]
- ASTM E606/E606M-12; Standard Test Method for Strain-Controlled Fatigue Testing. ASTM: West Conshohocken, PA, USA, 2012.
- Knez, M.; Glodež, S.; Ružička, M.; Kramberger, J. A Rotating Bending Approach for Determination of Low-Cycle Fatigue Parameters. Int. J. Fatigue 2010, 32, 1724–1730. [Google Scholar] [CrossRef]
- Shibanuma, K.; Ueda, K.; Ito, H.; Nemoto, Y.; Kinefuchi, M.; Suzuki, K.; Enoki, M. Model for Predicting Fatigue Life and Limit of Steels Based on Micromechanics of Small Crack Growth. Mater. Des. 2018, 139, 269–282. [Google Scholar] [CrossRef]
- El May, M.; Saintier, N.; Palin-Luc, T.; Devos, O.; Brucelle, O. Modelling of Corrosion Fatigue Crack Initiation on Martensitic Stainless Steel in High Cycle Fatigue Regime. Corros. Sci. 2018, 133, 397–405. [Google Scholar] [CrossRef]
- Liu, Q.; Cai, L.X.; Chen, H.; Bao, C.; Yin, T. A Novel Test Method Based on Small Specimens for Obtaining Low-Cycle-Fatigue Properties of Materials. Mech. Mater. 2019, 138, 103153. [Google Scholar] [CrossRef]
- Zhan, Z.; Wang, G.; Shi, R.; Zhang, W.; Zhang, Y.; Cheng, G. Inclusion Control of 15-5 PH High-Strength Stainless Steel through Aluminum Deoxidation. ISIJ Int. 2023, 63, 622–630. [Google Scholar] [CrossRef]
- Branco, R.; Berto, F.; Zhang, F.C.; Long, X.Y.; Costa, J. Comparative Study of the Uniaxial Cyclic Behaviour of Carbide-Bearing and Carbide-Free Bainitic Steels. Metals 2018, 8, 422. [Google Scholar] [CrossRef]
- Lenkovs’kyi, T.M. Fatigue Crack-Growth Resistance of Thermally Hardened 65G Steel Under Transverse Shear. Mater. Sci. 2017, 53, 200–206. [Google Scholar] [CrossRef]
- Gao, Y.K. Fatigue Stress Concentration Sensitivity and Stress Ratio Effect of a 40CrNi2Si2MoVA Steel. Mater. Lett. 2017, 186, 235–238. [Google Scholar] [CrossRef]
- Murakami, Y.; Yokoyama, N.N.; Nagata, J. Mechanism of Fatigue Failure in Ultralong Life Regime. Fatigue Fract. Eng. Mat. Struct. 2002, 25, 735–746. [Google Scholar] [CrossRef]
- Sakai, T.; Sato, Y.; Oguma, N. Characteristic S–N Properties of High-Carbon–Chromium-Bearing Steel under Axial Loading in Long-Life Fatigue. Fatigue Fract. Eng. Mater. Struct. 2002, 25, 765–773. [Google Scholar] [CrossRef]
- Shiozawa, K.; Morii, Y.; Nishino, S.; Lu, L. Subsurface Crack Initiation and Propagation Mechanism in High-Strength Steel in a Very High Cycle Fatigue Regime. Int. J. Fatigue 2006, 28, 1521–1532. [Google Scholar] [CrossRef]








| C | Si | Mn | P | S | Al | Ca | Nb | V | Ti | Ni | Cr | |
|---|---|---|---|---|---|---|---|---|---|---|---|---|
| 1# | 0.97 | 0.25 | 0.32 | 0.015 | 0.004 | 0.01 | 0.0003 | 0.003 | 0.004 | 0.002 | 0.01 | 1.42 | 
| 2# | 0.99 | 0.23 | 0.33 | 0.015 | 0.003 | 0.02 | 0.0004 | 0.003 | 0.003 | 0.002 | 0.01 | 1.44 | 
| 3# | 0.98 | 0.22 | 0.32 | 0.017 | 0.002 | 0.01 | 0.0005 | 0.001 | 0.003 | 0.001 | 0.01 | 1.48 | 
| 4# | 0.98 | 0.23 | 0.33 | 0.012 | 0.002 | 0.01 | 0.0001 | 0.003 | 0.003 | 0.002 | 0.01 | 1.48 | 
| Inclusion Type | Quantity | Max Size (μm) | ||||||
|---|---|---|---|---|---|---|---|---|
| 1# | 2# | 3# | 4# | 1# | 2# | 3# | 4# | |
| Ti carbides or nitrides | 51 | 9 | 44 | 32 | 9.8 | 6.1 | 13.1 | 11.1 | 
| Sulfides | 60 | 18 | 10 | 6 | 18.2 | 8.7 | 6.6 | 6.9 | 
| Oxides | 3 | 2 | 92 | 34 | 12.6 | 14.2 | 16.7 | 10.5 | 
| Complexes of sulfides and oxides | 45 | 10 | 23 | 105 | 13.3 | 5.6 | 12.6 | 11.3 | 
| 1 | 2 | 3 | |
|---|---|---|---|
| C1 | 1715.609 | 80,533.775 | −0.151 | 
| C2 | 11,685.791 | −4456.257 | −3.232 | 
| C3 | −573.446 | 77.673 | −46.117 | 
| C4 | 3.697 | −0.497 | −439.102 | 
| C5 | 0.089 | 0.001 | 23.791 | 
| b | 3,217,543.924 | ||
| Disclaimer/Publisher’s Note: The statements, opinions and data contained in all publications are solely those of the individual author(s) and contributor(s) and not of MDPI and/or the editor(s). MDPI and/or the editor(s) disclaim responsibility for any injury to people or property resulting from any ideas, methods, instructions or products referred to in the content. | 
© 2024 by the authors. Licensee MDPI, Basel, Switzerland. This article is an open access article distributed under the terms and conditions of the Creative Commons Attribution (CC BY) license (https://creativecommons.org/licenses/by/4.0/).
Share and Cite
Xu, L.; Zhan, Z.; Zhang, S. Influence of Inclusion Parameter and Depth on the Rotating Bending Fatigue Behavior of Bearing Steel. Metals 2024, 14, 907. https://doi.org/10.3390/met14080907
Xu L, Zhan Z, Zhang S. Influence of Inclusion Parameter and Depth on the Rotating Bending Fatigue Behavior of Bearing Steel. Metals. 2024; 14(8):907. https://doi.org/10.3390/met14080907
Chicago/Turabian StyleXu, Lijun, Zhonghua Zhan, and Shulan Zhang. 2024. "Influence of Inclusion Parameter and Depth on the Rotating Bending Fatigue Behavior of Bearing Steel" Metals 14, no. 8: 907. https://doi.org/10.3390/met14080907
APA StyleXu, L., Zhan, Z., & Zhang, S. (2024). Influence of Inclusion Parameter and Depth on the Rotating Bending Fatigue Behavior of Bearing Steel. Metals, 14(8), 907. https://doi.org/10.3390/met14080907
 
        


 
       