Comparison of Fluid Flow and Tracer Dispersion in Four-Strand Tundish under Fewer Strand Casting and Sudden Blockage of Strand Conditions
Abstract
1. Introduction
2. Numerical Simulation Methods
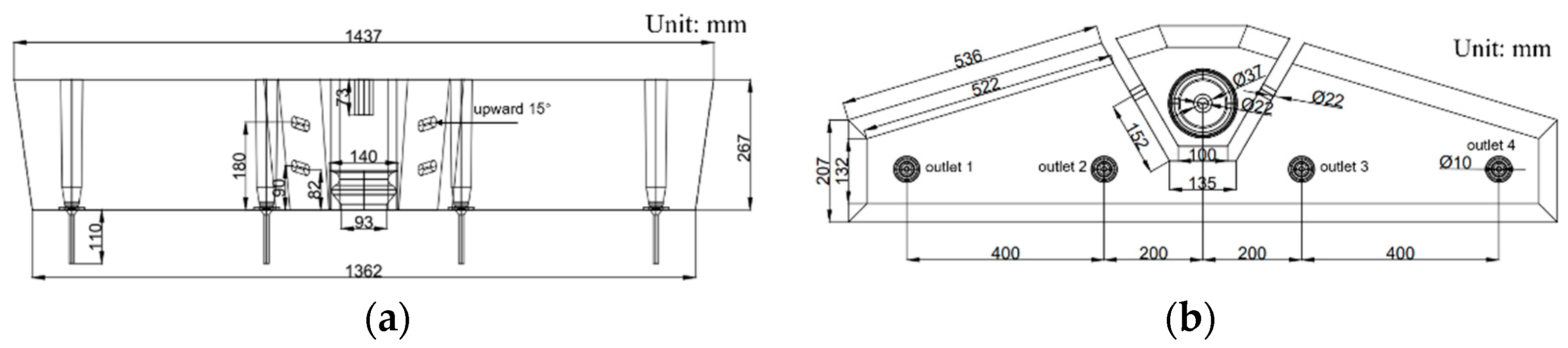
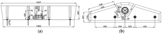
2.1. Geometric Dimensions
2.2. Computational Fluid Dynamics (CFD) Modeling and Solution
2.2.1. Model Assumptions
- Viscosity measurements of liquid iron (steel) [40] and rheology studies [41] performed on liquid steel show non-Newtonian fluid flow characteristics of liquid steel [42]. Water has the same order of magnitude of kinematic viscosity as liquid steel. Physical models, especially water models, are widely used to study the fluid mechanics of liquid steel in industry. For simplicity, the present model was a full-size tundish based on the water model geometry, as shown in Figure 1, Figure 2 and Figure 3;
- Passive scalar transport was mainly studied, and it was assumed to be in the liquid phase;
- For simplicity, thermal buoyancy was neglected and fluid mechanics were the main focus;
- The free surface was flat, and the slag layer was not considered in the tundish.
2.2.2. Governing Equations
2.2.3. Turbulence Model
2.2.4. Tracer Transport
2.2.5. Mesh
2.2.6. Boundary Conditions
- No-slip conditions were applied at all solid surfaces for the liquid phase;
- A constant inlet velocity was used, and the inlet velocity was 0.58 m/s;
- At the tundish outlet, an outflow boundary with a constant mass flow rate condition was applied;
- The outlet pressure was set to a constant value of one standard atmosphere;
- The roughness of the turbulence inhibitor, inlet ladle shroud, and stopper rod was set as 1 × 10−5 m. In addition, the roughness of other solid walls was set as 2 × 10−6 m.
2.2.7. Treatment of Sudden Blockage and Fewer Strand Simulation
2.2.8. Solution Procedure
2.3. Analytical Method
2.3.1. RTD Analysis Method
2.3.2. Outflow Percentage Analysis Method
3. Results and Discussion
3.1. Mesh Sensitivity and Validation
3.2. Velocity Distributions of Tundishes with Three Weir Structures under Normal Conditions
3.3. Transport Process of the Tracer under Different Blocking Conditions in the Tundish with a Double Weir
3.4. Transport Process of the Tracer under Different Blocking Conditions in the Tundish with a U-Shaped Weir
3.5. Transport Process of the Tracer under Different Blocking Conditions in the Tundish with a U-Shaped Weir Structure with Holes in the Front
3.6. Analysis of RTD for the Stable and Sudden Blockage Conditions
3.7. Consistency Analysis of Each Strand with Stable Blockage and Sudden Blockage
3.8. Discussion
4. Conclusions
- After sudden blockage of the four-strand tundish, its flow field does not immediately transition to a stable three-strand flow field, but rather maintains the four-strand flow field before blockage, gradually approaching a stable three-strand flow field, ultimately remaining basically consistent with the flow field under stable blockage conditions.
- Under four-strand casting conditions, the velocity vector fields of the three tundish cases remain symmetric on the left and right sides. At 30 s after sudden blockage, only the velocity vector of the U-shaped weir with holes in the front case maintain symmetry on both sides. At 1200 s after sudden blockage, the velocity vectors of all three tundish cases are consistent with those of the stable blockage case.
- After sudden blockage of the tundish strands, using different structures of weir, the transition of the flow field from an unstable four-strand flow field to a stable three-strand flow field varies in time. The tundish with a double weir and the tundish with a U-shaped weir reach a stable state after 200 s, while the tundish with a U-shaped weir structure with holes in the front reaches stability after 150 s.
- The flow field under stable blockage conditions is more stable compared to that under sudden blockage, and the consistency among strands is higher than under sudden blockage.
- After single-strand blockage, the influence on the unblocked outlets on the same side is significant, especially for the tundish with a double weir, where the weir separates the left and right sides into independent parts, resulting in minimal impact on the flow field on the right side if blockage occurs on the left side.
- In both stable and sudden blockage scenarios, the outflow percentage curves and flow fields of the tundish with a U-shaped weir with structure holes in the front remain basically consistent, indicating that, after sudden blockage, the influence of blockage on each strand is minimal, demonstrating better adaptability.
- Under single-strand blockage, the consistency among strands of the tundish with a U-shaped weir structure with holes in the front is optimal, effectively adjusting the flow pattern from the blocked side to the unblocked side.
Author Contributions
Funding
Data Availability Statement
Acknowledgments
Conflicts of Interest
References
- Mazumdar, D.; Guthrie, R.I.L. The Physical and Mathematical Modelling of Continuous Casting Tundish Systems. ISIJ Int. 1999, 39, 524–547. [Google Scholar] [CrossRef]
- Walek, J.; Tkadlečková, M.; Velička, M.; Machů, M.; Cupek, J.; Huczala, T.; Cibulka, J.; Růžička, J.; Michalek, K. Physical Experiments and Numerical Simulations of the Influence of Turbulence Inhibitors and the Position of Ladle Shroud on the Steel Flow in an Asymmetric Five-Strand Tundish. Metals 2023, 13, 1821. [Google Scholar] [CrossRef]
- Chang, S.; Song, H.; Liu, Z.; Zou, Z.; Shao, L.; Li, B. Experimental Study on Bubble Entrainment by a Free Fall Jet in an Argon-Filled Continuous Casting Tundish. Steel Res. Int. 2023, 94, 2200287. [Google Scholar] [CrossRef]
- Lin, P.; Jin, Y.; Gan, F.; Ma, G.; Cheng, C.; Li, Y.; Liu, Z.; Li, J.; Huang, J. Study of the Impact of Opening Streams on Turbulence Inhibitors in Tundishes. Met. Mater. Trans. B 2022, 53, 3159–3169. [Google Scholar] [CrossRef]
- Zhang, J.; Qin, B.; Liu, Y.; Li, Q.; Zuo, X.; Wang, C.; Yang, S.; Liu, Q. Multiphase flow inside a four-strand continuous casting tundish using three types of ladle shrouds. J. Iron Steel Res. Int. 2023, 30, 1171–1181. [Google Scholar] [CrossRef]
- Chen, C.; Ni, P.Y.; Jonsson, L.T.I.; Tilliander, A.; Cheng, G.G.; Jönsson, P.G. A Model Study of Inclusions Deposition, Macroscopic Transport, and Dynamic Removal at Steel–Slag Interface for Different Tundish Designs. Met. Mater. Trans. B 2016, 47, 1916–1932. [Google Scholar] [CrossRef]
- Tkadlečková, M.; Walek, J.; Michalek, K.; Huczala, T. Numerical Analysis of RTD Curves and Inclusions Removal in a Multi-Strand Asymmetric Tundish with Different Configuration of Impact Pad. Metals 2020, 10, 849. [Google Scholar] [CrossRef]
- Chang, S.; Zou, Z.; Li, B.; Isac, M.; Guthrie, R.I.L. Modeling Inclusion Removal when Using Micro-bubble Swarm in a Full-Scale Tundish with an Impact Pad. Met. Mater. Trans. B 2022, 53, 526–536. [Google Scholar] [CrossRef]
- Xie, Q.; Ni, P.; Ersson, M.; Jonsson, P.; Li, Y. Numerical Simulations on Dynamic Behavior of Multiphase Flow and Heat Transfer in a Round Mold with a Swirling Flow Tundish Design. Met. Mater. Trans. B 2022, 53, 3197–3214. [Google Scholar] [CrossRef]
- Chen, H.; Liu, Z.; Li, F.; Lyu, B.; Chen, W.; Zhang, L. Numerical Simulation on Multiphase Flow and Slag Entrainment During Casting Start of a Slab Continuous Casting Tundish. Met. Mater. Trans. B 2023, 54, 2048–2065. [Google Scholar] [CrossRef]
- Guarneros, J.; Morales, R.D.; Gutierrez, E. Optimized Fluid Flow Control System for a Tundish Used in Frequent Steel Grade Change Operations. Steel Res. Int. 2023, 94, 2200809. [Google Scholar] [CrossRef]
- Tie, Z.; Tang, H.; Wang, K.; Miao, H.; Cai, S.; Xian, F.; Zhang, J. Effect of Flow Field Optimization of an Asymmetric Multi-Strand Tundish on the Quality Consistency of Cracking Con-Rod Steel. Materials 2022, 15, 3698. [Google Scholar] [CrossRef] [PubMed]
- Wu, D.; Liu, J.; Wu, D.; Zhou, P. Evaluation of Molten Steel Flow Behaviors in a Multistrand Tundish via Numerical Simulation and Grey Relational Analysis with a New Dimensionless Operator. Steel Res. Int. 2023, 95, 2300336. [Google Scholar] [CrossRef]
- Liu, Z.; Li, Y.; Cheng, C.; Lan, P.; Wu, W. Study on Parameter Optimization of Diversion Wall in an Eight-Strand Tundish during Continuous Casting of Billet with High Casting Speed. Processes 2022, 10, 555. [Google Scholar] [CrossRef]
- Zhu, H.; Wang, M.; Yao, C.; Wang, Z.; Wang, X.; Bao, Y. Influence of non-iso-velocity casting on flow-field index of a 41-ton six-strand tundish by physical and numerical modeling. J. Iron Steel Res. Int. 2023, 30, 51–63. [Google Scholar] [CrossRef]
- Mukherjee, S.; Mazumdar, D. Physical and Mathematical Modeling of Argon Flow and Distribution Around a Ladle Shroud-Collector Nozzle (LS-CN) Assembly. Met. Mater. Trans. B 2022, 53, 2600–2617. [Google Scholar] [CrossRef]
- Xin, Z.; Cui, H.; Li, T.; Tang, G.; Zhu, Y.; Yan, J.; Li, J. Numerical Simulation of Inclusion Removal by Bubble Injection in the Submerged Nozzle with Swirling Flow. Met. Mater. Trans. B 2022, 53, 2570–2586. [Google Scholar] [CrossRef]
- Yang, B.; Deng, A.; Duan, P.; Kang, X.; Wang, E. “Power curve” key factor affecting metallurgical effects of an induction heating tundish. J. Iron Steel Res. Int. 2022, 29, 151–164. [Google Scholar] [CrossRef]
- Zhang, Q.; Xu, G.; Iwai, K. Optimization of the Circular Channel Size and the A.C. Magnetic Field Parameters for Application in a Channel-Type Induction-Heating Tundish. Metals 2024, 14, 420. [Google Scholar] [CrossRef]
- Quan, Q.; Zhang, Z.; Qu, T.; Li, X.; Tian, J.; Wang, Y. Physical and numerical investigation on fluid flow and inclusion removal behavior in a single-strand tundish. J. Iron Steel Res. Int. 2023, 30, 1182–1198. [Google Scholar] [CrossRef]
- Li, Q.; Qin, B.; Zhang, J.; Dong, H.; Li, M.; Tao, B.; Mao, X.; Liu, Q. Design Improvement of Four-Strand Continuous-Casting Tundish Using Physical and Numerical Simulation. Materials 2023, 16, 849. [Google Scholar] [CrossRef]
- Cwudziński, A.; Pieprzyca, J.; Merder, T. Numerical and Physical Modeling of Liquid Steel Asymmetric Behavior during Non-Isothermal Conditions in a Two-Strand Slab Tundish—“Butterfly Effect”. Materials 2023, 16, 6920. [Google Scholar] [CrossRef] [PubMed]
- Chen, X.; Xiao, H.; Wang, P.; He, H.; Zhang, J. Magnetic-Flow-Thermal Characteristics of An Innovative Four-Channel Induction Heating Tundish. Steel Res. Int. 2022, 93, 2100839. [Google Scholar] [CrossRef]
- Yao, C.; Wang, M.; Zhu, H.; Xing, L.; Bao, Y. Mathematical Study of Realistic Removal Rates of Non-metallic Inclusions in Continuous Casting Tundish Using Optimized Criterion. Met. Mater. Trans. B 2023, 54, 1144–1158. [Google Scholar] [CrossRef]
- Liu, C.; Xiao, A.; He, Z.; Yan, W.; Li, G.; Wang, Q. Numerical Investigation on Motion and Removal of Inclusions in Continuous Casting Tundish with Multiorifice Filter. Steel Res. Int. 2022, 93, 2100818. [Google Scholar] [CrossRef]
- Bruch, C.; Valentin, P. Mathematical Modelling of Fluid Flow in a Continuous Casting Tundish with regard to Extraordinary Casting Conditions. Steel Res. Int. 2004, 75, 659–665. [Google Scholar] [CrossRef]
- Sengupta, A.; Mishra, P.; Singh, V.; Mishra, S.; Jha, P.K.; Ajmani, S.K.; Sharma, S.C. Physical modelling investigation of influence of strand blockage on RTD characteristics in a multistrand tundish. Ironmak. Steelmak. 2013, 40, 159–166. [Google Scholar] [CrossRef]
- Merder, T. Numerical Investigation of the Hydrodynamic Conditions in A Multi-Strand Cc Tundish with Closed Outlets. Arch. Met. Mater. 2014, 59, 891–896. [Google Scholar] [CrossRef]
- Mishra, S.K.; Jha, P.K.; Sharma, S.C.; Ajmani, S.K. Effect of blockage of outlet nozzle on fluid flow and heat transfer in continuously cast multistrand billet caster tundish. Can. Met. Q. 2012, 51, 170–183. [Google Scholar] [CrossRef]
- Xie, W.; Bao, Y.; Zhang, L.; Wang, M.; Li, R. Research on Small Stream Pouring of Seven Machine Tundish with Seven Streams. Foundry Technol. 2014, 35, 2070–2072. [Google Scholar]
- Zhang, J.; Li, J.; Yang, S. Optimization of Fluid Flow in a Twelve-strand Continuous Casting Tundish with Two Strands Closed. Metall. Int. 2014, 19, 10. [Google Scholar]
- Braun, A.; Warzecha, M.; Pfeifer, H. Numerical and Physical Modeling of Steel Flow in a Two-Strand Tundish for Different Casting Conditions. Met. Mater. Trans. B 2010, 41, 549–559. [Google Scholar] [CrossRef]
- Zhang, L. Fluid Flow, Heat Transfer and Inclusion Motion in a Four-Strand Billet Continuous Casting Tundish. Steel Res. Int. 2005, 76, 784–796. [Google Scholar] [CrossRef]
- Huang, X. Numerical Simulation Study on Plug Flow Operation of Tenstrand Tundish. Contin. Cast. 2018, 43, 35–40. [Google Scholar] [CrossRef]
- Zhong, L.; Wang, M.; Chen, B.; Wang, C.; Zhu, Y. Flow Control in Six-Strand Billet Continuous Casting Tundish with Different Configurations. J. Iron Steel Res. Int. 2010, 17, 7–12. [Google Scholar] [CrossRef]
- Yao, C.; Wang, M.; Pan, M.; Bao, Y. Optimization of large capacity six-strand tundish with flow channel for adapting situation of fewer strands casting. J. Iron Steel Res. Int. 2021, 28, 1114–1124. [Google Scholar] [CrossRef]
- Fan, J.; Li, Y.; Chen, C.; Ouyang, X.; Wang, T.; Lin, W. Effect of Uniform and Non-Uniform Increasing Casting Flow Rate on Dispersion and Outflow Percentage of Tracers in Four Strand Tundishes under Strand Blockage Conditions. Metals 2022, 12, 1016. [Google Scholar] [CrossRef]
- Wang, X.; Wang, S.; Hu, H.; Xie, X.; Wu, C.; Chen, D.; Long, M. Flow Behavior of Liquid Steel in Fewer Strands Casting of Six-Strand Bloom Tundish. Metals 2023, 13, 706. [Google Scholar] [CrossRef]
- Chen, C.; Cheng, G.G.; Yang, H.K.; Hou, Z.B. Physical Modeling of Fluid Flow Characteristics in a Delta Shaped, Four-Strand Continuous Casting Tundish with Different Flow Control Devices. Adv. Mater. Res. 2011, 284, 1071–1079. [Google Scholar] [CrossRef]
- Assael, M.J.; Kakosimos, K.; Banish, R.M.; Brillo, J.; Egry, I.; Brooks, R.; Quested, P.N.; Mills, K.C.; Nagashima, A.; Sato, Y.; et al. Reference Data for the Density and Viscosity of Liquid Aluminum and Liquid Iron. J. Phys. Chem. Ref. Data 2006, 35, 285–300. [Google Scholar] [CrossRef]
- Jeyakumar, M.; Hamed, M.; Shankar, S. Rheology of liquid metals and alloys. J. Non-Newton. Fluid 2011, 166, 831–838. [Google Scholar] [CrossRef]
- Birs, I.; Muresan, C.; Copot, D.; Ionescu, C. Model Identification and Control of Electromagnetic Actuation in Continuous Casting Process with Improved Quality. IEEE/CAA J. Autom. Sin. 2023, 10, 203–215. [Google Scholar] [CrossRef]
- Shih, T.-H.; Liou, W.W.; Shabbir, A.; Yang, Z.; Zhu, J. A new k-ϵ eddy viscosity model for high reynolds number turbulent flows. Comput. Fluids 1995, 24, 227–238. [Google Scholar] [CrossRef]
- Rodi, W. Experience with two-layer models combining the k-epsilon model with a one-equation model near the wall. In Proceedings of the 29th Aerospace Sciences Meeting, Reno, NV, USA, 7–10 January 1991; ARC: Columbus, OH, USA, 1991; p. 216. [Google Scholar] [CrossRef]
- Patankar, S.V. Numerical Heat Transfer and Fluid Flow; Hemispere Publishing Corporation: New York, NY, USA, 1980. [Google Scholar]
- Wolfshtein, M. The velocity and temperature distribution in one-dimensional flow with turbulence augmentation and pressure gradient. Int. J. Heat Mass Transf. 1969, 12, 301–318. [Google Scholar] [CrossRef]
- Chen, C.; Jonsson, L.T.I.; Tilliander, A.; Cheng, G.; Jönsson, P.G. A mathematical modeling study of the influence of small amounts of KCl solution tracers on mixing in water and residence time distribution of tracers in a continuous flow reactor-metallurgical tundish. Chem. Eng. Sci. 2015, 137, 914–937. [Google Scholar] [CrossRef]
- Ouyang, X.; Lin, W.; Luo, Y.; Zhang, Y.; Fan, J.; Chen, C.; Cheng, G. Effect of Salt Tracer Dosages on the Mixing Process in the Water Model of a Single Snorkel Refining Furnace. Metals 2022, 12, 1948. [Google Scholar] [CrossRef]
- Siemens. STAR-CCM+ Version 13.04 User Guide; Siemens PLM Software: Munich, Germany, 2019. [Google Scholar]
- Wang, Y.; Yang, J.; Wang, B.; Zhang, H.; Han, J.; Pei, P.; Lv, W.; Zhou, J. Permanent lining castable with low bulk density and thermal conductivity: Bauxite castable for tundish obtained by adding pearlescent sand. J. Iron Steel Res. Int. 2024, 31, 634–646. [Google Scholar] [CrossRef]
- Yu, C.; Dong, B.; Chen, Y.; Ma, B.; Ding, J.; Deng, C.; Zhu, H.; Di, J. Enhanced oxidation resistance of low-carbon MgO–C refractories with ternary carbides: A review. J. Iron Steel Res. Int. 2022, 29, 1052–1062. [Google Scholar] [CrossRef]
- Wang, Q.; Tan, C.; Huang, A.; Yan, W.; Gu, H.; He, Z.; Li, G. Quantitative Characterization of Flow-Induced Erosion of Tundish Refractory Lining via Water Model Experiment and Numerical Simulation. Met. Mater. Trans. B 2021, 52, 3265–3272. [Google Scholar] [CrossRef]













































| Investigators | Year | Strand Number | FCD | Mode | Research Focus |
|---|---|---|---|---|---|
| C. Bruch, P. Valentin [26] | 2004 | 6 | D,W,SR | M | FF |
| L. Zhang [33] | 2005 | 4 | D,WHW | M | FF,HT,IR |
| L. Zhong et al. [35] | 2010 | 6 | WHW | P | FC,FCD |
| A. Braun et al. [32] | 2010 | 2 | SR | P,M | HT |
| S. K. Mishra et al. [29] | 2012 | 6 | / | P,M | FF,HT |
| A. Sengupta et al. [27] | 2013 | 6 | PC | P | FC |
| W. Xie et al. [30] | 2014 | 7 | / | P | FC |
| J. Zhang et al. [31] | 2014 | 12 | WHW | P | FC |
| T. Merder [28] | 2014 | 6 | IP | M | FC |
| X. Huang [34] | 2018 | 10 | / | M | HT,IR |
| C. Yao et al. [36] | 2021 | 6 | WHW | P,M | FCD,HT |
| J. Fan et al. [37] | 2022 | 4 | WHW,SR | P,M | FF,FCD |
| Parameters | Volumetric Flow Rate per Nozzle (L/h) | Diameter of the Nozzle (mm) | Depth of Liquid (mm) | Distance between Two Nozzles (mm) | Depth of Shroud Penetration (mm) |
|---|---|---|---|---|---|
| Industrial tundish | 3105 | 30 | 800 | 1200 | 220 |
| Water model | 199 | 10 | 267 | 400 | 73 |
| Time-Weighted Variance | Double-Weir Tundish | U-Shaped Weir Tundish | U-Shaped Weir Structure with Holes in the Front | |||
|---|---|---|---|---|---|---|
| Sudden Blockage | Stable Blockage | Sudden Blockage | Stable Blockage | Sudden Blockage | Stable Blockage | |
| strand 1 blocked | 2.02 × 10−3 | 1.42 × 10−3 | 2.76 × 10−4 | 3.09 × 10−4 | 3.01 × 10−4 | 1.16 × 10−4 |
| strand 2 blocked | 2.09 × 10−3 | 1.22 × 10−3 | 4.88 × 10−4 | 2.59 × 10−4 | 2.84 × 10−4 | 2.26 × 10−4 |
Disclaimer/Publisher’s Note: The statements, opinions and data contained in all publications are solely those of the individual author(s) and contributor(s) and not of MDPI and/or the editor(s). MDPI and/or the editor(s) disclaim responsibility for any injury to people or property resulting from any ideas, methods, instructions or products referred to in the content. |
© 2024 by the authors. Licensee MDPI, Basel, Switzerland. This article is an open access article distributed under the terms and conditions of the Creative Commons Attribution (CC BY) license (https://creativecommons.org/licenses/by/4.0/).
Share and Cite
Song, J.; Luo, Y.; Li, Y.; Guo, Z.; Wang, T.; Geng, M.; Lin, W.; Fan, J.; Chen, C. Comparison of Fluid Flow and Tracer Dispersion in Four-Strand Tundish under Fewer Strand Casting and Sudden Blockage of Strand Conditions. Metals 2024, 14, 571. https://doi.org/10.3390/met14050571
Song J, Luo Y, Li Y, Guo Z, Wang T, Geng M, Lin W, Fan J, Chen C. Comparison of Fluid Flow and Tracer Dispersion in Four-Strand Tundish under Fewer Strand Casting and Sudden Blockage of Strand Conditions. Metals. 2024; 14(5):571. https://doi.org/10.3390/met14050571
Chicago/Turabian StyleSong, Jintao, Yanzhao Luo, Yuqian Li, Zhijie Guo, Tianyang Wang, Mengjiao Geng, Wanming Lin, Jinping Fan, and Chao Chen. 2024. "Comparison of Fluid Flow and Tracer Dispersion in Four-Strand Tundish under Fewer Strand Casting and Sudden Blockage of Strand Conditions" Metals 14, no. 5: 571. https://doi.org/10.3390/met14050571
APA StyleSong, J., Luo, Y., Li, Y., Guo, Z., Wang, T., Geng, M., Lin, W., Fan, J., & Chen, C. (2024). Comparison of Fluid Flow and Tracer Dispersion in Four-Strand Tundish under Fewer Strand Casting and Sudden Blockage of Strand Conditions. Metals, 14(5), 571. https://doi.org/10.3390/met14050571

