Microstructural Suitability and Stability of AlSi10Mg–Sn Plasma Coatings for Thermal Energy Storage Purposes
Abstract
1. Introduction
2. Materials and Methods
3. Results and Discussions
3.1. CALPHAD-Based Calculations
3.2. Granulometry
3.3. As-Produced AlSi10Mg-40% Mass Sn Coating
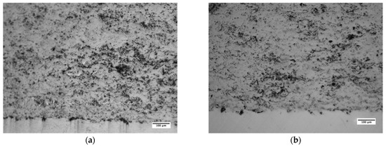
3.3.1. Microstructural Analyses
3.3.2. XRD Phase Identification
3.4. Heat-Treated Coatings
XRD Phase Identification
3.5. As-Produced and Heat-Treated Coatings Comparison
3.5.1. Heat-Treated Coating Surface Modification
3.5.2. Surface Roughness Analysis
4. Conclusions
- CALPHAD-based calculations highlight the miscibility gap nature and, consequently, the suitability for the declared purposes of the selected system, mainly composed by Al, Sn and, to a lesser extent, Si phases. These phases remain stable, in terms of composition, also up to 250 °C.
- The as-produced microstructure exhibits suitable features for the target application. Indeed, single Sn phases are well dispersed and isolated inside the Al+Al–Si eutectic matrix.
- During the 10 heat cycles performed the microstructure demonstrates its efficiency in maintaining the Sn basins separated in the bulk. The coating does not detach in the ten cycles nor exhibit superficial cracks.
- Surface SEM analyses and quantitative metallographic analyses revealed that minor exudation of Sn at the coating surface occurred, mainly taking place during the first heat treatment cycle. Surface roughness maps and their derived parameters demonstrated that heat treatments led to a more inhomogeneous profile and to higher gradients with respect to the as-produced coating.
Author Contributions
Funding
Data Availability Statement
Acknowledgments
Conflicts of Interest
References
- Dong, B.; Wu, Z.; Hang, Z.; Wang, H.; Li, N.; Jie, J.; Li, T. Novel insight into the composition design and microstructure evolution of immiscible alloys: Establishing a thermodynamics/dynamics coupling analysis method. J. Mol. Liq. 2024, 409, 125469. [Google Scholar] [CrossRef]
- Manasijević, D.; Balanović, L.; Marković, I.; Gorgievski, M.; Stamenković, U.; Kovačević, A. Thermal properties and microstructure of Al–Sn alloys. J. Phys. Chem. Solids 2024, 195, 112297. [Google Scholar] [CrossRef]
- Zhao, J.; Li, X.; Xie, E.; Mei, H.; Shen, Y.; Li, K.; Gong, W.; Wang, L. Study on the dissolution diffusion behavior of Al in Sn melt. Front. Mater. 2023, 10, 1238354. [Google Scholar] [CrossRef]
- Schmid-Fetzer, R. Thermodynamic aspects of tin segregation during solidification of aluminium alloys. Mater. Sci. Forum. 2009, 618–619, 183–190. [Google Scholar] [CrossRef]
- Wang, C.P.; Wang, M.S.; Deng, Y.L.; Zhang, J.B.; Yang, S.Y.; Huang, Y.X.; Liu, X.J. Phase equilibria in the Fe-Al-Sn Ternary System. J. Phase Equilib. Diffus. 2022, 43, 51–57. [Google Scholar] [CrossRef]
- Mironov, A.E.; Gershman, I.S.; Gershman, E.I. Influence of Tin on the Tribotechnical Properties of Complex Antifriction Aluminum Alloys. J. Frict. Wear 2018, 39, 394–399. [Google Scholar] [CrossRef]
- Liu, X.; Zeng, M.Q.; Ma, Y.; Zhu, M. Promoting the high load-carrying capability of Al–20wt%Sn bearing alloys through creating nanocomposite structure by mechanical alloying. Wear 2012, 294–295, 387–394. [Google Scholar] [CrossRef]
- Marrocco, T.; Driver, L.C.; Harris, S.J.; McCartney, D.G. Microstructure and properties of thermally sprayed Al-Sn-based alloys for plain bearing applications. J. Therm. Spray Technol. 2006, 15, 634–639. [Google Scholar] [CrossRef]
- Belov, N.A.; Mikhailina, A.O.; Alabin, A.N.; Stolyarova, O.O. Theoretical and Experimental Study of the Al–Cu–Si–Sn Phase Diagram in the Range of Aluminum Alloys. Met. Sci. Heat Treat. 2016, 58, 195–201. [Google Scholar] [CrossRef]
- Sugo, H.; Kisi, E.; Cuskelly, D. Miscibility gap alloys with inverse microstructures and high thermal conductivity for high energy density thermal storage applications. Appl. Therm. Eng. 2013, 51, 1345–1350. [Google Scholar] [CrossRef]
- Panchamiya, V.P.; Kuchimanchi, A.; Kulkarni, K.G.; Havaldar, S.N. A review on phase change materials: Development, Types, and Applications. J. Phys. Conf. Ser. 2023, 2426, 012033. [Google Scholar] [CrossRef]
- Shamberger, P.J.; Bruno, N.M. Review of metallic phase change materials for high heat flux transient thermal management applications. Appl. Energy 2020, 258, 113955. [Google Scholar] [CrossRef]
- Costa, S.C.; Kenisarin, M. A review of metallic materials for latent heat thermal energy storage: Thermophysical properties, applications, and challenges. Renew. Sustain. Energy Rev. 2022, 154, 111812. [Google Scholar] [CrossRef]
- Rawson, A.; Villada, C.; Kolbe, M.; Stahl, V.; Kargl, F. Suitability of aluminium copper silicon eutectic as a phase change material for thermal storage applications: Thermophysical properties and compatibility. Energy Storage 2021, 4, e299. [Google Scholar] [CrossRef]
- Chen, H.; Bai, J.; Liu, Y.; Mo, Z.; Wang, J.; Shen, J. An improved preparation method of core-shell Al@Sn-Bi microspheres and its microstructure formation mechanism. J. Mater. Process. Technol. 2024, 328, 118415. [Google Scholar] [CrossRef]
- Zhao, J.Z.; Ahmed, T.; Jiang, H.X.; He, J.; Sun, Q. Solidification of immiscible alloys: A review. Acta Metall. Sin. (Engl. Lett.) 2017, 30, 1–28. [Google Scholar] [CrossRef]
- Chikova, O.A.; Vyukhin, V.V.; Tsepelev, V.S. Influence of Melt Superheating Treatment on the Cast Structure of Al–Sn Alloys. Russ. J. Non-Ferr. Met. 2021, 62, 286–292. [Google Scholar] [CrossRef]
- Confalonieri, C.; Bassani, P.; Gariboldi, E. Microstructural and thermal response evolution of metallic form-stable phase change materials produced from ball-milled powders. J. Therm. Anal. Calorim. 2020, 142, 85–96. [Google Scholar] [CrossRef]
- Gariboldi, E.; Perrin, M. Metallic composites as form-stable phase-change alloys. Mater. Sci. Forum. 2018, 941, 1966–1971. [Google Scholar] [CrossRef]
- Rawson, A.; Kisi, E.; Sugo, H.; Fiedler, T. Effective conductivity of Cu-Fe and Sn-Al miscibility gap alloys. Int. J. Heat Mass Transfer, 2014; 77, 395–405. [Google Scholar] [CrossRef][Green Version]
- Confalonieri, C.; Perrin, M.; Gariboldi, E. Combined powder metallurgy routes to improve thermal and mechanical response of Al−Sn composite phase change materials. Trans. Nonferrous Met. Soc. China 2020, 30, 3226–3239. [Google Scholar] [CrossRef]
- Confalonieri, C.; Grimaldi, A.T.; Gariboldi, E. Ball-milled Al–Sn alloy as composite Phase Change Material. Mater. Today Energy 2020, 17, 100456. [Google Scholar] [CrossRef]
- Canté, M.V.; Cruz, K.S.; Spinelli, J.E.; Cheung, N.; Garcia, A. Experimental analysis of the columnar-to-equiaxed transition in directionally solidified Al-Ni and Al-Sn alloys. Mater. Lett. 2007, 61, 2135–2138. [Google Scholar] [CrossRef]
- Cruz, K.S.; Spinelli, J.E.; Ferreira, I.L.; Cheung, N.; Garcia, A. Microstructural development in Al-Sn alloys directionally solidified under transient heat flow conditions. Mater. Chem. Phys. 2008, 109, 87–98. [Google Scholar] [CrossRef]
- Wu, C.; Li, M.; Jia, P.; Liu, R.; Cui, S.; Geng, H. Solidification of immiscible Al75Bi9Sn16alloy with different cooling rates. J. Alloys Compd. 2016, 688, 18–22. [Google Scholar] [CrossRef]
- Jie, J.; Zheng, Z.; Liu, S.; Yue, S.; Li, T. Solidification structure evolution of immiscible Al-Bi-Sn alloys at different cooling rates. J. Mater. Res. 2019, 34, 2563–2571. [Google Scholar] [CrossRef]
- Stuczyñski, T. Metallurgical problems associated with the production of aluminium-tin alloys. Mater. Des. 1997, 18, 369–372. [Google Scholar] [CrossRef]
- Kotadia, H.R.; Das, A.; Doernberg, E.; Schmid-Fetzer, R. A comparative study of ternary Al-Sn-Cu immiscible alloys prepared by conventional casting and casting under high-intensity ultrasonic irradiation. Mater. Chem. Phys. 2011, 131, 241–249. [Google Scholar] [CrossRef]
- Xu, M.; Yin, Y.-G.; Li, C.-M.; Duan, C.-C. A comparative study on Sn macrosegregation behavior of ternary Al-Sn-Cu alloys prepared by gravity casting and squeeze casting. China Foundry 2023, 20, 63–70. [Google Scholar] [CrossRef]
- Heydari, V.; Alizadeh, M.; Pashangeh, S. Investigation into microstructural and mechanical properties of Al–Sn alloy fabricated using accumulative roll bonding combined with heat treatment. J. Mater. Res. Technol. 2023, 26, 3481–3495. [Google Scholar] [CrossRef]
- Lucchetta, M.C.; Saporiti, F.; Audebert, F. Improvement of surface properties of an Al–Sn–Cu plain bearing alloy produced by rapid solidification. J. Alloys Compd. 2019, 805, 709–717. [Google Scholar] [CrossRef]
- Kim, W.T.; Cantor, B. Solidification of tin droplets embedded in an aluminium matrix. J. Mater. Sci. 1991, 26, 2868–2878. [Google Scholar] [CrossRef]
- Bassani, P.; Molteni, M.; Gariboldi, E. Microstructural features and thermal response of granulated Al and A356 alloy with relevant Sn additions. Mater. Des. 2023, 229, 111879. [Google Scholar] [CrossRef]
- Tamura, T.; Li, M.; Takahashi, K.; Inoue, E. Improved solidification structures and mechanical properties of Al–20 wt% Sn alloys processed by an electromagnetic vibration technique. Mater. Sci. Eng. A 2023, 862, 144416. [Google Scholar] [CrossRef]
- Li, S.; Guo, H.; Li, Y.; Wen, Z.; Zhu, Z. Effect of electromagnetic stirring current on microstructure and corrosion resistance of Al-Sn Alloy. Mater. Res. Express 2022, 9, 046523. [Google Scholar] [CrossRef]
- Li, S.; Li, Y.; Guo, H.; Wen, Z.; Zhu, Z. Effect of electromagnetic stirring frequency on tribological performance and corrosion resistance of Al-Sn bearing alloy. Mater. Today Commun. 2022, 32, 103898. [Google Scholar] [CrossRef]
- Makhatha, M.E.; Fatoba, O.S.; Akinlabi, E.T. Effects of rapid solidification on the microstructure and surface analyses of laser-deposited Al-Sn coatings on AISI 1015 steel. Int. J. Adv. Manuf. Technol. 2018, 94, 773–787. [Google Scholar] [CrossRef]
- Ning, X.J.; Kim, J.H.; Kim, H.J.; Lee, C. Characteristics and heat treatment of cold-sprayed Al-Sn binary alloy coatings. Appl. Surf. Sci. 2009, 255, 3933–3939. [Google Scholar] [CrossRef]
- Confalonieri, C.; Casati, R.; Gariboldi, E. Effect of Process Parameters on Laser Powder Bed Fusion of Al-Sn Miscibility Gap Alloy. Quantum Beam Sci. 2022, 6, 17. [Google Scholar] [CrossRef]
- Confalonieri, C.; Gariboldi, E. Al-Sn Miscibility Gap Alloy produced by Power Bed Laser Melting for application as Phase Change Material. J. Alloys Compd. 2021, 881, 160596. [Google Scholar] [CrossRef]
- de Albuquerque, S.; Reinhart, G.; Magalhaes, D.C.C.; Spinelli, J.E.; Soltani, H.; Boumetcha, W.; Bertelli, F.; Nguyen-Thi, H. Solidification paths of Al-Cu-Sn alloys: Comparison of thermodynamic analyses and solidification experiments using in situ X-radiography. Mater. Today Commun. 2024, 40, 109545. [Google Scholar] [CrossRef]
- Mirković, D.; Gröbner, J.; Schmid-Fetzer, R. Solidification paths of multicomponent monotectic aluminum alloys. Acta Mater. 2008, 56, 5214–5222. [Google Scholar] [CrossRef]
- Mirković, D.; Gröbner, J.; Schmid-Fetzer, R. Liquid demixing and microstructure formation in ternary Al-Sn-Cu alloys. Mater. Sci. Eng. A 2008, 487, 456–467. [Google Scholar] [CrossRef]
- El-Salam, F.A.; El-Khalek, A.M.A.; Nada, R.H.; Wahab, L.A.; Zahran, H.Y. Effect of Sn content on the structural and mechanical properties of Al-Si alloy. Mater. Sci. Eng. A 2010, 527, 1223–1229. [Google Scholar] [CrossRef]
- Bertelli, F.; Cheung, N.; Ferreira, I.L.; Garcia, A. Evaluation of thermophysical properties of Al-Sn-Si alloys based on computational thermodynamics and validation by numerical and experimental simulation of solidification. J. Chem. Thermodyn. 2016, 98, 9–20. [Google Scholar] [CrossRef]
- Zou, Q.; Jie, J.; Liu, S.; Sun, X.; Li, T.; Wang, T.; Yin, G. Effect of Sn addition on the separation and purification of primary Si from solidification of Al-30Si melt under electromagnetic stirring. J. Alloys Compd. 2017, 725, 1264–1271. [Google Scholar] [CrossRef]
- Belov, N.A.; Akopyan, T.K.; Gershman, I.S.; Stolyarova, O.O.; Yakovleva, A.O. Effect of Si and Cu additions on the phase composition, microstructure and properties of Al-Sn alloys. J. Alloys Compd. 2017, 695, 2730–2739. [Google Scholar] [CrossRef]
- Fauchais, P.; Vardelle, M.; Albert, A. Plasma spraying: Present and future. Pure Appl. Chem. 1994, 66, 1247–1258. [Google Scholar] [CrossRef][Green Version]
- Vardelle, A.; Moreau, C.; Themelis, N.J.; Chazelas, C. A Perspective on Plasma Spray Technology. Plasma Chem. Plasma Process. 2015, 35, 491–509. [Google Scholar] [CrossRef]
- Fedina, T.; Belelli, F.; Lupi, G.; Brandau, B.; Casati, R.; Berneth, R.; Brueckner, F.; Kaplan, A.F.H. Influence of AlSi10Mg powder aging on the material degradation and its processing in laser powder bed fusion. Powder Technol. 2022, 412, 118024. [Google Scholar] [CrossRef]
- ImageJ, version 1.51; National Institute of Health: Bethesda, MD, USA, 2018.
- TCS Al-Based Alloy Database (TCAL8), version 2023b; ThermoCalc: Stockholm, Sweden, 2021.
- Deshpande, V.T.; Sirdeshmukh, D.B. Thermal expansion of tetragonal tin. Acta Crystallogr. 1961, 14, 355–356. [Google Scholar] [CrossRef]
- Sharafat, S.; Ghoniem, N. Summary of Thermo-Physical Properties of Sn, Comparison of Properties of Sn, Sn-Li, Li, and Pb-Li; University of California Los Angeles: Los Angeles, CA, USA, 2000; pp. 1–51. [Google Scholar]
- Altenbach, H.; Naumenko, K. Creep in structures VI IUTAM Symposium Proceedings; Springer Nature: Cham, Switzerland, 2023. [Google Scholar] [CrossRef]
- Padovano, E.; Badini, C.; Pantarelli, A.; Gili, F.; D’Aiuto, F. A comparative study of the effects of thermal treatments on AlSi10Mg produced by laser powder bed fusion. J. Alloys Compd. 2020, 831, 154822. [Google Scholar] [CrossRef]
- Hu, R.; Sun, W.; Zeng, M.; Zhu, M. Dispersing SnO2 nanocrystals in amorphous carbon as a cyclic durable anode material for lithium ion batteries. J. Energy Chem. 2014, 23, 338–345. [Google Scholar] [CrossRef]
- Nix, F.C.; MacNair, D. The thermal expansion of pure metals: Copper, Gold, Aluminum, Nickel and iron. Phys. Rev. 1941, 60, 597–605. [Google Scholar] [CrossRef]
- Straumal, B.B.; Gust, W.; Molodov, D.A. Wetting Transition on Grain Boundaries in AI Contacting with a Sn-rich Melt. Interface Sci. 1995, 132, 127–132. [Google Scholar]
- Lin, Q.; Zhong, W.; Li, F.; Yu, W. Reactive wetting of tin/steel and tin/aluminum at 350–450 °C. J. Alloys Compd. 2017, 716, 73–80. [Google Scholar] [CrossRef]
- Elomari, S.; Boukhili, R.; Lloyd, D.J. Thermal expansion studies of prestrained Al2O3/Al metal matrix composite. Acta Mater. 1996, 44, 1873–1882. [Google Scholar] [CrossRef]
- Zhang, L.; Li, J.; Xiong, D.; Xu, M.; Yin, L.; Zhang, H.; Yao, Z. Dynamic growth mechanism of tin whisker driven by compressive stress under thermal-mechanic-electric-diffusion coupling. Vacuum 2023, 215, 112299. [Google Scholar] [CrossRef]


















| Powder | Al | Si | Fe | Cu | Mn | Mg | O | N | H | Sn |
|---|---|---|---|---|---|---|---|---|---|---|
| AlSi10Mg | Bal. | 9.7 | 0.12 | <0.01 | <0.01 | 0.36 | 0.067 | <0.005 | 0.003 | - |
| Sn106 | - | - | - | - | - | - | - | - | - | >99.7 |
| Amount and Composition of Stable Phases at 25 °C (Mass Percentages) | ||||||
|---|---|---|---|---|---|---|
| Phases | Total [%] | Al [%] | Si [%] | Mg [%] | Sn [%] | Fe [%] |
| Al9Fe2Si2 | 2.893 | 64.110 | 8.920 | - | - | 26.970 |
| Sn | 39.215 | 0.004 | - | - | 99.996 | - |
| Si | 5.440 | - | 100 | - | - | - |
| Al | 51.424 | 99.999 | - | - | 0.001 | - |
| Mg2Sn | 1.028 | - | 0.146 | 29.189 | 70.666 | - |
| Amount and Composition of Stable Phases at 250 °C (Mass Percentages) | ||||||
|---|---|---|---|---|---|---|
| Phases | Total [%] | Al [%] | Si [%] | Mg [%] | Sn [%] | Fe [%] |
| Al9Fe2Si2 | 2.893 | 64.092 | 8.943 | - | - | 26.965 |
| LIQUID | 40.411 | 0.517 | - | 0.741 | 98.742 | - |
| Si | 5.432 | - | 99.957 | - | 0.043 | - |
| Al | 51.265 | 99.907 | 0.023 | 0.001 | 0.069 | - |
| As-Produced | Ten-Times Heat-Treated | |
|---|---|---|
| Sa [μm] | 12.05 ± 0.03 | 13.18 ± 0.03 |
| Sq [μm] | 15.31 ± 0.03 | 17.22 ± 0.03 |
| Sp [μm] | 66.70 ± 0.03 | 134.23 ± 0.03 |
| Sv [μm] | 43.35 ± 0.03 | 53.11 ± 0.03 |
| Ssk | 0.68 ± 0.03 | 0.98 ± 0.03 |
| Sku | 3.36 ± 0.03 | 4.87 ± 0.03 |
| Sdq | 0.80 ± 0.03 | 1.16 ± 0.03 |
| Sdr [%] | 27.35 ± 0.03 | 53.88 ± 0.03 |
Disclaimer/Publisher’s Note: The statements, opinions and data contained in all publications are solely those of the individual author(s) and contributor(s) and not of MDPI and/or the editor(s). MDPI and/or the editor(s) disclaim responsibility for any injury to people or property resulting from any ideas, methods, instructions or products referred to in the content. |
© 2024 by the authors. Licensee MDPI, Basel, Switzerland. This article is an open access article distributed under the terms and conditions of the Creative Commons Attribution (CC BY) license (https://creativecommons.org/licenses/by/4.0/).
Share and Cite
Molteni, M.; Bona, M.; Chierichetti, A.; Trecordi, G.; Gariboldi, E. Microstructural Suitability and Stability of AlSi10Mg–Sn Plasma Coatings for Thermal Energy Storage Purposes. Metals 2024, 14, 1414. https://doi.org/10.3390/met14121414
Molteni M, Bona M, Chierichetti A, Trecordi G, Gariboldi E. Microstructural Suitability and Stability of AlSi10Mg–Sn Plasma Coatings for Thermal Energy Storage Purposes. Metals. 2024; 14(12):1414. https://doi.org/10.3390/met14121414
Chicago/Turabian StyleMolteni, Matteo, Marco Bona, Andrea Chierichetti, Giacomo Trecordi, and Elisabetta Gariboldi. 2024. "Microstructural Suitability and Stability of AlSi10Mg–Sn Plasma Coatings for Thermal Energy Storage Purposes" Metals 14, no. 12: 1414. https://doi.org/10.3390/met14121414
APA StyleMolteni, M., Bona, M., Chierichetti, A., Trecordi, G., & Gariboldi, E. (2024). Microstructural Suitability and Stability of AlSi10Mg–Sn Plasma Coatings for Thermal Energy Storage Purposes. Metals, 14(12), 1414. https://doi.org/10.3390/met14121414

