Abstract
In this article, the fatigue crack closure in a new titanium alloy is carried out under constant amplitude cyclic loading with the combination of the simulation method and experiments. A numerical simulation of the crack closure effect on a new titanium alloy under different load ratios was carried out to analyze the effect of grid size on the crack closure level and to obtain the fatigue crack opening load level under different load ratios. The experimental study of the fatigue crack growth rate of the new titanium alloy under different load ratios has demonstrated that the fatigue crack growth rate is affected by the stress ratio. With the increase in load ratio, the crack expansion rate of new titanium also increases. Combined with the simulation, the experiments show that the crack closure effect induced by the plastic region at the crack tip is the main reason for the load ratio effect on the fatigue crack expansion rate of the new titanium alloy.
1. Introduction
With the gradual reduction of land resources as mankind exploits them, countries around the world have begun to emphasize the development of deep-sea resources. As scientific equipment for deep-sea exploration, a manned deep-sea submersible is an essential guarantee to realize deep-sea environment exploration and resource development. As the main structure of the manned deep-sea submersible, the pressure-resistant shell is mainly titanium alloy due to its high strength, low density, and good corrosion resistance. Marine equipment will experience cyclic loading during service, and as a result, fatigue cracks can develop on marine structures. Although fatigue cracks on many structures are usually short or short during most of the life of the structure [1], the fact that fatigue failures occur very suddenly, often with little warning, makes it easy to cause major accidents. Therefore, it is still essential to study the fatigue behavior of metallic materials [2,3]. Scholars have discovered the crack closure phenomenon in the process of studying fatigue crack growth and found that crack closure has a great influence on crack growth. Up to now, a great deal of research has been carried out by scholars on the fatigue propagation behavior of titanium alloys, but the research on the effect of crack closure still needs to be strengthened. As an essential phenomenon in fatigue crack extension, the crack closure effect is of great importance to be studied [4].
The key to studying crack closure is to find proper ways to evaluate the crack tension stress. At present, the methods of assessing tensile stress mainly include experimental methods and numerical analysis. The crack tensile stress and closure stress of 2024-T3 aluminum alloy [5] and 6082-T6 aluminum alloy [6] have been obtained by experimental methods. However, the test method makes it difficult to accurately measure the rapidly changing stress-strain field near the crack tip, and the test results can only reflect the crack closure behavior under the current conditions, so it is not suitable for large-scale use. With the popularity of finite element software, more and more scholars tend to use numerical methods to study the crack closure behavior of metals [7,8,9]. Radek K. et al. [7] used finite element software to build a three-dimensional model of a CT specimen and investigated different degrees of crack closure produced by different materials under plasticity. It was found that there was a significant difference in the degree of crack closure between different materials at R = 0.1, which seems to be contrary to previous views on crack closure. Carlos E. et al. [8] conducted a numerical simulation study of the crack closure phenomenon on aluminum alloy AA6082-T6, using MT two-dimensional specimens. The effect of mesh size on crack opening and closing loads was investigated, and it was found that the degree of crack closure was no longer affected by the mesh size when the mesh size was small enough.
The study of fatigue crack closure due to plastic deformation using the finite element method is relatively simple conceptually. It is a mesh model with an initial crack. External loads are applied at the distal end of the model. Under cyclic loading, the load cycles between the maximum and minimum loads, and the crack grows forward in a certain way, leading to the formation of a plastic trailing zone behind the crack tip. However, there are many factors that affect the effectiveness of crack closure. The research has mainly focused on the grid scale, the contact mode of the upper and lower crack surfaces, the timing of crack growth, the method of determining the crack opening point, the effect of load spectrum and load ratio, etc. [10,11,12,13,14]. Taking titanium alloy as the research object, Sun [10] investigated the crack closure phenomenon during fatigue crack growth by the numerical simulation method and analyzed the influence laws of mesh size, intrinsic model, stress ratio, and maximum load on the crack closure effect. At the same time, he also carried out fatigue tests. Based on the numerical simulation results of the crack closure effect, the reason for the influence of stress ratio on crack growth in the fatigue test was well explained. Camas D. et al. [11,12] conducted a numerical simulation study of crack closure effects on three-dimensional specimens using commercial finite element software ANSYS and the mesh size that he suggested to simulate crack closure. The relationship between mesh size, plastic wake region size, number of loading cycles between node releases, and their effect on crack closure was explored. The relationship between the number of cycles and the crack opening and closing loads was analyzed. The effect of plastic wake region size on crack opening and closing loads and the yield region size under 3D numerical simulation was also studied. A correlation was found between the thickness of the pattern and the size of the plastic wake region. Axel R. [13] investigated the effect of material hardening behavior and strain amplitude on plasticity-induced fatigue crack closure using the finite element method based on the ABAQUS software. The effects of different factors on crack closure during finite element simulation were summarized—i.e., the effects of finite element mesh, crack growth criterion, definition of crack closure, and intrinsic model on crack closure. The results show that an increase in strain amplitude leads to a weakening and gradual stabilization of the crack closure effect. The higher the degree of hardening, the more significant the crack closure effect. The stress ratio seems to have little effect on crack closure compared with the strain amplitude and the degree of material hardening. Lei Z. [14] simulated the fatigue crack growth process in CT specimens using the nodal debonding technique in ABAQUS on Q345 steel. The influence of the crack closure effect on crack growth was explained by the displacement of the nodes in the plastic trailing region of the crack tip. The effects of mesh size, load ratio R, crack length, and maximum load on crack opening and closing loads were investigated. It was found that the crack opening and closing loads no longer varied when the mesh size was small to a certain extent. R had a great influence on crack closure, and as R increased, the crack closure weakened, but the opening load became larger. Crack closure even disappeared when R reached a certain level. Unlike R, crack length and maximum load had almost no effect on crack closure.
In this paper, based on the theory of elastic-plastic fracture mechanics, the fatigue crack closure effect on the new titanium alloy is studied by the numerical method, and the influence of load ratio, element size, and other parameters on the crack closure effect is obtained and analyzed. The fatigue cracks growth rate test of the new titanium alloy under different load ratios is carried out to investigate the effect of load ratio on the fatigue crack expansion rate. The fatigue cracks growth rate considering the crack closure is obtained by combining the experimental results with simulation to verify that the crack closure induced by the plastic region at the crack tip is the main cause of the load ratio effect.
2. Crack Closure Theory
The phenomenon of fatigue crack closure refers to the fact that a certain yield range occurs at the crack tip when the fatigue crack grows. Due to the restraint produced by the elastic part around the plastic region, the cracked upper and lower surfaces remain against each other even after they have been unloaded to the minimum load state. The crack closure phenomenon was first observed by Elber. He proposed the equivalent stress intensity factor and considered it to be the driving force of crack growth. As an important factor affecting crack growth, the crack closure effect has received extensive attention from scholars at home and abroad [15,16].
In the study of the crack closure effect, the crack closure parameter U is usually used to represent the level of crack closure [17]. For plasticity-induced crack closure, the crack closure parameter U is only related to the stress ratio R and not to the crack length a or Kmax or ΔK, as found by researchers [15,16,18]. The parameter U is given by Equation (1).
Crack closure can explain the mechanism of the effective stress intensity factor amplitude ΔKeff near the crack tip, which is different from the nominally applied ΔK [19]. The range of effective stress intensity factor ΔKeff is shown in Equation (2).
The stress intensity factor K is shown in Equation (3).
where Pop is the crack opening load, N; the smaller the U, the stronger the crack closure effect, and the larger the U, the weaker the crack closure effect.
3. Fatigue Crack Growth Rate Experiment
The new titanium alloy used in this paper was developed specifically for deep-sea structures, such as deep-sea submersibles, and, therefore, does not have a specific grade. The chemical composition of this titanium alloy is shown in Table 1.
Table 1.
Chemical composition of the new titanium alloy (Mass fraction, %).
The fatigue crack growth behavior of real structures cannot be investigated by testing methods due to cost and space limitations. Therefore, ASTM E647 [1] specifies standard fracture mechanics specimen geometries to study the fatigue behavior of metals, which is an integral part of structural design and fabrication.
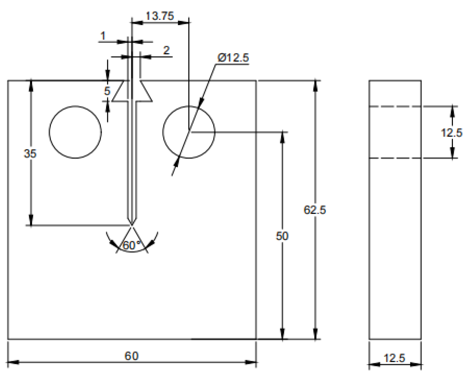
The fatigue cracks growth rate experiments were conducted on the new titanium alloy under different load ratios by reference to ASTM E647. The test apparatus is an Instron8802 fatigue tester (Instron Corporation, Norwood, MA, USA). The specimens were standard CT, where the specimen width W = 50 mm, the thickness B = 12.5 mm, and the prefabricated initial crack length a0 = 24.5 mm. The specimen size is shown in Figure 1. The test load was a triangular constant amplitude cyclic load with load ratios of 0.03, 0.1, and 0.3. The maximum load was 9000 N, and the loading frequency was 10 Hz. The load spectrum is shown in Figure 2.
Figure 1.
Size of the CT specimen (Unit: mm).
Figure 2.
Schematic of the load spectrum.
4. Numerical Simulation Study of Fatigue Crack Closure Level
4.1. Model Parameters
ABAQUS (Abaqus CAE, Dassault SIMULIA, Providence, RI, USA) is used to numerically simulate the crack closure process in the 2D CT specimen in this paper. The specimen size in the numerical analysis is the same as in the test. The numerical analysis uses cyclic loading, and the period of each cycle is 0.5 s. The maximum load is 9000 N and load ratios are 0.03, 0.1, and 0.3. To obtain sufficient computational accuracy and computational cost, 100 incremental steps are divided in each cycle to obtain more accurate values of tension and closure stresses, respectively [20,21]. Due to the symmetry of the specimen, only half of the finite element model is divided. To obtain an accurate stress field at the crack tip, the mesh at the crack tip is locally refined. Because of the obvious stress concentration phenomenon and high nonlinearity at the crack tip during the calculation, a four-node reduced integration CPS4R element is used to effectively reduce the self-locking and non-convergence problems [20].
The Chaboche combined constitutive model is used to describe the elastic-plastic behavior [22,23] of the new titanium alloy in this paper due to a better description of the cumulative plasticity phenomenon [24,25]. The material parameters obtained from the experiments are shown in Table 2.
Table 2.
Material parameters of the Chaboche combined constitutive model.
4.2. Boundary Conditions
The boundary conditions in the simulation are defined as all nodes bond on the two contact surfaces. The point on the rigid line is defined as a reference point, and the rigidly fixed constraint is defined as the reference point. The symmetry constraint in the y-direction is defined on other nodes that are not involved in the crack length calculation. The constraint in the x-direction is defined at any point distal to the crack to prevent the model from moving during the simulation. The load is applied to the upper part of the hole, and the x-direction constraint at the load is defined. The load position and boundary conditions of the model are shown in Figure 3.
Figure 3.
Loading position and boundary conditions.
4.3. Crack Growth Method
The node release technique simulates the crack closure phenomenon during crack growth. During the simulation, the debonding technique is used to debond the nodes at any loading time by defining the time versus crack length relationship [26]. In this study, the crack grows at the moment of the minimum load, and the nodes are released every second cycle. We follow the crack surface contact force method, using the first node on the crack surface behind the crack tip as a reference point. The crack opening and closing load values are obtained by analysis of this reference point [27].
In finite element calculations, the size of the crack tip element affects the calculation results. To obtain accurate calculation results, the appropriate element size must be determined before dividing the mesh [28]. Previous studies have shown that the plastic zone size is the basis for the division of the minimum element size. The Dugdales formula is used to determine the size of the plastic zone, as shown in Equation (5).
where α is the constraint factor with a plane stress state of 1 and a plane strain state of 3.
To investigate the effect of the grid size on the crack closure effect in the new titanium alloy, a dimensionless term is defined: η = rpD/sme, where rpD is the plastic zone size and sme is the crack tip element size. This parameter indicates the number of plastic zone divisions [29]. To obtain the most suitable element size, the following four element sizes are investigated in this paper, as shown in Table 3. The calculated results are shown in Figure 4.
Figure 4.
Diagram of the relationship between opening load and η.
Table 3.
Dimensions of the plastic zone for different element sizes.
Table 3.
Dimensions of the plastic zone for different element sizes.
| Lattices | Element Size (mm) | rpD (mm) | η |
|---|---|---|---|
| 1 | 0.05 | 0.490 | 9 |
| 2 | 0.025 | 0.490 | 18 |
| 3 | 0.0125 | 0.490 | 36 |
| 4 | 0.00625 | 0.490 | 72 |
The simulated results show that the crack opening load gradually increases as the size of the elements decreases, the number of elements in the plastic zone of the crack tip increases, and the crack closure effect stabilizes. The reason is that the smaller the element is, the closer the reference node is to the crack tip and the later the crack opening process will occur. As the element size decreases, the number of elements in the plastic zone of the crack tip increases, which can reflect the mechanical state of the crack tip more accurately. However, as the element size decreases, the computational cost required for crack expansion increases significantly. Therefore, the grid size of 0.0125 mm is applied in this paper, which not only satisfies the division of the plastic zone by McClung [30] and reflects the mechanical state of the crack tip better but also shortens the computational time, and saves the computational cost.
5. Calculated Results and Analysis
5.1. The Fatigue Crack Growth Rate Experimental Results
In this paper, the fatigue crack growth rate in the new titanium alloy under different load ratios was analyzed, and the test results are shown in Figure 5. From Figure 5a, it can be seen that the fatigue crack length in the new titanium alloy increases with an increase in the number of fatigue cycles N for all three load ratios. With the increase in the load ratio, the fatigue life of the new titanium presents a significant exponential increase. As shown in Figure 5b, the fatigue growth rate of the new titanium alloy increases with an increase in the stress intensity factor range, and destabilizing growth occurs when the fracture toughness is reached eventually. The fatigue crack growth behavior of the new titanium alloy has a significant load ratio effect. With the increase in the load ratio, the fatigue crack growth rate in the new titanium alloy increases, and the difference in the fatigue crack growth rates tends to increase with an increase in the stress intensity factor range. The phenomenon stems from the crack closure induced by the plastic region at the crack tip. Therefore, based on the fatigue crack growth experiment of the new titanium alloy, the simulation study of the crack closure effect is carried out in this paper.
Figure 5.
Fatigue crack growth curve of new titanium alloy under different load ratios: (a) a-N curves; (b) da/dN-ΔK curves.
5.2. The Simulation Results of Fatigue Crack Closure
The crack closure effect of the new titanium alloy at load ratios of 0.03, 0.1, and 0.3 was investigated numerically. The variation curves of fatigue crack closing and opening load with the crack length of the new titanium alloy at the three load ratios are shown in Figure 6. It can be seen that the dimensionless opening load and dimensionless closing load increase with increasing crack length at all three load ratios, and the rate of increase decreases until it is stable. The load ratio significantly affects the crack opening and closing load levels. When the load ratio is 0.03, the dimensionless opening load Fop/Fmax is 0.518, and the dimensionless closing load Fcl/Fmax is 0.33. When R = 0.1, the dimensionless opening load and the dimensionless closing load are 0.536 and 0.356, respectively. When R = 0.3, the dimensionless opening load is 0.575, and the dimensionless closing load is 0.39. As the load ratio increases, both the opening and closing loads increase. The minimum and the average load increase with the enhancement of the load ratio, resulting in a consequent increase in the opening and closing loads.
Figure 6.
Variation of opening/closing load with crack length under different load ratios.
Since the crack opening load determines the magnitude of the driving force of crack growth, to further investigate the crack closure effect on the new titanium alloy, the variation laws of dimensionless opening load Fop/Fmax, ΔK, ΔKeff, and U with the crack growth length a are analyzed in this paper, as shown in Figure 7. It can be seen that the larger the load ratio, the larger the opening load; however, the crack closure parameter U decreases with an increase in the stress intensity factor range ΔK and the effective stress intensity factor range ΔKeff. With the increase in load ratio, the crack closure effect on the new titanium alloy decreases. The main reason is that the increase in the load ratio causes the minimum load to become larger, and the increased stress will be offset with part of the residual compressive stress, making the residual compressive stress for crack closure smaller. The crack closure effect will be weakened accordingly.

Figure 7.
Crack closure effect under different load ratios: (a) Crack opening load; (b) Stress intensity factor; (c) Effective stress intensity factor; (d) Crack closure parameters.
From Figure 7d, the closure parameter U decreases as the crack length a increases when a is less than 0.3 mm. However, after the crack length reaches 0.3 mm, U no longer changes. In other words, when the crack is very small, the stress field at the crack tip is not yet stabilized; therefore, U is found to be related to the crack length. After the stress field reaches a stable state, the parameter U no longer changes with a—it is only related to the stress ratio R. At this time, U is the real material parameter. This is consistent with previous research results [15,16,18]. According to the calculation results in Figure 7d, we can get the relationship between U and R of the new titanium alloy, as shown in Equation (6).
5.3. The Experimental Results of Fatigue Crack Growth Rate Considering Crack Closure
As shown in Figure 5b, the fatigue crack growth rate of the new titanium alloy tends to increase with an increase in the load ratios. Scholars [31,32,33] considered that the load ratio effect of metallic was caused by the crack closure induced by the plastic region at the crack tip. Therefore, based on the numerical simulation results of crack closure of the new titanium alloy under different load ratios, the effective stress intensity factor amplitude was used to describe the fatigue crack growth rate of the new titanium alloy, as shown in Figure 8. It shows that the fatigue crack growth rates of the new titanium alloys at the three load ratios present the same trend. This is mainly because the crack closure effect decreases with an increase in the load ratio; the crack closure parameter U increases, and the range of stress intensity factor controlling crack growth decreases, making the variation of da/dN under different R with the range of effective stress intensity factor ΔKeff converge. It also shows that crack growth is mainly controlled by the range of effective stress intensity factors. The main reason for the load ratio effect is the crack closure induced by the plastic region at the crack tip.
Figure 8.
Fatigue crack growth rate da/dN-ΔKeff curves of new titanium alloy.
6. Conclusions
A combination of experiments and numerical simulations was used to research the crack closure effect on the new titanium alloy. The fatigue crack growth rate experiment of the new titanium alloy under different load ratios was investigated. The crack closure effect on the new titanium alloy under different element sizes and loads was analyzed by numerical simulation. The variation law of each crack closure parameter of the new titanium alloy with the crack length under different load levels was obtained. The crack closure numerical simulation results were used to express the fatigue crack growth rate of the new titanium alloy as a function of the effective stress intensity factor range. It demonstrates that the crack closure induced by the plastic region at the crack tip is the main reason for the load ratio effect on the fatigue crack growth rate of the new titanium alloy. The specific conclusions are as follows:
- (1)
- The fatigue crack growth rate experiment of the new titanium alloy under three load ratios was carried out. The fatigue crack growth rate curves and the crack length variation curves with the number of cycles were obtained for the new titanium alloy under different load ratios. The results show that the load ratio significantly affects the fatigue crack growth rate and life. As the load ratio increases, the fatigue crack growth rate of the new titanium alloy increases, and the fatigue life decreases, which indicates that the new titanium alloy has an obvious load ratio effect.
- (2)
- A numerical analysis of the crack closure effect on the new titanium alloy was established, and the crack closure effect on the new titanium alloy was simulated numerically for three load ratios of 0.03, 0.1, and 0.3. It was found that with the increase in the load ratio, the dimensionless opening load and the dimensionless closing load on the new titanium alloy as well as crack closure parameter U, increased while the crack closure effect weakened. The main reason is that the increase in the load ratio leads to an increase in the minimum load, which cancels part of the residual compressive stress on the crack surface while weakening the crack closure effect.
- (3)
- Based on the fatigue crack growth rate experiment of the new titanium alloy under different load ratios, the fatigue crack growth rate was expressed as a function of the effective stress intensity factor range by combining the crack closure numerical results. It is found that the fatigue crack growth rate tends to be the same for different load ratios. It indicates that the crack closure effect is the main reason for the different fatigue crack growth rates at different load ratios. By introducing the crack closure parameter, the fatigue crack growth rates at different load ratios can be converged.
Author Contributions
Conceptualization, J.C.; methodology, J.L.; validation, J.L.; formal analysis, J.L.; investigation, Z.S. and Q.Y.; resources, H.Z.; data curation, Z.S.; writing—original draft, J.L.; writing—review and editing, J.C. and H.Z.; supervision, J.C.; project administration, Q.Y. All authors have read and agreed to the published version of the manuscript.
Funding
This work is supported by the National Natural Science Foundation of China (Project No. 51709134) and the Special Funds for the Transformation and Upgrading of Jiangsu Industry and Information Industry in 2022—Key Core Technology (Equipment) Tackling Industrialization Project (Project No. CMHI-2022-RDG-004).
Data Availability Statement
The data that support the findings of this study are openly available in “Science Data Bank” at https://doi.org/10.57760/sciencedb.09805. DOI:10.57760/sciencedb.09805.
Conflicts of Interest
The authors declare no conflict of interest.
References
- ASTM E 647; Standard Test Method for Measurement of Fatigue Crack Growth Rates. American Society for Testing and Materials: West Conshohocken, PA, USA, 2015.
- Shanshan, H. Structural Optimization of Deep-Sea Manned Submersible Pressure-Resistant Shell Based on Fatigue Life. Master’s Thesis, Jimei University, Xiamen, China, 2019. [Google Scholar]
- Binchao, L.; Qiuyi, W.; Rong, Y.; Lu, S.S.; Bao, R. Influence of material factors on fatigue crack extension in metals. Aviat. Sci. Technol. 2022, 33, 77–85. [Google Scholar]
- Ma, Y.; Liu, J.; Lei, J.; Liu, Y.; Yang, R. Effect of fatigue crack tip plastic zone on crack extension in TC4ELI alloy. Chin. J. Nonferrous Met. 2009, 19, 1789–1794. [Google Scholar]
- Rokhlin, S.; Kim, J. In situ ultrasonic measurement of crack closure. Int. J. Fatigue 2003, 25, 51–58. [Google Scholar] [CrossRef]
- Espinosa, A.; Fellows, N.; Durodola, J. Experimental measurement of crack opening and closure loads for 6082-T6 aluminium subjected to periodic single and block overloads and underloads. Int. J. Fatigue 2013, 47, 71–82. [Google Scholar] [CrossRef]
- Kubíček, R.; Vojtek, T.; Pokorný, P.; Hutař, P. Sensitivity of numerically modelled crack closure to material. Procedia Struct. Integr. 2022, 42, 911–918. [Google Scholar] [CrossRef]
- Esteves, C.; Braga, D.F.; Farahani, B.V.; Moreira, P.M.; Baptista, R.; Infante, V. A 2D numerical modelling of plasticity induced crack closure on MT specimens. Theor. Appl. Fract. Mech. 2022, 122, 103668. [Google Scholar] [CrossRef]
- Wang, R.; He, Q.; Zhou, H.; Wu, Y.; Wang, Y. Study of plasticity-induced fatigue crack closure behavior based on DIC. Weapons Mater. Sci. Eng. 2019, 42, 107–111. [Google Scholar]
- Zhengyi, S. Research on the Prediction Method of Load-Holding-Fatigue Crack Extension Behavior of New Titanium Alloy Based on Crack Closure Effect. Master’s Thesis, Jiangsu University of Science and Technology, Zhenjiang, China, 2022. [Google Scholar]
- Camas, D.; Garcia-Manrique, J.; Antunes, F.; Gonzalez-Herrera, A. Three-dimensional fatigue crack closure numerical modelling: Crack growth scheme. Theor. Appl. Fract. Mech. 2020, 108, 102623. [Google Scholar] [CrossRef]
- Camas, D.; Garcia-Manrique, J.; Perez-Garcia, F.; Gonzalez-Herrera, A. Numerical modelling of three-dimensional fatigue crack closure: Plastic wake simulation. Int. J. Fatigue 2020, 131, 105344. [Google Scholar] [CrossRef]
- Reichenbacher, A.; Fischer, C.; Schweizer, C.; Seifert, T. A finite element study on the influence of the hardening behavior on plasticity-induced fatigue crack closure. Int. J. Fatigue 2022, 158, 106768. [Google Scholar] [CrossRef]
- Lei, Z. Numerical Simulation of Fatigue Crack Closure Behavior under Normal Amplitude and Overload. Master’s Thesis, Nanchang University, Nanchang, China, 2021. [Google Scholar]
- Elber, W. Fatigue crack closure under cyclic tension. Eng. Fract. Mech. 1970, 2, 37–45. [Google Scholar]
- Elber, W. The Significance of Fatigue Crack Closure. ASTM STP 1971, 486, 230–242. [Google Scholar]
- Xinyue, H.; Xueren, W.; Marcus, L. Test methods for crack closure and fatigue crack extension forces. Mater. Eng. 1997, 6, 3–5. [Google Scholar]
- Schijve, J. Some formulas for the crack opening stress level. Eng. Fract. Mech. 1980, 14, 461–465. [Google Scholar] [CrossRef]
- Feng, G.; Zhang, C.; Gong, D.; Han, C.; Lin, K.; Qi, J. Fatigue crack closure behavior based on finite element method. Steel 2016, 51, 95–100. [Google Scholar]
- Ziya, P. Study on Low Circumferential Fatigue Crack Expansion Behavior and Residual Strength of Ship Hull Structure. Master’s Thesis, Wuhan University of Technology, Wuhan, China, 2019. [Google Scholar]
- Ying, Z.; Xiaosong, Z. Overview of numerical simulation study on fatigue crack extension in welded joints. Mech. Des. Manuf. Eng. 2022, 51, 1–5. [Google Scholar]
- Yang, P.; Peng, Z.; Jiang, W.; Yu, Z.; Hu, K. Study on crack closure effect of cracked plate considering accumulated plastic strain under low circumferential fatigue. J. Dalian Univ. Technol. 2018, 58, 371–378. [Google Scholar]
- Liu, S.; Wang, Z.; Liu, J.; Liang, G. Simulation analysis of the mechanical behavior of 304SS full-life cycle based on Chaboche hardening model. Rocket. Propuls. 2022, 48, 40–49. [Google Scholar]
- Zhenyu, D.; Xiaogui, W.; Zengliang, G. Numerical simulation of the effect of loading history and crack closure on fatigue crack extension behavior. Eng. Mech. 2013, 30, 244–250. [Google Scholar]
- Cui, H.; Ding, Q. Ultimate strength and fracture failure of hull stiffened plates based on plastic accumulation under cyclic loading. Ocean. Eng. 2022, 261, 112016. [Google Scholar] [CrossRef]
- Li, Y.; Li, X. Numerical simulation method for fatigue crack closure. Mech. Sci. Technol. 2006, 25, 1233–1237. [Google Scholar]
- Xuefeng, L. Study on the Numerical Simulation Method of Fatigue Crack Closure Effect. Master’s Thesis, Northwestern Polytechnic University, Xi’an, China, 2005. [Google Scholar]
- Lai, S.; Sun, W.; Tian, H.; Yu, Y. Finite element analysis of fatigue crack extension considering crack closure effect. Mech. Des. Manuf. 2023, 1, 107–110. [Google Scholar]
- McClung, R. Crack Closure and Plastic Zone Sizes in Fatigue. Fatigue Fract. Eng. Mater. Struct. 1991, 14, 455–468. [Google Scholar] [CrossRef]
- McClung, R.; Thacker, B.; Roy, S. Finite element visualization of fatigue crack closure in plane stress and plane strain. Int. J. Fract. 1991, 50, 27–49. [Google Scholar] [CrossRef]
- Wang, Q.; Zhang, Z.; Yang, Y.; Guo, M.; Hu, Z.; Gao, S. Fatigue limit and crack extension behavior of F690 offshore steel under different stress conditions in atmosphere. Mech. Eng. Mater. 2020, 44, 17–23. [Google Scholar]
- Borrego, L.; Ferreira, J.; Cruz, D.; Costa, J.M. Evaluation of overload effects on fatigue crack growth and closure. Eng. Fract. Mech. 2003, 70, 1379–1397. [Google Scholar] [CrossRef]
- Wang, K.; Wu, L.; Li, Y.; Bian, C.; Zhang, S.; Li, W. Experimental study on fatigue crack extension of new titanium alloy materials. Ship Sci. Technol. 2020, 42, 9–12. [Google Scholar]
Disclaimer/Publisher’s Note: The statements, opinions and data contained in all publications are solely those of the individual author(s) and contributor(s) and not of MDPI and/or the editor(s). MDPI and/or the editor(s) disclaim responsibility for any injury to people or property resulting from any ideas, methods, instructions or products referred to in the content. |
© 2023 by the authors. Licensee MDPI, Basel, Switzerland. This article is an open access article distributed under the terms and conditions of the Creative Commons Attribution (CC BY) license (https://creativecommons.org/licenses/by/4.0/).








