Design of a Cost-Effective and Statistically Validated Test Specification with Selected Machine Elements to Evaluate the Influence of the Manufacturing Process with a Focus on Additive Manufacturing
Abstract
:1. Introduction
1.1. Additive Manufacturing
1.2. Investigation of the Obtained Mechanical Properties by Destructive Test Methods
1.3. A Comparative Analysis of Manufacturing Technologies with Respect to Their Impact on Mechanical Properties
1.4. Aim of the Paper
2. Materials and Methods
2.1. Overview of the Analysis
2.2. Materials
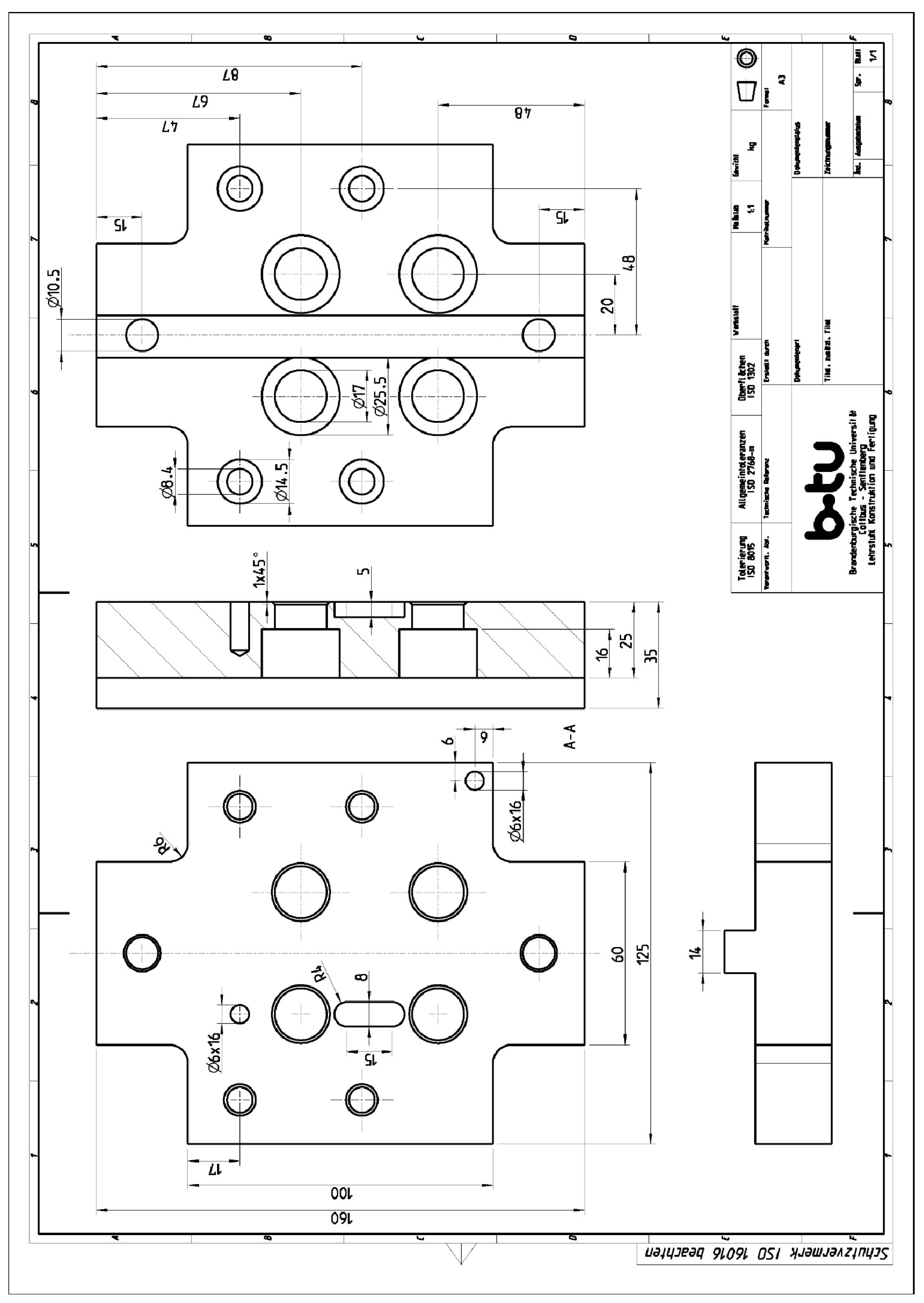
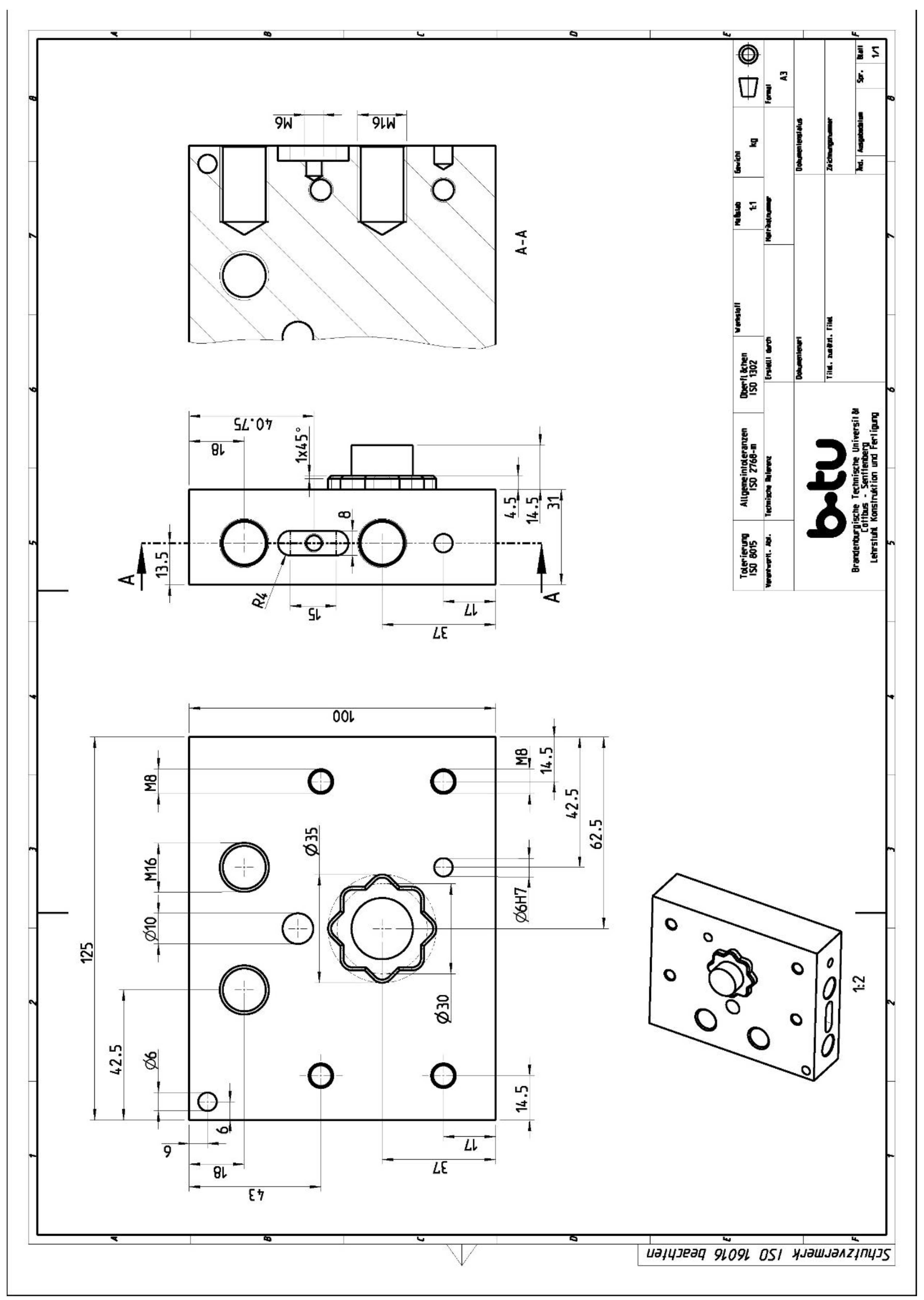
2.3. Designed Sample Test Geometry and Device Setup for Mechanical Testing
2.3.1. Sample Test Geometry
2.3.2. Setup of the Test Device and Test Preparation
2.4. Manufacturing of the Test Specimens
2.4.1. Manufacturing by L-PBF
2.4.2. Manufacturing by WA-DED
2.5. Testing Methods for the Experimental Determination of the Mechanical Properties
2.5.1. Notched Bar Impact Test
- Width: 5 mm,
- Notch shape: V-notch,
- Thickness: 10 mm,
- Notch angle: 45°,
- Length: 55 mm,
- Notch depth: 1.25 mm,
- Notch radius: 0.25 mm.
2.5.2. Bending Plates
2.5.3. Thread
2.5.4. Involute Gear Tooth
- Reference circle diameter: d 96 mm,
- Base circle diameter: db 90 mm,
- Tip diameter: da 120 mm,
- Root diameter: df 45°.
2.5.5. Feather Key
2.6. Design of Experiments
2.6.1. Statistical Evaluation—Descriptive and Inductive Statistics
2.6.2. Definition of the Test Parameters Considering the Costs
2.7. Determination of the Comparison Factors
2.8. Basic Examinations for the Validation of the Manufacturing Parameters
2.8.1. Compression Tests
2.8.2. Microstructure and Defect Analysis
- Voltage: 140 kV,
- Exposure time: 5000 ms,
- Power: 15 W,
- Scan time: 105 min,
- Voxel size: 7 µm,
- CT filter Sn: 0.75 mm thick.
3. Results
3.1. Analysis of the Testing Specimens
3.1.1. µCT Analysis
3.1.2. EBSD and EDX Analysis
3.2. Determination of the Manufacturing Factors
3.2.1. Tooth Root Strength Test
3.2.2. Bending Test
3.2.3. Thread Tests
3.2.4. Impact Test
3.3. Validation of the Manufacturing Factors
3.3.1. Mechanical Validation
3.3.2. Microstructure Analysis
4. Discussion
4.1. Discussion of the Test Specimen Geometry
4.2. Tooth Root Strength
4.3. Bending Plates
4.4. Thread Testing
4.5. Impact Test
4.6. Compression Test
4.7. Microstructure Influence on the Test Results
5. Conclusions
- Components made by AM have process-dependent material properties due to the process principle. The conducted analysis of manufactured 316L parts by conventional machining, WA-DED and L-PBF show global and local differences in the microstructure. On the basis of the obtained results, the conclusion can be drawn that each individual manufacturing process and the specific process parameters, like building orientation, should be considered as process-specific manufacturing factors for the design and production planning of components.
- One benchmark geometry allows for the testing of four integrated machine elements which are threads, bending plates, gear teeth, and one notched impact test. The influence of the building process and part orientation on mechanical properties was determined and showed remarkable differences. The benchmark could be extended, for example, with microhardness or corrosion investigations. With the concept of implementing all tests in one geometry, cost-efficient testing becomes possible.
- A combination of descriptive and inductive statistical evaluation allowed for the determination of process-specific manufacturing factors for the first time.
- The distribution of the chemical elements in the conventionally manufactured parts has a significant impact on the manufacturing factors.
- Compared to AM parts, conventionally manufactured parts show higher notch impact energies.
- L-PBF parts have, in general, the highest mechanical strength (from 1.1 up to 1.9 times higher than conventionally manufactured parts).
- The manufacturing factors of the WA-DED parts are in between those of conventionally and L-PBF-manufactured parts. This is explained by the larger melt pool, which leads to a more inhomogeneous microstructure evolution due to different thermal fluxes. Yet, WA-DED parts allow for a rather high plastic deformation (e.g., tooth root strength or thread test 45°).
- The compression test seems to be suitable to globally estimate the mechanical material behaviour and validate the detailed results.
- If the range of manufacturing factors for repeat tests is determined and averaged over the different machine elements, the property stability for a process can be quantified. The L-PBF shows the highest (0.0250), the conventional material a medium (0.0725), and the WA-DED the lowest average stability (0.1125). The maximum loads of the four machine elements in the 45° direction were considered for all L-PBF, horizontal WA-DED, and batch 1.
Supplementary Materials
Author Contributions
Funding
Data Availability Statement
Acknowledgments
Conflicts of Interest
Appendix A





References
- Seifi, M.; Salem, A.; Beuth, J.; Harrysson, O.; Lewandowski, J.J. Overview of Materials Qualification Needs for Metal Additive Manufacturing. JOM 2016, 68, 747–764. [Google Scholar] [CrossRef]
- Saracyakupoglu, T. The Qualification of the Additively Manufactured Parts in the Aviation Industry. AJAE 2019, 6, 1. [Google Scholar] [CrossRef]
- Wagner, S.M.; Walton, R.O. Additive manufacturing’s impact and future in the aviation industry. Prod. Plan. Control. 2016, 27, 1124–1130. [Google Scholar] [CrossRef]
- Gibbons, D.W.; Serfontein, J.-P.L.; van der Merwe, A.F. Mapping the path to certification of metal laser powder bed fusion for aerospace applications. RPJ 2021, 27, 355–361. [Google Scholar] [CrossRef]
- Olakanmi, E.O.; Cochrane, R.F.; Dalgarno, K.W. A review on selective laser sintering/melting (SLS/SLM) of aluminium alloy powders: Processing, microstructure, and properties. Prog. Mater. Sci. 2015, 74, 401–477. [Google Scholar] [CrossRef]
- Rodrigues, T.A.; Duarte, V.; Miranda, R.M.; Santos, T.G.; Oliveira, J.P. Current Status and Perspectives on Wire and Arc Additive Manufacturing (WAAM). Materials 2019, 12, 1121. [Google Scholar] [CrossRef]
- Ding, D.; Pan, Z.; Cuiuri, D.; Li, H. Wire-feed additive manufacturing of metal components: Technologies, developments and future interests. Int. J. Adv. Manuf. Technol. 2015, 81, 465–481. [Google Scholar] [CrossRef]
- Israr, R.; Buhl, J.; Bambach, M. A study on power-controlled wire-arc additive manufacturing using a data-driven surrogate model. Int. J. Adv. Manuf. Technol. 2021, 117, 2133–2147. [Google Scholar] [CrossRef]
- Chen, Z.; Han, C.; Gao, M.; Kandukuri, S.Y.; Zhou, K. A review on qualification and certification for metal additive manufacturing. Virtual Phys. Prototyp. 2022, 17, 382–405. [Google Scholar] [CrossRef]
- Zhai, X.; Jin, L.; Jiang, J. A survey of additive manufacturing reviews. Mater. Sci. Addit. Manuf. 2022, 1, 21. [Google Scholar] [CrossRef]
- Gross, D.; Hauger, W.; Schröder, J.; Wall, W.A. Technische Mechanik 2; Springer: Berlin/Heidelberg, Germany, 2021; ISBN 978-3-662-61861-5. [Google Scholar]
- VDI 3405.2; Additive Fertigungsverfahren—Strahlschmelzen metallischer Bauteile-Qualifizierung, Qualitätssicherung und Nachbearbeitung. VDI-Verlag: Düsseldorf, Germany, 2013.
- DIN EN ISO ASTM 52927; Additive Fertigung-Grundlagen-Hauptmerkmale und entsprechende Prüfverfahren. Beuth Verlag GmbH: Berlin, Germany, 2022.
- Posch, G.; Chladil, K.; Chladil, H. Material properties of CMT—Metal additive manufactured duplex stainless steel blade-like geometries. Weld World 2017, 61, 873–882. [Google Scholar] [CrossRef]
- Liu, Y.; Jin, P.; Li, J.; Lin, T.; Li, F.; Hou, S.; Sun, Q.; Feng, J. Microstructural Characteristics and Mechanical Properties of Repaired Titanium Alloy Blade by Arc Additive Manufacturing Process. Adv. Eng. Mater. 2020, 22, 2000187. [Google Scholar] [CrossRef]
- Yan, Z.; Zhu, L.; Yang, Z.; Xue, P. Study on the geometrical dimensions and mechanical properties of Ti-6Al-4V alloy blade by laser metal deposition. Int. J. Adv. Manuf. Technol. 2021, 114, 695–707. [Google Scholar] [CrossRef]
- Rodriguez, N.; Vázquez, L.; Huarte, I.; Arruti, E.; Tabernero, I.; Alvarez, P. Wire and arc additive manufacturing: A comparison between CMT and TopTIG processes applied to stainless steel. Weld World 2018, 62, 1083–1096. [Google Scholar] [CrossRef]
- Addison, A.; Ding, J.; Martina, F.; Lockett, H.; Williams, S.; Zhang, X. Manufacture of Complex Titanium Parts Using Wire+Arc Additive Manufacture; Hilton Birmingham Metropol Hotel: Birmingham, UK, 2015. [Google Scholar]
- Bambach, M.; Sizova, I.; Sydow, B.; Hemes, S.; Meiners, F. Hybrid manufacturing of components from Ti-6Al-4V by metal forming and wire-arc additive manufacturing. J. Mater. Process. Technol. 2020, 282, 116689. [Google Scholar] [CrossRef]
- Köhler, M.; Fiebig, S.; Hensel, J.; Dilger, K. Wire and Arc Additive Manufacturing of Aluminum Components. Metals 2019, 9, 608. [Google Scholar] [CrossRef]
- Yildiz, A.S.; Davut, K.; Koc, B.; Yilmaz, O. Wire arc additive manufacturing of high-strength low alloy steels: Study of process parameters and their influence on the bead geometry and mechanical characteristics. Int. J. Adv. Manuf. Technol. 2020, 108, 3391–3404. [Google Scholar] [CrossRef]
- Longhitano, G.A.; Larosa, M.A.; Jardini, A.L.; Zavaglia, C.A.d.C.; Ierardi, M.C.F. Correlation between microstructures and mechanical properties under tensile and compression tests of heat-treated Ti-6Al–4 V ELI alloy produced by additive manufacturing for biomedical applications. J. Mater. Process. Technol. 2018, 252, 202–210. [Google Scholar] [CrossRef]
- Abbaszadeh, M.; Ventzke, V.; Neto, L.; Riekehr, S.; Martina, F.; Kashaev, N.; Hönnige, J.; Williams, S.; Klusemann, B. Compression Behaviour of Wire + Arc Additive Manufactured Structures. Metals 2021, 11, 877. [Google Scholar] [CrossRef]
- Bambach, M.; Sizova, I.; Szyndler, J.; Bennett, J.; Hyatt, G.; Cao, J.; Papke, T.; Merklein, M. On the hot deformation behavior of Ti-6Al-4V made by additive manufacturing. J. Mater. Process. Technol. 2021, 288, 116840. [Google Scholar] [CrossRef]
- Clausen, A.; Aage, N.; Sigmund, O. Exploiting Additive Manufacturing Infill in Topology Optimization for Improved Buckling Load. Engineering 2016, 2, 250–257. [Google Scholar] [CrossRef]
- Nazir, A.; Arshad, A.B.; Jeng, J.-Y. Buckling and Post-Buckling Behavior of Uniform and Variable-Density Lattice Columns Fabricated Using Additive Manufacturing. Materials 2019, 21, 3539. [Google Scholar] [CrossRef] [PubMed]
- DIN EN ISO 148-1; Metallische Werkstoffe—Kerbschlagbiegeversuch Nach Charpy Teil 1. Beuth Verlag: Berlin, Germany, 2017.
- Vastola, G.; Sin, W.J.; Sun, C.-N.; Sridhar, N. Design guidelines for suppressing distortion and buckling in metallic thin-wall structures built by powder-bed fusion additive manufacturing. Mater. Des. 2022, 215, 110489. [Google Scholar] [CrossRef]
- Hermanová, Š.; Kuboň, Z.; Čížek, P.; Kosňovská, J.; Rožnovská, G.; Dorazil, O.; Cieslarová, M. Study of Material Properties and Creep Behavior of a Large Block of AISI 316L Steel Produced by SLM Technology. Metals 2022, 12, 1283. [Google Scholar] [CrossRef]
- Deng, P.; Song, M.; Yang, J.; Pan, Q.; McAllister, S.; Li, L.; Prorok, B.C.; Lou, X. On the thermal coarsening and transformation of nanoscale oxide inclusions in 316L stainless steel manufactured by laser powder bed fusion and its influence on impact toughness. Mater. Sci. Eng. A 2022, 835, 142690. [Google Scholar] [CrossRef]
- Davies, C.M.; Withnell, O.; Ronnerberg, T.; Williams, R.; Hooper, P.A. Fracture Analysis of 316L Steel Samples Manufactured by Selective Laser Melting. Procedia Struct. Integr. 2018, 13, 1384–1389. [Google Scholar] [CrossRef]
- Yasa, E.; Deckers, J.; Kruth, J.-P.; Rombouts, M.; Luyten, J. Charpy impact testing of metallic selective laser melting parts. Virtual Phys. Prototyp. 2010, 5, 89–98. [Google Scholar] [CrossRef]
- Afkhami, S.; Dabiri, M.; Piili, H.; Björk, T. Effects of manufacturing parameters and mechanical post-processing on stainless steel 316L processed by laser powder bed fusion. Mater. Sci. Eng. A 2021, 802, 140660. [Google Scholar] [CrossRef]
- Ayan, Y.; Kahraman, N. Bending fatigue properties of structural steel fabricated through wire arc additive manufacturing (WAAM). Eng. Sci. Technol. Int. J. 2022, 35, 101247. [Google Scholar] [CrossRef]
- Concli, F.; Bonaiti, L.; Gerosa, R.; Cortese, L.; Nalli, F.; Rosa, F.; Gorla, C. Bending Fatigue Behavior of 17-4 PH Gears Produced by Additive Manufacturing. Appl. Sci. 2021, 11, 3019. [Google Scholar] [CrossRef]
- Schmitt, M.; Kamps, T.; Siglmüller, F.; Winkler, J.; Schlick, G.; Seidel, C.; Tobie, T.; Stahl, K.; Reinhart, G. Laser-based powder bed fusion of 16MnCr5 and resulting material properties. Addit. Manuf. 2020, 35, 101372. [Google Scholar] [CrossRef]
- Fatemi, A.; Molaei, R.; Sharifimehr, S.; Shamsaei, N.; Phan, N. Torsional fatigue behavior of wrought and additive manufactured Ti-6Al-4V by powder bed fusion including surface finish effect. Int. J. Fatigue 2017, 99, 187–201. [Google Scholar] [CrossRef]
- Fatemi, A.; Molaei, R. Novel specimen geometries for fatigue testing of additive manufactured metals under axial, torsion, and combined axial-torsion loadings. Int. J. Fatigue 2020, 130, 105287. [Google Scholar] [CrossRef]
- Macek, W.; Branco, R.; Trembacz, J.; Costa, J.D.; Ferreira, J.; Capela, C. Effect of multiaxial bending-torsion loading on fracture surface parameters in high-strength steels processed by conventional and additive manufacturing. Eng. Fail. Anal. 2020, 118, 104784. [Google Scholar] [CrossRef]
- Fatemi, A.; Molaei, R.; Phan, N. Multiaxial fatigue of additive manufactured metals: Performance, analysis, and applications. Int. J. Fatigue 2020, 134, 105479. [Google Scholar] [CrossRef]
- Bambach, M.; Ünsal, I.; Sviridov, A.; Hama-Saleh, R.; Weisheit, A. Hybrid manufacturing of sheet metals and functionalizing for joining applications via hole flanging. Prod. Eng. Res. Devel. 2021, 15, 223–233. [Google Scholar] [CrossRef]
- Kok, Y.; Tan, X.P.; Wang, P.; Nai, M.; Loh, N.H.; Liu, E.; Tor, S.B. Anisotropy and heterogeneity of microstructure and mechanical properties in metal additive manufacturing: A critical review. Mater. Des. 2018, 139, 565–586. [Google Scholar] [CrossRef]
- Svension, M.; Ackelid, U. Titanium Alloys Manufactured with Electron Beam Melting Mechanical and Chemical Properties. In Medical Device Materials V, Proceedings of the Materials and Processes for Medical Devices Conference, 2009; Gilbert, J., Ed.; ASM International: Materials Park, OH, USA, 2010; pp. 189–194. ISBN 9781615031412. [Google Scholar]
- Edwards, P.; O’Conner, A.; Ramulu, M. Electron Beam Additive Manufacturing of Titanium Components: Properties and Performance. J. Manuf. Sci. Eng. 2013, 135, 061016. [Google Scholar] [CrossRef]
- Rafi, H.K.; Karthik, N.V.; Gong, H.; Starr, T.L.; Stucker, B.E. Microstructures and Mechanical Properties of Ti6Al4V Parts Fabricated by Selective Laser Melting and Electron Beam Melting. J. Mater. Eng. Perform. 2013, 22, 3872–3883. [Google Scholar] [CrossRef]
- Hrabe, N.; Quinn, T. Effects of processing on microstructure and mechanical properties of a titanium alloy (Ti–6Al–4V) fabricated using electron beam melting (EBM), Part 2: Energy input, orientation, and location. Mater. Sci. Eng. A 2013, 573, 271–277. [Google Scholar] [CrossRef]
- Ladani, L.; Razmi, J.; Farhan Choudhury, S. Mechanical Anisotropy and Strain Rate Dependency Behavior of Ti6Al4V Produced Using E-Beam Additive Fabrication. J. Eng. Mater. Technol. 2014, 136, 96. [Google Scholar] [CrossRef]
- Wang, P.; Nai, M.L.S.; Tan, X.; Sin, W.J.; Tor, S.B.; Wei, J. Anisotropic Mechanical Properties in a Big-Sized Ti-6Al-4V Plate Fabricated by Electron Beam Melting. In TMS 2016 145th Annual Meeting & Exhibition; Springer International Publishing: Cham, Switzerland, 2016; pp. 5–12. ISBN 978-3-319-48624-6. [Google Scholar]
- Christensen, A.; Kirchner, R.; Lippincott, A. Qualification of electron beam melted (EBM) Ti6Al4V-ELI for orthopaedic applications. In Medical Device Materials IV: Proceedings of the Materials and Processes for Medical Devices, Palm Desert, CA, USA, 23–25 September; Gilbert, J., Ed.; ASM International: Palm Desert, CA, USA, 2007; pp. 48–53. [Google Scholar]
- Cain, V.; Thijs, L.; van Humbeeck, J.; van Hooreweder, B.; Knutsen, R. Crack propagation and fracture toughness of Ti6Al4V alloy produced by selective laser melting. Addit. Manuf. 2015, 5, 68–76. [Google Scholar] [CrossRef]
- Simonelli, M.; Tse, Y.Y.; Tuck, C. Effect of the build orientation on the mechanical properties and fracture modes of SLM Ti–6Al–4V. Mater. Sci. Eng. A 2014, 616, 1–11. [Google Scholar] [CrossRef]
- Qiu, C.; Adkins, N.J.; Attallah, M.M. Microstructure and tensile properties of selectively laser-melted and of HIPed laser-melted Ti–6Al–4V. Mater. Sci. Eng. A 2013, 578, 230–239. [Google Scholar] [CrossRef]
- Vilaro, T.; Colin, C.; Bartout, J.D. As-Fabricated and Heat-Treated Microstructures of the Ti-6Al-4V Alloy Processed by Selective Laser Melting. Met. Mater. Trans. A 2011, 42, 3190–3199. [Google Scholar] [CrossRef]
- Alcisto, J.; Enriquez, A.; Garcia, H.; Hinkson, S.; Steelman, T.; Silverman, E.; Valdovino, P.; Gigerenzer, H.; Foyos, J.; Ogren, J.; et al. Tensile Properties and Microstructures of Laser-Formed Ti-6Al-4V. J. Mater. Eng. Perform. 2011, 20, 203–212. [Google Scholar] [CrossRef]
- Qiu, C.; Ravi, G.A.; Dance, C.; Ranson, A.; Dilworth, S.; Attallah, M.M. Fabrication of large Ti–6Al–4V structures by direct laser deposition. J. Alloys Compd. 2015, 629, 351–361. [Google Scholar] [CrossRef]
- Carroll, B.E.; Palmer, T.A.; Beese, A.M. Anisotropic tensile behavior of Ti–6Al–4V components fabricated with directed energy deposition additive manufacturing. Acta Mater. 2015, 87, 309–320. [Google Scholar] [CrossRef]
- ASTM F1108; F04 Committee. Specification for Titanium-6Aluminum-4Vanadium Alloy Castings for Surgical Implants. ASTM International: West Conshohocken, PA, USA.
- ASTM F1472; F04 Committee. Specification for Wrought Titanium-6Aluminum-4Vanadium Alloy for Surgical Implant Applications. ASTM International: West Conshohocken, PA, USA.
- Wittel, H.; Jannasch, D.; Voßiek, J.; Spura, C. (Eds.) Roloff/Matek Maschinenelemente; Springer Fachmedien Wiesbaden: Wiesbaden, Germany, 2019. [Google Scholar]
- Baumgarten, H.; Böhmer, M.; Hinz, M.; Nijs, M.; Pischinger, S.; Souren, M.; Thewes, M.; Lindemann, B.; Flecke, T.; König, A.; et al. Antriebe. In Vieweg Handbuch Kraftfahrzeugtechnik; Pischinger, S., Seiffert, U., Eds.; Springer Fachmedien Wiesbaden: Wiesbaden, Germany, 2021; pp. 461–860. ISBN 978-3-658-25556-5. [Google Scholar]
- DIN EN ISO 7438; Metallische Werkstoffe—Biegeversuch; Deutsche Fassung. Beuth Verlag: Berlin, Germany, 2021.
- DIN EN 6885; Mitnehmerverbindungen ohne Anzug, Passfedern, Nuten - Hohe Form. Beuth Verlag: Berlin, Germany, 2021.
- Dennig, H.-J.; Zumofen, L.; Kirchheim, A. Feasibility Investigation of Gears Manufactured by Fused Filament Fabrication. In Industrializing Additive Manufacturing; Meboldt, M., Klahn, C., Eds.; Springer International Publishing: Cham, Switzerland, 2021; pp. 304–320. ISBN 978-3-030-54333-4. [Google Scholar]
- EOS GmbH. Datenblatt ESO M290. Available online: https://www.eos.info/de/additive-fertigung/3d-druck-metall/eos-metall-systeme/eos-m-290 (accessed on 23 February 2022).
- Ramirez-Cedillo, E.; Sandoval-Robles, J.A.; Ruiz-Huerta, L.; Caballero-Ruiz, A.; Rodriguez, C.A.; Siller, H.R. Process planning guidelines in selective laser melting for the manufacturing of stainless steel parts. Procedia Manuf. 2018, 26, 973–982. [Google Scholar] [CrossRef]
- DIN EN ISO 898-1; Mechanische Eigenschaften von Verbindungselementen aus Kohlenstoffstahl und legiertem Stahl-Teil 1: Schrauben mit festgelegten Festigkeitsklassen-Regelgewinde und Feingewinde. Beuth Verlag: Berlin, Germany, 2013.
- DIN EN ISO 3506-1; Mechanische Verbindungselemente-Mechanische Eigenschaften von Verbindungselementen aus korrosionsbeständigen nichtrostenden Stählen-Teil 1: Schrauben mit festgelegten Stahlsorten und Festigkeitsklassen. Beuth Verlag: Berlin, Germany, 2020.
- DIN 3990-3; Tragfähigkeitsberechnung von Stirnrädern; Berechnung der Zahnfußtragfähigkeit. Beuth Verlag: Berlin, Germany, 1987.
- DIN 3990-1; Tragfähigkeitsberechnung von Stirnrädern; Einführung und Allgemeine Einflußfaktoren. Beuth Verlag: Berlin, Germany, 1987.
- Bas, E. Einführung in Wahrscheinlichkeitsrechnung, Statistik und Stochastische Prozesse; Springer Fachmedien Wiesbaden: Wiesbaden, Germany, 2020; ISBN 978-3-658-32119-2. [Google Scholar]
- Brüggemann, H.; Bremer, P. Grundlagen Qualitätsmanagement; Springer Fachmedien Wiesbaden: Wiesbaden, Germany, 2020; ISBN 978-3-658-28779-5. [Google Scholar]
- Dietrich, E.; Conrad, S. Statistische Verfahren zur Maschinen- und Prozessqualifikation, 8., aktualisierte Auflage; Carl Hanser Verlag: München, Germany, 2022; ISBN 978-3-446-46504-6. [Google Scholar]
- Huber, F.; Meyer, F.; Lenzen, M. Auswertung von Experimenten mittels Varianzanalyse. In Grundlagen der Varianzanalyse; Huber, F., Meyer, F., Lenzen, M., Eds.; Springer Fachmedien Wiesbaden: Wiesbaden, Germany, 2014; pp. 43–88. ISBN 978-3-658-05665-0. [Google Scholar]
- Blanca, M.J.; Alarcón, R.; Arnau, J.; Bono, R.; Bendayan, R. Non-normal data: Is ANOVA still a valid option? Psicothema 2017, 29, 552–557. [Google Scholar] [CrossRef]
- Glass, G.V.; Peckham, P.D.; Sanders, J.R. Consequences of Failure to Meet Assumptions Underlying the Fixed Effects Analyses of Variance and Covariance. Rev. Educ. Res. 1972, 42, 237–288. [Google Scholar] [CrossRef]
- Harwell, M.R.; Rubinstein, E.N.; Hayes, W.S.; Olds, C.C. Summarizing Monte Carlo Results in Methodological Research: The One- and Two-Factor Fixed Effects ANOVA Cases. J. Educ. Stat. 1992, 17, 315–339. [Google Scholar] [CrossRef]
- Hirschauer, N.; Grüner, S.; Mußhoff, O. Fundamentals of Statistical Inference; Springer International Publishing: Cham, Switzerland, 2022; ISBN 978-3-030-99090-9. [Google Scholar]
- Du Plessis, A.; Yadroitsev, I.; Yadroitsava, I.; Le Roux, S.G. X-Ray Microcomputed Tomography in Additive Manufacturing: A Review of the Current Technology and Applications. 3D Print. Addit. Manuf. 2018, 5, 227–247. [Google Scholar] [CrossRef]
- Wilson-Heid, A.E.; Novak, T.C.; Beese, A.M. Characterization of the Effects of Internal Pores on Tensile Properties of Additively Manufactured Austenitic Stainless Steel 316L. Exp. Mech. 2019, 59, 793–804. [Google Scholar] [CrossRef]
- Liverani, E.; Toschi, S.; Ceschini, L.; Fortunato, A. Effect of selective laser melting (SLM) process parameters on microstructure and mechanical properties of 316L austenitic stainless steel. J. Mater. Process. Technol. 2017, 249, 255–263. [Google Scholar] [CrossRef]
- El-Tahawy, M.; Jenei, P.; Kolonits, T.; Han, G.; Park, H.; Choe, H.; Gubicza, J. Different Evolutions of the Microstructure, Texture, and Mechanical Performance During Tension and Compression of 316L Stainless Steel. Met. Mater Trans A 2020, 51, 3447–3460. [Google Scholar] [CrossRef]
- Schmidt, C. Konstruktive Randbedingungen bei Anwendung des WAAM-Verfahrens. In Konstruktion für Die Additive Fertigung 2019; Lachmayer, R., Rettschlag, K., Kaierle, S., Eds.; Springer Berlin Heidelberg: Berlin/Heidelberg, Germany, 2020; pp. 204–222. ISBN 978-3-662-61148-7. [Google Scholar]
- Vora, J.; Parmar, H.; Chaudhari, R.; Khanna, S.; Doshi, M.; Patel, V. Experimental investigations on mechanical properties of multi-layered structure fabricated by GMAW-based WAAM of SS316L. J. Mater. Res. Technol. 2022, 20, 2748–2757. [Google Scholar] [CrossRef]
- Barkia, B.; Aubry, P.; Haghi-Ashtiani, P.; Auger, T.; Gosmain, L.; Schuster, F.; Maskrot, H. On the origin of the high tensile strength and ductility of additively manufactured 316L stainless steel: Multiscale investigation. J. Mater. Sci. Technol. 2020, 41, 209–218. [Google Scholar] [CrossRef]


























| Material | Chemical Composition in Weight % | ||||||||||
|---|---|---|---|---|---|---|---|---|---|---|---|
| C | Si | Mn | P | S | Cr | Ni | Mo | Co | Cu | N | |
| Powder (L-PBF) | 0.030 | 1.00 | 2.00 | 0.045 | 0.030 | 16.00–18.00 | 10.00–14.00 | 2.00–3.00 | - | - | 0.10 |
| Wire (WA-DED) | ≤0.025 | 0.90 | 1.80 | ≤0.025 | ≤0.015 | 18.50 | 12.00 | ≤2.60 | ≤0.20 | ≤0.20 | 0.06 |
| Plate (conventional) | ≤0.030 | ≤1.0 | ≤2.0 | ≤0.045 | ≤0.03 | 16.5–18.5 | 10.0–14.0 | 2.0–3.0 | - | ≤0.30 | ≤0.10 |
| Particle Size Distribution in µm | |||
|---|---|---|---|
| D10 | D50 | D90 | |
| Avg. | 23 | 35 | 50 |
| Parameter | Tooth Root Tests | Bending Plate Tests | Thread Tests |
|---|---|---|---|
| Test preload [N] | 100 | 30 | 100 |
| Maximum force [kN] | 2.5 | 2.5 | 1 |
| Test speed [mm/min] | 1 | 1 | 1 |
| Laser Power | 170 W | Inert Gas | Argon |
|---|---|---|---|
| Max exposure speed | 750 mm/s | Number of layers prefabricated | 200 |
| Hatching distance | 0.1 mm | Number of layers support included | 333 |
| Laser focus | 80 µm |
| Process—Parameter | Horizontal Orientation | Vertical Orientation |
|---|---|---|
| Wire diameter | 1.2 mm | |
| Welding speed | 400 mm/s | |
| Welding power | ~2500 W | |
| Stickout | 13 mm | |
| Welding strategy | Meander (zig zag pattern), rotating start points | |
| Spacing between welds | 4.5 mm | |
| Interlayer temperature before welding (pyrometer controlled, ε = 1.0) | <150 °C | |
| Shielding gas | ArC2 | |
| Shielding gas application | 15 L/min | |
| z–axis shift | 2.4 mm | |
| Number of layers | 13 | 56 |
| Production time | ~3.9 h | ~8 h |
| Manufacturing Process | Build Orientation | Test Specimen | |||
|---|---|---|---|---|---|
| Conventional | k | Horizontal | l | Tooth root | Z |
| WA-DED | w | Vertical | s | Bending plate | Bl |
| L-PBF | s | Thread | G | ||
| Impact test | K | ||||
| Specimen | Critical Tooth Root Stresses [N/mm²] | Maximum Tooth Root Stresses [N/mm²] | ||||
|---|---|---|---|---|---|---|
| 0° | 45° | 90° | 0° | 45° | 90° | |
| k_04 | 387.60 | 334.11 | 334.11 | 1676.52 | 1638.89 | 1631.52 |
| k_05 | 335.68 | 243.11 | 332.45 | 1517.65 | 1454.89 | 1504.46 |
| w_lu | 520.22 | 527.36 | 559.71 | 1579.59 | 1591.31 | 1594.46 |
| w_s1 | 441.28 | 379.93 | 412.57 | 1613.95 | 1533.42 | 1565.15 |
| s_l2 | 847.28 | 843.81 | 847.73 | 1657.12 | 1706.90 | 1649.12 |
| Investigated Influencing Factors | Critical Tooth Root Stress | Maximum Tooth Root Stress | ||||||||||
|---|---|---|---|---|---|---|---|---|---|---|---|---|
| 0° | 45° | 90° | 0° | 45° | 90° | |||||||
| Manufacturing process | (***, *) | - | (***, *) | - | (***, -) | - | (**; *) | - | (***; *) | - | (***; *) | - |
| Building orientation of WA-DED samples | (-, -) | 22 | (*, *) | - | (-, -) | 55 | (-; -) | 24 | (-; -) | 9 | (-; -) | 3 |
| Weld orientation of WA-DED samples | (-, -) 51 | (-; -) 4 | ||||||||||
| Exposure orientation of L-PBF samples | (-, -) 22 | (-; -) 3 | ||||||||||
| Specimens | Factorial Comparison of the Critical Tooth Root Stresses | Factorial Comparison of the Maximum Tooth Root Stresses | ||||
|---|---|---|---|---|---|---|
| 0° | 45° | 90° | 0° | 45° | 90° | |
| Mean value of conventional batch 1 | 1.0 | 1.0 | 1.0 | 1.0 | 1.0 | 1.0 |
| Mean value of conventional batch 2 | 0.78 | 1.0 | 0.97 | 0.92 | 0.90 | 0.92 |
| w_lo | 1.37 | 1.65 | 1.60 | 0.97 | 0.99 | 0.97 |
| w_lu | 1.36 | 1.62 | 1.65 | 0.95 | 0.96 | 0.98 |
| w_lu2 | 1.42 | 1.29 | 0.98 | 0.97 | 1.03 | 0.97 |
| Mean value of WA-DED upright batch | 1.15 | 1.12 | 1.38 | 0.99 | 0.97 | 0.98 |
| Mean value of L-PBF specimen | 2.08 | 2.55 | 2.18 | 1.01 | 1.03 | 1.02 |
| Specimen | Critical Bending Stress [N/mm²] | Maximum Bending Stresses [N/mm²] | ||||
|---|---|---|---|---|---|---|
| 0° | 45° | 90° | 0° | 45° | 90° | |
| k_04 | 1.43 | 1.38 | 1.30 | 2.29 | 2.14 | 2.06 |
| k_05 | 1.37 | 1.38 | 1.35 | 2.11 | 1.98 | 2.01 |
| w_lu | 1.44 | 1.41 | 1.44 | 2.09 | 2.07 | 2.30 |
| w_s1 | 1.40 | 1.40 | 1.52 | 2.22 | 2.09 | 2.33 |
| s_l2 | 1.89 | 1.84 | 1.89 | 2.64 | 2.63 | 2.75 |
| Investigated Influencing Factors | Critical Bending Stress | Maximum Bending Stress | ||||||||||
|---|---|---|---|---|---|---|---|---|---|---|---|---|
| 0° | 45° | 90° | 0° | 45° | 90° | |||||||
| Manufacturing process | (***, -) | - | (**, *) | (***, *) | (*, -) | - | (**, *) | - | (***, *) | - | ||
| Building orientation of WA-DED samples | (-, -) | 18 | (-, *) | 12 | (-, -) | 9 | (-, -) | 24 | (-, *) | 9 | (-, -) | 7 |
| Weld orientation of WA-DED samples | (-, *) 13 | (-, -) 13 | ||||||||||
| Exposure orientation of L-PBF samples | (-, -) 9 | (-, -) 8 | ||||||||||
| Specimen | Factorial Comparison of the Critical Bending Stresses | Factorial Comparison of the Maximum Bending Stresses | ||||
|---|---|---|---|---|---|---|
| 0° | 45° | 90° | 0° | 45° | 90° | |
| Mean value of conventional batch 1 | 1.0 | 1.0 | 1.0 | 1.0 | 1.0 | 1.0 |
| Mean value of conventional batch 2 | 0.92 | 0.80 | 1.01 | 0.91 | 0.83 | 0.96 |
| w_lo | 1.0 | 0.82 | 1.06 | 0.94 | 0.83 | 1.06 |
| w_lu | 1.01 | 0.81 | 1.10 | 0.93 | 0.83 | 1.10 |
| w_lu2 | 1.06 | 0.85 | 1.14 | 0.92 | 0.86 | 1.12 |
| Mean value of WA-DED upright batch | 1.05 | 0.82 | 1.06 | 1.05 | 0.85 | 1.04 |
| Mean value of L-PBF specimen | 1.43 | 1.12 | 1.49 | 1.22 | 1.13 | 1.37 |
| Specimen | Maximum Thread Test Forces [N] | ||
|---|---|---|---|
| 0° | 45° | 90° | |
| k_04 | 13,328.00 | 13,300.30 | 14,810.30 |
| k_05 | 11,115.70 | 14,076.50 | 16,626.10 |
| w_lu | 12,061.30 | 15,367.80 | 8248.80 |
| w_s1 | 7919.20 | 18,759.90 | 16,286.50 |
| s_l2 | 14,998.20 | 14,048.00 | 15,167.60 |
| Investigated Influencing Factors | 0° | 45° | 90° | |||
|---|---|---|---|---|---|---|
| Manufacturing process | (-, -) | 93 | (-, -) | 38 | (-, -) | 99 |
| Building orientation of WA-DED samples | (-, -) | 110 | (-, -) | 18 | (-, -) | 171 |
| Weld orientation of WA-DED samples | (**, *) - | |||||
| Exposure orientation of L-PBF samples | (-, -) 6 | |||||
| Specimen | Factorial Comparison of the Maximum Thread Force | ||
|---|---|---|---|
| 0° | 45° | 90° | |
| Mean value of conventional batch 1 | 1.0 | 1.0 | 1.0 |
| Mean value of conventional batch 2 | 1.02 | 1.11 | 1.16 |
| w_lo | 0.76 | 1.30 | 0.54 |
| w_lu | 1.00 | 1.45 | 0.66 |
| w_lu2 | 1.27 | 1.45 | 1.22 |
| Mean value of WA-DED upright batch | 0.72 | 1.27 | 1.15 |
| Mean value of L-PBF specimen | 1.19 | 1.08 | 1.25 |
| Specimen | Test Temperature | Notched Impact Strength 45° Orientation |
|---|---|---|
| T [ °C] | k [J/cm³] | |
| k_04 | 20 | 133.,7 |
| k_05 | 20 | 83.6 |
| w_lu | 20 | 51.3 |
| w_s1 | 20 | 66.9 |
| s_l2 | 20 | 53.5 |
| Investigated Influencing Factors | 45° | |
|---|---|---|
| Manufacturing process | (***, **) | - |
| Building orientation of the WA-DED samples | (***, *) | - |
| Specimen | 45° |
|---|---|
| Mean value of conventional batch 1 | 1.0 |
| Mean value of conventional batch 2 | 0.82 |
| w_lo | 0.39 |
| w_lu | 0.36 |
| w_lu2 | 0.40 |
| Mean value of WA-DED upright batch | 0.52 |
| Mean value of L-PBF specimen | 0.44 |
| Investigated Influencing Factors | 0° | 45° | 90° | |||
|---|---|---|---|---|---|---|
| Manufacturing process | (***; ***) | - | (***; ***) | - | (***; ***) | - |
| Building orientation of WA-DED samples | (-, -) | 5 | (**; **) | - | (**; **) | - |
| Weld orientation of WA-DED samples | (***; ***); - | |||||
| Exposure orientation of L-PBF samples | (*; *); - | |||||
| Specimen | 0° | 45° | 90° |
|---|---|---|---|
| Conventional batch 1 | 1.0 | 1.0 | 1.0 |
| Conventional batch 2 | 1.0 | 0.96 | 0.97 |
| w_lo | 1.20 | 1.17 | 1.25 |
| w_lu | 1.17 | 1.20 | 1.24 |
| w_lu2 | 1.16 | 1.15 | 1.20 |
| WA-DED upright batch | 1.18 | 1.25 | 1.15 |
| L-PBF specimen | 1.62 | 1.66 | 1.63 |
Disclaimer/Publisher’s Note: The statements, opinions and data contained in all publications are solely those of the individual author(s) and contributor(s) and not of MDPI and/or the editor(s). MDPI and/or the editor(s) disclaim responsibility for any injury to people or property resulting from any ideas, methods, instructions or products referred to in the content. |
© 2023 by the authors. Licensee MDPI, Basel, Switzerland. This article is an open access article distributed under the terms and conditions of the Creative Commons Attribution (CC BY) license (https://creativecommons.org/licenses/by/4.0/).
Share and Cite
Grüger, L.; Sydow, B.; Woll, R.; Buhl, J. Design of a Cost-Effective and Statistically Validated Test Specification with Selected Machine Elements to Evaluate the Influence of the Manufacturing Process with a Focus on Additive Manufacturing. Metals 2023, 13, 1900. https://doi.org/10.3390/met13111900
Grüger L, Sydow B, Woll R, Buhl J. Design of a Cost-Effective and Statistically Validated Test Specification with Selected Machine Elements to Evaluate the Influence of the Manufacturing Process with a Focus on Additive Manufacturing. Metals. 2023; 13(11):1900. https://doi.org/10.3390/met13111900
Chicago/Turabian StyleGrüger, Lennart, Benjamin Sydow, Ralf Woll, and Johannes Buhl. 2023. "Design of a Cost-Effective and Statistically Validated Test Specification with Selected Machine Elements to Evaluate the Influence of the Manufacturing Process with a Focus on Additive Manufacturing" Metals 13, no. 11: 1900. https://doi.org/10.3390/met13111900
APA StyleGrüger, L., Sydow, B., Woll, R., & Buhl, J. (2023). Design of a Cost-Effective and Statistically Validated Test Specification with Selected Machine Elements to Evaluate the Influence of the Manufacturing Process with a Focus on Additive Manufacturing. Metals, 13(11), 1900. https://doi.org/10.3390/met13111900
