The Nb-V-Ti-N-C System Microelements Coupling Precipitation Behavior and Its Effects on Properties in High Strength Naval Steel
Abstract
1. Introduction
2. Materials and Methods
2.1. Preparation of the Naval Steel
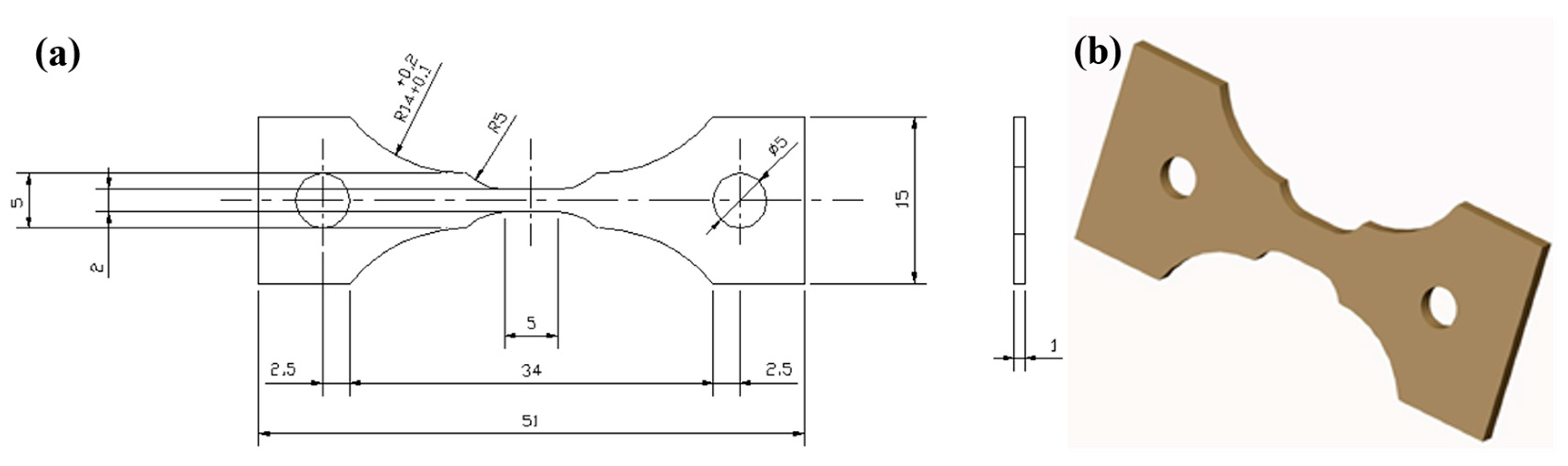
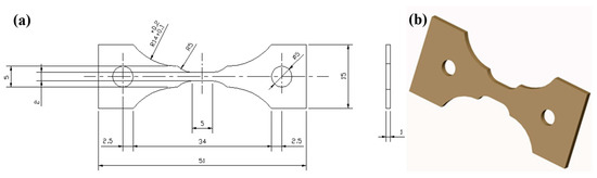
2.2. In Situ SEM Tensile Tests
2.3. Corrosion Resistance Experiments
2.4. TEM Experiments
2.5. Method of Thermodynamics Analysis in the Nb-V-Ti-N-C System
3. Results
3.1. Microstructure Transformation and Micro-Cracks Sources
3.2. Mechanical Properties
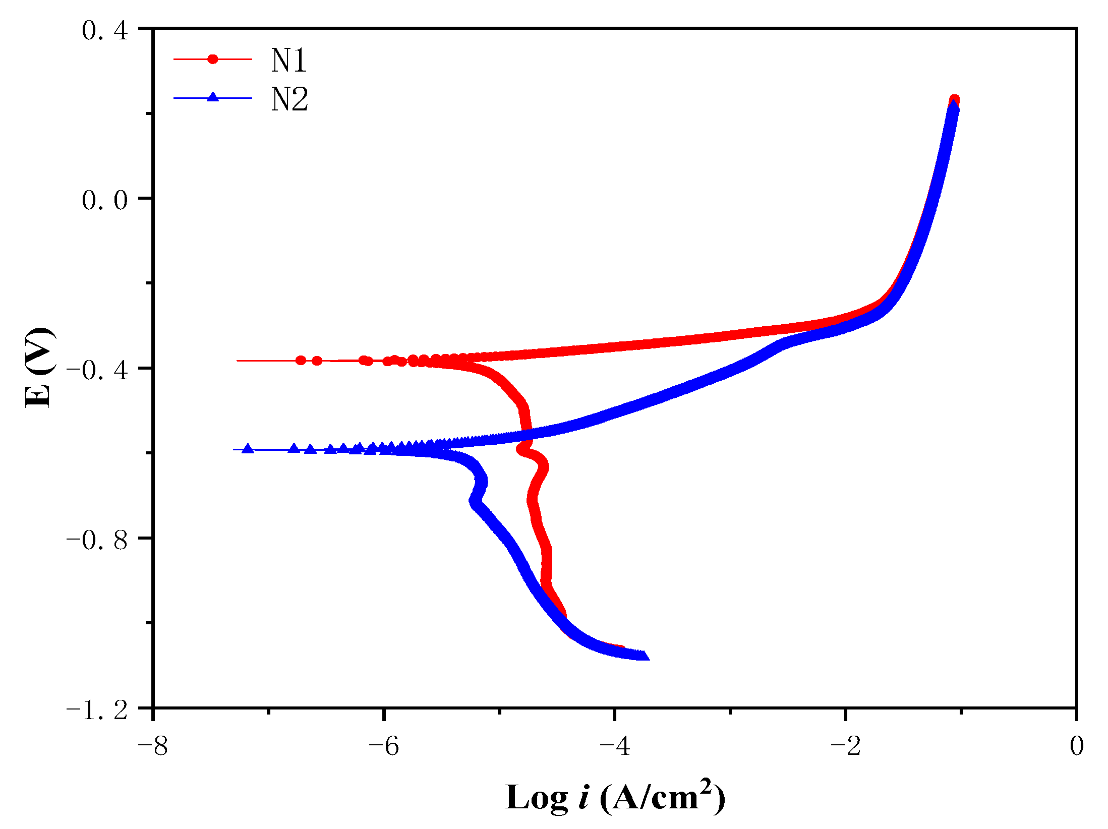
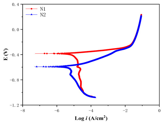
3.3. Corrosion Resistance
4. Conclusions
Author Contributions
Funding
Institutional Review Board Statement
Informed Consent Statement
Data Availability Statement
Conflicts of Interest
References
- Chen, X.; Qiu, L.; Tang, H.; Luo, X.; Zuo, L.; Wang, Z.; Wang, Y. Effect of nanoparticles formed in liquid melt on microstructure and mechanical property of high strength naval steel. J. Mater. Process. Technol. 2015, 222, 224–233. [Google Scholar] [CrossRef]
- Luo, X.; Wang, Z.; Chen, X.; Wang, Y.; Xu, G. Modifying of microstructure and toughness in the weld metal prepared by welding wire containing nanosized titanium oxides. Mater. Sci. Eng. A 2021, 807, 140897. [Google Scholar] [CrossRef]
- Jain, D.; Isheim, D.; Seidman, D.N. Carbon Redistribution and Carbide Precipitation in a High-Strength Low-Carbon HSLA-115 Steel Studied on a Nanoscale by Atom Probe Tomography. Met. Mater. Trans. A 2017, 48, 3205–3219. [Google Scholar] [CrossRef]
- Sk, M.; Ghosh, A.; Rarhi, N.; Balamuralikrishnan, R.; Chakrabarti, D. Effect of reheating temperature and cooling treatment on the microstructure, texture, and impact transition behavior of heat-treated naval grade HSLA steel. Metall. Mater. Trans. A 2017, 48A, 3231. [Google Scholar] [CrossRef]
- Shin, Y.-H.; Chung, J.-H.; Kim, J.-H. Test and estimation of ballistic armor performance for recent naval ship structural materials. Int. J. Nav. Archit. Ocean Eng. 2018, 10, 762–781. [Google Scholar] [CrossRef]
- Xu, G.; Gan, X.; Ma, G.; Luo, F.; Zou, H. The development of Ti-alloyed high strength microalloy steel. Mater. Des. 2010, 31, 2891–2896. [Google Scholar] [CrossRef]
- Ling, R.; Li, N.; Yang, K. Study of copper precipitation behavior in a Cu-bearing austenitic antibacterial stainless steel. Mater. Des. 2011, 32, 2374–2379. [Google Scholar]
- Pouraliakbar, H.; Khalaj, G.; Jandaghi, M.R.; Khalaj, M.J. Study on the correlation of toughness with chemical composition and tensile test results in microalloyed API pipeline steels. J. Min. Met. Sect. B Met. 2015, 51, 173–178. [Google Scholar] [CrossRef]
- Khalaj, G.; Pouraliakbar, H.; Mamaghani, K.R.; Khalaj, M.-J. Modeling the Correlation between heat Treatment, Chemical Composition and Bainite Fraction of Pipeline Steels by Means of Artificial Neural Networks. Neural Netw. World 2013, 23, 351–367. [Google Scholar] [CrossRef]
- Tang, H.; Chen, X.; Chen, M.; Zuo, L.; Hou, B.; Wang, Z. Microstructure and mechanical property of in-situ nano-particle strengthened ferritic steel by novel internal oxidation. Mater. Sci. Eng. A 2014, 609, 293–299. [Google Scholar] [CrossRef]
- Tang, H.; Chen, X.; Luo, X.; Chen, M.; Wang, Z.; Zuo, L. Heterogeneous nucleation effect of in situ nanoparticles on the metal–matrix microstructure. Mater. Lett. 2014, 137, 455–459. [Google Scholar] [CrossRef]
- Tang, H.; Chen, X.; Niu, Y.; Luo, X.; Wang, Z.; Chen, M.; Shi, G. Thermal stability characteristics of in situ nano-particles formed in metal melt. Mater. Lett. 2016, 162, 261–264. [Google Scholar] [CrossRef]
- Wang, Y.; Zhou, M.; Pang, X.; Chen, X.; Wang, Z.; Volinsky, A.A.; Tang, H. Thermodynamic Analysis of Ti3O5Nanoparticles Formed in Melt and Their Effects on Ferritic Steel Microstructure. Materials 2018, 11, 1343. [Google Scholar] [CrossRef]
- Kumar, S.; Sharma, A.; Pandey, C.; Basu, B.; Nath, S.K. Impact of Subsequent Pass Weld Thermal Cycles on First-Pass Coarse Grain Heat-Affected Zone’s Microstructure and Mechanical Properties of Naval Bainitic Steel. J. Mater. Eng. Perform. 2021, 31, 390–399. [Google Scholar] [CrossRef]
- Chen, X.; Liang, S.; Wang, Y.; Wang, Z.; Fan, W.; Yu, X.; Yang, J. Morphology of Inclusions and Its Refinement Mechanism in the New P91 Heat-Resistant Pipeline Steel. Metals 2022, 12, 1556. [Google Scholar] [CrossRef]
- Wang, Y.; Fu, L.; Zhou, M.; Zhou, Z.; Pang, X.; Zhong, S.; Volinsky, A.A. Thermodynamics Analysis of Multiple Microelements’ Coupling Behavior in High Fatigue Resistance 50CrVA Spring Steel with Nanoparticles. Materials 2019, 12, 2952. [Google Scholar] [CrossRef]
- Yong, Q.L. Secondary Phases in Steels; Metallurgical Industry Press: Beijing, China, 2006; pp. 120–124, 145–147, 200–205. [Google Scholar]
- Lee, S.H.; Lee, K.S.; Lee, K.J. Evaluation of wagner interaction parameter in Fe-Mn-Si-Nb-Ti-V-C system. Mater. Sci. Forum 2005, 475–479, 3327–3330. [Google Scholar] [CrossRef]
- Chen, J. Steelmaking Common Data Charts Manual; Metallurgical Industry Press: Beijing, China, 2010; pp. 511–520. [Google Scholar]
- Sharma, R.C.; Lakshmanan, V.K.; Kirkaldy, J.S. Solubility of niobium carbide and niobium carbonitride in alloyed austenite and ferrite. Metall. Trans. A 1984, 15A, 545–553. [Google Scholar] [CrossRef]
- Steelmaking Data Sourcebook, The Japanese Society for the Promotion of Science, The 19th Committee on Steelmaking (Revised Edition); Gordon and Breach Science Publishers: New York, NY, USA, 1988; pp. 45, 169.
- Morita, Z.; Kunisada, K. Solubility of nitrogen and equilibrium of Ti-nitride forming reaction in liquid Fe-Ti alloys. ISIJ 1977, 63, 1663–1671. [Google Scholar]
- Cha, W.-Y.; Nagasaka, T.; Miki, T.; Sasaki, Y.; Hino, M. Equilibrium between Titanium and Oxygen in Liquid Fe-Ti Alloy Coexisted with Titanium Oxides at 1873 K. ISIJ Int. 2006, 46, 996–1005. [Google Scholar] [CrossRef]
- Pak, J.; Yoo, J.; Jeong, Y.; Tae, S.; Seo, S.; Kim, D.; Lee, Y. Thermodynamics of titanium and nitrogen in Fe-Si melt. ISIJ Int. 2005, 45, 23–29. [Google Scholar] [CrossRef]
- Cha, W.Y.; Miki, T.; Sasaki, Y.; Hino, M. Temperature dependence of Ti deoxidation equilibrium of liquid iron in coexistence with Ti3O5 and Ti2O3. ISIJ Int. 2008, 48, 729–738. [Google Scholar] [CrossRef]
- Morita, Z.; Tanaka, T.; Yanai, T. Equilibria of nitride forming reactions in liquid iron alloys. Metall. Trans. B 1987, 18B, 195–202. [Google Scholar] [CrossRef]
- Turkdogan, E.T. Fundamental of Steelmaking; The Institute of Materials: London, UK, 1996; p. 128. [Google Scholar]
- Hillert, M.; Jarl, M. A thermodynamic analysis of the iron-nitrogen system. Metall. Trans. A 1975, 6A, 553–559. [Google Scholar] [CrossRef]
- Evans, D.B.; Pehlke, R.D. Equilibria of nitrogen with the refractory metals titanium, zirconium, columbium, vanadium, and tantalum in liquid iron. Trans. TMS-AIME 1965, 233, 1620–1624. [Google Scholar]
- Wada, T.; Wada, H.; Elliott, J.F.; Chipman, J. Activity of carbon and solubility of carbides in the FCC Fe-Mo-C, Fe-Cr-C, and Fe-V-C alloys. Metall. Trans. 1972, 3, 2865–2872. [Google Scholar]
- Sigworth, G.K.; Elliott, J.F. The thermodynamics of liquid dilute iron alloys. Met. Sci. 1974, 8, 298–310. [Google Scholar] [CrossRef]
- Yuan, Z.; Dai, Q.; Cheng, X.; Chen, K.; Pan, L.; Wang, A. In situ SEM tensile test of high-nitrogen austenitic stainless steels. Mater. Charact. 2006, 56, 79–83. [Google Scholar] [CrossRef]
- Guo, E.-Y.; Wang, M.-Y.; Jing, T.; Chawla, N. Temperature-dependent mechanical properties of an austenitic–ferritic stainless steel studied by in situ tensile loading in a scanning electron microscope (SEM). Mater. Sci. Eng. A 2013, 580, 159–168. [Google Scholar] [CrossRef]
- Tsang, H.T.; Chao, C.G.; Ma, C.Y. In situ fracture observation of a TiCTi MMC produced by combustion synthesis. Scripta Mater. 1996, 35, 1007–1012. [Google Scholar] [CrossRef]
- Gan, Y. Practical Manual of Modern Continuous Casting Steel; Metallurgical Industry Press: Beijing, China, 2010. [Google Scholar]












| Naval Steel | C | Si | Mn | Cr | O | V | Ti | Nb | N | P | S | Fe |
|---|---|---|---|---|---|---|---|---|---|---|---|---|
| N1 steel | 0.05 | 0.03 | 0.85 | 0.45 | 0.0018 | 0.030 | 0.05 | 0.06 | 0.0012 | 0.0075 | 0.0018 | 98.46 |
| N2 steel | 0.05 | 0.028 | 0.86 | 0.46 | 0.0016 | 0.032 | 0.10 | 0.06 | 0.0014 | 0.007 | 0.0018 | 98.39 |
| Element j | C | N | O | Mn | Cr | S | P | Si | Ti | V | Nb |
|---|---|---|---|---|---|---|---|---|---|---|---|
| −791.66/T + 0.1142 [18,19] | −1720/T + 0.503 [19] | −22066/T + 11.01 [19] | 698/T − 0.37 [19] | −1007.94/T + 0.6566 [19,20] | −24.349/T [19] | −22.476/T [19] | 666.79/T − 0.3876 [19,20] | 30.53/T − 0.006 [18,19] | −0.0039 + 23.71/T [18,19] | 16.74/T - 0.0071 [18,19] | |
| −221/T − 0.072 [21] | −19500/T + 8.37 [22] | −2098/T + 0.0943 [23] | −0.043 [21] | −0.016 [19] | −0.27 [21] | −74.92/T [19] | 177.5/T − 0.12 [24] | 212/T − 0.0640 [25] | 28.416/T + 0.0032 [18,19] | 15.74/T - 0.00314 [18,19] | |
| −571.75/T + 0.0644 [18,19] | −1270/T + 0.33 [19] | −7950/T + 3.20 [19] | 6.2427/T + 0.000146 [18,19] | — | −29.968/T [19] | −43.079/T [19] | 162.74/T − 0.0385 [18,19] | 30.196/T + 0.00313 [18,19] | 470/T − 0.22 [26] | 13.28/T - 0.0022 [18,19] | |
| 0.06 [27] | 109/T [19,28] | 0.05 [27] | −36.75/T − 0.123 + 0.016 In T [19,20] | −303.8/T + 0.112 [19,20] | 0.007 [27] | 167/T − 0.038 [19] | −286/T + 0.202 [24] | −4070/T + 1.643 [19] | −356/T + 0.0973 [29] | −260/T + 0.0796 [19] | |
| 158/T + 0.0581 [19] | 100.29/T [17,19] | −0.34 [27] | −300/T + 0.154 [19] | −102/T + 0.0327 [19,30] | 0.046 [27] | 1190/T − 0.608 [19] | 162/T − 0.008 [31] | −55/T − 0.015 [21] | −134.79/T + 0.0185 [18,19] | −176.76/T [19,20] |
| Sample | Ecorr (mV vs. Ag/AgCl) | Icorr (mA/cm2) |
|---|---|---|
| N1 | −0.383 ± 0.005 | 6.49 ± 0.1 |
| N2 | −0.592 ± 0.005 | 8.09 ± 0.1 |
Disclaimer/Publisher’s Note: The statements, opinions and data contained in all publications are solely those of the individual author(s) and contributor(s) and not of MDPI and/or the editor(s). MDPI and/or the editor(s) disclaim responsibility for any injury to people or property resulting from any ideas, methods, instructions or products referred to in the content. |
© 2022 by the authors. Licensee MDPI, Basel, Switzerland. This article is an open access article distributed under the terms and conditions of the Creative Commons Attribution (CC BY) license (https://creativecommons.org/licenses/by/4.0/).
Share and Cite
Zhang, L.; Zhang, B.; Wang, Y.; Zheng, Z.; Chen, X.; Zhou, X.; Brokmeier, H.-G.; Wang, Z.; Tang, H. The Nb-V-Ti-N-C System Microelements Coupling Precipitation Behavior and Its Effects on Properties in High Strength Naval Steel. Metals 2023, 13, 8. https://doi.org/10.3390/met13010008
Zhang L, Zhang B, Wang Y, Zheng Z, Chen X, Zhou X, Brokmeier H-G, Wang Z, Tang H. The Nb-V-Ti-N-C System Microelements Coupling Precipitation Behavior and Its Effects on Properties in High Strength Naval Steel. Metals. 2023; 13(1):8. https://doi.org/10.3390/met13010008
Chicago/Turabian StyleZhang, Lingtong, Bowei Zhang, Yanlin Wang, Zhihao Zheng, Xiaohua Chen, Xiaohua Zhou, Heinz-Günter Brokmeier, Zidong Wang, and Hao Tang. 2023. "The Nb-V-Ti-N-C System Microelements Coupling Precipitation Behavior and Its Effects on Properties in High Strength Naval Steel" Metals 13, no. 1: 8. https://doi.org/10.3390/met13010008
APA StyleZhang, L., Zhang, B., Wang, Y., Zheng, Z., Chen, X., Zhou, X., Brokmeier, H.-G., Wang, Z., & Tang, H. (2023). The Nb-V-Ti-N-C System Microelements Coupling Precipitation Behavior and Its Effects on Properties in High Strength Naval Steel. Metals, 13(1), 8. https://doi.org/10.3390/met13010008

