Inhibitory Effect of Commercial Inhibitor VCI 379/611 on the Corrosion Behaviour of HTCS-130 Tool Steel for Hot Work
Abstract
:1. Introduction
2. Experimental Part
2.1. Materials
2.2. Sample Preparation
2.3. Thermodynamic Calculations
2.4. Electrochemical Tests (Ecorr, EIS, Tafel)
2.5. Preparation of Solutions
2.6. Metallographic Examinations
3. Results and Discussion
3.1. The Results of Thermodynamic Calculation
3.2. Electrochemical Investigations
3.3. Results of Metallographic Investigations
4. Conclusions
- According to the thermodynamic calculations, the segregation of individual phases at certain temperatures was found. From the obtained data, the segregation of carbides of type M6C, MC, M2C, and M23C6 was visible.
- By measuring the potential of the open circuit, negative values of the open circuit potential for the sample were obtained after testing in water. Better values were recorded for the sample tested in distilled water solution with the addition of inhibitor.
- The formation of a thicker protective layer on the surface of the sample after testing in solution 1 was established using the method of electrochemical impedance spectroscopy. This was evidenced by the higher amounts of oxide resistance Rox oxide and charge transfer resistance Rct of the sample exposed in solution 1.
- The potentiodynamic polarisation method showed a lower corrosion rate of the sample after testing in solution 1. The results obtained using the Tafel extrapolation method confirmed the better resistance of the sample during contact with the inhibitor.
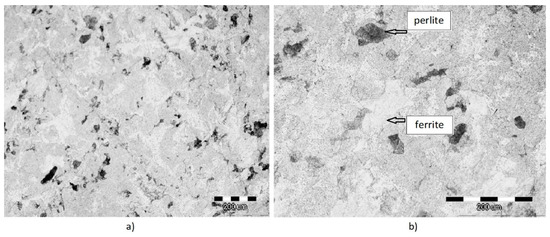
- The lowest amounts of Rox and Rct were recorded for the sample tested in water. As a result, surface damage in the form of pits occurred. The resulting damage is characteristic in the Fe area. Areas where carbide phases were present were less affected by corrosion. No changes were observed on the recorded microstructures of the sample after testing in solution 1 and solution 2.
- SEM and EDS analysis confirmed the presence of tungsten and molybdenum elements. Tungsten and molybdenum form carbides of the Mo6C and W6C type. The obtained element analyses coincide with the obtained printout of the carbide segregation using the Thermo-Calc method.
- The tested steel can be classified into a very-high-quality group of tool steels for hot work. Based on the studies performed, however, the results suggest that the sample showed much better stability in solutions 1 and 2. The obtained result indicates that the commercial inhibitor VCI 379/611 has high efficiency, especially when it was tested on the sample in solution 1. Due to its effectiveness, it is considered a fully applicable agent for corrosion protection of tool steel HTCS-130 intended for hot work.
Author Contributions
Funding
Institutional Review Board Statement
Informed Consent Statement
Data Availability Statement
Acknowledgments
Conflicts of Interest
References
- Krauss, G. Steels: Processing, Structure, and Performance; ASM International: Materials Park, OH, USA, 2015. [Google Scholar]
- Bhadeshia, H.K.D.H.; Honeycombe, R.W.K. Steels Microstructure and Properties, 3rd ed.; Elsevier Ltd.: Amsterdam, The Netherlands, 2006. [Google Scholar]
- Bhadeshia, H.K.D.H.; Honeycombe, R.W.K. Steels Microstructure and Properties, 4th ed.; Elsevier Ltd.: Amsterdam, The Netherlands, 2017. [Google Scholar]
- Durand-Charre, M. Microstructure of Steels and Cast Irons, Engineering Materials and Processes; Springer: Berlin/Heidelberg, Germany, 2003. [Google Scholar]
- Totten, G.E. Steel Heat Treatment: Metallurgy and Technologies; CRC Press: Boca Raton, FL, USA, 2006. [Google Scholar]
- Mesquita, R.A.; Michael, K.; Schneider, R. Tool Steels: Properties and Performance; CRC Press: Boca Raton, FL, USA, 2017. [Google Scholar]
- Sunulahpašić, R.; Oruč, M. Tool Steels and Other Tool Materials (in Bosnian); University of Zenica Faculty of Metallurgy and Technology: Zenica, Bosnia and Herzegovina, 2019. [Google Scholar]
- Bryson, W.E. Heat Treatment, Selection and Application of Tool Steels, 2nd ed.; Hanser Publications: Cincinnati, OH, USA, 2013. [Google Scholar]
- Revie, R.W.; Uhlig, H.H. Corrosion and Corrosion Control: An Introduction to Corrosion Science and Engineering, 4th ed.; A John Wiley & Sons, INC., Publication: Hoboken, NJ, USA, 2008. [Google Scholar]
- Bahadori, A. Corrosion and Materials Selection; John Wiley & Sons, Ltd: Chichester, UK, 2014. [Google Scholar]
- During, E.D.D. Corrosion Atlas, A Collection of Illustrated Case Histories, 3rd ed.; Elsevier Ltd.: Amsterdam, The Netherlands, 2018. [Google Scholar]
- Popov, N.B. Corrosion Engineering Principles and Solved Problems; Elsevier Ltd.: Amsterdam, The Netherlands, 2015. [Google Scholar]
- Pedeferri, P. Corrosion Science and Engineering; Springer: Cham, Switzerland, 2018. [Google Scholar]
- May, M. Corrosion behavior of mild steel immersed in different concentrations of NaCl solutions. J. Sebpa Univ. (Pure Appl. Sci.) 2016, 15, 1–12. [Google Scholar]
- Fekry, A.M.; Ameer, M.A. Electrochemical investigation of corrosion and hydrogen evolution rate of mild steel in sulphuric acid solution. Int. J. Hydrogen Energ. 2011, 36, 11207–11215. [Google Scholar] [CrossRef]
- Chen, R.Y.; Yuen, W.Y.D. Review of the high-temperature oxidation of iron and carbon steels in air or oxygen. Oxid. Met. 2003, 59, 433–468. [Google Scholar] [CrossRef]
- Saunders, S.R.J.; Monteiro, M.; Rizzo, F. The oxidation behaviour of metals and alloys at high temperatures in atmospheres containing water vapour: A review. Prog. Mater. Sci. 2008, 53, 775–837. [Google Scholar] [CrossRef]
- Abdel-Gaber, A.M.; Abd-El-Nabey, B.A.; Sidahmed, I.M.; El-Zayady, A.M.; Saadawy, M. Inhibitive action of some plant extracts on the corrosion of steel in acidic media. Corros. Sci. 2006, 48, 2765–2779. [Google Scholar] [CrossRef]
- Yaro, A.S.; Hameed, K.W.; Khadom, A.A. Study for prevention of steel corrosion by sacrificial anode cathodic protection. Theor. Found. Chem. Eng. 2013, 47, 266–273. [Google Scholar] [CrossRef]
- Franceschi, M.; Pezzato, L.; Settimi, A.G.; Gennari, C.; Pigato, M.; Polyakova, M.; Konstantinov, D.; Brunelli, K.; Dabalá, M. Effect of different austempering heat treatments on corrosion properties of high-silicon steel. Mater 2021, 14, 288. [Google Scholar] [CrossRef] [PubMed]
- Meng, Y.; Sugiyama, S.; Yanagimoto, J. Microstructural evolution during partial melting and semisolid forming behaviors of two hot-rolled Cr–V–Mo tool steels. J. Mater. Process. Technol. 2015, 225, 203–212. [Google Scholar] [CrossRef]
- Kaschnitz, E.; Hofer, P.; Funk, W. Thermophysical properties of a hot-work tool-steel with high thermal conductivity. Int. J. Thermophys. 2013, 34, 843–850. [Google Scholar] [CrossRef]
- Ko, D.C.; Kim, S.; Kim, G.; Kim, B.; Kim, M. Influence of microstructure on galling resistance of cold-work tool steels with different chemical compositions when sliding against ultra-high-strength steel sheets under dry condition. Wear 2015, 338, 362–371. [Google Scholar] [CrossRef]
- Sohar, C.R. Lifetime Controlling Defects in Tool Steels; Springer: Berlin, Germany, 2011. [Google Scholar]
- Martin, J.W. Concise Encyclopedia of the Structure of Materials; Elsevier Ltd.: Amsterdam, The Netherlands, 2007; pp. 442–447. [Google Scholar]
- Banerjee, M.K. Physical metallurgy of tool steels. In Reference Module in Materials Science and Materials Engineering; Elsevier Ltd.: Amsterdam, The Netherlands, 2018. [Google Scholar]
- Roberts, G.; Krauss, G.; Kennedy, R. Tool Steels, 5th ed.; ASM International: Materials Park, OH, YSA, 1998. [Google Scholar]
- Corrêa, J.G.; Schroeter, R.B.; Machado, Á.R. Tool life and wear mechanism analysis of carbide tools used in the machining of martensitic and supermartensitic stainless steels. Tribol. Int. 2017, 105, 102–117. [Google Scholar] [CrossRef]
- Kim, H.; Kang, J.; Son, D.; Lee, T.; Cho, K. Evolution of carbides in cold-work tool steels. Mater. Charact. 2015, 107, 376–385. [Google Scholar] [CrossRef]
- Yilbas, B.S.; Toor, I.; Malik, J.; Patel, F. Laser gas assisted treatment of AISI H12 tool steel and corrosion properties. Opt. Lasers. Eng. 2014, 54, 8–13. [Google Scholar] [CrossRef]
- Szumera, J. The Tool Steel Guide; Industrial Press Inc.: New York, NY, USA, 2003. [Google Scholar]
- Saunders, N.; Miodownik, A.P. CALPHAD (Calculation of Phase Diagrams): A Comprehensive Guide; Pergamon: Oxford, NY, USA, 1998; Volume 1. [Google Scholar]
- Lukas, H.; Fries, S.G.; Sundman, B. Computational Thermodynamics the Calphad Method; Cambridge University Press: Cambridge, UK, 2007. [Google Scholar]
- Brajčinović, S.; Begić Hadžipašić, A.; Slokar Benić, L.J. Influence of medium on corrosion and microstructural properties of K110 tool steel for cold work. In Proceedings of the Metal 2020: 29th International Conference on Metallurgy and Materials, Brno, Češka, 20–22 May 2020; pp. 816–821. [Google Scholar] [CrossRef]
- Brajčinović, S.; Begić Hadžipašić, A.; Medved, J.; Kožuh, S. Influence of medium on corrosion and microstructural properties of HTCS-130 tool steel for hot work. In Proceedings of the 18th International Foundrymen Conference Coexistence of material science and sustainable technology in economic growth, Sisak, Croatia, 15–17 May 2019; Dolić, N., Zovko Brodarac, Z., Begić Hadžipašić, A., Eds.; University of Zagreb Faculty of Metallurgy: Sisak, Croatia; pp. 188–205. [Google Scholar]
- Perez, N. Electrochemistry and Corrosion Science; Kluwer Academic Publishers: Boston, MA, USA, 2004. [Google Scholar]
- Schütze, M.; Roche, M.; Bender, R. Corrosion Resistance of Steels, Nickel Alloys and Zinc in Aqueous Media; Dechema: Frankfurt, Germany, 2016. [Google Scholar]
- Gassama, D.; Aziz Diagne, A.; Yade, I.; Fall, M.; Faty, S. Investigations on the corrosion of constructional steels in different aqueous and simulated atmospheric environments. Bull. Chem. Soc. Ethiop. 2015, 29, 299–310. [Google Scholar] [CrossRef] [Green Version]
- Vander Voort, G.F. Metallographic Techniques for Tool Steels. In ASM Handbook: Metallography and Microstructures; ASM International: Materials Park, OH, USA, 2004; Volume 9. [Google Scholar]
- Balaško, T.; Burja, J.; Medved, J. High-temperature oxidation of four hot-work tool steels. Mater. Tehnol. 2018, 52, 775–780. [Google Scholar] [CrossRef]









| C | S | Si | Cr | Ni | V | W | Co | Al | Fe |
| 0.31 | 0.001 | 0.07 | 0.1 | 0.04 | 0.01 | 1.9 | 0.01 | 0.012 | balance |
| Cu | Mn | Mo | P | Sn | Ti | Nb | B | N | |
| 0.04 | 0.08 | 3.2 | 0.007 | 0.005 | 0.01 | 0.01 | 0.001 | 0.001 |
| List of Phases Using Thermo—Calc Method | Standard Phases |
|---|---|
| LIQUID + BCC_A2 | L + δ |
| LIQUID + BCC_A2 + FCC_A1 | L + δ + γ |
| LIQUID + FCC_A1 | L + γ |
| FCC_A1 | γ |
| FCC_A1 + M6C | γ + (Mo, Fe, W)6C |
| BCC_A2 + FCC_A1 + M6C | α + γ + (Mo, Fe, W)6C |
| BCC_A2 + FCC_A1 + M6C + MC_SHP | α + γ + (Mo, Fe, W)6C + (W, Mo)C |
| BCC_A2 + HCP_A3#2 + M6C + MC_SHP | α + (Mo, W, V)2C + (Mo, Fe, W)6C + (W, Mo)C |
| BCC_A2 + HCP_A3#2 + M6C + MC_ETA + MC_SHP | α + (Mo, V, W)2C + (Mo, Fe, W)6C + (Mo, V)C + (W, Mo)C |
| Medium | Ecorr vs. SCE | Rel | Qdl × 106 | n | Rox | Qdl × 106 | n | Rct |
|---|---|---|---|---|---|---|---|---|
| mV | Ωcm2 | Ω1sncm−2 | Ωcm2 | Ω1sncm−2 | Ω cm2 | |||
| water | −406 | 304.6 | 42.09 | 0.71 | 1339 | 458.7 | 0.78 | 1106 |
| solution 1 | −29.1 | 231.0 | 142.1 | 0.69 | 53,000 | 96.82 | 0.50 | 125,800 |
| solution 2 | −38.5 | 333.3 | 163.3 | 0.65 | 40,560 | 250.9 | 0.86 | 84,520 |
| Medium | Ecorr vs. SCE | ba | bc | Icorr | vcorr | Z |
|---|---|---|---|---|---|---|
| mV | mV dec−1 | mV dec−1 | Acm−2 | mm yr−1 | % | |
| water | −405.60 | 498.23 | 483.08 | 12.59 × 10−6 | 0.804 | 0 |
| solution 1 | −129.26 | 1899.0 | 180.61 | 1.00 × 10−6 | 0.080 | 90.04 |
| solution 2 | −151.56 | 699.1 | 180.38 | 1.26 × 10−6 | 0.138 | 82.74 |
| Position | Chemical Element, Mass. % | |||
|---|---|---|---|---|
| Fe | C | Mo | W | |
| 1 | 91.45 | 1.82 | 3.28 | 3.44 |
| 2 | 91.09 | 1.12 | 3.40 | 4.40 |
| 3 | 90.89 | 1.10 | 3.56 | 4.45 |
Publisher’s Note: MDPI stays neutral with regard to jurisdictional claims in published maps and institutional affiliations. |
© 2022 by the authors. Licensee MDPI, Basel, Switzerland. This article is an open access article distributed under the terms and conditions of the Creative Commons Attribution (CC BY) license (https://creativecommons.org/licenses/by/4.0/).
Share and Cite
Brajčinović, S.; Begić Hadžipašić, A.; Medved, J. Inhibitory Effect of Commercial Inhibitor VCI 379/611 on the Corrosion Behaviour of HTCS-130 Tool Steel for Hot Work. Metals 2022, 12, 966. https://doi.org/10.3390/met12060966
Brajčinović S, Begić Hadžipašić A, Medved J. Inhibitory Effect of Commercial Inhibitor VCI 379/611 on the Corrosion Behaviour of HTCS-130 Tool Steel for Hot Work. Metals. 2022; 12(6):966. https://doi.org/10.3390/met12060966
Chicago/Turabian StyleBrajčinović, Sandra, Anita Begić Hadžipašić, and Jožef Medved. 2022. "Inhibitory Effect of Commercial Inhibitor VCI 379/611 on the Corrosion Behaviour of HTCS-130 Tool Steel for Hot Work" Metals 12, no. 6: 966. https://doi.org/10.3390/met12060966
APA StyleBrajčinović, S., Begić Hadžipašić, A., & Medved, J. (2022). Inhibitory Effect of Commercial Inhibitor VCI 379/611 on the Corrosion Behaviour of HTCS-130 Tool Steel for Hot Work. Metals, 12(6), 966. https://doi.org/10.3390/met12060966

