Analysis of Hydrogen-Assisted Brittle Fracture Using Phase-Field Damage Modelling Considering Hydrogen Enhanced Decohesion Mechanism
Abstract
:1. Introduction
2. Hydrogen Assisted Fracture Theory Based on Phase-Field Model
2.1. Phase Field Approximation of Diffusive Crack Topology
2.2. Governing Balance Equations
2.3. Governing Equation of Hydrogen Diffusion
2.4. Hydrogen Degradation Function
3. Finite Element Implementation
3.1. Finite Element Discretization of the Deformation Phase-Field
3.2. Finite Element Discretization of the Hydrogen Diffusion
3.3. Finite Element Implementation in ABAQUS
4. Numerical Modeling
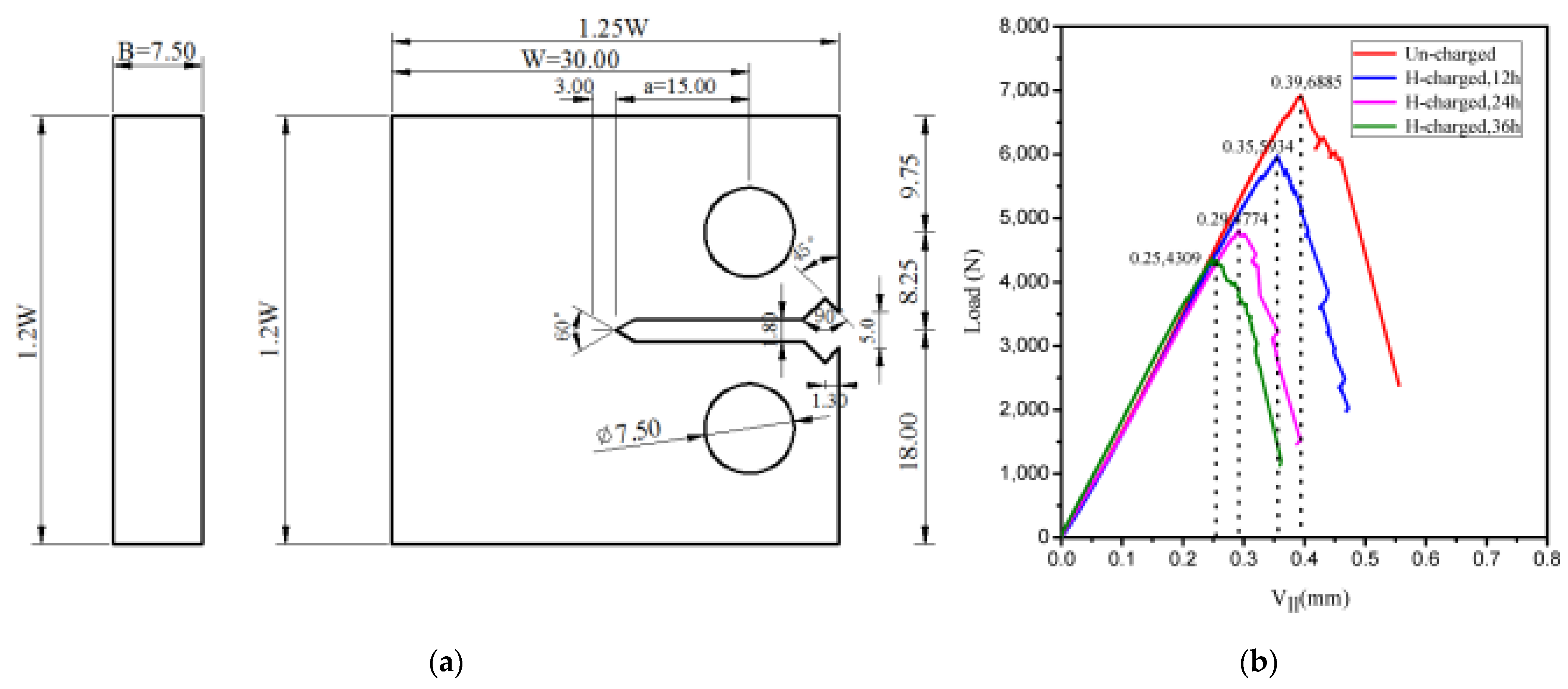
4.1. Material and Experiment
4.2. The Finite Element Model
4.3. Result and Discussion
5. Conclusions
- The simulation results show that hydrogen accumulates near the crack tip due to positive hydrostatic stress and the peak increases gradually with loading before crack initiation.
- The HEDE was implemented by determining the critical energy release rate drops when hydrogen concentration increases. In the presented simulations, the hydrogen concentration reaches a peak near the newly formed crack surfaces and gradually falls as the crack propagates. For load-line displacement curves, the maximum load-carrying ability decreases as the hydrogen content increases.
- The microstructural fracture mechanism of the hydrogen-charged 45CrNiMoVA high-strength steel compact-tension (CT) specimens demonstrate a brittle mixed fracture mode of QC and IG fracture that is consistent with the HEDE mechanism in the suggested model.
- The simulated load-line displacement curves show good agreement with computational and experimental curves. The model quantitatively estimates the initial hydrogen level. The proposed model provides a numerical tool for predicting the mechanical reaction of materials that are subjected to hydrogen-assisted brittle fracture, provided that the mechanical properties and phase-field model parameters are properly calibrated in advance.
Author Contributions
Funding
Data Availability Statement
Conflicts of Interest
References
- Johnson, W.H. On some remarkable changes produced in iron and steel by the action of hydrogen and acids. Nature 1875, 11, 393. [Google Scholar] [CrossRef]
- Wang, M.; Akiyama, E.; Tsuzaki, K. Determination of the critical hydrogen concentration for delayed fracture of high strength steel by constant load test and numerical calculation. Corros. Sci. 2006, 48, 2189–2202. [Google Scholar] [CrossRef]
- Yatabe, H.; Yamada, K.; de Los, E.R.; Miller, K.J. Formation of hydrogen-assisted intergranular cracks in high strength steels. Fatigue Fract. Eng. Mater. Struct. 1995, 18, 377–384. [Google Scholar] [CrossRef]
- Birnbaum, H.K.; Sofronis, P. Hydrogen-enhanced localized plasticity-a mechanism for hydrogen-related fracture. Mater. Sci. Eng. A 1994, 176, 191–202. [Google Scholar] [CrossRef]
- Sofronis, P.; Liang, Y.; Aravas, N. Hydrogen induced shear localization of the plastic flow in metals and alloys. Eur. J. Mech. A/Solids 2001, 20, 857–872. [Google Scholar] [CrossRef]
- Liang, Y.; Sofronis, P.; Aravas, N. On the effect of hydrogen on plastic instabilities in metals. Acta Mater. 2003, 51, 2717–2730. [Google Scholar] [CrossRef]
- Ahn, D.C.; Sofronis, P.; Dodds, R.H. On hydrogen-induced plastic flow localization during void growth and coalescence. Int. J. Hydrogen Energy 2007, 32, 3734–3742. [Google Scholar] [CrossRef]
- Pfeil, L.B. The effect of occluded hydrogen on the tensile strength of iron. Proc. R. Soc. Lond. Ser. A Contain. Pap. Math. Phys. Charact. 1926, 112, 182–195. [Google Scholar]
- Troiano, A.R. The role of hydrogen and other interstitials in the mechanical behaviour of metals. Trans. ASM 1960, 52, 54–80. [Google Scholar]
- Gerberich, W.W.; Oriani, R.A.; Lji, M.J.; Chen, X.; Foecke, T. The necessity of both plasticity and brittleness in the fracture thresholds of iron. Philos. Mag. A Phys. 1991, 63, 363–376. [Google Scholar] [CrossRef]
- Oriani, R.A. A mechanistic theory of hydrogen embrittlement of steels. Ber Bunsen Phys. Chem. 1972, 76, 848–857. [Google Scholar]
- Jiang, D.E.; Carter, E.A. First principles assessment of ideal fracture energies of materials with mobile impurities: Implications for hydrogen embrittlement of metals. Acta Mater. 2004, 52, 4801–4807. [Google Scholar] [CrossRef]
- Serebrinsky, A.; Carter, E.A.; Ortiz, M. A quantum-mechanically informed continuum model of hydrogen embrittlement. J. Mech. Phys. Solids 2004, 52, 2403–2430. [Google Scholar] [CrossRef]
- Jemblie, L.; Olden, V.; Mainçon, P.; Akselsen, O.M. Cohesive zone modelling of hydrogen induced cracking on the interface of clad steel pipes. Int. J. Hydrogen Energy 2017, 42, 28622–28634. [Google Scholar] [CrossRef]
- Sobhaniaragh, B.; Afzalimir, S.H.; Ruggieri, C. Towards the prediction of hydrogen–induced crack growth in high-graded strength steels. Thin-Walled Struct. 2021, 159, 107245. [Google Scholar] [CrossRef]
- Li, Y.; Zhang, K.; Lu, D.; Zeng, B. Hydrogen-assisted brittle fracture behavior of low alloy 30CrMo steel based on the combination of experimental and numerical analyses. Materials 2021, 14, 3711. [Google Scholar] [CrossRef] [PubMed]
- Griffith, A.A. The phenomena of rupture and flow in solids. Philos. Trans. R Soc. Lond. A Math. Phys. Sci. 1921, 221, 163–198. [Google Scholar]
- Francfort, G.A.; Marigo, J.J. Revisiting brittle fracture as an energy minimization problem. J. Mech. Phys. Solids 1998, 46, 1319–1342. [Google Scholar] [CrossRef]
- Bourdin, B.; Francfort, G.A.; Marigo, J.J. Numerical experiments in revisited brittle fracture. J. Mech. Phys. Solids 2000, 48, 797–826. [Google Scholar] [CrossRef]
- Bourdin, B.; Francfort, G.A.; Marigo, J.J. The Variational Approach to Fracture. J. Elast. 2008, 91, 5–148. [Google Scholar] [CrossRef]
- Miehe, C.; Hofacker, M.; Welschinger, F. A phase field model for rate independent crack propagation: Robust algorithmic implementation based on operator splits. Comput. Methods Appl. Mech. Eng. 2010, 199, 2765–2778. [Google Scholar] [CrossRef]
- Miehe, C.; Schänzel, L.M.; Ulmer, H. Phase field modeling of fracture in multiphysics problems. Part I. Balance of crack surface and failure criteria for brittle crack propagation in thermo-elastic solids. Comput. Methods Appl. Mech. Eng. 2015, 294, 449–485. [Google Scholar] [CrossRef]
- Miehe, C.; Hofacker, M.; Schänzel, L.M.; Aldakheel, F. Phase field modeling of fracture in multi-physics problems. Part II. Coupled brittle-to-ductile failure criteria and crack propagation in thermo-elastic-plastic solids. Comput. Methods Appl. Mech. Eng. 2015, 294, 486–522. [Google Scholar] [CrossRef]
- Ambati, M.; Gerasimov, T.; De Lorenzis, L. Phase-field modeling of ductile fracture. Comput. Mech. 2015, 55, 1017–1040. [Google Scholar] [CrossRef]
- Ambati, M.; Kruse, R.; De Lorenzis, L. A phase-field model for ductile fracture at finite strains and its experimental verification. Comput. Mech. 2016, 57, 149–167. [Google Scholar] [CrossRef]
- Philip, K.K.; Christian, F.N.; Martínez-Pañeda, E. A phase field model for elastic-gradient-plastic solids undergoing hydrogen embrittlement. J. Mech. Phys. Solids 2020, 143, 104093. [Google Scholar]
- Martínez-Pañeda, E.; Golahmar, A.; Christian, F.N. A phase field formulation for hydrogen assisted cracking. Comput. Methods Appl. Mech. Eng. 2018, 342, 742–761. [Google Scholar] [CrossRef] [Green Version]
- Wu, J.Y.; Mandal, T.K.; Nguyen, V.P. A phase-field regularized cohesive zone model for hydrogen assisted cracking. Comput. Methods Appl. Mech. Eng. 2020, 358, 112614. [Google Scholar] [CrossRef]
- Martínez-Pañeda, E.; Harris, Z.D.; Fuentes-Alonso, S.; Scully, J.R.; Burns, J.T. On the suitability of slow strain rate tensile testing for assessing hydrogen embrittlement susceptibility. Corros. Sci. 2020, 163, 108291. [Google Scholar] [CrossRef] [Green Version]
- Molnár, G.; Gravouil, A. 2D and 3D Abaqus implementation of a robust staggered phase-field solution for modeling brittle fracture. Finite Elements Anal. Des. 2017, 130, 27–38. [Google Scholar] [CrossRef] [Green Version]
- Miehe, C.; Welschinger, F.; Hofacker, M. Thermodynamically consistent phase-field models of fracture: Variational principles and multi-fifield fe implementations. Int. J. Numer. Methods Eng. 2010, 10, 1273–1311. [Google Scholar] [CrossRef]
- Crank, J. The Mathematics of Diffusion; Oxford University Press: London, UK, 1979. [Google Scholar]
- Hirth, J.P. Effects of hydrogen on the properties of iron and steel. Metall. Mater. Trans. A 1980, 6, 861–890. [Google Scholar] [CrossRef]
- Alvaro, A.; Jensen, I.T.; Kheradmand, N.; Løvvik, O.M.; Olden, V. Hydrogen embrittlement in nickel, visited by first principles modeling, cohesive zone simulation and nanomechanical testing. Int. J. Hydrogen Energy 2015, 47, 16892–16900. [Google Scholar] [CrossRef]
- Hondros, E.; Seah, M. The theory of grain boundary segregation in terms of surface adsorption analogues. Metall. Mater. Trans. A 1977, 8, 1363–1371. [Google Scholar] [CrossRef]
- Kotake, H.; Matsumoto, R.; Taketomi, S.; Miyazaki, N. Transient hydrogen diffusion analyses coupled with crack-tip plasticity under cyclic loading. Int. J. Press. Vessel. Pip. 2008, 85, 540–549. [Google Scholar] [CrossRef]
- ASTM. E1820-09; Standard Test Method for Measurement of Fracture Toughness. ASTM: Philadelphia, PA, USA, 2016.
- Li, X.F.; Zhang, J.; Chen, J.; Shen, S.; Yang, G.X.; Wang, T.J.; Song, X.L. Effect of aging treatment on hydrogen embrittlement of PH 13-8 Mo martensite stainless steel. Mater. Sci. Eng. A Struct. Mater. 2016, 651, 474–485. [Google Scholar] [CrossRef]
- Wu, S.J.; Sung, S.J.; Pan, J.; Lam, P.S.; Morgan, M.; Korinko, P. Modeling of Crack Extensions in Arc-Shaped Specimens of Hydrogen-Charged Austenitic Stainless Steels Using Cohesive Zone Model. Press. Vessel. Pip. Conf. 2018, 7, 15–20. [Google Scholar]
- ISO12135; International Standard of Unified Method of Test for the Determination of Quasistatic Fracture Toughness. ISO 2002; ISO Technical Committees: Geneva, Switzerland, 2002; pp. 65–67.
- Yao, Y.; Cai, L.X.; Bao, C.; Jiang, H. The fined COD transform formula for CT specimens to investigate material fracture toughness. AMM 2012, 188, 11–16. [Google Scholar] [CrossRef]
- Nagao, A.; Smith, C.D.; Dadfarnia, M.; Sofronis, P.; Robertson, L.M. The role of hydrogen in hydrogen embrittlement fracture of lath martensitic steel. Acta Mater. 2012, 60, 5182–5189. [Google Scholar] [CrossRef]
- Nagao, A.; Martin, M.L.; Dadfarnia, M.; Sofronis, P.; Robertson, I.M. The effect ofnanosized (Ti, Mo)C precipitates on hydrogen embrittlement of tempered lath martensitic steel. Acta Mater. 2014, 74, 244–254. [Google Scholar] [CrossRef]
- Wu, W.J.; Wang, Y.F.; Tao, P.; Li, F.X.; Gong, J.M. Cohesive zone modeling of hydrogen-induced delayed intergranular fracture in high strength steels. Results Phys. 2018, 11, 591–598. [Google Scholar] [CrossRef]












| Variable | Number of SDV in ABAQUS |
|---|---|
| Axial stress—, | SDV1, SDV2 |
| Shear stress— | SDV3 |
| Axial strain—, | SDV4, SDV5 |
| Shear strain— | SDV6 |
| Crack phase-field— | SDV7 |
| Hydrostatic stress— | SDV8 |
| Hydrogen concentration—C | SDV9 |
Publisher’s Note: MDPI stays neutral with regard to jurisdictional claims in published maps and institutional affiliations. |
© 2022 by the authors. Licensee MDPI, Basel, Switzerland. This article is an open access article distributed under the terms and conditions of the Creative Commons Attribution (CC BY) license (https://creativecommons.org/licenses/by/4.0/).
Share and Cite
Li, Y.; Zhang, K. Analysis of Hydrogen-Assisted Brittle Fracture Using Phase-Field Damage Modelling Considering Hydrogen Enhanced Decohesion Mechanism. Metals 2022, 12, 1032. https://doi.org/10.3390/met12061032
Li Y, Zhang K. Analysis of Hydrogen-Assisted Brittle Fracture Using Phase-Field Damage Modelling Considering Hydrogen Enhanced Decohesion Mechanism. Metals. 2022; 12(6):1032. https://doi.org/10.3390/met12061032
Chicago/Turabian StyleLi, Yunlong, and Keshi Zhang. 2022. "Analysis of Hydrogen-Assisted Brittle Fracture Using Phase-Field Damage Modelling Considering Hydrogen Enhanced Decohesion Mechanism" Metals 12, no. 6: 1032. https://doi.org/10.3390/met12061032
APA StyleLi, Y., & Zhang, K. (2022). Analysis of Hydrogen-Assisted Brittle Fracture Using Phase-Field Damage Modelling Considering Hydrogen Enhanced Decohesion Mechanism. Metals, 12(6), 1032. https://doi.org/10.3390/met12061032

