Characterization of Heterogeneous Microstructure and Mechanical Properties of Q345R Welded Joints including Roles of the Welding Process
Abstract
:1. Introduction
2. Materials and Experiments
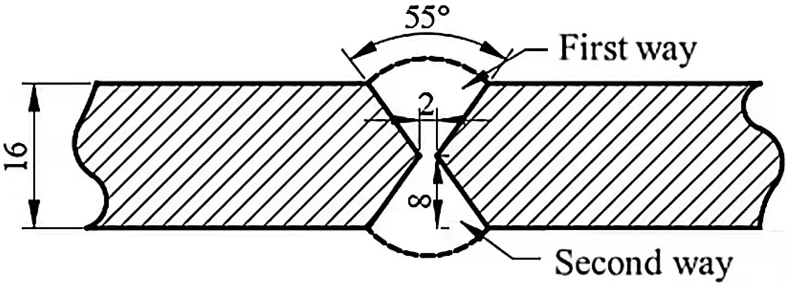
2.1. Preparation of Weld Joints
2.2. Microstructural Characterization
2.3. Mechanical Tests
2.4. Uniaxial Tensile Tests
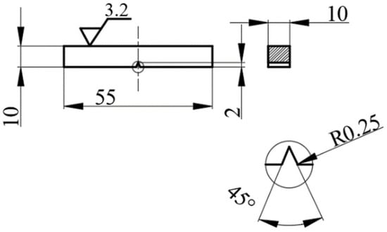
2.5. Welding Joint Toughness Tests
3. Results and Discussion
3.1. Influence of Welding Heat Input on the Microstructure of a Welded Joint
3.2. Hardness Distribution
3.3. Distribution Rule of Welding Joint Toughness
3.4. Tensile Properties
4. Conclusions
- (1)
- The microstructure of the weld zone consists of flake and massive pre-eutectoid ferrite precipitated along the columnar grain boundary and acicular ferrite and a large amount of pearlite growing in parallel to the grain. With the increase in welding heat input, the grain size of the pre-eutectoid ferrite in the weld zone increases. The white area of the massive pre-eutectoid ferrite becomes wider gradually, the number of acicular ferrite decreases and the grain size increases to a certain extent. With the increase in heat input, the volume proportion of eutectoid ferrite in the weld increased from 9.90% to 18.78%; the volume proportion of acicular ferrite decreased from 85.10% to 76.21%. With the decrease in heat input, the volume proportion of eutectoid ferrite decreased from 10.58% to 1.45%, and the volume proportion of acicular ferrite increased from 84.21% to 92.74%.
- (2)
- The hardness of the weld zone decreases with the increase in welding current. Because with the increase in welding heat input, the proportion of proeutectoid ferrite in the weld zone increases, while the acicular ferrite content gradually decreases, making the impact toughness of the weld zone decrease. The hardness of the heat-affected zone of the welded joint decreases gradually with the increase in the distance from the fusion line. The maximum hardness of the welded joint occurs in the overheated zone near the fusion zone. The maximum hardness of the welded joint decreases significantly with the increase in the welding heat input and welding current.
- (3)
- The impact toughness and the hardness of the weld zone decrease gradually with the increase in welding heat input. In the fusion zone, the impact absorption energy is at least 92 J, the toughness is the worst, and the impact is in the base material zone. At approximately 200 J of absorbed work, the toughness is the best.
- (4)
- All the three tensile tests fracture at the base metal, and the yield strength and the tensile strength of the welded joint are higher than that of the base metal, which means super match. To the side of the base material zone, with the increase in the distance from the fusion zone, the lower the yield strength and tensile strength until the base material zone reaches a stable state.
Author Contributions
Funding
Data Availability Statement
Conflicts of Interest
References
- Gao, C.R.; Ma, J.L.; Wang, J.F.; Liu, X.H.; Lv, Z.Y. Influence of welding process on impact toughness of super steel plate. Mech. Eng. Mater. 2006, 30, 5–8. [Google Scholar]
- Zhang, W.Y.; Chen, Y.W. Ferritic structure classification of Chen Yawei steel. J. Zhengzhou Text. Inst. 1992, 7, 33–37. [Google Scholar]
- Zhu, G.X. Application of submerged arc welding in the manufacture of medium thick plate pressure steel pipe. Hunan Water Resour. Hydropower 2016, 2, 12–15. [Google Scholar]
- Wang, M.F. Application of automatic submerged arc welding in pressure vessel welding process. Mech. Eng. Autom. 2014, 182, 198–199. [Google Scholar]
- Ma, Q.Y.; Zhang, Y. Research on the relationship model between tensile strength and hardness of low carbon steel based on LS-SVM. J. North Univ. China Nat. Sci. Ed. 2016, 278, 258–261. [Google Scholar]
- Zhu, L.; Chen, J.H. Strength prediction of welded joints with uneven mechanical properties. Trans. China Weld. Inst. 2005, 26, 13–16. [Google Scholar]
- Sun, D.S.; Zhao, L.W.; Zhang, Y.; Han, J.; Luo, H. Effect of Welding Process Parameters on Weld Forming and Microstructure properties. Hot Work. Technol. 2016, 45, 223–225. [Google Scholar]
- Xing, K.; Li, J.H.; Zheng, W.; Zhou, Y.X.; Zhang, M. Effect of welding wire energy on welding joint properties of low carbon Bainite steel. Hot Work. Technol. 2014, 43, 19–21. [Google Scholar]
- Min, X.F.; Zhao, Z.H.; Li, Y.L.; Mo, Z.L. Effect of welding process parameters on microstructure and bending properties of 9Ni steel welded joint. Electr. Weld. Mach. 2019, 49, 41–44. [Google Scholar]
- Wang, X.L.; Lian, C.Q.; Yang, W.; Hu, G. Effect of welding line energy on microstructure and performance of welded joint of tunnel steel arch. Hot Work. Technol. 2018, 47, 30–33. [Google Scholar]
- Yang, L. Effect of Welding Wire Energy on Mechanical Properties of WEL-TEN80A Steel Welded Joints. Hot Work. Technol. 2005, 3, 46–47. [Google Scholar]
- Pan, Q.X.; Qu, J.S.; Zhong, Y.; Chen, W.J.; Ran, L.K. Microstructure and properties of submerged Arc Welding Joints of 16Mn Steel. Hot Work. Technol. 2007, 36, 42–44. [Google Scholar]
- Khodir, S.A.; Morisada, Y.; Ueji, R.; Fujii, H. Microstructures and mechanical properties evolution during friction stir welding of SK4 high carbon steel alloy. Mater. Sci. Eng.A Struct. Mater. Prop. Microstruct. Process. 2012, 558, 572–578. [Google Scholar] [CrossRef]
- Lala, S.D.; Biswas, A.; Debbarma, J.; Deogharel, A.B. Study of hardness of the weld bead formed by partial hybrid welding by metal inert gas welding and submerged arc welding at three different heat inputs. Mater. Today Proc. 2018, 5, 13650–13657. [Google Scholar] [CrossRef]
- Vedrtnam, A.; Singh, G.; Kumar, A. Optimizing submerged arc welding using response surface methodology, regression analysis, and genetic algorithm. Def. Technol. 2018, 14, 204–212. [Google Scholar] [CrossRef]
- Berdnikova, O.; Pozniakov, V.; Bernatskyi, A.; Alekseienko, T.; Sydorets, V. Effect of the structure on the mechanical properties and cracking resistance of welded joints of low-alloyed high-strength steels. Procedia Struct. Integr. 2019, 16, 89–96. [Google Scholar] [CrossRef]
- Xu, B.; Fu, H.; Xiao, Q.H.; Li, S.; Kang, T. Numerical simulation of the influence of welding direction on residual stress after double welding of Q345 stacked-plates. Metalurgija 2020, 59, 156–158. [Google Scholar]
- Kloos, K.H.; Velten, E. Berechnung der Dauerschwingfestigkeit von Plasmanitrierten Bauteilähnlichen Proben unter Berücksichtigung des Harte-und Eigenspannungsverlaufs. Konstruktion 1984, 36, 181–188. [Google Scholar]
- Pargeter, R.J. Yield strength from hardness: A reappraisal for weld metal. Welding Inst. Res. Bull. 1978, 11, 325–326. [Google Scholar]
- La Van, D.A.; Sharpe, W.N., Jr. Tensile testing of microsamples. Exp. Mech. 1999, 39, 210–216. [Google Scholar] [CrossRef]
- Peng, Y.; Wu, C.; Gan, J.L.; Dong, J. Characterization of heterogeneous constitutive relationship of the welded joint based on the stress-hardness relationship using micro-hardness tests. Constr. Build. Mater. 2019, 202, 37–45. [Google Scholar] [CrossRef]
- Bi, Y.; Yuan, X.; Lv, J.; Bashir, R.; Wang, S.; Xue, H. Effect of Yield Strength Distribution Welded Joint on Crack Propagation Path and Crack Mechanical Tip Field. Materials 2021, 14, 4947. [Google Scholar] [CrossRef] [PubMed]
- Nagaraju, U.; Harinath Gowd, G.; Mohammad Ibrahim Ahmad, R. Parametric analysis and evaluation of tensile strength for laser welding of dissimilar metal. Mater. Today Proc. 2018, 5, 7898–7907. [Google Scholar] [CrossRef]
- Chen, B.; Xiang, J.; Latham, J.-P.; Bakker, R.R. Mining; Reports Outline Mining Findings from Imperial College London (Grain-scale Failure Mechanism of Porous Sandstone: An Experimental and Numerical Fdem Study of the Brazilian Tensile Strength Test Using Ct-scan Microstructure). Min. Miner. 2020, 132, 104348. [Google Scholar]
- Huaming, A.; Hongyuan, L.; Haoyun, H. Hybrid finite-discrete element modelling of rock fracture during conventional compressive and tensile strength tests under quasi-static and dynamic loading conditions. Lat. Am. J. Solids Struct. 2020, 17, 310–325. [Google Scholar]























| Material | C | Mn | Si | P | S | Ni | O | Ce | Fe |
|---|---|---|---|---|---|---|---|---|---|
| Q345R | 0.14 | 1.45 | 0.27 | 0.012 | 0.004 | 0.07 | 0.06 | 1.59 | Bal |
| H10Mn2 | 0.90 | 1.82 | 0.04 | 0.011 | 0.005 | <0.10 | <0.10 | 2.72 | Bal |
| H10Mn2+SJ101 | 0.069 | 1.63 | 0.29 | 0.019 | 0.0058 | 0 | 0.0044 | 1.699 | Bal |
| Specimen ID | Welding Pass | Voltage/V | Current/A | Welding Speed (mm/s) | Heat Input (kJ/cm) | Wire Brand | Wire Diameter (mm) |
|---|---|---|---|---|---|---|---|
| 1# | First | 36 | 730 | 6.5 | 40.4 | H10Mn2 | 4 |
| Second | 36 | 730 | 6.41 | 41.0 | |||
| 2# | First | 36 | 450 | 6.54 | 24.8 | ||
| Second | 36 | 450 | 6.4 | 25.3 | |||
| 3# | First | 33 | 450 | 6.5 | 22.8 | ||
| Second | 33 | 450 | 6.4 | 23.2 | |||
| 4# | First | 33 | 730 | 6.52 | 36.9 | ||
| Second | 33 | 730 | 6.41 | 37.6 |
| Test Plate Number | Sample | Shock Absorption Work (J) | Average Value (J) | Error (%) | Heat Input (kJ·cm−1) |
|---|---|---|---|---|---|
| 1# test panel | The first sample | 92 | 92.7 | 0.8 | 41.0 |
| The second sample | 94 | 1.4. | |||
| The third sample | 92 | 0.8 | |||
| 2# test panel | The first sample | 136 | 134.7 | 1 | 25.3 |
| The second sample | 130 | 3.5 | |||
| The third sample | 138 | 2.4 | |||
| 3# test panel | The first sample | 140 | 140.7 | 0.5 | 23.2 |
| The second sample | 142 | 0.9 | |||
| The third sample | 140 | 0.5 | |||
| 4# test panel | The first sample | 95 | 97.3 | 2.4 | 37.6 |
| The second sample | 98 | 0.7 | |||
| The third sample | 99 | 1.7 |
| Gap Position | 1 | 2 | 3 | 4 | 5 | 6 | 7 | 8 | 9 | 10 |
|---|---|---|---|---|---|---|---|---|---|---|
| Impact absorbing energy/J | 108 | 108 | 106 | 92 | 114 | 180 | 185 | 200 | 202 | 199 |
| BM1 | BM2 | HAZ1 | HAZ2 | WM1 | WM2 | |
|---|---|---|---|---|---|---|
| Yield Strength/MPa | 376.2 | 374.9 | 383.8 | 403.6 | 387.6 | 383.6 |
| Tensile Strength/MPa | 513.9 | 515.1 | 554.6 | 586.5 | 559 | 553.1 |
Publisher’s Note: MDPI stays neutral with regard to jurisdictional claims in published maps and institutional affiliations. |
© 2022 by the authors. Licensee MDPI, Basel, Switzerland. This article is an open access article distributed under the terms and conditions of the Creative Commons Attribution (CC BY) license (https://creativecommons.org/licenses/by/4.0/).
Share and Cite
He, Q.; Hu, X.; Sun, Q.; Dong, Z.; Xie, X.; Wang, H. Characterization of Heterogeneous Microstructure and Mechanical Properties of Q345R Welded Joints including Roles of the Welding Process. Metals 2022, 12, 1708. https://doi.org/10.3390/met12101708
He Q, Hu X, Sun Q, Dong Z, Xie X, Wang H. Characterization of Heterogeneous Microstructure and Mechanical Properties of Q345R Welded Joints including Roles of the Welding Process. Metals. 2022; 12(10):1708. https://doi.org/10.3390/met12101708
Chicago/Turabian StyleHe, Qingkun, Xiaodong Hu, Qitong Sun, Zhilong Dong, Xuefang Xie, and Han Wang. 2022. "Characterization of Heterogeneous Microstructure and Mechanical Properties of Q345R Welded Joints including Roles of the Welding Process" Metals 12, no. 10: 1708. https://doi.org/10.3390/met12101708
APA StyleHe, Q., Hu, X., Sun, Q., Dong, Z., Xie, X., & Wang, H. (2022). Characterization of Heterogeneous Microstructure and Mechanical Properties of Q345R Welded Joints including Roles of the Welding Process. Metals, 12(10), 1708. https://doi.org/10.3390/met12101708
