Spheroidisation of Stainless Steel Powder for Additive Manufacturing
Abstract
:1. Introduction
2. Materials and Methods
3. Results
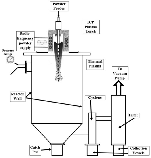
3.1. Spheroidisation
3.2. Morphology
3.3. Particle Size Analysis
3.4. Powder Flow Properties
3.5. Stability Index Test
3.6. Compressibility Test
3.7. Shear Test
3.8. Friction Test
4. Conclusions
Author Contributions
Funding
Institutional Review Board Statement
Informed Consent Statement
Data Availability Statement
Acknowledgments
Conflicts of Interest
References
- Bao, Q.; Yang, Y.; Wen, X.; Guo, L.; Guo, Z. The preparation of spherical metal powders using the high-temperature remelting spheroidization technology. Met. Des. 2021, 199, 1–10. [Google Scholar]
- Narasimhan, K.; Amuda, M.O.H. Powder Characterization. In Metal Powder; Reference Module in Materials Science and Materials Engineering; Elsevier: Amsterdam, The Netherlands, 2017. [Google Scholar] [CrossRef]
- Kaplan, M.A.; Kirsankin, A.A.; Smirnov, M.A.; Kalaida, T.A.; Baranov, E.; Ustinova, Y.O.; Sevostyanov, M.A. Properties of spherical stainless steel powders. In Proceedings of the Fourth Interdisciplinary Scientific Forum with International Participation “New Materials and Promising Technologies”, Moscow, Russia, 27–30 November 2018. [Google Scholar]
- Kriewall, C.S. Characterization and Tailoring of Powder Used in Additive Manufacturing and Plasma Spheroidization. Master’s Thesis, Missouri University of Science and Technology, Rolla, MO, USA, 2018. [Google Scholar]
- Sun, P.; Fang, Z.Z.; Zhang, Y.; Xia, Y. Review of the Methods for Production of Spherical Ti and Ti Alloy Powder. JOM 2017, 69, 1853–1860. [Google Scholar] [CrossRef] [Green Version]
- Fedina, T.; Sundqvist, J.; Powell, J.; Kaplan, A.F. A comparative study of water and gas atomized low alloy steel powders for additive manufacturing. Addit. Manuf. 2020, 36, 10165. [Google Scholar] [CrossRef]
- Tshabalala, L.; Mathe, N.; Chikwanda, H.K. Characterization of Gas Atomized Ti-6Al-4V Powders for Additive Manufacturing. Key Eng. Mater. 2018, 770, 3–9. [Google Scholar] [CrossRef]
- Markusson, L. Powder Characterization for Additive Manufacturing Processes. Master’s Thesis, Luleå University of Technology, Luleå, Sweden, 2017. [Google Scholar]
- Van Laar, J.H.; Bissett, H.; Barry, J.C.; Van Der Walt, I.J.; Crouse, P.L. Spheroidisation of iron powder in a microwave plasma reactor. S. Afr. J. Sci. Technol. 2017, 36. [Google Scholar] [CrossRef]
- Bissett, H.; van der Walt, J.I.; Havenga, J.L.; Nel, J.T. Titanium and zircon metal powder spherodization by thermal plasma processes. J. South. Afr. Inst. Min. Metall. 2015, 115. [Google Scholar] [CrossRef]
- Clayton, J.; Deffley, R. Metal Powders for Additive Manufacturing Performance and Consistency Required in Demanding. Met. Powder Rep. 2014, 69, 14–17. [Google Scholar] [CrossRef]
- Jiang, X.; Che, X.; Tian, C.; Zhu, X.; Zhou, G.; Chen, L.; Li, J. Preparation of 304 Stainless Steel Powder for 3D Printing by Vacuum-Induced Multistage Atomization. Front. Mater. 2021, 7. [Google Scholar] [CrossRef]
- Huang, X.; Xiao, K.; Fang, X.; Xiong, Z.; Wei, L.; Zhu, P.; Li, X. Oxidation behavior of 316L austenitic stainless steel in high temperature in air with long term exposure. Mater. Res. Express 2020, 7, 066517. [Google Scholar] [CrossRef]
- Dunning, J.S.; Alman, D.E.; Rawers, J.C. Influence of Silicon and Aluminum Additions on the oxidation resistance of a lean-chromium stailnless steel. Oxid. Met. 2002, 57, 409–425. [Google Scholar] [CrossRef]
- Choi, J.-P.; Shin, G.-H.; Lee, H.-S.; Yang, D.-Y.; Yang, S.; Lee, C.-W.; Brochu, M.; Yu, J.-H. Evaluation of Powder Layer Density for the Selective Laser Melting (SLM) Process. Mater. Trans. 2017, 58, 294–297. [Google Scholar] [CrossRef] [Green Version]
- Chikosha, S.; Mahlatji, L.M.; Chikwanda, H.K. Characterisation of Titanium Powder Flow, Shear and Bulk Properties Using the FT4 Powder Rheometer. Adv. Mater. Res. 2014, 1019, 218–224. [Google Scholar] [CrossRef]
- Divya, S.; Ganesh, G. Characterization of Powder Flowability Using FT4—Powder Rheometer. J. Pharm.Sci. Res. 2019, 11, 25–29. [Google Scholar]
- Clayton, J.; Dawes, J.; Langley, C. Optimizing Metal Powders for Additive Manufacturing: Exploring the Impact of Particle Morphology and Powder Flowability. Met. Powder Rep. 2017, 69, 1–5. [Google Scholar]
- Technology, F. Additional Parameters Derived from Shear Cell Data. 2013. Available online: https://www.freemantech.co.uk/learn/powder-rheology (accessed on 11 March 2021).
- Wei, W.; Wang, L.; Chen, T.; Duan, X.; Li, W. Study on flow properties of Ti6Al4V powders prepared by radio frequency plasma spheroidization. Adv. Powder Technol. 2017, 28, 2431–2437. [Google Scholar] [CrossRef]
- Sutton, A.; Kriewall, C.; Leu, M.; Newkirk, J. Powders for additive manufacturing processes: Characterization techniques and effects on part properties. In Proceedings of the 27th Annual International Solid Freeform Fabrication Symposium, Austin, TX, USA, 8–10 August 2016. [Google Scholar]
- Ewsuk, K.G. Powder granulation and compaction. In Encyclopedia of Materials: Science and Technology; Pergamon Press: Oxford, UK, 2001. [Google Scholar]












| Size Fraction (µm) | 0–38 | 38–45 | 45–63 | 63–75 | 75–90 | >90 | Total | |
|---|---|---|---|---|---|---|---|---|
| Feed powder | Feed material (g) | 736.67 | 79.33 | 1218.63 | 1225.00 | 463.67 | 0.00 | 3723.30 |
| Fraction in feed (%) | 19.79 | 2.13 | 32.73 | 32.90 | 12.45 | 0.00 | 100.00 | |
| Size fraction (µm) | 0–63 | 63–106 | ||||||
| (%) of fraction | 54.65 | 45.35 | 100.00 | |||||
| Carbon C% | Manganese Mn% | Phosphorus P% | Sulphur S% | Silicon Si% | Chromium Cr% | Nickel Ni% | Iron Fe% | |
|---|---|---|---|---|---|---|---|---|
| AISI standard | 0.08 | 2.0 | 0.045 | 0.03 | 1.0 | 18–20 | 8.0–12 | Balance |
| Size Fraction (µm) | 0–38 | 38–45 | 45–63 | 63–75 | 75–90 | >90 | Total | |
|---|---|---|---|---|---|---|---|---|
| After plasma treatment | Mass recoveries after plasma treatment (g) | 680.86 | 73.32 | 1134.50 | 1112.95 | 445.07 | 0.00 | 3446.70 |
| Percent recoveries after plasma treatment (%) | 92.42 | 92.42 | 93.10 | 90.85 | 95.99 | 0.00 | 93.57 | |
| Fraction in plasma treated powder (%) | 19.75 | 2.13 | 32.92 | 32.29 | 12.91 | 0.00 | 100.00 | |
| (%) of fraction | 54.80 | 45.20 | 100.00 | |||||
| After powder cleaning and sieving | Mass recoveries after powder cleaning and sieving (g) | 573.88 | 0.00 | 539.86 | 1457.99 | 827.73 | 20.65 | 3420.11 |
| Percent recoveries after powder cleaning and sieving (%) | 77.90 | 0.00 | 44.30 | 119.20 | 178.52 | 0.00 | 91.86 | |
| Fraction in cleaned powder (%) | 16.78 | 0.00 | 15.78 | 42.63 | 24.20 | 0.60 | 100.00 | |
| (%) of fraction | 32.56 | 67.44 | 100.00 | |||||
| Element | AISI Standard | Irregular Powder | Catch-Pot Powder | Rwall Powder |
|---|---|---|---|---|
| Fe | Bal | 66.51 | 66.22 | 66.46 |
| Cr | 18–20 | 19.98 | 19.14 | 18.38 |
| Ni | 8–12 | 10.46 | 10.16 | 10.97 |
| Mn | 2 Max | - | - | - |
| Si | 1 Max | 0.77 | 1.04 | 1.31 |
| O | - | 2.29 | 3.34 | 2.89 |
| Material | Particle Size Distribution (µm) | Mean Sphericity Ratio | Circularity | ||
|---|---|---|---|---|---|
| D10 | D50 | D90 | |||
| Irregular −63 µm | 19 | 40 | 69 | 0.84 | 0.72 |
| Irregular +63 µm | 47 | 77 | 131 | 0.81 | 0.67 |
| Spherical −63 µm | 40 | 57 | 87 | 0.82 | 0.67 |
| Spherical +63 µm | 53 | 76 | 127 | 0.80 | 0.64 |
| −63 µm | −63 µm | +63–106 µm | +63–106 µm | |
|---|---|---|---|---|
| Irregular | Spherical | Irregular | Spherical | |
| Hall funnel (s/50 g) | 33.44 ± 0.66 | 22.67 ± 0.29 | 30.93 ± 0.42 | 12.21 ± 0.05 |
| Apparent density (g/cc) | 3.06 | 4.36 | 2.67 | 4.61 |
| Flow Index (ffc) | <1 | <2 | <4 | <10 | >10 |
|---|---|---|---|---|---|
| Flow Behaviour | Not flowing/Hardened | Very cohesive | Cohesive | Easy Flowing | Free Flowing |
| Material | Cohesion | Unconfined Yield Strength | Major Principal Stress | Relj/ffc | Internal Friction Angle | Wall Friction Angle |
|---|---|---|---|---|---|---|
| C (kPa) | UYS (kPa) | MPS (kPa) | AiF(E)° | WFA° | ||
| Irregular 304SS −63 µm | 0.38 | 1.34 | 13.8 | 10 | 30 | 26 |
| Irregular 304SS +63 µm | 0.20 | 0.74 | 13.2 | 18 | 27 | 25 |
| Spherical 304SS −63 µm | 0.27 | 0.76 | 12 | 16 | 22 | 14 |
| Spherical 304SS +63 µm | 0.19 | 0.53 | 12 | 19 | 20 | 13 |
Publisher’s Note: MDPI stays neutral with regard to jurisdictional claims in published maps and institutional affiliations. |
© 2021 by the authors. Licensee MDPI, Basel, Switzerland. This article is an open access article distributed under the terms and conditions of the Creative Commons Attribution (CC BY) license (https://creativecommons.org/licenses/by/4.0/).
Share and Cite
Chikosha, S.; Tshabalala, L.C.; Bissett, H.; Lesufi, M.; Mnguni, N.K.; Motsai, T.M.; Manama, T.; Hoosain, S. Spheroidisation of Stainless Steel Powder for Additive Manufacturing. Metals 2021, 11, 1081. https://doi.org/10.3390/met11071081
Chikosha S, Tshabalala LC, Bissett H, Lesufi M, Mnguni NK, Motsai TM, Manama T, Hoosain S. Spheroidisation of Stainless Steel Powder for Additive Manufacturing. Metals. 2021; 11(7):1081. https://doi.org/10.3390/met11071081
Chicago/Turabian StyleChikosha, Silethelwe, Lerato C. Tshabalala, Hertzog Bissett, Miltia Lesufi, Ndumiso K. Mnguni, Tebogo M. Motsai, Thabiso Manama, and Shaik Hoosain. 2021. "Spheroidisation of Stainless Steel Powder for Additive Manufacturing" Metals 11, no. 7: 1081. https://doi.org/10.3390/met11071081
APA StyleChikosha, S., Tshabalala, L. C., Bissett, H., Lesufi, M., Mnguni, N. K., Motsai, T. M., Manama, T., & Hoosain, S. (2021). Spheroidisation of Stainless Steel Powder for Additive Manufacturing. Metals, 11(7), 1081. https://doi.org/10.3390/met11071081

