Proposal of Fatigue Limit Design Curves for Additively Manufactured Ti-6Al-4V in a VHCF Regime Using Specimens with Artificial Defects
Abstract
1. Introduction
2. Experimental Procedure
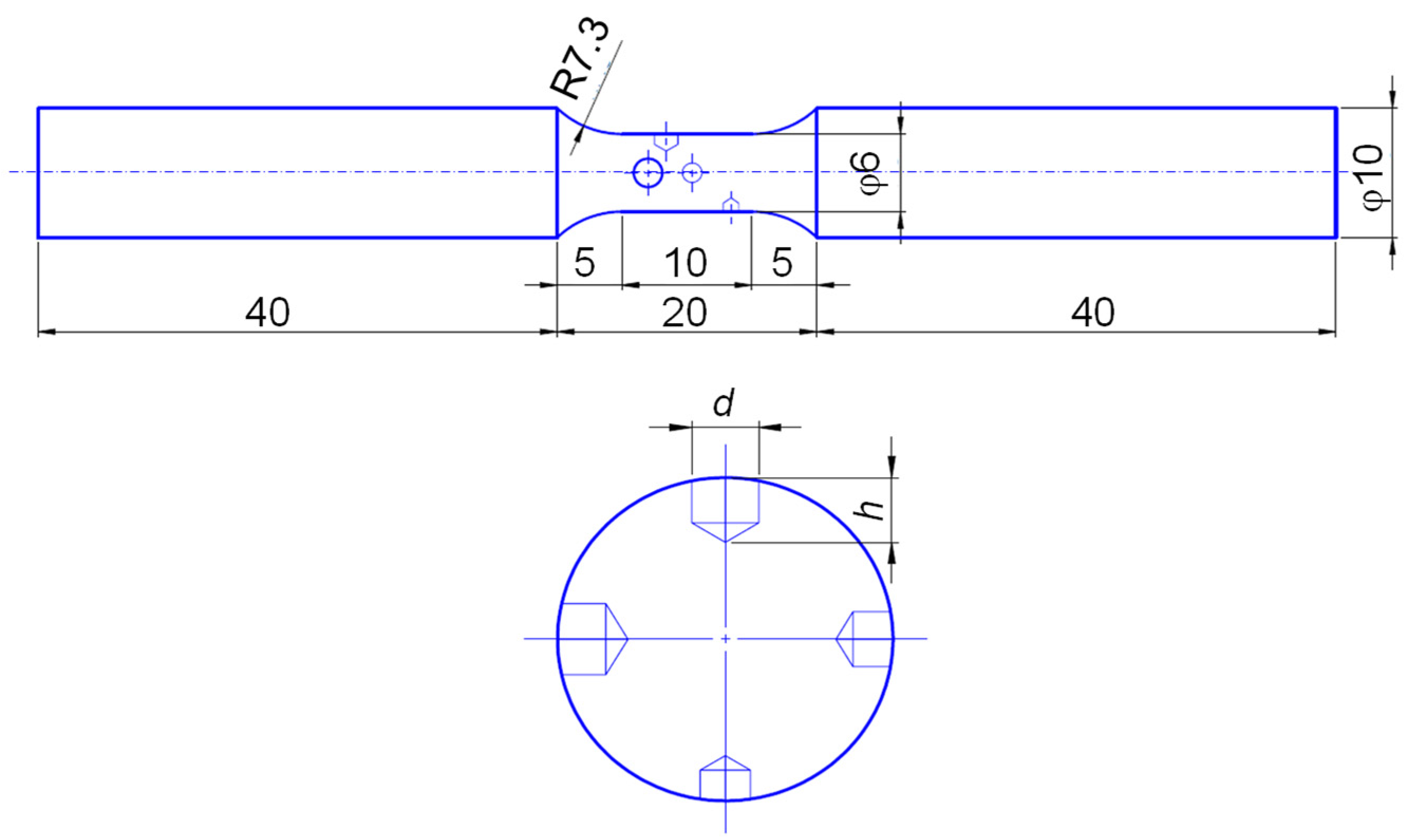
2.1. Material and Specimen
2.2. Test Procedures
3. Results
3.1. Crack Initiation at Artificial Defects
3.2. Stress Amplitude as a Function of √area
4. Discussion
4.1. Kitagawa–Takahashi-Murakami Diagram at 107 Cycles
4.2. Kitagawa–Takahashi-Murakami Diagram at 108 Cycles
5. Conclusions
- (1)
- Fatigue limits of AMed Ti-6Al-4V at 107 and 108 cycles were lower than those of CMed Ti-6Al-4V, because the defects acted as fatigue crack starters.
- (2)
- Kitagawa–Takahashi diagram was drawn, and the fatigue test results of CMed Ti-6Al-4V with artificial defects were compared with those of AMed Ti-6Al-4V. The transition from the LEFM-dominating area to the fatigue limit dominating area was well described by the conventional Murakami’s equation at 107 cycles. However, conventional equation gave an insufficient prediction of the fatigue limit at 108 cycles.
- (3)
- Two kinds of modified Murakami’s equations were proposed as fatigue limit design curves at 108 cycles. A parallel shift of Murakami’s equation was simple and gave conservative results. However, a parallel shift means that the transition crack length from LEFM-dominating area to Murakami’s equation becomes longer with increasing loading cycles. A better prediction could be given by changing the slope of Murakami’s equation in keeping with the transition crack length constant, and the modified equation was valid for the defect sizes ranging from 10 to 500 μm.
Author Contributions
Funding
Institutional Review Board Statement
Informed Consent Statement
Data Availability Statement
Acknowledgments
Conflicts of Interest
References
- Murr, L.E.; Gaytan, S.M.; Ramirez, D.A.; Martinez, E.; Hernandez, J.; Amato, K.N.; Shindo, P.W.; Medina, F.R.; Wicker, R.B. Metal Fabrication by Additive Manufacturing Using Laser and Electron Beam Melting Technologies. J. Mater. Sci. Technol. 2012, 28, 1–14. [Google Scholar] [CrossRef]
- Herzog, D.; Seyda, V.; Wycisk, E.; Emmelmann, C. Additive manufacturing of metals. Acta Mater. 2016, 117, 371–392. [Google Scholar] [CrossRef]
- Liu, S.; Shin, Y.C. Additive manufacturing of Ti6Al4V alloy: A review. Mater. Des. 2019, 164, 107552. [Google Scholar] [CrossRef]
- Akita, M.; Uematsu, Y.; Kakiuchi, T.; Nakajima, M.; Kawaguchi, R. Defect-dominated fatigue behavior in type 630 stainless steel fabricated by selective laser melting. Mater. Sci. Eng. A 2016, 666, 19–26. [Google Scholar] [CrossRef]
- Croccolo, D.; De Agostinis, M.; Fini, S.; Olmi, G.; Vranic, A.; Ciric-Kostic, S. Influence of the build orientation on the fatigue strength of EOS maraging steel produced by additive metal machine. Fatigue Fract. Eng. Mater. Struct. 2016, 39, 637–647. [Google Scholar] [CrossRef]
- Tang, M.; Pistorius, P.C. Oxides, porosity and fatigue performance of AlSi10Mg parts produced by selective laser melting. Int. J. Fatigue 2017, 94, 192–201. [Google Scholar] [CrossRef]
- Zhang, M.; Sun, C.-N.; Zhang, X.; Wei, J.; Hardacre, D.; Li, H. Predictive models for fatigue property of laser powder bed fusion stainless steel 316L. Mater. Des. 2018, 145, 42–54. [Google Scholar] [CrossRef]
- Fatemi, A.; Molaei, R.; Simsiriwong, J.; Sanaei, N.; Pegues, J.; Torries, B.; Phan, N.; Shamsaei, N. Fatigue behaviour of additive manufactured materials: An overview of some recent experimental studies on Ti-6Al-4V considering various processing and loading direction effects. Fatigue Fract. Eng. Mater. Struct. 2019, 42, 991–1009. [Google Scholar] [CrossRef]
- Benzing, J.; Hrabe, N.; Quinn, T.; White, R.; Rentz, R.; Ahlfors, M. Hot isostatic pressing (HIP) to achieve isotropic micro-structure and retain as-built strength in an additive manufacturing titanium alloy (Ti-6Al-4V). Mater. Lett. 2019, 257, 126690. [Google Scholar] [CrossRef]
- Leuders, S.; Thöne, M.; Riemer, A.; Niendorf, T.; Tröster, T.; Richard, H.A.; Maier, H.J. On the mechanical behaviour of tita-nium alloy TiAl6V4 manufactured by selective laser melting: Fatigue resistance and crack growth performance. Int. J. Fatigue 2013, 48, 300–307. [Google Scholar] [CrossRef]
- Li, P.; Warner, D.; Fatemi, A.; Phan, N. Critical assessment of the fatigue performance of additively manufactured Ti–6Al–4V and perspective for future research. Int. J. Fatigue 2016, 85, 130–143. [Google Scholar] [CrossRef]
- Hrabe, N.; Gnäupel-Herold, T.; Quinn, T. Fatigue properties of a titanium alloy (Ti–6Al–4V) fabricated via electron beam melting (EBM): Effects of internal defects and residual stress. Int. J. Fatigue 2017, 94, 202–210. [Google Scholar] [CrossRef]
- Biswal, R.; Zhang, X.; Syed, A.K.; Awd, M.; Ding, J.; Walther, F.; Williams, S. Criticality of porosity defects on the fatigue performance of wire + arc additive manufactured titanium alloy. Int. J. Fatigue 2019, 122, 208–217. [Google Scholar] [CrossRef]
- Dallago, M.; Winiarski, B.; Zanini, F.; Carmignato, S.; Benedetti, M. On the effect of geometrical imperfections and defects on the fatigue strength of cellular lattice structures additively manufactured via Selective Laser Melting. Int. J. Fatigue 2019, 124, 348–360. [Google Scholar] [CrossRef]
- Li, P.; Warner, D.; Pegues, J.; Roach, M.; Shamsaei, N.; Phan, N. Towards predicting differences in fatigue performance of laser powder bed fused Ti-6Al-4V coupons from the same build. Int. J. Fatigue 2019, 126, 284–296. [Google Scholar] [CrossRef]
- Murakami, Y.; Endo, M.; Murakami, Y.; Endo, M. Effects of defects, inclusions and inhomogeneities on fatigue strength. Int. J. Fatigue 1994, 16, 163–182. [Google Scholar] [CrossRef]
- Murakami, Y. Material defects as the basis of fatigue design. Int. J. Fatigue 2012, 41, 2–10. [Google Scholar] [CrossRef]
- Kitagawa, H.; Takahashi, S. Applicability of fracture mechanics to very small cracks or cracks in the early stage. In Proceedings of the Second International Conference on Mechanical Behavior of Materials, ASM 1976, Boston, MA, USA, 16–20 August 1976; pp. 627–631. [Google Scholar]
- Murakami, Y. Metal Fatigue: Effects of Small Defects and Nonmetallic Inclusions; Elsevier: Amsterdam, The Netherlands, 2002. [Google Scholar]
- Tajiri, A.; Nozaki, T.; Uematsu, Y.; Kakiuchi, T.; Nakajima, M.; Nakamura, Y.; Tanaka, H. Fatigue Limit Prediction of Large Scale Cast Aluminum Alloy A356. Procedia Mater. Sci. 2014, 3, 924–929. [Google Scholar] [CrossRef]
- Ueno, A.; Nishida, M.; Miyakawa, S.; Yamada, K.; Kikuchi, S. Fatigue Limit Estimation of Aluminum Die-casting Alloy by Means of √area Method. J. Soc. Mater. Sci. Jpn. 2014, 63, 844–849. [Google Scholar] [CrossRef]
- Uematsu, Y.; Kakiuchi, T.; Tajiri, A.; Nakajima, M. Fatigue limit prediction of A356-T6 cast aluminum alloys with different defect sizes sampled from an actual large-scale component. Int. J. Struct. Integr. 2017, 8, 617–631. [Google Scholar] [CrossRef]
- Matsunaga, H.; Murakami, Y.; Kubota, M.; Lee, J.H. Fatigue strength of T-6Al-4V alloys containing small artificial defects. Mat. Sci. Res. Int. 2003, 9, 263–269. [Google Scholar] [CrossRef]
- Kakiuchi, T.; Kawaguchi, R.; Nakajima, M.; Hojo, M.; Fujimoto, K.; Uematsu, Y. Prediction of fatigue limit in additively manufactured Ti-6Al-4V alloy at elevated temperature. Int. J. Fatigue 2019, 126, 55–61. [Google Scholar] [CrossRef]
- Murakami, Y.; Usuki, H. Quantitative evaluation of effects of non-metallic inclusions on fatigue strength of high strength steels. II: Fatigue limit evaluation based on statistics for extreme values of inclusion size. Int. J. Fatigue 1989, 11, 299–307. [Google Scholar] [CrossRef]
- Murakami, Y. Inclusion rating by statistics of extreme values and its application to fatigue strength prediction and quality control of materials. J. Res. Natl. Inst. Stand. Technol. 1994, 99, 345. [Google Scholar] [CrossRef]
- Günther, J.; Krewerth, D.; Lippmann, T.; Leuders, S.; Tröster, T.; Weidner, A.; Biermann, H.; Niendorf, T. Fatigue life of ad-ditively manufactured Ti–6Al–4V in the very high cycle fatigue regime. Int. J. Fatigue 2017, 94, 236–245. [Google Scholar] [CrossRef]
- Nicoletto, G. Anisotropic high cycle fatigue behavior of Ti–6Al–4V obtained by powder bed laser fusion. Int. J. Fatigue 2017, 94, 255–262. [Google Scholar] [CrossRef]
- Vastola, G.; Zhang, G.; Pei, Q.X.; Zhang, Y.W. Controlling of residual stress in additive manufacturing of Ti6Al4V byfinite element modelling. Addit. Manuf. 2016, 12, 231–239. [Google Scholar]
- Masuo, H.; Tanaka, Y.; Morokoshi, S.; Yagura, H.; Uchida, T.; Yamamoto, Y.; Murakami, Y. Influence of defects, surface roughness and HIP on the fatigue strength of Ti-6Al-4V manufactured by additive manufacturing. Int. J. Fatigue 2018, 117, 163–179. [Google Scholar] [CrossRef]
- Sugeta, A.; Jono, M.; Uematsu, Y.; Yamamoto, M.; Ueda, H. Effect of Microstructure on Fatigue Crack Growth Behavior in Ti-6Al-4V Alloy. J. Soc. Mater. Sci. Jpn. 1998, 47, 273–278. [Google Scholar] [CrossRef]
- Sugeta, A.; Uematsu, Y.; Kitayama, Y.; Jono, M. Fatigue Crack Growth Behavior of Ti-6Al-4V Alloy with Bimodal Microstructure under Repeated Two-step Load Sequences. Trans. Jpn. Soc. Mech. Eng. Ser. A 2005, 71, 1153–1159. (In Japanese) [Google Scholar] [CrossRef]












| Material | 0.2% Proof Stress σ0.2 [MPa] | Tensile Strength σB [MPa] | Elongation δ [%] | Reduction of Area φ [%] | Vickers Hardness HV |
|---|---|---|---|---|---|
| AM-Ti | 930 | 970 | 16 | 50 | 351 |
| CM-Ti | 917 | 989 | 19 | 52 | 347 |
| Specimen I Large | Specimen II Medium | Specimen III Small | ||||||
|---|---|---|---|---|---|---|---|---|
| d (mm) | h (mm) | √area (mm) | d (mm) | h (mm) | √area (mm) | d (mm) | h (mm) | √area (mm) |
| 2.2 | 2.1 | 2.1 | 1.2 | 1.1 | 1.1 | 0.3 | 0.3 | 0.3 |
| 1.8 | 1.7 | 1.7 | 0.9 | 0.8 | 0.8 | 0.2 | 0.2 | 0.2 |
| 1.5 | 1.4 | 1.4 | 0.6 | 0.6 | 0.6 | 0.1 | 0.1 | 0.1 |
| 1.2 | 1.1 | 1.1 | 0.4 | 0.4 | 0.4 | 0.08 | 0.05 | 0.06 |
Publisher’s Note: MDPI stays neutral with regard to jurisdictional claims in published maps and institutional affiliations. |
© 2021 by the authors. Licensee MDPI, Basel, Switzerland. This article is an open access article distributed under the terms and conditions of the Creative Commons Attribution (CC BY) license (https://creativecommons.org/licenses/by/4.0/).
Share and Cite
Uematsu, Y.; Kakiuchi, T.; Han, Y.; Nakajima, M. Proposal of Fatigue Limit Design Curves for Additively Manufactured Ti-6Al-4V in a VHCF Regime Using Specimens with Artificial Defects. Metals 2021, 11, 964. https://doi.org/10.3390/met11060964
Uematsu Y, Kakiuchi T, Han Y, Nakajima M. Proposal of Fatigue Limit Design Curves for Additively Manufactured Ti-6Al-4V in a VHCF Regime Using Specimens with Artificial Defects. Metals. 2021; 11(6):964. https://doi.org/10.3390/met11060964
Chicago/Turabian StyleUematsu, Yoshihiko, Toshifumi Kakiuchi, Yaodong Han, and Masaki Nakajima. 2021. "Proposal of Fatigue Limit Design Curves for Additively Manufactured Ti-6Al-4V in a VHCF Regime Using Specimens with Artificial Defects" Metals 11, no. 6: 964. https://doi.org/10.3390/met11060964
APA StyleUematsu, Y., Kakiuchi, T., Han, Y., & Nakajima, M. (2021). Proposal of Fatigue Limit Design Curves for Additively Manufactured Ti-6Al-4V in a VHCF Regime Using Specimens with Artificial Defects. Metals, 11(6), 964. https://doi.org/10.3390/met11060964

